欢迎来到第壹文秘! | 帮助中心 分享价值,成长自我!
第壹文秘
全部分类
  • 幼儿/小学教育>
  • 中学教育>
  • 高等教育>
  • 研究生考试>
  • 外语学习>
  • 资格/认证考试>
  • 论文>
  • IT计算机>
  • 法律/法学>
  • 建筑/环境>
  • 通信/电子>
  • 医学/心理学>
  • ImageVerifierCode 换一换
    首页 第壹文秘 > 资源分类 > DOCX文档下载
    分享到微信 分享到微博 分享到QQ空间

    采购方案技术文件审批表.docx

    • 资源ID:548466       资源大小:45.92KB        全文页数:7页
    • 资源格式: DOCX        下载积分:5金币
    快捷下载 游客一键下载
    账号登录下载
    三方登录下载: 微信开放平台登录 QQ登录
    下载资源需要5金币
    邮箱/手机:
    温馨提示:
    快捷下载时,如果您不填写信息,系统将为您自动创建临时账号,适用于临时下载。
    如果您填写信息,用户名和密码都是您填写的【邮箱或者手机号】(系统自动生成),方便查询和重复下载。
    如填写123,账号就是123,密码也是123。
    支付方式: 支付宝    微信支付   
    验证码:   换一换

    加入VIP,免费下载
     
    账号:
    密码:
    验证码:   换一换
      忘记密码?
        
    友情提示
    2、PDF文件下载后,可能会被浏览器默认打开,此种情况可以点击浏览器菜单,保存网页到桌面,就可以正常下载了。
    3、本站不支持迅雷下载,请使用电脑自带的IE浏览器,或者360浏览器、谷歌浏览器下载即可。
    4、本站资源下载后的文档和图纸-无水印,预览文档经过压缩,下载后原文更清晰。
    5、试题试卷类文档,如果标题没有明确说明有答案则都视为没有答案,请知晓。

    采购方案技术文件审批表.docx

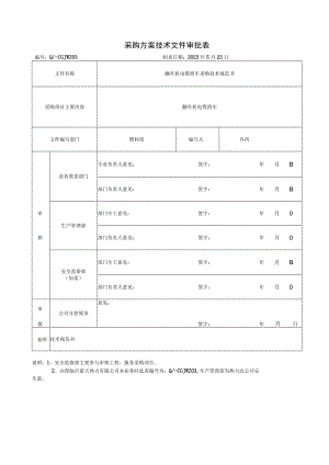
    采购方案技术文件审批表编号:Q/-CGJWZ03制表日期:2023年5月23日文件名称翻车机电缆滑车采购技术规范书采购项目主要内容翻车机电缆滑车文件编写部门燃料部编写人许珂业务需求部门专业负责人意见:签字:年月B部门负责人意见:签字:年月B审生产管理部部门专工意见:签字:年月0核部门负责人意见:签字:年月0安全监察部部门专工意见:签字:年月B(如需)部门负责人意见:签字:年月0审批公司分管领导意见:签字:年月日附件技术规范书说明:1、安全监察部主要参与审核工程、服务采购项目。2、办理临沂蓝天热力有限公司本业务时此表编号为:Q/-CGJWZ03,生产管理部为热力总公司安生部。华能临沂发电有限公司翻车机电缆滑车采购技术规范书2023年5月1总则2技术要求3供货需求4技术服务5质量保证要求6包装、运输和贮存1总则1.1 本设备技术规范书适用于华能临沂发电有限公司卸车机控制柜采购供货,它提出了该设备使用参数等方面的技术要求。1.2 招标方在本技术规范书中提出了最低限度的技术要求,并未规定所有的技术要求和适用的标准,投标方提供一套满足本技术规范书和所列标准要求的高质量产品及其相应服务。1.3 从签订合同之后至投标方开始制造之日的这段时期内,招标方有权提出因规程、规范和标准发生变化而产生的一些补充修改要求,投标方应遵守这些要求,且不另取费。如果投标方没有以书面形式对本规范书的条文提出异议,则意味着投标方提供的设备完全符合本规范书的要求,如有异议,不管是多么微小,均应在报价书中以“对规范书的意见和同规范书的差异”为标题的专门章节中加以详细说明。1.4本技术规范书所引用的标准若与投标方所执行的标准发生矛盾时,按较高的标准执行。所列标准如有新颁替代标准时,应按新颁替代标准执行。1.5 本技术规范为订货合同的附件,与合同正文具有同等效力。1. 6投标方提供的设备应为通过国家权威机构测试后确认的合格产品。2技术要求1.1 电缆滑车适用于#16工字钢;2. 2电缆滑车整体(包含滑车轮)采用304不锈钢材料制作,其中滑车支架采用的板材厚度不低于8mm;3. 3电缆滑车为重载荷型,CH-V-20a-304型滑车轮直径为100rnm,CHT11-20a-304型滑车轮直径为63mm,滑车轮轴承有卡簧可靠固定;2.4电缆滑车移动灵活可靠,无异音;2. 5新电缆滑车能够达到设备使用各项要求。单位:mm型号AaBIL1RCH-III-20a-30424013528513026022080CH-V-20a-3044202003501503603201203.供货要求3.1供货需求一览表投标方应确保供货范围完整,应满足招标方对安装、运行和设备性能的要求,若在安装、运行中发现缺项,投标方应无条件免费补充供货。供货范围:投标方填写下表(详细供货清单):序号设备材料名称规格和型号单位数量生产厂家(品牌)备注1电缆滑车CH-V-20a-304个5无2电缆滑车CH-III-20a-304个5无说明:(1)提供材质等报告、资料。(2)如果投标方供货不能实现本技术规范书描述的功能,则招标方有权要求投标方无偿超出本供货范围供货,直到能够实现招标方所要求的功能;期间造成影响和损失由投标方负责。3.2供货需求说明投标方供货备必须是成熟的、完整的,而不是正在开发和准备开发的产品;全部设备应具有全新材料、先进结构和一流工艺水平。3. 3工期要求投标方需在中标后30日内进行供货。4技术服务4. 1投标方收到技术规范书后如有异议,在1周内书面通知招标方。5. 质量保证要求5.1 所有材料都应是新的,且按最佳方式进行设计和制造,所用材料应最大限度的适合于使用。设计和材料应尽可能的增加使用寿命和运行的可靠性,不易磨损,容易维护等。5.2 投标方提供的所有材料均应附有制造商发出的、有投标方签字的质量保证书、试验报告和检查记录。6. 包装、运输和储存6.1 设备制造完成并通过试验后应及时按合同要求到现场。6.2 设备经妥善包装后,在运输过程中尚应采取其它防护措施,以免损坏或丢失6.3 随产品提供的技术资料应完整无缺。差异表投标方要将投标文件和招标文件的差异之处汇集成下表。如未对本招标文件提出差异,将认为投标方提供的设备符合本招标文件和标准的要求。序号招标文件投标文件条目简要内容条目简要内容投标报价清单工作内容费用(元)备注备注:1、 投标必须附详细报价清单。2、 请说明提供发票的类型。

    注意事项

    本文(采购方案技术文件审批表.docx)为本站会员(p**)主动上传,第壹文秘仅提供信息存储空间,仅对用户上传内容的表现方式做保护处理,对上载内容本身不做任何修改或编辑。 若此文所含内容侵犯了您的版权或隐私,请立即通知第壹文秘(点击联系客服),我们立即给予删除!

    温馨提示:如果因为网速或其他原因下载失败请重新下载,重复下载不扣分。




    关于我们 - 网站声明 - 网站地图 - 资源地图 - 友情链接 - 网站客服 - 联系我们

    copyright@ 2008-2023 1wenmi网站版权所有

    经营许可证编号:宁ICP备2022001189号-1

    本站为文档C2C交易模式,即用户上传的文档直接被用户下载,本站只是中间服务平台,本站所有文档下载所得的收益归上传人(含作者)所有。第壹文秘仅提供信息存储空间,仅对用户上传内容的表现方式做保护处理,对上载内容本身不做任何修改或编辑。若文档所含内容侵犯了您的版权或隐私,请立即通知第壹文秘网,我们立即给予删除!

    收起
    展开