欢迎来到第壹文秘! | 帮助中心 分享价值,成长自我!
第壹文秘
全部分类
  • 幼儿/小学教育>
  • 中学教育>
  • 高等教育>
  • 研究生考试>
  • 外语学习>
  • 资格/认证考试>
  • 论文>
  • IT计算机>
  • 法律/法学>
  • 建筑/环境>
  • 通信/电子>
  • 医学/心理学>
  • ImageVerifierCode 换一换
    首页 第壹文秘 > 资源分类 > DOCX文档下载
    分享到微信 分享到微博 分享到QQ空间

    XX机电科技有限公司照明配电箱例行检验记录(202X年).docx

    • 资源ID:544566       资源大小:25.59KB        全文页数:3页
    • 资源格式: DOCX        下载积分:5金币
    快捷下载 游客一键下载
    账号登录下载
    三方登录下载: 微信开放平台登录 QQ登录
    下载资源需要5金币
    邮箱/手机:
    温馨提示:
    快捷下载时,如果您不填写信息,系统将为您自动创建临时账号,适用于临时下载。
    如果您填写信息,用户名和密码都是您填写的【邮箱或者手机号】(系统自动生成),方便查询和重复下载。
    如填写123,账号就是123,密码也是123。
    支付方式: 支付宝    微信支付   
    验证码:   换一换

    加入VIP,免费下载
     
    账号:
    密码:
    验证码:   换一换
      忘记密码?
        
    友情提示
    2、PDF文件下载后,可能会被浏览器默认打开,此种情况可以点击浏览器菜单,保存网页到桌面,就可以正常下载了。
    3、本站不支持迅雷下载,请使用电脑自带的IE浏览器,或者360浏览器、谷歌浏览器下载即可。
    4、本站资源下载后的文档和图纸-无水印,预览文档经过压缩,下载后原文更清晰。
    5、试题试卷类文档,如果标题没有明确说明有答案则都视为没有答案,请知晓。

    XX机电科技有限公司照明配电箱例行检验记录(202X年).docx

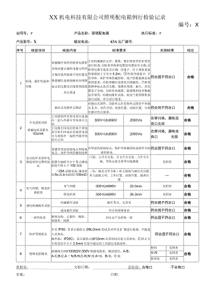
    XX机电科技有限公司照明配电箱例行检验记录编号:X合同号,X产品名称:照明配电箱执行标准:X产品型号:X额定电流:63A出厂编号:序号检验项目检验内容标准要求实测结果结论1布线、操作性能和功能机械操作部件的检查电缆和导线布置正确性电器元件的正确安装外接端子的位置及数量螺钉连接接触良好铭牌标志的完整及识别原理接线符合要求对机械操作元件、联锁、锁扣等部件的有效性进行检查;检查导线和电缆的布置是否正确;检查电器安装是否正确;端子,位于成套设备的基础面上方至少0.2m;外接导线端子:中性导体、保护导体的截面积、端子的数量满足标准的要求;检查螺钉连接是否接触好;检查铭牌和标志是否完整,铭牌应坚固、耐久,其位置易于识别。检查电路图,接缓图和技术数据是否相符;通电操作试验,按电气原理图要求进行试验,符合设计要求。符合团不符合口合格抽出式功能单元测试对抽出式部件,功能单元在其他单元隔室中各抽出2次,动作灵活,连接位置、试验位置,分离位置应符合要求。符合回不符合口合格2介电强度试验泄漏电流设置为IOomA主电路的所有带电部分连接在一起与外露可导电部分之间300V<Ui690V2500VIs击穿闪络,漏电流有口无回合格主电路不同电位的每个带电部分和不同电位其他带电部分与连接在一起的外露导电部分之间300V<Ui690V2000VIs击穿闪络,漏电流有口无国合格3电击防护及保护电路连续性完整性验证装置有明显的接地点和接地标志,保护导体的截面选择有明显的接地标志;保护导体截面的选择符合标准的要求。符合团不符合口合格装置中抽检不少于5点测电阻值不得大于100毫欧(25A试舱电流,施加时间5s,接地电阻值100m)门锁、主开关支架、分支开关支架、刀开关手柄、导轨安装支架等对地测量见附表合格(仅:抽出式开关柜)柜主接地与抽出式功能单元底板之间,工作位置、试验位置、隔离位置合格4电气间隙、爬电距离检查电气间隙300<Ui690V25.5mm见附表合格爬电距离300<Ui690V26.3mm见附表合格5通电机械操作试验机械操作试验操作5次,无异常符合团不符合口合格通电操作试验符合原理图要求符合因不符合口合格6一致性检查整体结构、元器件、铜排、绝缘件、铭牌同认证产品样机一致符合团不符合口合格7防护等级睑证外壳IP30:3表示能防止2LOmm的试具对外壳各隙进行检验,不能进入壳体内。操作面:IP20C:表示能防止612mm长度的试具进入壳体内。C:防止人手持直径不小于2.5mm长度不超过的工具接近危险部件。符合团不符合口合格8绝缘电阻测试被测两点间1000V,500V绝缘电阻表,测试部位:A-B、A-C,B-C,AN,B-N,C-N,N地A地、B-地、C地相间见附表合格相-N见附表相对地见附表质检员:完检日期:总结论:合格口不合格口审批:日期:电度验介强试通电试验机械操作一致性检查护级证防拿睡绝缘电阻检验结论相间相N相对地18M20MQ15M合格团不合格口MCMMQ合格口不合格口MMM合格不合格口MMM合格口不合格口MMCM合格口不合格口附表X年注:检查项目“J”,绝缘电组填数值。序号检验日期出厂编号额定电流电气间隙爬电距离接地电阻mQ仅:抽功处免接电阻一般检查1X月1日X63A13mm20mmRl:15.3R2:13.2R3:14.6R4:12.3R5:17.8工作位置/试验购:/mg位置:/m。2月日AmmmmRl:R2:R3:R4:R5:工作位置/试验弥:/mQ购位置:/m3月日AmmmmRl:R2:R3:R4:R5:工作位置,试验庭:/mQ购位置:/mQ4月日AmmmmRl:R2:R3:R4:R5:工作位置,试验庭:/mQ购位置:/m5月日AmmmmRl:R2:R3:R4:R5:工作位置/11试验始:/mQg位置:/mQ

    注意事项

    本文(XX机电科技有限公司照明配电箱例行检验记录(202X年).docx)为本站会员(p**)主动上传,第壹文秘仅提供信息存储空间,仅对用户上传内容的表现方式做保护处理,对上载内容本身不做任何修改或编辑。 若此文所含内容侵犯了您的版权或隐私,请立即通知第壹文秘(点击联系客服),我们立即给予删除!

    温馨提示:如果因为网速或其他原因下载失败请重新下载,重复下载不扣分。




    关于我们 - 网站声明 - 网站地图 - 资源地图 - 友情链接 - 网站客服 - 联系我们

    copyright@ 2008-2023 1wenmi网站版权所有

    经营许可证编号:宁ICP备2022001189号-1

    本站为文档C2C交易模式,即用户上传的文档直接被用户下载,本站只是中间服务平台,本站所有文档下载所得的收益归上传人(含作者)所有。第壹文秘仅提供信息存储空间,仅对用户上传内容的表现方式做保护处理,对上载内容本身不做任何修改或编辑。若文档所含内容侵犯了您的版权或隐私,请立即通知第壹文秘网,我们立即给予删除!

    收起
    展开