欢迎来到第壹文秘! | 帮助中心 分享价值,成长自我!
第壹文秘
全部分类
  • 幼儿/小学教育>
  • 中学教育>
  • 高等教育>
  • 研究生考试>
  • 外语学习>
  • 资格/认证考试>
  • 论文>
  • IT计算机>
  • 法律/法学>
  • 建筑/环境>
  • 通信/电子>
  • 医学/心理学>
  • ImageVerifierCode 换一换
    首页 第壹文秘 > 资源分类 > DOCX文档下载
    分享到微信 分享到微博 分享到QQ空间

    水利水电建设工程验收提供资料清单、外观质量验收办法、合同工程完工、竣工验收鉴定书格式.docx

    • 资源ID:538625       资源大小:68.48KB        全文页数:24页
    • 资源格式: DOCX        下载积分:5金币
    快捷下载 游客一键下载
    账号登录下载
    三方登录下载: 微信开放平台登录 QQ登录
    下载资源需要5金币
    邮箱/手机:
    温馨提示:
    快捷下载时,如果您不填写信息,系统将为您自动创建临时账号,适用于临时下载。
    如果您填写信息,用户名和密码都是您填写的【邮箱或者手机号】(系统自动生成),方便查询和重复下载。
    如填写123,账号就是123,密码也是123。
    支付方式: 支付宝    微信支付   
    验证码:   换一换

    加入VIP,免费下载
     
    账号:
    密码:
    验证码:   换一换
      忘记密码?
        
    友情提示
    2、PDF文件下载后,可能会被浏览器默认打开,此种情况可以点击浏览器菜单,保存网页到桌面,就可以正常下载了。
    3、本站不支持迅雷下载,请使用电脑自带的IE浏览器,或者360浏览器、谷歌浏览器下载即可。
    4、本站资源下载后的文档和图纸-无水印,预览文档经过压缩,下载后原文更清晰。
    5、试题试卷类文档,如果标题没有明确说明有答案则都视为没有答案,请知晓。

    水利水电建设工程验收提供资料清单、外观质量验收办法、合同工程完工、竣工验收鉴定书格式.docx

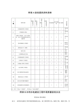
    附录A验收提供资料清单序;资料名称部程收分工验位程收单工验同程工收合工完验组动收机启验阶段验收技术预验收竣工验收供位提单1工程建设管理工作报告项目法人2工程建设大事记项目法人3拟验工程清单、未完工程清单、未完工程的建设安排及完成时间7项目法人4技术预验收工作报告*验收主持单位5验收鉴定书(初稿)项目法人6度汛方案*项目法人7工程调度运用方案目人项法8工程建设监理工作报告监理机构9工程设计工作报告设计单位10工程施工管理工作报告施工单位11运行管理工作报告行理位运管单12竣工验收技术鉴定报告术定位技鉴单13机组试运行工作报告施工单位14重大技术问题专题报告*目人项法15工程质量和安全监督报告质安监督单位注:符号“J”表示“应提供”,符号表示“如有应提供”。附录B水利水电建设工程外观质量验收办法附录B.1基本规定8.1.1 水利水电建设工程外观质量验收办法,按工程类型分为:枢纽工程、堤防工程、引(调)排水工程等三类,分列于附录B.2、附录B.3、附录B.4。8.1.2 附录中外观质量验收表列出的项目,如实际工程中无该项内容,应在相应检查、检测栏内用斜线“/”表示;附录中未列出的外观质量项目,应根据工程情况和有关技术标准进行补充,其质量标准及标准分由项目法人组织监理、设计、施工等单位研究确定。8.1.3 水利水电建设工程中非水利行业的交通、建筑等其他工程外观质量验收,执行相关行业规定。附录B.2枢纽工程外观质量验收方法8.2.1 枢纽工程中的水工建筑物外观质量验收表见表B.2.1o8.2.2 项目法人应在主体工程开工初期,组织监理、设计、施工等单位,根据工程特点(工程等级及使用情况)和相关技术标准,研究确定表B.2.1所列各项目的质量标准。8.2.3 单位工程验收前,按本标准532条的规定,由工程外观质量验收组负责工程外观质量验收。1检测数量:检查、检测项目经工程外观质量验收组全面检查后,抽测25%,且各项不少于10点。2各项目工程外观质量等级分为四级,各级标准得分见表B.2.3。表B.2.3外观质量等级与标准得分等级检测项目测点合格率()各项验收得分一级100该项标准分二级90.0-99.9该项标准分X90%三级70.089.9该项标准分X70%四级<70.003外观质量验收表由工程外观质量验收组根据现场检查、检测结果填写。4检查项目(如表B.2.1中项次6、7、12、17、18、2028)由工程外观质量验收组根据现场检查结果共同讨论决定其质量等级。5表尾由各单位参加工程外观质量验收的人员签名(项目法人、监理、设计各派12人;施工单位1人,如本工程由分包单位施工,则总包单位、分包单位可各派1人参加。如运行管理单位(已有时),可派1人参加)。表B.2.1水工建筑物外观质量验收表单位工程名称施工单位主要工程量验收日期年月日项次项目标准分份)验收得分(分)备注一级100%二级90%三级70%四级01建筑物外部尺寸122轮廓线103表面平整度104立面垂直度105大角方正56曲面与平面联结97扭面与平面联结98马道及排水沟3(4)9梯步2(3)10栏杆2(3)11扶梯212闸坝灯饰213混凝土表面缺陷情况1014表面钢筋割除2(4)15砌体勾缝宽度均匀、平整416坚、横缝平直417浆砌卵石露头情况818变形缝3(4)19启闭平台梁、柱、排架520建筑物表面1021升压变电工程围墙(栏栅)、杆、架、塔、柱522机电设备、金属结构外表面6(7)23电站盘柜724电缆线路敷设4(5)25电站油气、水、管路3(4)26厂区道路及排水沟427厂区绿化828质量责任公示牌2合计应得分,实得分,得分率观量收成员外质验组员单位单位名称职称签名项目法人监理设计施工运行管理注:1.量大时,标准分采用括号内数值。2、外观质量验收组成员单位可根据需要自行调整。附录B.3堤防工程外观质量验收方法1.1.1 防工程外观质量验收表,见表B.3.1-1。堤防工程外观质量验收标准,见表B.3.1-2o1.1.2 堤防工程较大交叉联接建筑物外观质量验收标准参见引水(渠道)建筑物工程外观质量验收标准(表B.4.2-2)中类似建筑物。1.1.3 单位工程验收前,按本标准5.3.2条的规定,由工程外观质量验收组负责工程外观质量验收。具体实施应结合B.2.3条的规定进行。表B.31-1堤防工程外观质量验收表单位工程名称施工单位主要工程量验收日期年月日项次项目标准分(分)验收得分(分)备注一级100%二级90%三级70%四级01外部尺寸302轮廓线103表面平整度104曲面平面联结55排水56上堤马道37堤顶附属设施58防汛备料堆放59草皮810植树811砌体排列512砌缝1013质量责任公示牌2合计应得分,实得分,得分率外观质量验收组成员单位单位名称职称签名项目法人监理设计施工运行管理注:外观质量验收组成员单位可根据需要自行调整。项次项目检查、检测内容质量标准1土堤高程堤顶允许偏差为O+15Cnl平(俄)台顶允许偏差为一10+15cm宽度堤顶允许偏差为一5+15cm平(俄)台顶允许偏差为一10+15cm边坡坡度不陡于设计值,目测平顺混凝土及砌石墙(堤)堤顶高程干砌石墙(堤)允许偏差为O+5cm浆砌石墙(堤)允许偏差为。+4cm混凝土墙(堤)允许偏差为。+3CIn墙面垂直度干砌石墙(堤)允许偏差为05%架砌石墙(堤)允许偏差为05%混凝土墙(堤)允许偏差为0.5%墙顶厚度各类砌筑墙(提)允许偏差为一1+2Cm边坡坡度不陡于设计值,目测平顺2轮廓线用长15m拉线沿堤顶轮廓连续测量15m长度内凹凸偏差为3cm3表面平整度干砌石墙(堤)用2m靠尺检测,不大于5.0cm2m浆砌石墙(堤)用2m靠尺检测,不大于2.5Cm2m混凝土墙(堤)用2m靠尺检测,不大于1.0cm2m4曲面与平面联结现场检查一级:圆滑过渡,曲线流畅:二级:平顺联结,曲线基本流畅:三级:联结不够平顺,有明显折线:四级:联结不平顺,折线突出5排水现场检查,结合检测质量标准:排水通畅,形状尺寸误差为±3cm,无附着物。一级:符合质量标准;二级:基本符合质量标准;三级:局部尺寸误差大,局部有附着物;四级:排水尺寸误差大,多处有附着物6上堤马道现场检查,结合检测质量标准:马道宽度偏差为±2cm,高度偏差为+2cm0一级:符合质量标准;二级:基本符合质量标准:三级:发现尺寸误差较大;四级:多处马道尺寸误差大项次项目检查、检测内容质量标准7堤顶附属设施现场检查一级:混凝土表面平整,棱线平直度等指标符合质量标准:二级:混凝土表面平整,棱线平直度等指标基本符合质量标准:三级:混凝土表面平整,棱线平直度等指标发现尺寸误差较大:四级:混凝土表面平整,棱线平直度等指标误差大8防汛备料堆放现场检查-级:按规定位置备料,堆放整齐:二级:按规定位置备料,堆放欠整齐;三级:未按规定位置备料,堆放欠整齐:四级:备料任意堆放9草皮现场检查-级:草皮铺设(种植)均匀,全部成活,无空白;二级:草皮铺设(种植)均匀,成活而积90%以上,无空白;三级:草皮铺设(种植)基本均匀,成活面积70%以上,有少量空白;四级:达不到三级标准者10植树现场检查-级:植树排列整齐、美观,全部成活,无空白:二级:植树排列整齐,成活率90%以上,无空白:三级:植树排列基本整齐,成活率70%以上,有少量空白:四级:达不到三级标准者11砌体排列现场检查一级:砌体排列整齐、铺放均匀、平整,无沉陷裂缝:二级:砌体排列基本整齐、铺放均匀、平整,局部有沉陷裂缝;三级:砌体排列多处不够整齐、铺放均匀、平整,局部有沉陷裂缝:四级:砌体排列不整齐、不平整,多处有裂缝12砌缝现场检查一级:勾缝宽度均匀,砂浆填塞平整:二级:勾缝宽度局部不够均匀,砂浆填塞基本平整:三级:勾缝宽度多处不均匀,砂浆填塞不够平整;四级:勾缝宽度不均匀,砂浆填塞粗糙不平注:项次9草皮、10植树质量标准中的“空白”,指漏栽(种)面积。附录B.4引(调)排水工程外观质量验收方法BAl明(暗)渠工程外观质量验收表见表BAl-Io明(暗)渠工程外观质量验收标准见表B.4.1-2c8.4.2 引水(渠道)建筑物工程外观质量验收表见表B.4.2-lo引水(渠道)建筑物工程外观质量验收标准见表B.4.2-2o8.4.3 单位工程验收前,

    注意事项

    本文(水利水电建设工程验收提供资料清单、外观质量验收办法、合同工程完工、竣工验收鉴定书格式.docx)为本站会员(p**)主动上传,第壹文秘仅提供信息存储空间,仅对用户上传内容的表现方式做保护处理,对上载内容本身不做任何修改或编辑。 若此文所含内容侵犯了您的版权或隐私,请立即通知第壹文秘(点击联系客服),我们立即给予删除!

    温馨提示:如果因为网速或其他原因下载失败请重新下载,重复下载不扣分。




    关于我们 - 网站声明 - 网站地图 - 资源地图 - 友情链接 - 网站客服 - 联系我们

    copyright@ 2008-2023 1wenmi网站版权所有

    经营许可证编号:宁ICP备2022001189号-1

    本站为文档C2C交易模式,即用户上传的文档直接被用户下载,本站只是中间服务平台,本站所有文档下载所得的收益归上传人(含作者)所有。第壹文秘仅提供信息存储空间,仅对用户上传内容的表现方式做保护处理,对上载内容本身不做任何修改或编辑。若文档所含内容侵犯了您的版权或隐私,请立即通知第壹文秘网,我们立即给予删除!

    收起
    展开