欢迎来到第壹文秘! | 帮助中心 分享价值,成长自我!
第壹文秘
全部分类
  • 幼儿/小学教育>
  • 中学教育>
  • 高等教育>
  • 研究生考试>
  • 外语学习>
  • 资格/认证考试>
  • 论文>
  • IT计算机>
  • 法律/法学>
  • 建筑/环境>
  • 通信/电子>
  • 医学/心理学>
  • ImageVerifierCode 换一换
    首页 第壹文秘 > 资源分类 > DOCX文档下载
    分享到微信 分享到微博 分享到QQ空间

    员工个人安全教育培训档案.docx

    • 资源ID:531754       资源大小:16.81KB        全文页数:2页
    • 资源格式: DOCX        下载积分:5金币
    快捷下载 游客一键下载
    账号登录下载
    三方登录下载: 微信开放平台登录 QQ登录
    下载资源需要5金币
    邮箱/手机:
    温馨提示:
    快捷下载时,如果您不填写信息,系统将为您自动创建临时账号,适用于临时下载。
    如果您填写信息,用户名和密码都是您填写的【邮箱或者手机号】(系统自动生成),方便查询和重复下载。
    如填写123,账号就是123,密码也是123。
    支付方式: 支付宝    微信支付   
    验证码:   换一换

    加入VIP,免费下载
     
    账号:
    密码:
    验证码:   换一换
      忘记密码?
        
    友情提示
    2、PDF文件下载后,可能会被浏览器默认打开,此种情况可以点击浏览器菜单,保存网页到桌面,就可以正常下载了。
    3、本站不支持迅雷下载,请使用电脑自带的IE浏览器,或者360浏览器、谷歌浏览器下载即可。
    4、本站资源下载后的文档和图纸-无水印,预览文档经过压缩,下载后原文更清晰。
    5、试题试卷类文档,如果标题没有明确说明有答案则都视为没有答案,请知晓。

    员工个人安全教育培训档案.docx

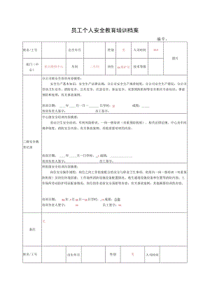
    员工个人安全教育培训档案编号:姓名/工号出生年月性别男入司时间XX.8照片部门(中心)机自维修中心车间二车间岗位XX维护员技术等级三级安全教育记录分公司级安全培训内容摘要:安全生产基本知识:安全生产法律法规:分公司安全生产规章制度;分公司安全生产情况:分公司劳动卫生安全、消防安全、公共安全、应急安全、客运安全、双重预防机制等安全相关专业知识;事故预防和处理;有关事故案例。培训日期:年月一日一日学时:12成绩:培训负责人签字:员工签字:中心级安全培训内容摘要:劳动卫生安全培训、车间风险辨识、一岗一册培训(双重预防机制)、相关法律法规、中心及车间规章制度、消防安全内容、有关事故案例、其他需要培训的内容。培训日期:年月一日学时:_L成绩:培训负责人签字:员工签字:班组级安全培训内容摘要:岗位安全操作规程:岗位之间工作衔接配合的安全与职业卫生事项;班组内一岗一册培训(双重预防机制)及岗位环境因素;工作场所消防设施设备配置情况、逃生通道设施设备和位置等消防内容;工作场所劳动防护用品配备情况;岗位的作业前安全预想等内容;有关事故案例;其他褥要培训的内容。培训日期:XX年_9月20日25日学时:_12.成绩:合格培训负责人签字:XX员工签字:XX备注无姓名/工号出生年月性别男入司时问转岗部门(中心)转岗岗位转岗时间复工时间转岗(复岗)安全教育记录中心级安全培训内容摘要:劳动卫生安全培训、车间风险辨识、一岗一册培训(双重预防机制)、相关法律法规、中心及车间规章制度、消防安全内容、有关事故案例、其他需要培训的内容。培训日期:年月一日学时:成绩:培训负责人签字:员工签字:班组级安全培训内容摘要:岗位安全操作规程:岗位之间工作衔接配合的安全与职业卫生事项;班组内一向一册培训(双重预防机制)及岗位环境因素;工作场所消防设施设备配置情况、逃生通道设施设备和位置等消防内容;工作场所劳动防护用品配备情况;岗位的作业前安全预想等内容;有关事故案例;其他需要培训的内容。培训日期:年月日-日学时:成绩:培训负责人签字:员工签字:“四新”安全教育记录无备注

    注意事项

    本文(员工个人安全教育培训档案.docx)为本站会员(p**)主动上传,第壹文秘仅提供信息存储空间,仅对用户上传内容的表现方式做保护处理,对上载内容本身不做任何修改或编辑。 若此文所含内容侵犯了您的版权或隐私,请立即通知第壹文秘(点击联系客服),我们立即给予删除!

    温馨提示:如果因为网速或其他原因下载失败请重新下载,重复下载不扣分。




    关于我们 - 网站声明 - 网站地图 - 资源地图 - 友情链接 - 网站客服 - 联系我们

    copyright@ 2008-2023 1wenmi网站版权所有

    经营许可证编号:宁ICP备2022001189号-1

    本站为文档C2C交易模式,即用户上传的文档直接被用户下载,本站只是中间服务平台,本站所有文档下载所得的收益归上传人(含作者)所有。第壹文秘仅提供信息存储空间,仅对用户上传内容的表现方式做保护处理,对上载内容本身不做任何修改或编辑。若文档所含内容侵犯了您的版权或隐私,请立即通知第壹文秘网,我们立即给予删除!

    收起
    展开