欢迎来到第壹文秘! | 帮助中心 分享价值,成长自我!
第壹文秘
全部分类
  • 幼儿/小学教育>
  • 中学教育>
  • 高等教育>
  • 研究生考试>
  • 外语学习>
  • 资格/认证考试>
  • 论文>
  • IT计算机>
  • 法律/法学>
  • 建筑/环境>
  • 通信/电子>
  • 医学/心理学>
  • ImageVerifierCode 换一换
    首页 第壹文秘 > 资源分类 > DOCX文档下载
    分享到微信 分享到微博 分享到QQ空间

    XX电器股份有限公司X型箱式变电站出厂(例行)检验报告(2023年).docx

    • 资源ID:523127       资源大小:24.80KB        全文页数:2页
    • 资源格式: DOCX        下载积分:5金币
    快捷下载 游客一键下载
    账号登录下载
    三方登录下载: 微信开放平台登录 QQ登录
    下载资源需要5金币
    邮箱/手机:
    温馨提示:
    快捷下载时,如果您不填写信息,系统将为您自动创建临时账号,适用于临时下载。
    如果您填写信息,用户名和密码都是您填写的【邮箱或者手机号】(系统自动生成),方便查询和重复下载。
    如填写123,账号就是123,密码也是123。
    支付方式: 支付宝    微信支付   
    验证码:   换一换

    加入VIP,免费下载
     
    账号:
    密码:
    验证码:   换一换
      忘记密码?
        
    友情提示
    2、PDF文件下载后,可能会被浏览器默认打开,此种情况可以点击浏览器菜单,保存网页到桌面,就可以正常下载了。
    3、本站不支持迅雷下载,请使用电脑自带的IE浏览器,或者360浏览器、谷歌浏览器下载即可。
    4、本站资源下载后的文档和图纸-无水印,预览文档经过压缩,下载后原文更清晰。
    5、试题试卷类文档,如果标题没有明确说明有答案则都视为没有答案,请知晓。

    XX电器股份有限公司X型箱式变电站出厂(例行)检验报告(2023年).docx

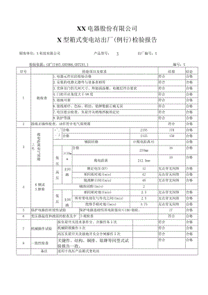
    XX电器股份有限公司X型箱式变电站出厂(例行)检验报告顾客单位:X科技有限公司产品型号:X出厂编号:X检验依据:GB"17467,GB3906,GB725I.I编号:X序号检验项目及要求结果结论1般检查1.电器元件应经检验合格符合合格2.安装的电器元器件与设备表相符符合合格3.壳体及门的几何尺寸、焊接面涂覆、电镀层符合要求符合合格4.门的开启角度大于90度符合合格5.接地可靠符合合格6.接线相序、色标、联结、铭牌数据正确无误符合合格7.电压指示检查,负荷开关绝缘挡板的定位符合合格8.防护等级符合合格2接线正确性检查,动作符合电气原理图符合合格3爬电距离电气间隙三m)'.'.'j压合格2155170合格合格2125150合格辅助回路4(爬电距离6)合格低压IOmm合格2IOmm16合格爬电距离212.5mm18合格4K频试S胆验高压主回路额定电压(KV)12无击穿无闪络合格相间相对地(Imin)42无击穿无闪络合格隔离断口间(Imin)48无击穿无闪络合格辅助回路(Imin)2低压主回路相间相对地(Imin)2.5无击穿无闪络合格所有带电部位与外壳之间(Imin)2.5无击穿无闪络合格绝缘手柄对地(Imin)3.75无击穿无闪络合格5保护电路的有效性试验保护电路连续性其电阻值应100亳欧。17合格6变压器温度和液面的检查及夕卜观检查符合合格7机械操作试验按负荷开关技术条件分、合操作各5次符合合格机械联锁操作5次符合合格高压负荷开关及接地开关分合闸操作5次符合合格8一致性检查关键件、结构、铜排、铭牌等同型式试验报告一致。符合合格备注适用于高压产品箱式变电站XX电器股份有限公司X型型箱式变电站确认检验报告顾客单位:X科技有限公司产品型号:x出厂编号:X检险依据:GBT17467,GB3906,GB725I.I编号:JL4H)-05序号检验项目及要求结果结论1般检查1.电器元件应经检验合格符合合格2.安装的电器元器件与设备表相符符合合格3.壳体及门的几何尺寸、焊接面涂覆、电镀层符合要求符合合格4.门的开启角度大于90度符合合格5.接地可靠符合合格6.接线相序、色标、联结、铭牌数据正确无误符合合格7.电压指示检查,负荷开关绝缘挡板的定位符合合格8.防护等级符合合格2接线正确性检查,动作符合电气原理图符合合格3爬电距离电气间隙(I)高压合格2155170合格合格125150合格辅助回路4(爬电距离6)合格低压2IOmm合格10mm16合格爬电距离12.5mm18合格4试验工频耐压(KV)高压主回路额定电压(KV)12无击穿无闪络合格相间相对地(Imin)42无击穿无闪络合格隔离断口间(Imin)48无击穿无闪络合格辅助回路(Imin)2低压主回路相间相对地(Imin)2.5无击穿无闪络合格所有带电部位与外壳之间(Imin)2.5无击穿无闪络合格绝缘手柄对地(Imin)3.75无击穿无闪络合格5保护电路的有效性试验保护电路连续性其电阻值应Wloo毫欧。17合格6变压器温度和液面的检查及夕卜观检查符合合格7机械操作试验按负荷开关技术条件分、合操作各5次符合合格机械联锁操作5次符合合格高压负荷开关及接地开关分合闸操作5次符合合格8一致性检查关键件、结构、铜排、铭牌等同型式试验报告一致。符合合格备注适用于高压产品箱式变电站

    注意事项

    本文(XX电器股份有限公司X型箱式变电站出厂(例行)检验报告(2023年).docx)为本站会员(p**)主动上传,第壹文秘仅提供信息存储空间,仅对用户上传内容的表现方式做保护处理,对上载内容本身不做任何修改或编辑。 若此文所含内容侵犯了您的版权或隐私,请立即通知第壹文秘(点击联系客服),我们立即给予删除!

    温馨提示:如果因为网速或其他原因下载失败请重新下载,重复下载不扣分。




    关于我们 - 网站声明 - 网站地图 - 资源地图 - 友情链接 - 网站客服 - 联系我们

    copyright@ 2008-2023 1wenmi网站版权所有

    经营许可证编号:宁ICP备2022001189号-1

    本站为文档C2C交易模式,即用户上传的文档直接被用户下载,本站只是中间服务平台,本站所有文档下载所得的收益归上传人(含作者)所有。第壹文秘仅提供信息存储空间,仅对用户上传内容的表现方式做保护处理,对上载内容本身不做任何修改或编辑。若文档所含内容侵犯了您的版权或隐私,请立即通知第壹文秘网,我们立即给予删除!

    收起
    展开