欢迎来到第壹文秘! | 帮助中心 分享价值,成长自我!
第壹文秘
全部分类
  • 幼儿/小学教育>
  • 中学教育>
  • 高等教育>
  • 研究生考试>
  • 外语学习>
  • 资格/认证考试>
  • 论文>
  • IT计算机>
  • 法律/法学>
  • 建筑/环境>
  • 通信/电子>
  • 医学/心理学>
  • ImageVerifierCode 换一换
    首页 第壹文秘 > 资源分类 > DOCX文档下载
    分享到微信 分享到微博 分享到QQ空间

    重点防治地质灾害点汇总表.docx

    • 资源ID:510967       资源大小:21.45KB        全文页数:4页
    • 资源格式: DOCX        下载积分:5金币
    快捷下载 游客一键下载
    账号登录下载
    三方登录下载: 微信开放平台登录 QQ登录
    下载资源需要5金币
    邮箱/手机:
    温馨提示:
    快捷下载时,如果您不填写信息,系统将为您自动创建临时账号,适用于临时下载。
    如果您填写信息,用户名和密码都是您填写的【邮箱或者手机号】(系统自动生成),方便查询和重复下载。
    如填写123,账号就是123,密码也是123。
    支付方式: 支付宝    微信支付   
    验证码:   换一换

    加入VIP,免费下载
     
    账号:
    密码:
    验证码:   换一换
      忘记密码?
        
    友情提示
    2、PDF文件下载后,可能会被浏览器默认打开,此种情况可以点击浏览器菜单,保存网页到桌面,就可以正常下载了。
    3、本站不支持迅雷下载,请使用电脑自带的IE浏览器,或者360浏览器、谷歌浏览器下载即可。
    4、本站资源下载后的文档和图纸-无水印,预览文档经过压缩,下载后原文更清晰。
    5、试题试卷类文档,如果标题没有明确说明有答案则都视为没有答案,请知晓。

    重点防治地质灾害点汇总表.docx

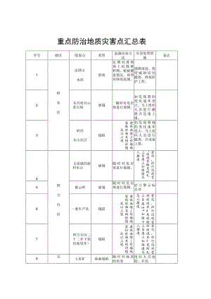
    重点防治地质灾害点汇总表序号辖区隐患点类型监测内容方法应急处理措施备注1岭东区定国山水库滑坡定期对滑坡体上松散堆积物、植被覆盖情况、雨季对降雨监测。强降雨前,将受威胁居民撤离,修筑防护工程。2东兴村后山采石场崩塌随时对危岩体进行观测。如发现裂的变化速率变大,马上组织人员进行撤离并迅速上报。3岭西东山社区塌陷建体面缝上对墙地裂脏时物及的价随筑以上进如发现裂缝的变化速率变大,马上组织人员进行撤离,并迅速上报。4四方台区太保镇四新村东山崩塌随时对危岩体进行观测。裂化,织行迅现变"组进并酿发的轧上员离上如缝遨马人撤速5紫云岭崩塌随时对危岩体进行观测。於立警示标志O6一委生产队塌陷建体面缝对墙地裂则时物及的恰随筑以上进裂化,织行迅现变好组进并ao发的轮上员离±?如缝十马人撤速7四方台区二十二井7原房地局井)塌陷建体面缝对墙地裂似时物及的印随筑以上进裂化,织行迅现变好组进并<o发的轧上员离上如缝港马人撤速8宝七星矿地面塌陷随时对地表的形变组织人员抢险,并迅山区及铁轨的形变进行观测。速上报。9新安煤矿2号地面塌陷地变的行对形轨进时的铁变«o一随表及形遨组织人员抢险,并迅速上报。IO新安煤矿5-6号塌陷建体面缝h对墙地裂财时物及的带随筑以上进裂化,织行迅现变好组进并to发的轧上员离上如缝遨马人撤速11红远社区四委21组地面塌陷建体面缝对墙地裂啊时物及的位随筑以上进如发现裂的变化速率变大,马上组织人员进行撤离并迅速上报。12尖山区双鸭山主峰不稳定斜坡对山体、坡体形变进行观测。如发现变化速率加剧,马上组织人员进行撤离并迅速上报。13马鞍山社区小尖山子不稳定斜坡随时对不稳定边坡体形变进行观测。变加组进并限现率±员离!<发速马人撤Q如化剧织行过14集贤县兴久村地面塌陷建体面缝对墙地裂嬲时物及的中随筑以上进裂化,织行迅现变好组进并ao发的姓上员离赁如缝击马人撤速15笔架山水库大坝北侧(七星公园入口)崩塌随时对危岩体进行观测。设立警示标志。16福利七星粒子公园公路光辉南崩塌随时对危岩体进行观测。咚立警示标志。17二九一农场八连东50M地面塌陷地变的行对形轨进时的铁变Mo一随表及形观组织人员抢险,并迅速上报。18宝清县天山村(参厂)泥石流随时观测上游降雨量及冲刷物的变化。降大物明织行迅现增刷勒组进并融发量冲却上员离二如雨及数马人撤速19宝盒煤矿小城子村地面塌陷、地裂缝建体面缝对墙地裂瓢时物及的市随筑以上进裂化,织行迅现变景组进并现发的轮上员离上如缝避马人撤速20饶河县南山崩塌随时对危岩体进行观测。於立警示标志O21永丰后山坡崩塌随时对危岩体进行观测。裂化,织行迅现变好组进并三o发的*上员离±f如缝法马人撤速22山里乡采石场崩塌随时对危岩体进行观测。於立警示标志。23西通岛南至上游1.5km段江岸坍塌随时对江岸嵬面上的裂缝进行观测。如发现裂缝的变化速率变大,马上组织人员进行撤离并迅速上报。24新开流下岛下游Ikm段江岸坍塌随时对江岸地面上的裂缝进行观测。裂化,织行迅现变好组进并Mo发的*上员离±«如缝圭马人撤速25大楞岛北至新开流下游Ikm段江岸坍塌随时对江岸地面上的裂缝进行观测。裂化,织行现变"组进发的-上员如缝避马人一撤离并迅速上报。

    注意事项

    本文(重点防治地质灾害点汇总表.docx)为本站会员(p**)主动上传,第壹文秘仅提供信息存储空间,仅对用户上传内容的表现方式做保护处理,对上载内容本身不做任何修改或编辑。 若此文所含内容侵犯了您的版权或隐私,请立即通知第壹文秘(点击联系客服),我们立即给予删除!

    温馨提示:如果因为网速或其他原因下载失败请重新下载,重复下载不扣分。




    关于我们 - 网站声明 - 网站地图 - 资源地图 - 友情链接 - 网站客服 - 联系我们

    copyright@ 2008-2023 1wenmi网站版权所有

    经营许可证编号:宁ICP备2022001189号-1

    本站为文档C2C交易模式,即用户上传的文档直接被用户下载,本站只是中间服务平台,本站所有文档下载所得的收益归上传人(含作者)所有。第壹文秘仅提供信息存储空间,仅对用户上传内容的表现方式做保护处理,对上载内容本身不做任何修改或编辑。若文档所含内容侵犯了您的版权或隐私,请立即通知第壹文秘网,我们立即给予删除!

    收起
    展开