欢迎来到第壹文秘! | 帮助中心 分享价值,成长自我!
第壹文秘
全部分类
  • 幼儿/小学教育>
  • 中学教育>
  • 高等教育>
  • 研究生考试>
  • 外语学习>
  • 资格/认证考试>
  • 论文>
  • IT计算机>
  • 法律/法学>
  • 建筑/环境>
  • 通信/电子>
  • 医学/心理学>
  • ImageVerifierCode 换一换
    首页 第壹文秘 > 资源分类 > DOCX文档下载
    分享到微信 分享到微博 分享到QQ空间

    烟花爆竹产品质量监督抽查实施细则(2023年版).docx

    • 资源ID:505058       资源大小:23.90KB        全文页数:3页
    • 资源格式: DOCX        下载积分:5金币
    快捷下载 游客一键下载
    账号登录下载
    三方登录下载: 微信开放平台登录 QQ登录
    下载资源需要5金币
    邮箱/手机:
    温馨提示:
    快捷下载时,如果您不填写信息,系统将为您自动创建临时账号,适用于临时下载。
    如果您填写信息,用户名和密码都是您填写的【邮箱或者手机号】(系统自动生成),方便查询和重复下载。
    如填写123,账号就是123,密码也是123。
    支付方式: 支付宝    微信支付   
    验证码:   换一换

    加入VIP,免费下载
     
    账号:
    密码:
    验证码:   换一换
      忘记密码?
        
    友情提示
    2、PDF文件下载后,可能会被浏览器默认打开,此种情况可以点击浏览器菜单,保存网页到桌面,就可以正常下载了。
    3、本站不支持迅雷下载,请使用电脑自带的IE浏览器,或者360浏览器、谷歌浏览器下载即可。
    4、本站资源下载后的文档和图纸-无水印,预览文档经过压缩,下载后原文更清晰。
    5、试题试卷类文档,如果标题没有明确说明有答案则都视为没有答案,请知晓。

    烟花爆竹产品质量监督抽查实施细则(2023年版).docx

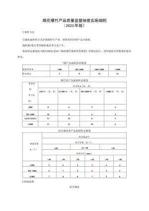
    烟花爆竹产品质量监督抽查实施细则(2023年版)1抽样方法以随机抽样的方式在被抽样生产者、销售者的待销产品中抽取。随机数般可使用随机数表等方法产生。检验样品数量按GB/T10632-2014烟花爆竹抽样检查规则的规定执行,同时抽取同等数量的备用样品。般产品抽取样品数量批量范围N<500501-10001001-2000>2000样本量n581013爆竹类产品抽取样品数量批量范围N(挂、卷)样本量n(挂、卷)50响/(挂、卷)51-500响/(挂、卷)501-2000响/(挂、卷)>2000响/(挂、卷)5008654501-1000108641()(X)-2O(X)131085>20001312106组合烟花类产品抽取样品数量批量范围N(个)样本量n/个组合发数(发/个)202150>50单筒内径(mm)>30<30>30<30>30<30500564544501100067564510017867562检验依据组合烟花序号检验项目检验方法1标志、包装运输包装标志GB19593-20152销售包装标志GB19593-20153包装GB10631-20134夕卜观GB19593-20155部件引燃装置引火线GB10631-20136引火线牢固性GB10631-20137引燃时间GB19593-2015GB10631-20138结构与材质GB19593-20159主体稳定性GB19593-201510药种、药量及安全性能药种GB10631-201311药量GB19593-201512燃放性能燃放缺陷GB19593-201513漂浮物和雷弹检验GB19593-2015烟花爆竹产品(除组合烟花外)序号检验项目检验方法1标志GB10631-20132包装GB10631-20133外观GB10631-20134部件部件牢固性GB10631-20135引燃装置引火线GB10631-20136引火线牢固性GB10631-20137引燃时间GB10631-20138手持部位GB10631-20139结构与材质材质GB10631-201310固引剂碎片GB10631-201311药种GB10631-201312药量GB10631-201313燃放性能燃放缺陷GB10631-2013序号检验项目检验方法14旋转类产品-飞离地面高度、旋转直径范围GB10631-201315玩具类产品-行走距离GB10631-201316计数类产品烧成率GB10631-201317计数类产品计量误差GB10631-2013执行企业标准、团体标准、地方标准的产品,检验项目参照上述内容执行。凡是注日期的文件,其随后所有的修改单(不包括勘误的内容)或修订版不适用于木细则。凡是不注日期的文件,其最新版本适用于本细则。3判定规则3.1 依据标准GB10631-2013烟花爆竹安全与质量GB19593-2015烟花爆竹组合烟花现行有效的企业标准、团体标准、地方标准及产品明示质量要求3.2 判定原则经检验,检验项目全部合格,判定为被抽查产品所检项目未发现不合格;检验项目中任一项或一项以上不合格,判定为被抽查产品不合格。若被检产品明示的质量要求高于本细则中检验项目依据的标准要求时,应按被检产品明示的质量要求判定。若被检产品明示的质量要求低于本细则中检验项目依据的强制性标准要求时,应按照强制性标准要求判定。若被检产品明示的质量要求低于或包含本细则中检验项目依据的推荐性标准要求时,应以被检产品明示的质量要求判定。若被检产品明示的质量要求缺少本细则中检验项目依据的强制性标准要求时,应按照强制性标准要求判定。若被检产品明示的质量要求缺少本细则中检验项目依据的推荐性标准要求时,该项目不参与判定。

    注意事项

    本文(烟花爆竹产品质量监督抽查实施细则(2023年版).docx)为本站会员(p**)主动上传,第壹文秘仅提供信息存储空间,仅对用户上传内容的表现方式做保护处理,对上载内容本身不做任何修改或编辑。 若此文所含内容侵犯了您的版权或隐私,请立即通知第壹文秘(点击联系客服),我们立即给予删除!

    温馨提示:如果因为网速或其他原因下载失败请重新下载,重复下载不扣分。




    关于我们 - 网站声明 - 网站地图 - 资源地图 - 友情链接 - 网站客服 - 联系我们

    copyright@ 2008-2023 1wenmi网站版权所有

    经营许可证编号:宁ICP备2022001189号-1

    本站为文档C2C交易模式,即用户上传的文档直接被用户下载,本站只是中间服务平台,本站所有文档下载所得的收益归上传人(含作者)所有。第壹文秘仅提供信息存储空间,仅对用户上传内容的表现方式做保护处理,对上载内容本身不做任何修改或编辑。若文档所含内容侵犯了您的版权或隐私,请立即通知第壹文秘网,我们立即给予删除!

    收起
    展开