欢迎来到第壹文秘! | 帮助中心 分享价值,成长自我!
第壹文秘
全部分类
  • 幼儿/小学教育>
  • 中学教育>
  • 高等教育>
  • 研究生考试>
  • 外语学习>
  • 资格/认证考试>
  • 论文>
  • IT计算机>
  • 法律/法学>
  • 建筑/环境>
  • 通信/电子>
  • 医学/心理学>
  • ImageVerifierCode 换一换
    首页 第壹文秘 > 资源分类 > DOCX文档下载
    分享到微信 分享到微博 分享到QQ空间

    型钢悬挑卸料平台计算书.docx

    • 资源ID:491665       资源大小:182.71KB        全文页数:15页
    • 资源格式: DOCX        下载积分:5金币
    快捷下载 游客一键下载
    账号登录下载
    三方登录下载: 微信开放平台登录 QQ登录
    下载资源需要5金币
    邮箱/手机:
    温馨提示:
    快捷下载时,如果您不填写信息,系统将为您自动创建临时账号,适用于临时下载。
    如果您填写信息,用户名和密码都是您填写的【邮箱或者手机号】(系统自动生成),方便查询和重复下载。
    如填写123,账号就是123,密码也是123。
    支付方式: 支付宝    微信支付   
    验证码:   换一换

    加入VIP,免费下载
     
    账号:
    密码:
    验证码:   换一换
      忘记密码?
        
    友情提示
    2、PDF文件下载后,可能会被浏览器默认打开,此种情况可以点击浏览器菜单,保存网页到桌面,就可以正常下载了。
    3、本站不支持迅雷下载,请使用电脑自带的IE浏览器,或者360浏览器、谷歌浏览器下载即可。
    4、本站资源下载后的文档和图纸-无水印,预览文档经过压缩,下载后原文更清晰。
    5、试题试卷类文档,如果标题没有明确说明有答案则都视为没有答案,请知晓。

    型钢悬挑卸料平台计算书.docx

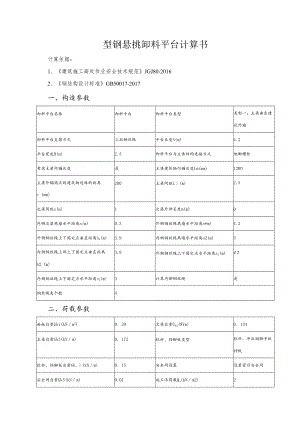
    型钢悬挑卸料平台计算书计算依据:1、建筑施工高处作业安全技术规范JGJ80-20162、钢结构设计标准GB50017-2017一、构造参数卸料平台名称卸料平台卸料平台类型类型一:主梁垂直建筑外墙卸料平台支撑方式上拉钢丝绳平台长度A(m)4.2平台宽度B(m)2.5卸料平台与主体结构连接方式地脚螺栓考虑主梁内锚长度是主梁建筑物内锚长度Lm(mm)1200主梁外锚固点到建筑物边缘的距离c (mm)200主梁间距L(m)2.5次梁间距s(m)1次梁外伸长度m(m)0内侧次梁离墙水平距离a(m)0.3外侧钢丝绳离墙水平距离a*m)4.2外侧钢丝绳上下固定点垂直距离h1(m)3.9内侧钢丝绳离墙水平距离a2(m)3内侧钢丝绳上部上下固定点垂直距离h2 (m)3.9外侧钢丝绳上下固定点水平距离s1(m)4.2内侧铜丝绳上下固定点水平距离s2(m)3计算内侧钢丝绳是钢丝绳夹个数4二、荷载参数面板自重Gki(kNm2)0. 39次梁自重Gk2(WVm)0. 124主梁自重Gk3(kNm)0. 172栏杆、挡脚板类型栏杆、冲压钢脚手板挡板栏杆、挡脚板自重Gk.(kNm)0. 15安全网设置设置密目安全网安全网自重Gk5(kNm)0.01施工活荷载Qu(kNm2)2堆放荷载Pk(kN)5堆放荷载作用面积S(l2施工活荷载动力系数1.3三、设计简图型钢悬挑式卸料平台平面布置图型钢悬挑式卸料平台侧立面图节点详图一地脚螺桂详图节点一四、面板验算面板类型冲压钢脚手板面板厚度t(mm)15截面抵抗矩W(Cm3)37.5抗弯强度设计值f (N)205面板受力简图如下:7.6O8kNm7.6O8kNm7.608kNmIl计算简图取单位宽度Im进行验算q=1.2×Gkl×l+1.4× (1. 3×Qkl+PkS) X l=1.2×0. 39×1+1.4× (1. 3 × 2+5/2) ×1=7. 608kNmq 伸=L 2×Gkl× 1=1. 2×0. 39× 1=0. 468kNmq =1.4× (1. 3×Qkl+PkS) × 1=1. 4× (1. 3×2+5/2) X 1=7. 14kNm抗弯验算:M=0.1XqllXs2+0.117XqiXs2=0.1X0. 468×l2+0. 117X7. 14× l2=0. 882kN m O =NLxW=O. 882 × 107(37. 5 ×103) =23. 525Nmm2< f=205Nmm2 面板强度满足要求!五、次梁验算次梁类型槽钢次梁型钢型号12. 6号槽钢截面惯性矩IX(Cm4)391.47截面抵抗矩WX(CmB62. 14抗弯强度设计值f(N2)205弹性模量E(Nmm")206000次梁内力按以两侧主梁为支承点的简支梁计算:承载能力极限状态:q1=(1.2×Gk+1.4×l. 3×Qkl) ×s+l. 2×Gk2=(l. 2×0. 39+1.4×l. 3×2) × 1+1. 2×0. 1237=4. 256kNmP尸1.4 XPk=L 4X5=7kN正常使用极限状态:q2=(Gk+Qk) ×s+Gk2=(0. 39+2) X1+0.1237=2. 514kNmP2-Pk-5kN1、抗弯强度TkN25计算简图lLx=q1 (L128-m72)+p1 × L14=4. 256 (2. 528-022)+7 X 2. 5/4=7. 7kN. m。=Mwx ( Y xW)=7. 7 × 107(1. 05X62. 14 × IO3)=118. 018Nmm2< f=205Nmm2 次梁强度满足要求!2、挠度验算SkN2.51,Wm25计算简图V ma=q2L17(384EIx) (5-24(mL1)2)+p2L17(48EIx)=2. 514×25007(384X206000×391. 47 ×10,) X (5-24 (0/2. 5) 2)+5 X 25007(48 X 206000 ×391.47×10')=1. 587mm< V =L1250=2500250=10mm次梁挠度满足要求!3、支座反力计算承载能力极限状态:R1=q1×B2=4. 256 × 2. 5/2=5. 321kN正常使用极限状态:R2=q2×B2=2. 514×2. 5/2=3. 142kN六、主梁验算主梁类型槽钢主梁型钢型号16a号槽钢截面面积A(Cm2)21.95截面回转半径ix(cm)6. 28截面惯性矩Ix(cm4)866.2截面抵抗矩Wx (cm3)108.3抗弯强度设计值f(Nmm2)205弹性模量E(Nmm2)206000根据建筑施工高处作业安全技术规范(JGJ80-2016),主梁内力按照外侧钢丝 绳吊点和建筑物上支承点为支座的悬臂简支梁计算(不考虑内侧钢丝绳支点作 用):承载能力极限状态:q1=l. 2× (Gk3+Gt4÷Gk5)=l. 2× (0. 172+0. 150+0. 010)=0. 399kNmp,=1.4×Pk2=1.4×52=3. 5kNR1=5. 321kN正常使用极限状态:q2=Gk3+Gk4+Gk5=0. 172÷0. 150+0. 010=0. 332kNmp2=Pk2=2. 5kNR2=3. 142kN1、强度验算计算简图弯矩图(kNm)7.3629.7753.9444.956-5,276-10.597-13.655-13.8559.296剪力图(kN)R 外=7. 362kNNLx=Il. 443kN mN=R tan Q =R (h1s1)=7. 362/(3. 900/4. 200)=7. 929kN。=Mv( xW) +NA=11. 443 × 107(1.05× 108. 300 X IO3)+7. 929 × IO3/(21. 95 ×IO2)=104. 241Nmm2<f=205. 000Nmm2主梁强度满足要求!2、挠度验算1.571kN3142kNkN3.142kN1.571kNIlo.料 WmUuuunhwuuiikuuuiui0.332WmII44001200计算简图-5.739变形图(mm)max=5. 739mm< v = (al+c)250. 00=(4200. 00+200)/250. 00=17. 600mm 主梁挠度满足要求!3、支座反力计算7.3627 ft714,3423.944495615,276_-10.597Lul M-13.655 -13.855剪力图(kN)设计值:R外=7.362kN684 Vn-I2-8112.479 I6.2165.818点刀329 不/衣-3.229b.495663713m-8.5398706剪力图(kN)标准值:R=4. 68IkN如果外侧钢丝绳出现断裂,要求内侧钢丝绳能独立承担支撑作用,由于平台的受力情况发生了改变,故应重新建立计算模型计算:1、强度验算2.66kN5.321kN3.532IkN2.66kN0.399kNm |IIkfm0.399kNmUUUUUlIuuuuuIuuuuuuuuuuuuuumuuuu1 «飞计算简图弯矩图(kNm)8.0627.782 5.1472 竺12,1424.6i39°7/6758U5-9.818-10.017剪力图(kN)Rrt=11.201kNMmaX=6. 308kN mN=R tan =R (h2s2)=ll. 201/(3. 900/3. 000)=8. 616kN。=Mwx( Y xWx)+NA=6. 308× 107(1.05× 108. 300× 103)+8. 616× 107(21. 95×IO2) =59. 394Nmm2<f=205. 000Nmm2主梁强度满足要求!2、挠度验算1.571kN3142lcN2.f3.142kN1.571kN0.332Wm0.3RkrIm0.332kNmUUUUUlHlUUUi11)muuuuuuummmu1200 I3200I 1200计算简图2. ISl变形图(mm)V ma=2. 151mm< V =2 (A-¾)/250. 00=2(4200. 00-3000. 00)/250. 00=9. 600mm 主梁挠度满足要求!3、支座反力计算8.0627.7822.4612.142 |_5.1474.669O1Uri-3.019,2 E -3.139-1.3 -1.437京6758-U5-9.818-10.017剪力图(kN)Rrt=11.201kN3.3092.91°lF21T%9-10-1.119Er4261U5.0874.8556164633剪力图(kN)标准值:R,rt=7. 057kN七、钢丝绳验算钢丝绳型号6X19钢丝绳直径20钢丝绳的钢丝破断拉力Fg(kN)221.5抗拉强度为(N)1400不均匀系数0. 82安全系数K10素U.变环州火注:绳一间距A为6(-7d, d为钢丝绳口仔钢丝绳绳卡作法花篮螺栓花篮螺栓外侧钢丝绳与主梁夹角 =arctan(h1s1)=42. 879°sin=sin42. 879° =0. 68内侧钢丝绳与主梁夹角B =arctan(h2s2)=52. 431°sin=sin52. 431° =0. 793标准值:T,=MaxR*sin ,R,lsin =Max4. 681/0. 680,7. 057/0. 793 =8. 903kN设计值:T=MaXR 外/sin Q , R 1sin =Max7. 362/0

    注意事项

    本文(型钢悬挑卸料平台计算书.docx)为本站会员(p**)主动上传,第壹文秘仅提供信息存储空间,仅对用户上传内容的表现方式做保护处理,对上载内容本身不做任何修改或编辑。 若此文所含内容侵犯了您的版权或隐私,请立即通知第壹文秘(点击联系客服),我们立即给予删除!

    温馨提示:如果因为网速或其他原因下载失败请重新下载,重复下载不扣分。




    关于我们 - 网站声明 - 网站地图 - 资源地图 - 友情链接 - 网站客服 - 联系我们

    copyright@ 2008-2023 1wenmi网站版权所有

    经营许可证编号:宁ICP备2022001189号-1

    本站为文档C2C交易模式,即用户上传的文档直接被用户下载,本站只是中间服务平台,本站所有文档下载所得的收益归上传人(含作者)所有。第壹文秘仅提供信息存储空间,仅对用户上传内容的表现方式做保护处理,对上载内容本身不做任何修改或编辑。若文档所含内容侵犯了您的版权或隐私,请立即通知第壹文秘网,我们立即给予删除!

    收起
    展开