欢迎来到第壹文秘! | 帮助中心 分享价值,成长自我!
第壹文秘
全部分类
  • 幼儿/小学教育>
  • 中学教育>
  • 高等教育>
  • 研究生考试>
  • 外语学习>
  • 资格/认证考试>
  • 论文>
  • IT计算机>
  • 法律/法学>
  • 建筑/环境>
  • 通信/电子>
  • 医学/心理学>
  • ImageVerifierCode 换一换
    首页 第壹文秘 > 资源分类 > DOCX文档下载
    分享到微信 分享到微博 分享到QQ空间

    自拌混凝土监理旁站记录表.docx

    • 资源ID:484042       资源大小:18.87KB       
    • 资源格式: DOCX        下载积分:5金币
    快捷下载 游客一键下载
    账号登录下载
    三方登录下载: 微信开放平台登录 QQ登录
    下载资源需要5金币
    邮箱/手机:
    温馨提示:
    快捷下载时,如果您不填写信息,系统将为您自动创建临时账号,适用于临时下载。
    如果您填写信息,用户名和密码都是您填写的【邮箱或者手机号】(系统自动生成),方便查询和重复下载。
    如填写123,账号就是123,密码也是123。
    支付方式: 支付宝    微信支付   
    验证码:   换一换

    加入VIP,免费下载
     
    账号:
    密码:
    验证码:   换一换
      忘记密码?
        
    友情提示
    2、PDF文件下载后,可能会被浏览器默认打开,此种情况可以点击浏览器菜单,保存网页到桌面,就可以正常下载了。
    3、本站不支持迅雷下载,请使用电脑自带的IE浏览器,或者360浏览器、谷歌浏览器下载即可。
    4、本站资源下载后的文档和图纸-无水印,预览文档经过压缩,下载后原文更清晰。
    5、试题试卷类文档,如果标题没有明确说明有答案则都视为没有答案,请知晓。

    自拌混凝土监理旁站记录表.docx

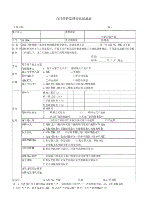
    自拌碎碎监理旁站记录表施工单位浇筑部位计划浇筑方量天气、气温情况设计塌落度险等级总监下达旁站任务总监己批准施工单位报来的驻浇筑申请单,现请监理人员进行旁站监理,根据以下要求做好预控工作及质量监督,在施工方严重违反经批准的施工方案或强条规定,可能造成质量和安全施工的情况下,请立即通知总监理工程师到现场处理。总监:时间:年_月_日_时分旁站预控内容是否符合施工方案与强制条文1、施工方案是口否2、强制条文口是口否施工方管理人员到位不到位劳动力组织符合要求口不符合要求机械配置符合要求口不符合要求重点控制内容塌落度口板振捣口梁振捣口柱振捣口侧墙振捣钢筋整理口保护层模板支撑口施工缝处理旁站过程研制作碎施工配合比:砂计量误差()石子计量误差()用水计量误差()碎塌落度现场碎运输车 喂料方式适宜口喂料方式不适宜 从出厂到浇筑超时口从出厂到浇筑未超时施工缝处理口未按方案处理未按方案处理口未接浆己接浆振捣方式间距过大口振捣时间短口振捣时间过短口振捣时间适宜有漏振现象口无漏振现象口有涨模现象口无涨模现象收光质量口时间掌握过长口时间掌握过短口时间掌握适宜口收光时加水口收光时撒干灰口养护不到位口养护不到位钢筋踩踏情况有专职人员,修复较好口无专职人员,不加修复口梁板上皮钢筋保护层厚度实测:伦试块留置标准养护试块对应部位:同条件试块对应部位:特殊情况处理口堵管口停电口工伤口突降大雨口碎没有连续浇筑安全措施有安全巡视口无安全巡视口安全措施落实情况好安全措施落实情况差浇筑过程旁站及不合格处置情况综述旁站员:旁站时间:开始结束施工/质检员:工程名称:编号:注:1.经查项目中未做到的在口中打“X”,做到的在口中打"''°必须使用手填,禁止使用电脑填写。2.凡打“X”助,属于发现的问题,应记录在“发现问题”栏中;并在“处理情况”栏

    注意事项

    本文(自拌混凝土监理旁站记录表.docx)为本站会员(p**)主动上传,第壹文秘仅提供信息存储空间,仅对用户上传内容的表现方式做保护处理,对上载内容本身不做任何修改或编辑。 若此文所含内容侵犯了您的版权或隐私,请立即通知第壹文秘(点击联系客服),我们立即给予删除!

    温馨提示:如果因为网速或其他原因下载失败请重新下载,重复下载不扣分。




    关于我们 - 网站声明 - 网站地图 - 资源地图 - 友情链接 - 网站客服 - 联系我们

    copyright@ 2008-2023 1wenmi网站版权所有

    经营许可证编号:宁ICP备2022001189号-1

    本站为文档C2C交易模式,即用户上传的文档直接被用户下载,本站只是中间服务平台,本站所有文档下载所得的收益归上传人(含作者)所有。第壹文秘仅提供信息存储空间,仅对用户上传内容的表现方式做保护处理,对上载内容本身不做任何修改或编辑。若文档所含内容侵犯了您的版权或隐私,请立即通知第壹文秘网,我们立即给予删除!

    收起
    展开