欢迎来到第壹文秘! | 帮助中心 分享价值,成长自我!
第壹文秘
全部分类
  • 幼儿/小学教育>
  • 中学教育>
  • 高等教育>
  • 研究生考试>
  • 外语学习>
  • 资格/认证考试>
  • 论文>
  • IT计算机>
  • 法律/法学>
  • 建筑/环境>
  • 通信/电子>
  • 医学/心理学>
  • ImageVerifierCode 换一换
    首页 第壹文秘 > 资源分类 > DOCX文档下载
    分享到微信 分享到微博 分享到QQ空间

    集成卫生间平面布局、质量验收、隐蔽工程、安装质量验收检查记录.docx

    • 资源ID:480980       资源大小:142.87KB        全文页数:10页
    • 资源格式: DOCX        下载积分:5金币
    快捷下载 游客一键下载
    账号登录下载
    三方登录下载: 微信开放平台登录 QQ登录
    下载资源需要5金币
    邮箱/手机:
    温馨提示:
    快捷下载时,如果您不填写信息,系统将为您自动创建临时账号,适用于临时下载。
    如果您填写信息,用户名和密码都是您填写的【邮箱或者手机号】(系统自动生成),方便查询和重复下载。
    如填写123,账号就是123,密码也是123。
    支付方式: 支付宝    微信支付   
    验证码:   换一换

    加入VIP,免费下载
     
    账号:
    密码:
    验证码:   换一换
      忘记密码?
        
    友情提示
    2、PDF文件下载后,可能会被浏览器默认打开,此种情况可以点击浏览器菜单,保存网页到桌面,就可以正常下载了。
    3、本站不支持迅雷下载,请使用电脑自带的IE浏览器,或者360浏览器、谷歌浏览器下载即可。
    4、本站资源下载后的文档和图纸-无水印,预览文档经过压缩,下载后原文更清晰。
    5、试题试卷类文档,如果标题没有明确说明有答案则都视为没有答案,请知晓。

    集成卫生间平面布局、质量验收、隐蔽工程、安装质量验收检查记录.docx

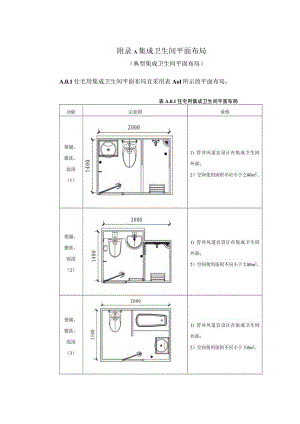
    附录A集成卫生间平面布局(典型集成卫生间平面布局)A.0.1住宅用集成卫生间平面布局宜采用表Aol所示的平面布局。表A.0.1住宅用集成卫生间平面布局便溺、盥洗、洗浴(4)便溺、盥洗、洗浴(5)1)管井风道宜设计在集成卫生问外部;2)空间使用面积不应小于4.O511A1)管井风道宜设计在集成卫生间外部:2)空间使用面积不应小于4.5Om2。1)管井风道宜设计在集成卫生问外部;2)空间使用面积不应小于2.88A2000便溺、盥洗、洗浴(7)便溺、盥洗、洗浴(8)1)管井风道宜设计在集成卫生问外部:2)空间使用面积不应小于3.20m2.1)管井风道宜设计在集成卫生问外部;2)空间使用面积不应小于3.20m21)便溺、盥洗、洗浴(9)1)管井风道宜设计在集成卫生问外部:2)空间使用面积不应小于3.O6m2°便溺、盥洗、洗浴(IO)1)管井风道宜设计在集成卫生问外部:2)空间使用面积不应小于4.03便溺、盥洗、洗浴(三)1)管井风道宜设计在集成卫生问外部;2)空间使用面积不应小于5.04m2.附录B集成卫生间质量验收记录表集成卫生间质量验收记录宜按表BOl填写。表B.0.1集成卫生间质量验收记录单位(子单位)工程名称分部(子分部)工程名称分项工程名称施工单位项目负责人检验批容量分包单位分包单位项目负责人检验批部位施工依据验收依据主控项目验收项目最小/实际抽样数量检查记录检查结果1集成卫生间的材料、性能、使用功能应符合设计要求和现行相关标准的规定,并应有防水、防腐、防霉处理2集成卫生间安装预埋件或后置埋件的规格、数量、位置、防锈处理、埋设方式应符合设计要求,且安装牢固,安装方式应符合设计要求3集成卫生间内部净尺寸应符合设计规定4集成卫生间的给排水、暖通、电气设备及管线的产品选型、安装位置、管线布局、装配技术和接口尺寸应符合设计要求5集成卫生间的防水盘、壁板和吊顶的安装应牢固密实,各连接件不渗漏,排水畅通,地面无积水。6集成卫生间用地垫的卫生间地面,发泡陶瓷防水盘与地垫的骨架之间连接结构应牢固可靠,无松动、无异响,防水措施应符合相关标准的要求7集成卫生间门窗、门窗套的造型、尺寸、位置应符合设计要求,安装应牢固一般项目1面层材料表面应洁净、色泽一致,无翘曲、裂缝及缺损,压条应平直、均匀2集成卫生间面层应严密、平整、无脱胶、胶迹和鼓泡现象,外露的裁割部位应进行封边处理3成卫生间内的灯具、风口和检修口等设备设施的位置应符合设计要求,与面板处的交接应吻合、严密。4集成卫生间安装的允许偏差施工单位检查结果专业工长:项目专业质检员:年月日监理单位验收结论专业监理工程师:年月日附录C集成卫生间隐蔽工程验收检查记录集成卫生间隐蔽工程质量验收检查记录宜按表COi填写。表C.0.1集成卫生间隐蔽工程验收检查记录编号:工程名称分项工程名称施工单位专业工长项目经理分包单位分包单位项目经理施工班组长检查标准隐蔽施工质量规定质量检验情况监理(建设)单位验收记录主控项目质量检查项隐蔽项允许偏差墙面埋件预置(-4mm,4mm)壁板连接件(-5mm,5mm)给水管穿板卡扣(-3mm,3mm)脸盆排水管找中布管(-5mm,5mm)电盒预置完成(0,10mm)施工单位检查结果项目专业质量检查员:年月日监理单位验收结论监理工程师:总监理工程师:年月日建设单位验收结论建设单位项目负责人:年月日附录D集成卫生间安装质量验收检查记录集成卫生间安装质量验收检查记录宜按表DOl进行。表D.0.1集成卫生间安装质量验收检查记录编号:项目名称安装负责人验收部位检查标准日期复测时间实测项检测标准实测记录误差值实测实量结果检查人整改后实测值复核人合格不合格地面平整度W2mm缝格平直度W3mm接缝高低差W0.3mm接缝宽度(1.5mm,2.5mm)墙面接缝宽度(1.5mm,2.5mm)接缝高低差W0.5mm垂直度W3mm平整度W2mm挠度W5mm墙面阴阳角方正度3mm角线(阴阳角)角线与墙面吸附表面平整牢固,无污渍、无瑕疵角线缝隙不得有明显拼接现象,上下与墙面平齐窗套垂直度W1.5mm内空尺寸公差(-1.5mm,1.5mm)对角线公差(-1.5mm,1.5mm)门洞收口垂直度误差W2mm洁具龙头进水左热右冷切换正常,无松动、无渗漏防水插座零线、火线、地线接线正确面板垂直度2mmBC3*2.5平方给水系统开孔尺寸偏差5mm给水管路铺设左热右冷排水系统排污系统接口承插,密封严实,无漏点施工单位检查评定结果项目专业质检员:年月日监理单监理工程师:位检查评定结总监理工程师:果年月日建设单位检查评定结建设单位项目负责人:果年月日

    注意事项

    本文(集成卫生间平面布局、质量验收、隐蔽工程、安装质量验收检查记录.docx)为本站会员(p**)主动上传,第壹文秘仅提供信息存储空间,仅对用户上传内容的表现方式做保护处理,对上载内容本身不做任何修改或编辑。 若此文所含内容侵犯了您的版权或隐私,请立即通知第壹文秘(点击联系客服),我们立即给予删除!

    温馨提示:如果因为网速或其他原因下载失败请重新下载,重复下载不扣分。




    关于我们 - 网站声明 - 网站地图 - 资源地图 - 友情链接 - 网站客服 - 联系我们

    copyright@ 2008-2023 1wenmi网站版权所有

    经营许可证编号:宁ICP备2022001189号-1

    本站为文档C2C交易模式,即用户上传的文档直接被用户下载,本站只是中间服务平台,本站所有文档下载所得的收益归上传人(含作者)所有。第壹文秘仅提供信息存储空间,仅对用户上传内容的表现方式做保护处理,对上载内容本身不做任何修改或编辑。若文档所含内容侵犯了您的版权或隐私,请立即通知第壹文秘网,我们立即给予删除!

    收起
    展开