欢迎来到第壹文秘! | 帮助中心 分享价值,成长自我!
第壹文秘
全部分类
  • 幼儿/小学教育>
  • 中学教育>
  • 高等教育>
  • 研究生考试>
  • 外语学习>
  • 资格/认证考试>
  • 论文>
  • IT计算机>
  • 法律/法学>
  • 建筑/环境>
  • 通信/电子>
  • 医学/心理学>
  • ImageVerifierCode 换一换
    首页 第壹文秘 > 资源分类 > DOCX文档下载
    分享到微信 分享到微博 分享到QQ空间

    采办项目技术规格书.docx

    • 资源ID:472062       资源大小:41.55KB        全文页数:2页
    • 资源格式: DOCX        下载积分:5金币
    快捷下载 游客一键下载
    账号登录下载
    三方登录下载: 微信开放平台登录 QQ登录
    下载资源需要5金币
    邮箱/手机:
    温馨提示:
    快捷下载时,如果您不填写信息,系统将为您自动创建临时账号,适用于临时下载。
    如果您填写信息,用户名和密码都是您填写的【邮箱或者手机号】(系统自动生成),方便查询和重复下载。
    如填写123,账号就是123,密码也是123。
    支付方式: 支付宝    微信支付   
    验证码:   换一换

    加入VIP,免费下载
     
    账号:
    密码:
    验证码:   换一换
      忘记密码?
        
    友情提示
    2、PDF文件下载后,可能会被浏览器默认打开,此种情况可以点击浏览器菜单,保存网页到桌面,就可以正常下载了。
    3、本站不支持迅雷下载,请使用电脑自带的IE浏览器,或者360浏览器、谷歌浏览器下载即可。
    4、本站资源下载后的文档和图纸-无水印,预览文档经过压缩,下载后原文更清晰。
    5、试题试卷类文档,如果标题没有明确说明有答案则都视为没有答案,请知晓。

    采办项目技术规格书.docx

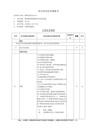
    采办项目技术规格书需求单位名称:物探采集作业公司1 项目名称:模块震源海源枪控高压直流电源2 采购数量:见下表3 交货日期:合同签订1.5个月内4 技术规格、详细性能描述:主要技术规格序号技术参数及规格要求投标设备技术参数和性能设备部件号数量其它概述本次采办旨在满足模块化震源装配需求,进行高压直流电源采购。1.1高压直流电源8台二参数及指标2.1电源* 1.电压输出范围:O-600V:* 2.电流输出范围:08A;* 3.功率输出范围:2400W* 4.高功率因素到0.95;* 5.电压渐升/降功能:时间(10ms99hours);* 6.电压及电流斜率控制;* 7.过电压、限电流及过温度保护功能;* 8.标准的RS-232&USB控制接口;* 9.具有CE认证;* 10.APG模拟信号控制接口;* 11.具有主从控制接口并联操作模式下达到均流;* 12.具有10组可程控及100个步骤设定电压/电流8bilTTL讯号输出;* 13.液晶显示控制;*14.具有数字旋钮、键盘及功能按钮操作;*15.每台配备KPTOOF16-23P类型连接器1个、TP76线号配套黑色带1个、TP76线号配套红色带1个、TP76线号配套2.0mm白色套管40米、TP76线号配套3.0mm白色套管40米、TP76线号配套4.0mm白色套管40米、;*16.插头:IoA转16A2个17 .重量:20Kg;18 .质保期内负责上门安装及调试;8台备注:本表第二列根据具体设备尽可能进行详细描述,关键技术条目要在序号前打,号。5 资格及业绩要求:6 推荐设备型号:7 交货日期:合同签订1.5个月内;8 交货地点:天津;9 培训要求:10安装调试:H资料证书:交货时,应当包括合格证;12售后服务:

    注意事项

    本文(采办项目技术规格书.docx)为本站会员(p**)主动上传,第壹文秘仅提供信息存储空间,仅对用户上传内容的表现方式做保护处理,对上载内容本身不做任何修改或编辑。 若此文所含内容侵犯了您的版权或隐私,请立即通知第壹文秘(点击联系客服),我们立即给予删除!

    温馨提示:如果因为网速或其他原因下载失败请重新下载,重复下载不扣分。




    关于我们 - 网站声明 - 网站地图 - 资源地图 - 友情链接 - 网站客服 - 联系我们

    copyright@ 2008-2023 1wenmi网站版权所有

    经营许可证编号:宁ICP备2022001189号-1

    本站为文档C2C交易模式,即用户上传的文档直接被用户下载,本站只是中间服务平台,本站所有文档下载所得的收益归上传人(含作者)所有。第壹文秘仅提供信息存储空间,仅对用户上传内容的表现方式做保护处理,对上载内容本身不做任何修改或编辑。若文档所含内容侵犯了您的版权或隐私,请立即通知第壹文秘网,我们立即给予删除!

    收起
    展开