欢迎来到第壹文秘! | 帮助中心 分享价值,成长自我!
第壹文秘
全部分类
  • 幼儿/小学教育>
  • 中学教育>
  • 高等教育>
  • 研究生考试>
  • 外语学习>
  • 资格/认证考试>
  • 论文>
  • IT计算机>
  • 法律/法学>
  • 建筑/环境>
  • 通信/电子>
  • 医学/心理学>
  • ImageVerifierCode 换一换
    首页 第壹文秘 > 资源分类 > DOCX文档下载
    分享到微信 分享到微博 分享到QQ空间

    PLC基本技能实操——实训十九 三层电梯控制.docx

    • 资源ID:469356       资源大小:95.29KB        全文页数:6页
    • 资源格式: DOCX        下载积分:5金币
    快捷下载 游客一键下载
    账号登录下载
    三方登录下载: 微信开放平台登录 QQ登录
    下载资源需要5金币
    邮箱/手机:
    温馨提示:
    快捷下载时,如果您不填写信息,系统将为您自动创建临时账号,适用于临时下载。
    如果您填写信息,用户名和密码都是您填写的【邮箱或者手机号】(系统自动生成),方便查询和重复下载。
    如填写123,账号就是123,密码也是123。
    支付方式: 支付宝    微信支付   
    验证码:   换一换

    加入VIP,免费下载
     
    账号:
    密码:
    验证码:   换一换
      忘记密码?
        
    友情提示
    2、PDF文件下载后,可能会被浏览器默认打开,此种情况可以点击浏览器菜单,保存网页到桌面,就可以正常下载了。
    3、本站不支持迅雷下载,请使用电脑自带的IE浏览器,或者360浏览器、谷歌浏览器下载即可。
    4、本站资源下载后的文档和图纸-无水印,预览文档经过压缩,下载后原文更清晰。
    5、试题试卷类文档,如果标题没有明确说明有答案则都视为没有答案,请知晓。

    PLC基本技能实操——实训十九 三层电梯控制.docx

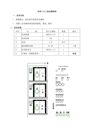
    03U2D2W实训十九三层电梯控制一、实训目的1 .掌握置位、复位指令的使用及编程2 .掌握三层电梯控制系统的接线、调试、操作二、实训设备序号名称型号与规格数量备注1实训装置THPFSL-1/212实训挂箱A1913导线3号若干4通讯编程电缆SC-091三菱5实训指导书THPFSL-1/216计算机(带编程软件)1自备电Jl力l指示UPD0V4NOO电楼内选接轨咨示SUSL2SL3OOOSIsZS3OOOS3S2SID3OOOOD2U2UlSQ30000802SQIL3L20000UUPDOWNSLSOOOO四、控制要求1 .总体控制要求:电梯由安装在各楼层电梯口的上升下降呼叫按钮(UI、U2、D2、D3),电梯轿厢内楼层选择按钮(SI、S2、S3),上升下降指示(UP、DOWN),各楼层到位行程开关(SQl、SQ2、SQ3)组成。电梯自动执行呼叫。2 .电梯在上升的过程中只响应向上的呼叫,在下降的过程中只响应向下的呼叫,电梯向上或向下的呼叫执行完成后再执行反向呼叫。3 .电梯等待呼叫时,同时有不同呼叫时,谁先呼叫执行谁。4 .具有呼叫记忆、内选呼叫指示功能。5 .具有楼层显示、方向指示、到站声音提示功能。五、功能指令使用及程序流程图1 .置位、复位指令使用IXOOO1.-IISETYOOOXOOlIIpsYOOOX0000一旦接通后,即使它再断开,YOOOo仍继续动作,XOOOI一旦接通后,即使它再断开,YOOOo仍然不动作。2 .程序流程图六、功能指令使用及程序流程图1.端口分配及功能表序号PLC地址(PLC端子)电气符号(面板端子)功能说明1XOOS3三层内选按钮2XOlS2二层内选按钮3X02Sl一层内选按钮4X03D3三层下呼按钮5X04D2二层下呼按钮6X05U2二层上呼按钮7X06Ul一层上呼按钮8X07SQ3三层行程开关9XlOSQ2二层行程开关10XllSQl一层行程开关11YOOL3三层指示12YOlL2二层指示13Y02Ll一层指示14Y03DOWN轿厢下降指示15Y04UP轿厢上升指示16Y05SL3三层内选指示17Y06SL2二层内选指示18Y07SLl一层内选指示19YlO八音盒6八音盒20YllA数码控制端子A21Y12B数码控制端子B22Y13C数码控制端子C23Y14D数码控制端子D24主机COM、面板COM接电源GND电源地端25主机COMO、COMkCOM2、COM3、C0M4>CoM5、电源地端接电源GND26面板V+接电源+24V电源正端V+24GND2.PLC外部接线图七、操作步骤1 .检查实训设备中器材及调试程序。2 .按照I/O端口分配表或接线图完成PLC与实训模块之间的接线,认真检查,确保正确无误。3 .打开示例程序或用户自己编写的控制程序,进行编译,有错误时根据提示信息修改,直至无误,用SCH)9通讯编程电缆连接计算机串口与PLC通讯口,打开PLC主机电源开关,下载程序至PLC中,下载完毕后将PLC的“RUN/STOP”开关拨至“RUN”状态。4 .将行程开关“SQ1”拨到ON,“SQ2”、“SQ3”拨到OFF,表示电梯停在底层。5 .选择电梯楼层选择按钮或上下按钮。例:按下“D3”电梯方向指示灯“UP”亮,底层指示灯“L1”亮,表明电梯离开底层。将行程开关“SQ1”拨到“OFF”,二层指示灯“L2”亮,将行程开关“SQ2”拨到“0N”表明电梯到达二层。将行程开关“SQ2”拨到“OFF”表明电梯离开二层。三层指示灯“L3”亮,将行程开关“SQ3”拨到“ON”表明电梯到达三层。6 .重复步骤5,按下不同的选择按钮,观察电梯的运行过程。八、实训总结1 .总结置位、复位指令的使用方法。2 .总结记录PLC与外部设备的接线过程及注意事项。

    注意事项

    本文(PLC基本技能实操——实训十九 三层电梯控制.docx)为本站会员(p**)主动上传,第壹文秘仅提供信息存储空间,仅对用户上传内容的表现方式做保护处理,对上载内容本身不做任何修改或编辑。 若此文所含内容侵犯了您的版权或隐私,请立即通知第壹文秘(点击联系客服),我们立即给予删除!

    温馨提示:如果因为网速或其他原因下载失败请重新下载,重复下载不扣分。




    关于我们 - 网站声明 - 网站地图 - 资源地图 - 友情链接 - 网站客服 - 联系我们

    copyright@ 2008-2023 1wenmi网站版权所有

    经营许可证编号:宁ICP备2022001189号-1

    本站为文档C2C交易模式,即用户上传的文档直接被用户下载,本站只是中间服务平台,本站所有文档下载所得的收益归上传人(含作者)所有。第壹文秘仅提供信息存储空间,仅对用户上传内容的表现方式做保护处理,对上载内容本身不做任何修改或编辑。若文档所含内容侵犯了您的版权或隐私,请立即通知第壹文秘网,我们立即给予删除!

    收起
    展开