欢迎来到第壹文秘! | 帮助中心 分享价值,成长自我!
第壹文秘
全部分类
  • 幼儿/小学教育>
  • 中学教育>
  • 高等教育>
  • 研究生考试>
  • 外语学习>
  • 资格/认证考试>
  • 论文>
  • IT计算机>
  • 法律/法学>
  • 建筑/环境>
  • 通信/电子>
  • 医学/心理学>
  • ImageVerifierCode 换一换
    首页 第壹文秘 > 资源分类 > DOCX文档下载
    分享到微信 分享到微博 分享到QQ空间

    PLC基本技能实操——实训十一 四节传送带控制.docx

    • 资源ID:469351       资源大小:74.76KB        全文页数:5页
    • 资源格式: DOCX        下载积分:5金币
    快捷下载 游客一键下载
    账号登录下载
    三方登录下载: 微信开放平台登录 QQ登录
    下载资源需要5金币
    邮箱/手机:
    温馨提示:
    快捷下载时,如果您不填写信息,系统将为您自动创建临时账号,适用于临时下载。
    如果您填写信息,用户名和密码都是您填写的【邮箱或者手机号】(系统自动生成),方便查询和重复下载。
    如填写123,账号就是123,密码也是123。
    支付方式: 支付宝    微信支付   
    验证码:   换一换

    加入VIP,免费下载
     
    账号:
    密码:
    验证码:   换一换
      忘记密码?
        
    友情提示
    2、PDF文件下载后,可能会被浏览器默认打开,此种情况可以点击浏览器菜单,保存网页到桌面,就可以正常下载了。
    3、本站不支持迅雷下载,请使用电脑自带的IE浏览器,或者360浏览器、谷歌浏览器下载即可。
    4、本站资源下载后的文档和图纸-无水印,预览文档经过压缩,下载后原文更清晰。
    5、试题试卷类文档,如果标题没有明确说明有答案则都视为没有答案,请知晓。

    PLC基本技能实操——实训十一 四节传送带控制.docx

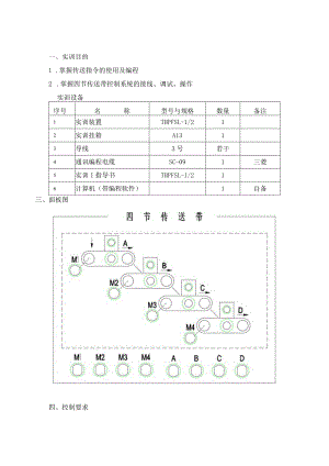
    一、实训目的1 .掌握传送指令的使用及编程2 .掌握四节传送带控制系统的接线、调试、操作实训设备序号名称型号与规格数量备注1实训装置THPFSL-1/212实训挂箱A1313导线3号若干4通讯编程电缆SC-091三菱5实训I指导书THPFSL-1/216计算机(带编程软件)1自备三、面板图四、控制要求1 .总体控制要求:如面板图所示,系统由传动电机Ml、M2、M3、M4,故障设置开关A、B、C、D组成,完成物料的运送、故障停止等功能。2 .闭合“启动”开关,首先启动最末一条传送带(电机M4),每经过1秒延时,依次启动一条传送带(电机M3、M2、M1)。3 .当某条传送带发生故障时,该传送带及其前面的传送带立即停止,而该传送带以后的待运完货物后方可停止。例如M2存在故障,则Ml、M2立即停,经过1秒延时后,M3停,再过1秒,M4停。4 .排出故障,打开“启动”开关,系统重新启动。5 .关闭“启动”开关,先停止最前一条传送带(电机Ml),待料运送完毕后再依次停止M2、M3及M4电机。五、功能指令使用及程序流程图1.传送指令使用1 XoooMIovDODlOXOOoO为ON时,将源内容向目标内容传送,XOOoO为OFF时,数据不变化。2 .程序流程图六、端口分配及接线图1.端口分配及功能表序号PLC地址(PLC端子)电气符号(面板端子)功能说明1XOOSD启动(SD)2XOlA传送带A故障模拟3X02B传送带B故障模拟4X03C传送带C故障模拟5X04D传送带D故障模拟6YOOMl电机Ml7YOlM2电机M28Y02M3电机M39Y03M4电机M410主机CoM、面板CoM接电源GND电源地端11主机COMO、COM1、COM2、CoM3、COM4、COM5、接电源GND电源地端12面板V+接电源+24V电源正端2.PLC外部接线图+24VGNDQMlH2M3M40 12 M O M 1 M 2 Oooooo CYCYCY Cnd=4 KXLL M O 1 2 3 4 Oooooo Cxxxxx七、操作步骤1 .检查实训设备中器材及调试程序。2 .按照I/O端口分配表或接线图完成PLC与实训模块之间的接线,认真检查,确保正确无误。3 .打开示例程序或用户自己编写的控制程序,进行编译,有错误时根据提示信息修改,直至无误,用SC-09通讯编程电缆连接计算机串口与PLC通讯口,打开PLC主机电源开关,下载程序至PLC中,下载完毕后将PLC的“RUN/STOP”开关拨至“RUN”状态。4 .打开“启动”开关后,系统进入自动运行状态,调试四节传送带控制程序并观察四节传送带的工作状态。5 .将A、B、C、D开关中的任意一个打开,模拟传送带发生故障,观察电动机Ml、M2、M3、M4的工作状态。6 .关闭“启动”按钮,系统停止工作八、实训总结1 .总结移位寄传器指令的使用方法。2 .总结记录PLC与外部设备的接线过程及注意事项。

    注意事项

    本文(PLC基本技能实操——实训十一 四节传送带控制.docx)为本站会员(p**)主动上传,第壹文秘仅提供信息存储空间,仅对用户上传内容的表现方式做保护处理,对上载内容本身不做任何修改或编辑。 若此文所含内容侵犯了您的版权或隐私,请立即通知第壹文秘(点击联系客服),我们立即给予删除!

    温馨提示:如果因为网速或其他原因下载失败请重新下载,重复下载不扣分。




    关于我们 - 网站声明 - 网站地图 - 资源地图 - 友情链接 - 网站客服 - 联系我们

    copyright@ 2008-2023 1wenmi网站版权所有

    经营许可证编号:宁ICP备2022001189号-1

    本站为文档C2C交易模式,即用户上传的文档直接被用户下载,本站只是中间服务平台,本站所有文档下载所得的收益归上传人(含作者)所有。第壹文秘仅提供信息存储空间,仅对用户上传内容的表现方式做保护处理,对上载内容本身不做任何修改或编辑。若文档所含内容侵犯了您的版权或隐私,请立即通知第壹文秘网,我们立即给予删除!

    收起
    展开