欢迎来到第壹文秘! | 帮助中心 分享价值,成长自我!
第壹文秘
全部分类
  • 幼儿/小学教育>
  • 中学教育>
  • 高等教育>
  • 研究生考试>
  • 外语学习>
  • 资格/认证考试>
  • 论文>
  • IT计算机>
  • 法律/法学>
  • 建筑/环境>
  • 通信/电子>
  • 医学/心理学>
  • ImageVerifierCode 换一换
    首页 第壹文秘 > 资源分类 > DOCX文档下载
    分享到微信 分享到微博 分享到QQ空间

    PLC基本技能实操——实训四 抢答器控制.docx

    • 资源ID:469350       资源大小:62.97KB        全文页数:3页
    • 资源格式: DOCX        下载积分:5金币
    快捷下载 游客一键下载
    账号登录下载
    三方登录下载: 微信开放平台登录 QQ登录
    下载资源需要5金币
    邮箱/手机:
    温馨提示:
    快捷下载时,如果您不填写信息,系统将为您自动创建临时账号,适用于临时下载。
    如果您填写信息,用户名和密码都是您填写的【邮箱或者手机号】(系统自动生成),方便查询和重复下载。
    如填写123,账号就是123,密码也是123。
    支付方式: 支付宝    微信支付   
    验证码:   换一换

    加入VIP,免费下载
     
    账号:
    密码:
    验证码:   换一换
      忘记密码?
        
    友情提示
    2、PDF文件下载后,可能会被浏览器默认打开,此种情况可以点击浏览器菜单,保存网页到桌面,就可以正常下载了。
    3、本站不支持迅雷下载,请使用电脑自带的IE浏览器,或者360浏览器、谷歌浏览器下载即可。
    4、本站资源下载后的文档和图纸-无水印,预览文档经过压缩,下载后原文更清晰。
    5、试题试卷类文档,如果标题没有明确说明有答案则都视为没有答案,请知晓。

    PLC基本技能实操——实训四 抢答器控制.docx

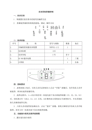
    实训四抢答器控制一、实训目的1 .掌握置位复位指令的使用及编程方法2 .掌握抢答器控制系统的接线、调试、操作方法+5vo L4 由回 L3O I3 L2O S2 U O SlCOMODO V+OCO WOBO WOAO 820 SO SROUO ouo二、实训设备序号名称型号与规格数量备注1.可编程控制器实训装置THPFSL-1/212.实训挂箱AlO3.实训导线3号若干4.SC-09通讯电缆1三菱5.计算机1自备四、控制要求1 .系统初始上电后,主控人员在总控制台上点击“开始”按键后,允许各队人员开始抢答,即各队抢答按键有效;2 .抢答过程中,14队中的任何一队抢先按下各自的抢答按键(SI、S2、S3、S4)后,该队指示灯(LKL2、L3、L4)点亮,LED数码显示系统显示当前的队号,并且其他队的人员继续抢答无效;3 .主控人员对抢答状态确认后,点击“复位”按键,系统又继续允许各队人员开始抢答;直至又有一队抢先按下各自的抢答按键;五、功能指令使用及程序流程图1 .置位复位指令使用SETMORSTMO置位(SET)和复位(RST)指令将从指定地址的点置位或复位;如上所示:当XOO有一个上升沿信号时,CPU置位M0;当XOl有一个上升沿信号时,CPU复位M0;2 .程序流程图六、端口分配及接线图1.I/O端口分配功能表序号PLC地址(PLC端子)电气符号(面板端子)功能说明1.XOOSD启动2.XOlSR复位3.X02Sl1队抢答4.X03S22队抢答5.X04S33队抢答6.X05S44队抢答7.YOO11队抢答显示8.YOl22队抢答显示9.Y0233队抢答显示10.Y0344队抢答显示II.Y04A数码控制端子A12.Y05B数码控制端子B13.Y06C数码控制端子C14.Y07D数码控制端子D15.主机COM0、COMKCOM2等接电源GND电源端2.控制接线图七、操作步骤1 .按控制接线图连接控制回路;2 .将编译无误的控制程序下载至PLC中,并将模式选择开关拨至RUN状态;3 .分别点动“开始”开关,允许14队抢答。分别点动S1S4按钮,模拟四个队进行抢答,观察并记录系统响应情况。4 .尝试编译新的控制程序,实现不同于示例程序的控制效果。八、实训总结SDSRS1S2S3COMCOMOXOOYOOX01Y01X02好YD2X03同Y03X04他YO4X05HY05Y06Y0712 3 4泽H电路 ABCD尝试分析某队抢答后是如何将其他队的抢答动作进行屏蔽。

    注意事项

    本文(PLC基本技能实操——实训四 抢答器控制.docx)为本站会员(p**)主动上传,第壹文秘仅提供信息存储空间,仅对用户上传内容的表现方式做保护处理,对上载内容本身不做任何修改或编辑。 若此文所含内容侵犯了您的版权或隐私,请立即通知第壹文秘(点击联系客服),我们立即给予删除!

    温馨提示:如果因为网速或其他原因下载失败请重新下载,重复下载不扣分。




    关于我们 - 网站声明 - 网站地图 - 资源地图 - 友情链接 - 网站客服 - 联系我们

    copyright@ 2008-2023 1wenmi网站版权所有

    经营许可证编号:宁ICP备2022001189号-1

    本站为文档C2C交易模式,即用户上传的文档直接被用户下载,本站只是中间服务平台,本站所有文档下载所得的收益归上传人(含作者)所有。第壹文秘仅提供信息存储空间,仅对用户上传内容的表现方式做保护处理,对上载内容本身不做任何修改或编辑。若文档所含内容侵犯了您的版权或隐私,请立即通知第壹文秘网,我们立即给予删除!

    收起
    展开