欢迎来到第壹文秘! | 帮助中心 分享价值,成长自我!
第壹文秘
全部分类
  • 幼儿/小学教育>
  • 中学教育>
  • 高等教育>
  • 研究生考试>
  • 外语学习>
  • 资格/认证考试>
  • 论文>
  • IT计算机>
  • 法律/法学>
  • 建筑/环境>
  • 通信/电子>
  • 医学/心理学>
  • ImageVerifierCode 换一换
    首页 第壹文秘 > 资源分类 > DOCX文档下载
    分享到微信 分享到微博 分享到QQ空间

    PLC基本技能实操——实训三 数码显示控制.docx

    • 资源ID:469335       资源大小:64.64KB        全文页数:4页
    • 资源格式: DOCX        下载积分:5金币
    快捷下载 游客一键下载
    账号登录下载
    三方登录下载: 微信开放平台登录 QQ登录
    下载资源需要5金币
    邮箱/手机:
    温馨提示:
    快捷下载时,如果您不填写信息,系统将为您自动创建临时账号,适用于临时下载。
    如果您填写信息,用户名和密码都是您填写的【邮箱或者手机号】(系统自动生成),方便查询和重复下载。
    如填写123,账号就是123,密码也是123。
    支付方式: 支付宝    微信支付   
    验证码:   换一换

    加入VIP,免费下载
     
    账号:
    密码:
    验证码:   换一换
      忘记密码?
        
    友情提示
    2、PDF文件下载后,可能会被浏览器默认打开,此种情况可以点击浏览器菜单,保存网页到桌面,就可以正常下载了。
    3、本站不支持迅雷下载,请使用电脑自带的IE浏览器,或者360浏览器、谷歌浏览器下载即可。
    4、本站资源下载后的文档和图纸-无水印,预览文档经过压缩,下载后原文更清晰。
    5、试题试卷类文档,如果标题没有明确说明有答案则都视为没有答案,请知晓。

    PLC基本技能实操——实训三 数码显示控制.docx

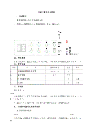
    实训三数码显示控制一、实训目的1 .掌握译码指令的使用及编程方法硬件模式二:2 .掌握LED数码显示控制系统的接线、调试、操作方法四、控制要求COFOWOLED- - - BO En HOAo- Do Go 一1.硬件模式一:置位启动开关KO为ON时,LED数码显示管依次循环显示0、1、2、序号名称型号与规格数量备注1.可编程控制器实训装置THPFSL-1/212.实训导线3号若干3.SC-09通讯电缆1三菱4.计算机1自备二、实训设备三、面板图硬件模式一:39;2.硬件模式二:置位启动开关KO为ON时,LED数码显示管依次循环显示0、1、2、39、AB、CF;3 .置位开关Ko为OFF时,LED数码显示管停止显示,系统停止工作。五、功能指令使用及程序流程图Y0001 .触点比较指令使用0=DOKl指令描述:对源数据内容进行BIN比较,对其结果执行后段的运算;如上所示,当DO中的数据“等于"常数KI时,则Yo输出状态“1”。2 .程序流程图启动六、端口分配及接线图1.I/O端口分配功能表序号PLC地址(PLC端子)电气符号(面板端子)功能说明1.XOOKO启动/停止2.YOOA数码控制端子A3.YOlB数码控制端子B4.Y02C数码控制端子C5.Y03D数码控制端子D6.Y04E数码控制端子E(硬件模式二)7.Y05F数码控制端子F(硬件模式二)8.Y06G数码控制端子G(硬件模式二)9.Y07H数码控制端子H(硬件模式二)10.主机COM0、COMkCOM2等接电源GND电源端2.控制接线图Yoo忡Y02YG3JId同砥法译码电路AB点:亮E电七、操作步骤1 .按控制接线图连接控制回路;2 .将编译无误的控制程序下载至PLC中,并将模式选择开关拨至RUN状态;3 .分别拨动启动开关KO,观察并记录LED数码管显示状态;4 .尝试编译新的控制程序,实现不同于示例程序的控制效果。八、实训总结1 .尝试分析整套系统的工作过程;2 .尝试用其他不同于示例程序所用的指令编译新程序,实现新的控制过程。

    注意事项

    本文(PLC基本技能实操——实训三 数码显示控制.docx)为本站会员(p**)主动上传,第壹文秘仅提供信息存储空间,仅对用户上传内容的表现方式做保护处理,对上载内容本身不做任何修改或编辑。 若此文所含内容侵犯了您的版权或隐私,请立即通知第壹文秘(点击联系客服),我们立即给予删除!

    温馨提示:如果因为网速或其他原因下载失败请重新下载,重复下载不扣分。




    关于我们 - 网站声明 - 网站地图 - 资源地图 - 友情链接 - 网站客服 - 联系我们

    copyright@ 2008-2023 1wenmi网站版权所有

    经营许可证编号:宁ICP备2022001189号-1

    本站为文档C2C交易模式,即用户上传的文档直接被用户下载,本站只是中间服务平台,本站所有文档下载所得的收益归上传人(含作者)所有。第壹文秘仅提供信息存储空间,仅对用户上传内容的表现方式做保护处理,对上载内容本身不做任何修改或编辑。若文档所含内容侵犯了您的版权或隐私,请立即通知第壹文秘网,我们立即给予删除!

    收起
    展开