欢迎来到第壹文秘! | 帮助中心 分享价值,成长自我!
第壹文秘
全部分类
  • 幼儿/小学教育>
  • 中学教育>
  • 高等教育>
  • 研究生考试>
  • 外语学习>
  • 资格/认证考试>
  • 论文>
  • IT计算机>
  • 法律/法学>
  • 建筑/环境>
  • 通信/电子>
  • 医学/心理学>
  • ImageVerifierCode 换一换
    首页 第壹文秘 > 资源分类 > DOCX文档下载
    分享到微信 分享到微博 分享到QQ空间

    镗床保养标准.docx

    • 资源ID:463788       资源大小:25.85KB        全文页数:6页
    • 资源格式: DOCX        下载积分:5金币
    快捷下载 游客一键下载
    账号登录下载
    三方登录下载: 微信开放平台登录 QQ登录
    下载资源需要5金币
    邮箱/手机:
    温馨提示:
    快捷下载时,如果您不填写信息,系统将为您自动创建临时账号,适用于临时下载。
    如果您填写信息,用户名和密码都是您填写的【邮箱或者手机号】(系统自动生成),方便查询和重复下载。
    如填写123,账号就是123,密码也是123。
    支付方式: 支付宝    微信支付   
    验证码:   换一换

    加入VIP,免费下载
     
    账号:
    密码:
    验证码:   换一换
      忘记密码?
        
    友情提示
    2、PDF文件下载后,可能会被浏览器默认打开,此种情况可以点击浏览器菜单,保存网页到桌面,就可以正常下载了。
    3、本站不支持迅雷下载,请使用电脑自带的IE浏览器,或者360浏览器、谷歌浏览器下载即可。
    4、本站资源下载后的文档和图纸-无水印,预览文档经过压缩,下载后原文更清晰。
    5、试题试卷类文档,如果标题没有明确说明有答案则都视为没有答案,请知晓。

    镗床保养标准.docx

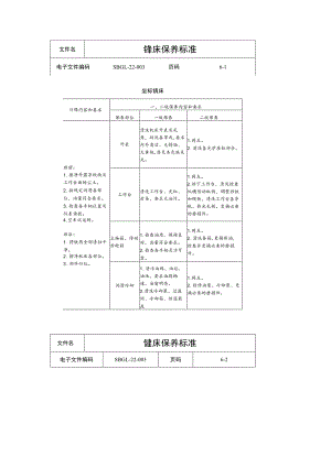
    文件名锋床保养标准电子文件编码SBGL-22-003页码6-1坐标镇床日保内容和要求一、二级保养内容和要求保养部位一级保养二级保养班前:1 .擦净外露导枕面及工作台面的尘土。2 .按规定润滑各部位,油量符合要求。3 .检查各手柄位置及仪表读数。4 .空车试运转。班后:1 .将铁屑全部清扫干净。2 .擦净机床各部位。3 .部件归位。外表清洗机床外表及死角,拆洗各罩或,要求内外清洁、无锈蚀、无黄袍,漆见本色铁见光。1 .同左。2 .清洗各光学座标部分。工作台清洗工作台、光杠、齿条,要求无油污。1 .同左。2 .拆下工作台,清洗检查纵横传动机构,调整挡铁和模铁,清洗工作台各导轨、修光毛刺。更换必要的磨损件。主轴箱、传动齿轮箱1.检查油质,保持良好,油量符合要求。2.检杳各手柄灵活可靠。1 .同左。2 .清洗各箱,更换新油,检查并更换必要的磨损件。洞滑冷却1 .清洁油阀、油毡、油池,要求油路畅通、油窗明亮。2 .清洗冷却泵、过滤网、冷却箱、恒温装JL1 .同左。2 .检修油泵、冷却泵、更换必要的磨损件。文件名健床保养标准电子文件编码SBGL-22-003页码6-2(续)同上电器清扫电机及电器箱内外尘土。1 .同左。2 .检修电器,根据需要拆洗电机更换油脂。精度不进行。检查几何精度,并调整使其达到原出厂标准。文件名键床保养标准电子文件编码SBGL-22-003页码6-3卧式镇床日保内容和要求一、二级保养内容和要求保养部位一级保养二级保养班前:1 .擦净外露导轨面及工作台面的尘土。2 .按规定润滑各部位,油量符合要求。3 .检查各手柄位置及仪表读数。4 .空车试运转。班后:】.将铁屑全部清扫干净。2 .擦净机床各部位。3 .部件归位。外表1 .清洗机床外表及死角,拆洗各罩盖.要求内外清洁、无锈蚀、无黄袍,漆见本色铁见光。2 .清除导轨面段碰毛刺。3 .检查补齐螺钉、手球、手柄。1 .同左。2 .对导轨面和滑动面的研伤部位进行必要的修复。3 .清洗刻度尺部分。主轴箱、传动齿轮箱1 .检查油质,保持良好,油量符合要求。2 .拆洗平旋盘。3 .检查调控各楔铁间隙、电机皮带、夹紧机构、平衡锤钢丝绳紧固情况。1 .同左。2 .清洗换油,检修并更换必要的磨损件。3 .清除主轴锥孔毛刺。4 .拆洗各夹紧机构及塞铁,并调整好间隙。工作台1 .清洗工作台、光杠、丝扣、要求无油污;清洗毡垫,要求使用有效。2 .调整档铁和楔铁间隙1 .同左。2 .拆下工作台,清洗检查纵横传动机构,调整档铁、楔铁间隙.更换必要的磨损件。文件名键床保养标准电子文件编码SBGL-22-003页码6-4(续)同上涧清冷却1 .清洁油阀、油毡、油池,要求油路扬通,油窗明亮。2 .清洗冷却泵、过滤网、冷却箱。1 .同左。2 .检修油泵、冷却泵,并更换必要的磨损件。电器清洁电机及电器箱内外尘土。】.同左。2.检修电器,根据需要拆洗电机,更换油脂。精度不进行。检查主要几何精度.并调整使其达到原出厂标准或满足生产工艺要求。文件名键床保养标准电子文件编码SBGL-22-003页码6-5金刚石镇床日保内容和要求一、二级保养内容和要求保养部位一级保养二级保养班前:1 .擦净外露导轨面及工作台面的尘土。2 .按规定润滑各部位,油量符合要求。3 .检查各手柄位置及仪表读数。4 .空车试运转。班后:1 .将铁屑全部清扫干净。2 .擦净机床各部位。3 .部件归位。外表1 .清洗机床外表及死角,拆洗各罩盖,要求内外清洁、无锈蚀、无黄袍,漆见本色铁见光。2 .清除导轨面磕碰毛刺,3 .检查补齐鳏打、手球、手柄。1 .同左。2 .对导轨面和滑动面的研伤部位进行必要的修复。3 .清洗刻度尺部分。工作台1 .清洗工作台各部位,要求无油污,清除毛剌。2 .检查各手动机构,要求灵活可靠。1 .同左。2 .拆下工作台,清洗检查各部位,更换必要的磨损件。滑座变速箱1 .检查油质,保持良好,油量符合要求。2 .调整滑座顶部,愉轮机构及传动皮带。3 .检查各手柄要求灵活可靠。1 .同左。2 .拆下滑座及变速箱,清洗换油,检查并更换必要的磨损件。文件名键床保养标准电子文件编码SBGL-22-003页码6-6(续)同上润滑1 .清洁油阀、油毡、油池,要求油路杨通,油窗明亮。2 .清洗滤油器:同左。电器清扫电机及电器箱内外尘土。1 .同左。2 .检修电器,根据需要拆洗电机更换油质。精度不进行。检查调整其主要几何精度达到原出厂标准或满足生产工艺要求。

    注意事项

    本文(镗床保养标准.docx)为本站会员(p**)主动上传,第壹文秘仅提供信息存储空间,仅对用户上传内容的表现方式做保护处理,对上载内容本身不做任何修改或编辑。 若此文所含内容侵犯了您的版权或隐私,请立即通知第壹文秘(点击联系客服),我们立即给予删除!

    温馨提示:如果因为网速或其他原因下载失败请重新下载,重复下载不扣分。




    关于我们 - 网站声明 - 网站地图 - 资源地图 - 友情链接 - 网站客服 - 联系我们

    copyright@ 2008-2023 1wenmi网站版权所有

    经营许可证编号:宁ICP备2022001189号-1

    本站为文档C2C交易模式,即用户上传的文档直接被用户下载,本站只是中间服务平台,本站所有文档下载所得的收益归上传人(含作者)所有。第壹文秘仅提供信息存储空间,仅对用户上传内容的表现方式做保护处理,对上载内容本身不做任何修改或编辑。若文档所含内容侵犯了您的版权或隐私,请立即通知第壹文秘网,我们立即给予删除!

    收起
    展开