欢迎来到第壹文秘! | 帮助中心 分享价值,成长自我!
第壹文秘
全部分类
  • 幼儿/小学教育>
  • 中学教育>
  • 高等教育>
  • 研究生考试>
  • 外语学习>
  • 资格/认证考试>
  • 论文>
  • IT计算机>
  • 法律/法学>
  • 建筑/环境>
  • 通信/电子>
  • 医学/心理学>
  • ImageVerifierCode 换一换
    首页 第壹文秘 > 资源分类 > DOCX文档下载
    分享到微信 分享到微博 分享到QQ空间

    车床保养标准.docx

    • 资源ID:463581       资源大小:41.40KB        全文页数:9页
    • 资源格式: DOCX        下载积分:5金币
    快捷下载 游客一键下载
    账号登录下载
    三方登录下载: 微信开放平台登录 QQ登录
    下载资源需要5金币
    邮箱/手机:
    温馨提示:
    快捷下载时,如果您不填写信息,系统将为您自动创建临时账号,适用于临时下载。
    如果您填写信息,用户名和密码都是您填写的【邮箱或者手机号】(系统自动生成),方便查询和重复下载。
    如填写123,账号就是123,密码也是123。
    支付方式: 支付宝    微信支付   
    验证码:   换一换

    加入VIP,免费下载
     
    账号:
    密码:
    验证码:   换一换
      忘记密码?
        
    友情提示
    2、PDF文件下载后,可能会被浏览器默认打开,此种情况可以点击浏览器菜单,保存网页到桌面,就可以正常下载了。
    3、本站不支持迅雷下载,请使用电脑自带的IE浏览器,或者360浏览器、谷歌浏览器下载即可。
    4、本站资源下载后的文档和图纸-无水印,预览文档经过压缩,下载后原文更清晰。
    5、试题试卷类文档,如果标题没有明确说明有答案则都视为没有答案,请知晓。

    车床保养标准.docx

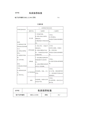
    文件名车床保养标准电子文件编码SBGL-22-001页码9-1六角车床日保内容和要求一、二级保养内容和要求保养部位一级保养二级保养班前:1 .擦净机床外露导轨面及滑动面的尘土。2 .按规定润滑各部位。3 .检查各手柄位置。4 .空车试转。班后:1 .将铁屑全部清扫干净。2 .擦净机床各部位。3 .部件归位。床头箱1 .拆洗滤油器。2 .检查主轴定位埋丝,调接适当。3 .调整摩擦片间隙和刹车带。1 .同左。2 .清洗换油。3 .检查并更换必要的磨损件。刀架及拖板1 .拆洗刀架、小拖板中溜板各件。2 .安装时调整好中溜板、小拖板的丝扣间隙和塞铁间隙。1 .同左2 .拆洗大拖板,疏通油路、疥除毛刺。3 .检查并更换必要的磨损件。挂轮箱1 .拆洗挂轮及挂轮架并检查轴套有无晃动现象。2 .安装时调整好齿轮间隙并注入新油膈。1 .同左。2 .检查并更换必要的磨损件。走刀箱溜板箱济洗油线、油毡,注入新油。1 .同左。2 .走刀箱、溜板箱整体拆下,清洗检查并更换必要的磨损件。转塔拆洗转塔,检查定位装置是否可靠。1 .同左。2 .检修转塔、要求定位正确可靠。文件名车床保养标准电子文件编码SBGL-22-001页码9-2同上外表1 .清洗机床外表及死角,拆洗各革盖,要求内外清洁、无锈蚀、无黄袍,漆见本色铁见光。2 .常洗三杠及齿条要求无油污。3 .检查补齐螺钉、手球、手板。1 .同左。2 .检查导轨面,修光毛刺,对研伤部位进行必要的修复。润滑冷却1清洗冷却泵、冷却槽。2 .检查油质保持良好.油杯齐全。油窗明亮。3 .清洗油线、油卷,注入新油要求油路畅通。1 .同左。2 .拆洗油泵,检查并更换必要的磨损件。电器清扫电机及电器箱内外尘土。1 .同左。2 .检修电器,根据需要拆洗电机更换油脂。精度不进行。检查并调整使主要几何精度能达到出厂标准,或满足生产工艺要求。文件名车床保养标准电子文件编码SBGL-22-001页码9-3立式车床日保内容和要求一、二级保养内容和要求保养部位一级保养二级保养班前:1 .擦净机床各部外露导轨及济切面的尘Xo2 .按超定润滑5部位,油量符合妥求。3 .检查各手柄位置。4 .空车试运转。班后:1 .将铁屑全部清扫干净。2 .擦净机床各部位。3 .部件归位。外表1 .清洗机床外衣及死角.拆洗各罩盖.要求内外清洁、无锈蚀、无黄袍,漆见本色铁见光。2 .清洁丝杠、光杠、齿条,要求无油污。3:检查补齐螺灯、手球、手扁。1 .同左。2 .检查导轨面,修光毛刺,对研伤部位进行必要的修复。横柱作、£工架、轨。刀梁导台1 .清洗各导轨、油路、油毡,要求油路畅通,油毡有灰,注入断油。2 .检走调整塞铁向隙。1 .同左。2 .刀架整体拆下,清洗导轨.畅通油路、修光毛刺,检查并更换必要的磨损件,疗研伤部位进行必要的修复。3 .拆洗工作台,检查并更换必要的磨损件。传动箱检查油质保持艮好,油杯齐全,油量符合要求.油窗明亮。1 .同左。2 .检查各齿轮箱传动机扃并更联必赛晶庭损件。3 .检查调整变速联锁、定位,要求正确可重。润滑、液压1 .润滑各部位要求油路杨通,油线、油毡清洁.油管闻牢.无泄漏。2 .检泡油压表及卸荷机扁。1 .同左。2 .检查油泵及管路,要求油管排列整齐、油路杨通,调整各阀使其油压正常。电器清扫电机及电器箱内外尘土。1 .同左。2 .检修电器根据需要拆洗电机更换油脂。3 .检修电磁阀。精度不进行。检查并调整使其主要几何精度能达到出厂标准或满足生产工艺要求。文件名车床保养标准电子文件编码SBGL-22-001页码9-4普通车床日保内容和要求一、二级保养内容和要求保养部位一级保养二级保养班前:1 .擦净机床外露导轨及滑动面的尘土。2 .按规定润滑各部位。3 .检查各手柄位置。4 .空车试运转。班后:1 .将铁屑全部清扫干净。2 .擦净机床各部位。3 .部件归位。床头箱1 .拆洗滤油器。2 .检查主轴定位螂丝,调整适当,3 .调整磨擦片间隙和刹车阀。4 .检查油质保持良好。1 .同左;J2 .清洗换油。3 .检查并更换必要的磨损件。刀架及拖板1 .拆洗刀架、小拖板、中溜板各件。2 .安装时调整好中溜板、小施板的丝杠间隙和塞铁间E轧1 .同左。2 .拆洗大拖板.疏通油路,清除毛刺。3 .检查并更换必要的磨损件。挂轮箱1 .拆洗挂轮及挂轮架并检查轴套有无晃动现象。2 .安装时调整好齿轮间隙,并注入新油脂。1 .同左。2 .检查并更换必要的磨损件。尾座1 .拆洗尾座各部。2 .清除研伤毛刺.检查丝扣、丝母间隙。3 .m装时要求达到灵活可靠。1 .同左。2 .检查、修复尾座套筒雉度。3 .检查.并更换必要的磨损件。走刀箱溜板箱清洗油线,注入新油。定刀箱及溜板箱整体拆下清洗检查并更换必要的磨损件。文件名车床保养标准电子文件编码SBGL-22-001页码9-5同上外表1 .清洗机床外袅及死角,拆洗各罩玄,要求内外清洁、无锈蚀、无黄袍,漆见本色铁见光。2 .清洗三杠及齿条,要求无油污。3 .检查补齐螺钉、手球、手柄。1 .同左。2 .检查导轨面.修光毛剌,对研伤部位进行修复。润滑冷却1 .清洗冷却泵、冷却槽。2 .检查油质,保持良好,油杯齐全,油窗明亮。3 .清洗油线、油毡,注入新油,要求油路畅通。】同左。2.拆洗油泵检查并更换必要的磨损件。电器清扫电机及电器箱内外尘土。1同左。2.检修电器,根据需要拆洗电机更换油脂。精度不进行。检查并调整使其主要几何精度能达到出厂标准或满足生产工艺要求。文件名车床保养标准电子文件编码SBGL-22-001页码9-6多刀仿型车床日保内容和要求一、二级保养内容和要求保养部位一级保养二级保养班前:1 .擦净机床外露导枕及滑动面的尘土。2 .按规定润滑各部位。3 .空车试运转。£后1 .将铁屑全部清扫干净C2 .擦净机床各部位。主轴箱1 .清洗毛线,疏通油孔。2 .检查挂轮啮合是否合适,螺母、挡圄止动销是否锁紧可靠。3 .油标酰目。4 .箱盖封闭所缺少的螺钉应补齐。1 .清洗,换油,更换新毛线。2 .检查主轴的轴向与径向间隙不大于002毫米,如超差应进行必要的调整。3 .检查各传动轴、轴承齿轮,如有损坏应提出更换。挂轮架清洗毛线,碇通油孔,】.清洗,换油,更换线。2.检查调整齿轮间隙.更换磨损的轴承和齿轮。走刀架1 .清理铁屑及油垢。2 .油标醒目。1 .清洗换油,疏通油孔,加入新润滑油。2 .检查各传动部位,更换磨损件。3 .调整丝杠接头间隙.使轴向窜动不大于0.02毫米。前刀架及溜板箱1 .拆洗前刀架,清除毛札2 .拆洗崩刀板、滑板3.检查泗滑油泵是否上油泗滑,是否良好,4.调整前刀架料铁。1 .清洗溜板箱,检查各零部件,如有损坏应更换。2 .清洗油泵。后刀架及传动箱1 .清洗导轨面,使无污物。2 .清洗毛线,疏通油孔。3 .清洗毛毡垫。4 .拆下斜救清洗,并调整合适。1 .清洗传动箱。2 .检查各零部件,如有损坏应更换。3 .清除后刀架毛刺,进行必要的刮研及修磨。文件名车床保养标准电子文件编码SBGL-22-001页码9-7同上电器部分清扫电器箱内外,无油污和杂物。1 .更换电机润滑油,必要时更换轴承。2 .检查各电器元件,安全可靠,更换损坏件。抱间1 .检查抱回零件的磨损情况和有无缺损。2 .调整抱闸。同左。床身外表清扫设备外表及各死角的积尘和油垢,做到漆见本色铁见光。同左。液压部分清洗滤油器.视油质情况必要时更换新油。1 .必要时更换滤油器纱网。2 .清洗、检查油泵,性能良好。3 .检查各工作油虹的密封是否良好,动作是否灵敏可靠。4 ,清洗各液压阀,必要时用细油石修正各阀芯的毛刺。5 .液压系统各管路,接头应密封良好。文件名车床保养标准电子文件编码SBGL-22-001页码9-8铲齿车床日保内容和要求一、二级保养内容和要求保养部位一级保养二级保养班前:1 .擦净外露导就面的尘土。2 .按规定润滑各部位,油量苻合要求。3 .检查各手柄位置4 .空车试运转。班后:1 .将铁屑全部清扫干净。2 .擦净机床各部位。3 .部件归位。外表1 .清洗机床外表及死角.拆洗各罩盖,要兼内夕卜备洁、无锈蚀、无黄袍、漆见本包铁见光。2 .清洗三杠、齿条、要聚无油污。3 .检查补齐塔钉、手球、手板。1同左。2.检查导轨面.修光毛刺.对研伤部位进行必要的修复。床头箱1 .检查油质保持良好,油量符合要求。2 .检查主轴定位鳏丝,调整适当,调整磨擦片间隙和刹车阀。】.同左。2.需洗、换油、检查并更换必要的磨损件。刀架及拖板1 .拆洗刀架、三层拖板、磨头架。2 .安装时调整好丝杠间隙和塞铁间隙。】.同左。2 .拆洗大拖板。疏通油路,清除毛刺。3 .检修并更换必要的磨损件。走刀箱、挂轮箱差动位置1 .拆洗挂轮及挂轮架,并检查轴套有无晃动现象。2 .清洗油线、油毡、油垫,调整挂轮间隙,注入新油脂。1 .同左。2 .拆洗各部.更换新油脂。3 .检修并更换必要的磨损件。星座1 .拆洗尾座各部。2 .清除研伤毛刺,检查丝杠、丝母间隙3 .土装时要求达到灵活可靠。】.同左。2 .检炎.修复是座套箭锥度。3 .检查并更换必要的磨损件。文件名车床保养标准电子文件编码SBGL-22-001页码9-9同上润滑冷却1 .清洗冷却泵、冷却槽、过滤器。2 .检查油质保持良好,油杯齐全,油窗明亮。3 .清洗油线油毡,注入新油,要求油路扬通。1 .同左。2 .拆洗油泵,检查并更换必要的磨损件。吸尘器清扫吸尘器1 .同左。2 .拆洗吸尘器,检查并更换必要的磨损件。电器清扫电机及电器箱内外尘土。1 .同左。2 .检查电器,要求各线路牢固整齐,根据需要拆洗电机更换油脂。精度不进行。检查并调整使其主要几何精度能达到原出厂标准或满足生产工艺要求。

    注意事项

    本文(车床保养标准.docx)为本站会员(p**)主动上传,第壹文秘仅提供信息存储空间,仅对用户上传内容的表现方式做保护处理,对上载内容本身不做任何修改或编辑。 若此文所含内容侵犯了您的版权或隐私,请立即通知第壹文秘(点击联系客服),我们立即给予删除!

    温馨提示:如果因为网速或其他原因下载失败请重新下载,重复下载不扣分。




    关于我们 - 网站声明 - 网站地图 - 资源地图 - 友情链接 - 网站客服 - 联系我们

    copyright@ 2008-2023 1wenmi网站版权所有

    经营许可证编号:宁ICP备2022001189号-1

    本站为文档C2C交易模式,即用户上传的文档直接被用户下载,本站只是中间服务平台,本站所有文档下载所得的收益归上传人(含作者)所有。第壹文秘仅提供信息存储空间,仅对用户上传内容的表现方式做保护处理,对上载内容本身不做任何修改或编辑。若文档所含内容侵犯了您的版权或隐私,请立即通知第壹文秘网,我们立即给予删除!

    收起
    展开