欢迎来到第壹文秘! | 帮助中心 分享价值,成长自我!
第壹文秘
全部分类
  • 幼儿/小学教育>
  • 中学教育>
  • 高等教育>
  • 研究生考试>
  • 外语学习>
  • 资格/认证考试>
  • 论文>
  • IT计算机>
  • 法律/法学>
  • 建筑/环境>
  • 通信/电子>
  • 医学/心理学>
  • ImageVerifierCode 换一换
    首页 第壹文秘 > 资源分类 > DOCX文档下载
    分享到微信 分享到微博 分享到QQ空间

    单位火灾隐患清单.docx

    • 资源ID:461432       资源大小:33.35KB        全文页数:15页
    • 资源格式: DOCX        下载积分:5金币
    快捷下载 游客一键下载
    账号登录下载
    三方登录下载: 微信开放平台登录 QQ登录
    下载资源需要5金币
    邮箱/手机:
    温馨提示:
    快捷下载时,如果您不填写信息,系统将为您自动创建临时账号,适用于临时下载。
    如果您填写信息,用户名和密码都是您填写的【邮箱或者手机号】(系统自动生成),方便查询和重复下载。
    如填写123,账号就是123,密码也是123。
    支付方式: 支付宝    微信支付   
    验证码:   换一换

    加入VIP,免费下载
     
    账号:
    密码:
    验证码:   换一换
      忘记密码?
        
    友情提示
    2、PDF文件下载后,可能会被浏览器默认打开,此种情况可以点击浏览器菜单,保存网页到桌面,就可以正常下载了。
    3、本站不支持迅雷下载,请使用电脑自带的IE浏览器,或者360浏览器、谷歌浏览器下载即可。
    4、本站资源下载后的文档和图纸-无水印,预览文档经过压缩,下载后原文更清晰。
    5、试题试卷类文档,如果标题没有明确说明有答案则都视为没有答案,请知晓。

    单位火灾隐患清单.docx

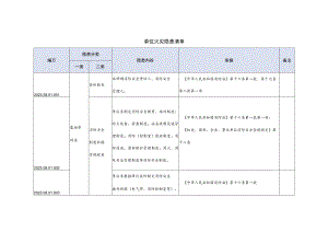
    单位火灾隐患清单编万隐患分类隐患内谷依据备注一类二类2023.08.01.001基础资料类责任制类未明确消防安全责任人、消防安全管理人。中华人民共和国消防法第十六条第二款、第十七条第二款第一项2023.08.01.002消防安全制度和操作规程类单位未制定消防安全教育、培训制度;防火巡查、检查制度;安全疏散设施管理制度;消防(控制室)值班制度;消防设施、器材维护管理制度;用火、用电安全管理制度等消防安全制度。中华人民共和国消防法第十六条第一款第一项;机关、团体、企业、事业单位消防安全管理规定第十八条2023.08.01.003单位未根据单位实际制定消防安全操作规程(电气焊、消防控制室等)。中华人民共和国消防法第十六条第一款2023.08.01.004单位未定期进行内部消防安全检查,未对火灾隐患以及整改措施进行登记建档,并由检查人员和有关责任人签字确认。北京市消防安全责任监督管理办法第十二条2023.08.01.005单位未及时对检查发现火灾隐患进行整改消除。北京市消防条例第十二条第一款第五项;北京市消防安全责任监督管理办法第十三条2023.08.01.(X)6混合生产经营场所未明确统一管理单位,各单位之间消防安全责任不明晰,没有物业管理单位或明确牵头单位,对共用的疏散通道、安全出口、建筑消防设施等缺乏管理。中华人民共和国消防法第十八条第一款2023.08.01.007单位未落实建筑消防设施每年至少一次全面检测,并留存检测记录备中华人民共和国消防法第十六条第一款第三项;北京市消防条例第十二条第一款第三项查。2023.08.01.008单位未制定灭火和应急疏散预案,组织开展针对性消防演练。中华人民共和国消防法第十六条第一款第一项;北京市消防条例第十二条第一款第一项2023.08.01.009混合生产经营场所未建立消防联勤联动机制,在发生火灾时无法及时有效通知相邻单位并组织人员疏散逃生。多产权建筑消防安全管理第5.7.1、5.7.2、5.7.3条2023.08.01.010未按要求建立微型消防站或明确初期火灾扑救力量。机关、团体、企业、事业单位消防安全管理规定第二十三条;人员密集场所消防安全管理第6.4条2023.08.01.011设备设施类消火栓消火栓被埋压、圈占、遮挡。中华人民共和国消防法第二十八条2023.08.01.012消火栓损坏,存在阀门松动、卡死或漏水现象;消防管网无水。中华人民共和国消防法第十六条第一款第二项;北京市消防安全责任监督管理办法第八条第五项2023.08.01.013消火栓内未配置水枪、水带;水带使用绳线捆扎,不能及时展开使用。中华人民共和国消防法第十六条第一款第二项;北京市消防安全责任监督管理办法第八条第五项2023.08.01.014防火门、防火卷帘防火门闭门器、顺序器损坏或缺失。中华人民共和国消防法第十六条第一款第二项;北京市消防安全责任监督管理办法第八条第六项2023.08.01.015防火卷帘两侧0.5m范围内堆放物品或设置障碍物。中华人民共和国消防法第十六条第一款第二项;北京市消防安全责任监督管理办法第八条第六项2023.08.01.016防火卷帘破损,或导轨运行不平稳出现脱轨及明显倾斜现象。中华人民共和国消防法第十六条第一款第二项;北京市消防安全责任监督管理办法第八条第六项2023.08.01.017灭火器灭火器软管损坏、桶体明显锈蚀;灭火器压力不符合标准,压力指针不在压力表绿区范围内。中华人民共和国消防法第十六条第一款第二项;北京市消防安全责任监督管理办法第八条第五项2023.08.01.018自动灭火系统、火灾自旅馆、公共娱乐场所、商店、地下人员密集场所未按国家工程建设消重大火灾隐患判定方法第6.6条动报警系统防技术标准的规定设置自动喷水灭火系统或火灾自动报警系统。2023.08.01.019已设置自动喷水灭火系统或火灾自动报警系统,未保持正常使用或运行的。中华人民共和国消防法第十六条第一款第二项2023.08.01.020防排烟设施未按照国家工程建设消防技术标准低额规定设置防烟、排烟设施,或已设置但不能正常使用或运行。中华人民共和国消防法第十六条第一款第二项;北京市消防安全责任监督管理办法第八条第六项2023.08.01.021消防水源未按照国家工程建设消防技术标准设置消防水源。中华人民共和国消防法第十六条第一款第二项;北京市消防安全责任监督管理办法第八条第六项2023.08.01.022灭火救援设施单位未在消防车通道实施划线、标示设置。关于加强消防车通道和消火栓管理工作的通告第一条2023.08.01.023建筑周边设置建筑、设施、设备等占用消防车通道,净宽度和净空高度小于4米。中华人民共和国消防法第十六条第一款第四项;北京市消防条例第二十五条第一款第三项;建筑设计防火规范GB50016-2014(2018版)第7.1.8.1条2023.08.01.024单位未对其管理区域内室外消火栓井盖喷涂或设置醒目标志。关于加强消防车通道和消火栓管理工作的通告第二条2023.08.01.025在施划标志的消防车通道和地下消火栓上边停放车辆以及进行上锁、打桩、堆物、摆摊等行为。关于加强消防车通道和消火栓管理工作的通告第三条2023.08.01.026电气设备电器产品、燃气用具的安装、使用及其线路、管路的设计、敷设、维护保养、检测,不符合消防技术标准和管理规定。中华人民共和国消防法第二十七条第二款2023.08.01.027在有可燃物的闷顶、吊顶内,配电线路未采取穿金属管、金属线盒等防火保护措施;配电箱直接设置在可燃装修材料上。中华人民共和国消防法第二十七条第二款;建筑设计防火规范第10.2.3条;民用建筑电气设计标准第8.1.6条2023.08.01.028采购电气、电热设备,未选用合格产品,并应符合有关安全标准的要求。中华人民共和国消防法第二十七条第一款;2023.08.01.029公共娱乐场所各种灯具距离周围窗帘、幕布、布景等可燃物小于0.5m。人员密集场所消防安全管理第&4.5条2023.08.01.030人员类人员培训类未对消防设备操作人员、专兼职防火人员等重点岗位人员开展培训。北京市消防条例第十二条第一款第六项2023.08.01.031未开展消防安全宣传教育和消防知识培训,未定期进行灭火技术训练。北京市消防安全责任监督管理办法第八条第三项2023.08.01.032消防中控室类未实行每日24小时、每班至少2人的值班制度。消防控制室通用技术要求(GB25506-2010)第4.2.1条a项2023.08.01.033消防控制室值班人员擅离职守。北京市消防条例第十二条第一款第八项2023.08.01.034未完整填写消防控制室值班记录表,消防设施运行情况、故障情况等信息填写不全。建筑消防设施的维护管理(GB25201-2010)第5.2条b项2023.08.01.035资格资质类值班人员未持有消防控制室操作职业资格证书,不掌握消防安全操作规程。中华人民共和国消防法第二十一条第二款2023.08.01.036电焊、气焊等具有火灾危险作业的人员未持证上岗,不掌握消防安全操作规程。中华人民共和国消防法第二十一条第二款2023.08.01.037操作行为类使用明火作业未按规定事先办理审批手续,未落实指定专人现场看护、配备灭火器材等消防安全措施。中华人民共和国消防法第二十一条第一款2023.08.01.038在具有火灾、爆炸危险的场所吸烟、使用明火。中华人民共和国消防法第二十一条第一款2023.08.01.039人员密集场所在营业时间进行动火作业。人员密集场所消防安全管理GB/T40248-2021第7.9.2条2023.08.01.040员工宿舍、值班室违规使用热得快、小太阳、电褥子、电炉子等大功率电热器具。中华人民共和国消防法第二十七条第二款2023.08.01.041电动自行车及其蓄电池未在符合标准的场所(宿舍、办公区、建筑内部公共区域)进行停放、充电。电动自行车停放场所防火设计标准DBU/1624-2019第9.0.3条2023.08.01.042可燃材料库房违规使用电炉、电烙铁、电熨斗、电热水器等电热器具和电视机、电冰箱、饮水机等家用电器;违规设置碘铐灯等高温照明灯具。仓储场所消防安全管理通则第8.7条;仓储场所消防安全管理通则第8.2条2023.08.01.043人防工程和普通地下室违规使用液化石油气。北京市消防条例第二十六条第一款第四项2023.08.01.()44在人员密集场所违反消防安全规定使用、存储或销售易燃易爆危险品。重大火灾隐患判定方法第6.8条2023.08.01.045开关、插座和照明灯具靠近可燃物时,未采取隔热、散热等防火措施。建筑设计防火规范GB50016-2014(2018年版)第10.2.4条2023.08.01.046食品生产加工、餐饮服务企业和单位食堂未按规范清洗集排油烟设北京市消防条例第三十二条施。2023.08.01.047医院、养老院的制氧站、氧气瓶间违规使用非防爆电器设备;使用锂离子电池的医疗设备、轮椅未在指定安全区域充电。中华人民共和国消防法第二十七条第二款;202308.01.048场所环境类建筑防火类生产、储存、经营易燃易爆危险品场所与居住场所设置在同一建筑物内(“三合一”场所)。中华人民共和国消防法第十九条第一款;重大火灾隐患判定方法第6.2条2023.08.01.049生产、储存、经营其他物品的场所与居住场所设置在同一建筑物内,未采取实体墙进行防火分隔且无独立疏散设施(“三合一”场所)。中华人民共和国消防法第十九条第二款2023.08.01.050擅自改变场所火灾危险性定性,如丁戊类厂房用作丙类生产储存、丙类厂房用作甲乙类生产储存,增大火灾危险性。重大火灾隐患判定方法第7.9.1条2023.08.01.051甲、乙类生产场所和仓库设置在建筑的地下室或半地下室。重大火灾隐患判定方法第6.4条;2023.08.01.052托儿所、幼儿园的儿童活动用房及老年人活动场所,所在楼层不符合国家工程建设消防技术标准。

    注意事项

    本文(单位火灾隐患清单.docx)为本站会员(p**)主动上传,第壹文秘仅提供信息存储空间,仅对用户上传内容的表现方式做保护处理,对上载内容本身不做任何修改或编辑。 若此文所含内容侵犯了您的版权或隐私,请立即通知第壹文秘(点击联系客服),我们立即给予删除!

    温馨提示:如果因为网速或其他原因下载失败请重新下载,重复下载不扣分。




    关于我们 - 网站声明 - 网站地图 - 资源地图 - 友情链接 - 网站客服 - 联系我们

    copyright@ 2008-2023 1wenmi网站版权所有

    经营许可证编号:宁ICP备2022001189号-1

    本站为文档C2C交易模式,即用户上传的文档直接被用户下载,本站只是中间服务平台,本站所有文档下载所得的收益归上传人(含作者)所有。第壹文秘仅提供信息存储空间,仅对用户上传内容的表现方式做保护处理,对上载内容本身不做任何修改或编辑。若文档所含内容侵犯了您的版权或隐私,请立即通知第壹文秘网,我们立即给予删除!

    收起
    展开