欢迎来到第壹文秘! | 帮助中心 分享价值,成长自我!
第壹文秘
全部分类
  • 幼儿/小学教育>
  • 中学教育>
  • 高等教育>
  • 研究生考试>
  • 外语学习>
  • 资格/认证考试>
  • 论文>
  • IT计算机>
  • 法律/法学>
  • 建筑/环境>
  • 通信/电子>
  • 医学/心理学>
  • ImageVerifierCode 换一换
    首页 第壹文秘 > 资源分类 > DOCX文档下载
    分享到微信 分享到微博 分享到QQ空间

    注射用水检验原始记录模板.docx

    • 资源ID:448617       资源大小:52.85KB        全文页数:5页
    • 资源格式: DOCX        下载积分:5金币
    快捷下载 游客一键下载
    账号登录下载
    三方登录下载: 微信开放平台登录 QQ登录
    下载资源需要5金币
    邮箱/手机:
    温馨提示:
    快捷下载时,如果您不填写信息,系统将为您自动创建临时账号,适用于临时下载。
    如果您填写信息,用户名和密码都是您填写的【邮箱或者手机号】(系统自动生成),方便查询和重复下载。
    如填写123,账号就是123,密码也是123。
    支付方式: 支付宝    微信支付   
    验证码:   换一换

    加入VIP,免费下载
     
    账号:
    密码:
    验证码:   换一换
      忘记密码?
        
    友情提示
    2、PDF文件下载后,可能会被浏览器默认打开,此种情况可以点击浏览器菜单,保存网页到桌面,就可以正常下载了。
    3、本站不支持迅雷下载,请使用电脑自带的IE浏览器,或者360浏览器、谷歌浏览器下载即可。
    4、本站资源下载后的文档和图纸-无水印,预览文档经过压缩,下载后原文更清晰。
    5、试题试卷类文档,如果标题没有明确说明有答案则都视为没有答案,请知晓。

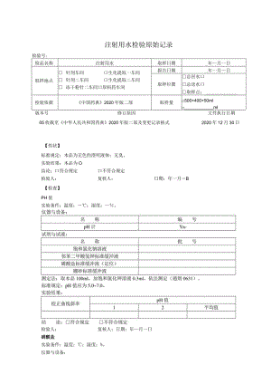
    注射用水检验原始记录模板.docx

    注射用水检验原始记录检验号:检品名称注射用水取样日期_年月一日取样地点 针剂车间口生化提取一车间 针剂二车间口生化提取二车间 冻干粉针二车间口原料药车间报告日期_年一月日取样位置总回水口总送水口取样点:检验依据中国药典2020年版二部取样量500+400+50mIml版本号修订原因文件执行日期05收载至中华人民共和国药典2020年版二部及变更记录格式2020年12月30日【性状】标准规定:本品为无色的澄明液体;无臭。实验结果:本品为O结论:口符合规定口不符合规定检验人:复核人:日期:年一月B【检查】PH值实验条件:温度:;湿度:。检验人:复核人:日期:年月一日硝酸盐实验条件:温度:;湿度:%。仪器与设备:名称编号恒温水浴锅Yn-试剂与试液:名称批号10%氯化钾溶液0.1%二苯胺硫酸溶液硫酸标准硝酸盐溶液检查法:取本品5ml置试管中,于冰浴中冷却,加10%氯化钾溶液0.4ml与0.1%二苯胺硫酸溶液OJml,摇匀,缓缓滴加硫酸5ml,摇匀,将试管于50水浴中放置15分钟,溶液产生的蓝色与标准硝酸盐溶液取硝酸钾0.163g,加水溶解并稀释至100m1,摇匀,精密量取1ml,加水稀释成100ml,再精密量取IomI,力口水稀释成100ml,摇匀,即得(每Iml相当于lgNO3)0.3ml,加I无硝酸盐的水4.7ml,用同一方法处理后的颜色比较。标准规定:样品溶液产生的蓝色不得更深(0.000006%)。实验结果:样品溶液产生的蓝色更。结论:口符合规定口不符合规定检验人:复核人:日期:年一月S亚硝酸盐实验条件:温度:;湿度:。试剂与试液:名称批号对氨基苯磺酰胺的稀盐酸溶液(l100)盐酸泰乙二胺溶液(0.1TlOo)标准亚硝酸盐溶液检查法:取本品IOmL置纳氏管中,加对氨基苯磺酰胺的稀盐酸溶液(l100)Iml与盐酸蔡乙二胺溶液(0.1100)ImL产生的粉红色,与标准亚硝酸盐溶液取亚硝酸钠0.75Og(按干燥品计算),加水溶解,稀释至100mL摇匀,精密量取1ml,加水稀释成100ml,摇匀,再精密量取Iml,加水稀释成50ml,摇匀,即得(每ImI相当于lgNO2)02ml,加无亚硝酸盐的水9.8ml,用同一方法处理后的颜色比较。标准规定:样品溶液产生的粉红色不得更深(0.000002%)。实验结果:样品溶液产生的粉红色更O结论:口符合规定口不符合规定检验人:复核人:日期:年一月一日氨实验条件:温度:;湿度:%0试剂与试液:名称批号碱性碘化汞钾试液氯化核溶液检查法:取本品50ml,加碱性碘化汞钾试液2ml,放置15分钟;如显色,与对照用氯化彼溶液(取氯化钺31.5mg,加无氨水适量使溶解并稀释成IOoomI)1.0ml,加无氨水48ml与碱性碘化汞钾试液2ml制成的对照液比较。标准规定:样品溶液产生的颜色不得更深(0.00002%)o实验结果:样品溶液产生的颜色更O结论:口符合规定不符合规定检验人:复核人:日期:年月日电导率实验条件:温度:;湿度:%o仪器与设备:名称编号电导率仪Yn-测定法:取本品,调节温度至25,测定电导率。标准规定:不得过1.3Scm.(超警戒限度1.1口超纠编限度L2口超合格限度1.3)实验结果:Scm.,结论:口符合规定口不符合规定检验人:复核人:日期:年月日总有机碳实验条件:温度:;湿度:。仪器与设备:名称编号总有机碳测定仪Yn-测定法:取本品,调节温度至25,测定电导率。标准规定:不得过050mgL°(超警戒限度0.30/口超纠编限度0.40/口超合格限度0.50)实验结果:mg/Lo结论:口符合规定不符合规定检验人:复核人:日期:年月B不挥发物实验条件:温度:;湿度:。仪器与设备:名称编号电热鼓风干燥箱Yn-万分之一电子天平Yn-恒温水浴锅测定法:取本品100ml,置105恒重的蒸发皿中,在水浴上蒸干,并在105°C干燥至恒重。标准规定:遗留残渣不得过Img。实验结果:皿恒重1(g)皿恒重2(g)皿+样恒重1(g)皿+样恒重2(g)遗留残渣重(g)结论:口符合规定不符合规定检验人:复核人:日期:年一月日重金属实验条件:温度:;湿度:%o试剂与试液:名称批号醋酸盐缓冲液(pH3.5)硫代乙酰胺试液标准铅溶液检查法:取本品IoOmL加水19ml,蒸发至20ml,放冷,加醋酸盐缓冲液(pH3.5)2ml与水适量使成25ml,加硫代乙酰胺试液2ml,摇匀,放置2分钟,与标准铅溶液LOml加水19ml用同一方法处理后的颜色比较。标准规定:样品溶液产生的颜色不得更深(0.00001%)O实验结果:样品溶液产生的颜色更。结论:口符合规定口不符合规定检验人:复核人:日期:年月日细菌内毒素实验条件:温度:0Ci湿度:%。仪器与设备:名称编号试管恒温仪Yn-旋涡混合仪Yn-试剂与试液:名称规格批号细菌内毒素工作标准品EU/支赏试剂0.25EUml细菌内毒素检查用水ml/支检查法:A供试品溶液的制备:取本品,即得。B供试品阳性对照溶液的制备:取细菌内毒素工作标准品1支,加细菌内毒素检查用水ml使溶解,用封口膜将瓶口封严,于旋涡混合仪上混匀15分钟,制成IOEU/ml的溶液,再取0.1ml,加供试品溶液l9ml,于旋涡混合仪上混匀30秒,制成05EUml(2)的溶液,即得供试品阳性对照溶液。C阳性对照溶液的制备:将“供试品溶液”替换为“细菌内毒素检查用水”,其余依“B供试品阳性对照溶液的制备”方法制备,即得阳性对照溶液。D阴性对照溶液的制备:取细菌内毒素检查用水,即得。取0.25EUml邕试剂8支,每支加细菌内毒素检查用水SlmL待邕试剂充分溶解后,于1、2号管中各加入A溶液0.1ml,3、4号管中各加入B溶液0.1ml,5、6号管中各加入C溶液O.lml,7、8号管中各加入D溶液0.1ml。轻轻混匀,用封口膜封口,垂直放入37°C±1C的试管恒温仪中,保温60分钟±2分钟。若A溶液的1、2号管中,一管为阳性,另一管为阴性,需取A溶液另做4支平行管进行复试,若均为阴性,则判定供试品符合规定,否则判定供试品不符合规定。标准规定:每ImI中含内毒素的量应小于0.25EU。实验结果:试验组ABCD12345678初试*复试*9*10*11*12结论:口符合规定口不符合规定检验人:复核人:日期:年月日微生物限度薄膜过滤法仪器与设备:名称编号微生物过滤器Yn-超净台Yn-试剂与试液:名称批号R2A琼脂培养基检查法:将供试品外壁消毒,取本品100mL用薄膜过滤法抽滤,取出滤膜,菌面朝上贴于R2A琼脂培养基平板上,3035°C培养5天,以相当于IoOml供试品的菌落数报告菌数。标准规定:10Oml供试品中需氧菌总数不得过IoCfu。实验结果:需氧菌息数cfu/1OOml供试品阴性对照(超警戒限度5口超纠编限度8口超合彳格限度10)结论:口符合规定不符合规定检验人:复核人:日期:年月日

    注意事项

    本文(注射用水检验原始记录模板.docx)为本站会员(p**)主动上传,第壹文秘仅提供信息存储空间,仅对用户上传内容的表现方式做保护处理,对上载内容本身不做任何修改或编辑。 若此文所含内容侵犯了您的版权或隐私,请立即通知第壹文秘(点击联系客服),我们立即给予删除!

    温馨提示:如果因为网速或其他原因下载失败请重新下载,重复下载不扣分。




    关于我们 - 网站声明 - 网站地图 - 资源地图 - 友情链接 - 网站客服 - 联系我们

    copyright@ 2008-2023 1wenmi网站版权所有

    经营许可证编号:宁ICP备2022001189号-1

    本站为文档C2C交易模式,即用户上传的文档直接被用户下载,本站只是中间服务平台,本站所有文档下载所得的收益归上传人(含作者)所有。第壹文秘仅提供信息存储空间,仅对用户上传内容的表现方式做保护处理,对上载内容本身不做任何修改或编辑。若文档所含内容侵犯了您的版权或隐私,请立即通知第壹文秘网,我们立即给予删除!

    收起
    展开