欢迎来到第壹文秘! | 帮助中心 分享价值,成长自我!
第壹文秘
全部分类
  • 幼儿/小学教育>
  • 中学教育>
  • 高等教育>
  • 研究生考试>
  • 外语学习>
  • 资格/认证考试>
  • 论文>
  • IT计算机>
  • 法律/法学>
  • 建筑/环境>
  • 通信/电子>
  • 医学/心理学>
  • ImageVerifierCode 换一换
    首页 第壹文秘 > 资源分类 > DOCX文档下载
    分享到微信 分享到微博 分享到QQ空间

    安装工程的质量控制.docx

    • 资源ID:439312       资源大小:34.54KB        全文页数:10页
    • 资源格式: DOCX        下载积分:5金币
    快捷下载 游客一键下载
    账号登录下载
    三方登录下载: 微信开放平台登录 QQ登录
    下载资源需要5金币
    邮箱/手机:
    温馨提示:
    快捷下载时,如果您不填写信息,系统将为您自动创建临时账号,适用于临时下载。
    如果您填写信息,用户名和密码都是您填写的【邮箱或者手机号】(系统自动生成),方便查询和重复下载。
    如填写123,账号就是123,密码也是123。
    支付方式: 支付宝    微信支付   
    验证码:   换一换

    加入VIP,免费下载
     
    账号:
    密码:
    验证码:   换一换
      忘记密码?
        
    友情提示
    2、PDF文件下载后,可能会被浏览器默认打开,此种情况可以点击浏览器菜单,保存网页到桌面,就可以正常下载了。
    3、本站不支持迅雷下载,请使用电脑自带的IE浏览器,或者360浏览器、谷歌浏览器下载即可。
    4、本站资源下载后的文档和图纸-无水印,预览文档经过压缩,下载后原文更清晰。
    5、试题试卷类文档,如果标题没有明确说明有答案则都视为没有答案,请知晓。

    安装工程的质量控制.docx

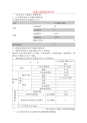
    安装工程的质量控制一、给水排水工程施工质量标准(一)卫生器具安装允许偏差质量标准卫生器具安装的允许偏差见下表:项目允许偏差(mm)坐标单独器具10成排器具5标高单独器具±15成排器具±10器具水平度2器具垂直度3(二)钢筋舲管道安装允许偏差质量标准1 .钢筋聆管道接口安装质量应符合下列规定:钢丝网水泥砂浆抹带接口应平整,不得有裂缝、空鼓等现象,抹带宽度、厚度的允许偏差应为O+5mm。2 .管道基础及安装的允许偏差应符合下表的规定:项目允许偏差(MM)无压力管道垫层中线每侧宽度不小于设计规定高程0-15管道基础混凝土管座平基中线每侧宽度0+10高程0-15厚度不小于设计规定管座肩宽肩高抗压强度蜂窝麻面面积管道安装(mm轴线位置15管道内底高程D1000±10刚性接口相邻管节内底错口D10003注:D为管道内径(mm)o二、给水排水工程施工质量控制措施(一)室内排水管及卫生器具常见质量通病控制措施1.排水管堵塞(1)现象卫生器具排水不通畅或向外溢水。(2)原因分析1)管道甩口封堵不及时或方法不当,造成水泥砂浆等杂物落入管道中。2)卫生器具安装前没有认真清理管道,有杂物存留管道中。3)管道安装局部有倒坡。4)管道接口管件使用不当,造成管道局部阻力过大。预防措施1)及时将管道甩口封堵严实,防止杂物进入管道中。2)卫生器具安装前应认真检查甩口,并清除管内杂物。3)管道安装时,认真疏通管瞠,去除杂物。4)安装坡度应顺直,不得有倒坡。5)合理使用管件,埋地管应使用TY和Y形三道,不宜使用T形三道;水平横管避免使用四通;排水出墙管及平面清扫口宜用两个45°弯头连接,以利流水畅通。6)检查口和清扫口的安装位置应便于维修操作。(4)纠正措施一般先采用皮碗抽吸的办法疏通,如不能疏通时,应打开清扫口或检查口盖,排除管道堵塞,该方法仍不能排除时,可采用局部拆除管道、更换管道的方法进行处理。2 .大便器与排水管连接处漏水质量控制措施(1)现象大便器使用后,地面积水、墙壁潮湿,甚至在下层顶板和墙壁也出现潮湿滴水现象。原因分析D排水管甩口高度不够,大便器出口插入排除管的深度不够。2)大便器出口与排水管连接处没有填抹严实。3)厕所地面防水处理不好,使上层渗漏水顺管道四周和墙缝流到下层房间。防治措施1)安装大便器排水管时,甩口高度必须合适,并高出地面100lnn1。2)安装大便器时,排水甩口要选择内径较大、内口平整的承或套袖,以保证大便器出口插入足够的深度。3)大便器出口与排水管连接处的缝隙,要用油灰或用1:5白灰水泥混合灰填实抹平,以防止污水外漏。4)作好厕所地面防水,预留管口周围空隙必须用细石混凝土浇筑密实。3 .大便器进水口处漏水质量控制措施(1)现象大便器使用后,地面积水、墙壁潮湿,下层顶板和墙壁也往往有潮湿和滴水。(2)原因分析1)大便器进水连接胶皮碗或进水连接处破裂,安装时没有发现。2)绑扎大便器上水连接胶皮碗使用铁丝,容易锈蚀断开,使胶皮碗松开漏水。3)绑扎大便器上水胶皮碗的方法不当,绑的不紧。4)施工过程中,大便器上水接口被损坏。预防措施1)绑扎胶皮碗前,应检查胶皮碗和大便器上水连接口是否完好。2)大便器胶皮碗应使用14号铜丝两道错开绑扎拧紧,或使用铜质专用卡具卡紧,冲洗管插入胶皮碗角度应合适。3)蹲式大便器上下连接口应经试水无渗漏后再做水泥抹灰。该部位应装活盖,便于装修。纠正措施轻轻剔开大便器上水进口处地面,检查连接胶皮碗是否完好,损坏必须更换。如用铁丝绑扎须换成铜丝。4 .卫生器具安装不牢固质量控制措施(1)现象卫生器具使用时松动不稳,甚至引起管道连接部件损坏或漏水,影响正常使用。原因分析1)土建施工时,墙体没有留预埋木砖或木砖未做防腐。2)固定卫生器具的螺栓规格不合格,或拧栽不牢固。3)卫生器具与墙面不密贴。预防措施1)固定卫生器具用的木砖应五面刷好防腐油,在墙体施工时预埋好,严禁后装木砖或木塞。2)安装卫生器具宜尽量采取安栽合适的机制螺丝。纠正措施固定卫生器具的桥架和螺丝不牢固者应重新安装。卫生器具与墙面间的较大缝隙要用白水泥砂浆填补饱满。5 .地漏汇集水效果不良(1)现象地漏汇集水效果不良,地面上经常集水。原因分析D地漏安装高度偏差较大。2)地面施工时,对地漏四周的坡度控制不严格,造成地面局部倒坡。预防措施地漏的安装高度不得超过地面。(二)防止钢筋舲管道钢丝网水泥砂浆抹带接口开裂、漏水控制措施1.现象管道接口开裂、脱落、漏水等。2 .原因分析(1)管接口形式选用不当,不适用于地基条件。地基发生沉降造成接口开裂、漏水。(2)抹带接口施工时,管子与管基相接触的部分没有作接茬处理;抹带一次做成,在硬化过程中产生裂缝,管接口没有进行凿毛和湿润处理,使粘结力降低,开裂、漏水。(3)抹带后没有认真进行养护造成开裂、漏水。3 .防治措施根据不同的地质条件选择适应的管接口形式,并应按设计要求作好管基处理。(2)抹带接口施工前,应将管子与管基相接触的部分作接茬处理;抹带范围的管外壁应凿毛;抹带应分三次完成,即第一次抹20mm厚度的水泥砂浆;第二次抹剩余的厚度;第三次修理压光成活。抹带施工完毕应及早用草袋等物覆盖洒水养护。(三)防止钢筋松排水管道反坡控制措施现象管道排空时,管内和检查井流槽有积水或通水时流水不畅,或管道常有沉淀物。或支管标高低于干管标高Q4 .原因分析(1)测量作业出现错误。(2)施工测量控制不严格,铺管时未设置水平桩等控制标高或控制桩布置间距过大,控制效果差。5 .预防措施(1)加强测量工作的管理。严格执行双检复测制度。认真熟悉与掌握设计要点和施工图纸,根据设计和现场实际情况及其它建筑的相关关系建立施工测量网。铺管时设置水平桩等控制管道标高,控制桩布置间距一般以IOnl为宜。6 ,纠正措施一般均应返工重新铺设。三、电气工程钢管配管安装质量控制措施(一)质量标准1、保证项目(1)导线间和导线对地间的绝缘电阻值必须大于0.5Mo检验方法:实测或检查绝缘电阻测试记录。薄壁钢管严禁熔焊连接。检验方法:明设的观察检查,暗设的检查隐蔽工程记录。2、基本项目连接紧密,管口光滑,护口齐全,明配管及其支架、吊架应平直牢固、排列整齐,管子弯曲处无明显折皱,油漆防腐完整,暗配管保护层大于15mmo(2)盒、箱设置正确,固定可靠,管子进入盒、箱处顺直,在盒、箱内露出的长度小于5mm;用锁紧螺母固定的管口,管子露出锁紧螺母的螺纹为24扣。线路进入电气设备和器具的管口位置正确。检验方法:观察和尺量检查。管路的保护应符合以下规定:穿过变形缝处有补偿装置,补偿装置能活动自如;穿过建筑物和设备基础处加保护套管。补偿装置平整,管口光滑,护口牢固,与管子连接可靠;加保护套管处在隐蔽工程记录中标示正确。检查方法:观察检查和检查隐蔽工程记录。金属电线保护管、盒、箱及支架接地(接零)。电气设备器具和非带电金属部件的接地(接零),支线敷设应符合以下规定:连接紧密、牢固,接地(接零)线截面选用正确,需防腐的部分涂漆均匀无遗漏,线路走向合理,色标准确,涂刷后不污染设备和建筑。检验方法:观察检查。3、允许偏差项目E线管弯曲半径、明敷管安装允许偏差和检查方法应符合下表的规定。项目弯曲半径或允许偏差检验方法管子最小弯曲半径暗配管6D尺量检查及检查安装记录明配管管子只有一个弯4D管子有二个弯及以上26D管子弯曲处的弯曲度NO.ID尺量检查(二)应控制的质量问题1、煨弯处出现凹扁过大或弯曲半径不够倍数的现象。其原因及解决办法有:(1)使用手扳煨管器时,移动要适度,用力不要过猛。(2)使用油压煨管器或煨管机时,模具要配套,管子的焊缝应在正反面。2、暗配管弯曲过多,敷设管路时,应按设计图要求及现场情况,沿最近的路线敷设。3、预埋盒、箱、支架、吊杆歪斜,或者盒、箱里进外出严重,应根据具体情况进行修复。4、剔注盒、箱出现空洞、收口不好,应在稳住盒、箱时,其周围灌满灰浆,盒、箱口应及时收好后再穿线上器具。5、预留管口的位置不准确。配管时未按设计图要求,找出轴线尺寸位置,造成定位不准。应根据设计图要求进行修复。6、电线管在焊跨接地线时,将管焊漏,焊接不牢、漏焊、焊接面不够倍数,主要是操作者责任心不强,或者技术水平太低,应加强操作者责任心和技术教育,严格按照规范要求进行焊接。7、暗配管路堵塞,配管后应及时扫管,发现堵管及时修复。配管后应及时加管堵把管口堵严实。8、管口不平齐有毛刺,断管后未及时铳口,应用锂把管口锂平齐,去掉毛刺再配管。9、焊口不严破坏镀锌层,应将焊口焊严,受到破坏的镀锌层处,应及时补刷防锈漆。四、PVC电管安装质量控制措施(一)质量标准1 .保证项目PVC管及附件材质的氧指数应达到设计规定的指标。检查方法:检查厂家的资料、观察检查。2 .基本项目(1)管路连接紧密,管口光滑,保护层大于15mm,使用胶粘剂连接紧密、牢固。(2)盒箱内设置正确,固定可靠,管子进入盒箱顺直,一孔一管,以端接头与内锁母将管固定在盒、箱孔处,牢固不松动。(3)穿过建筑物墙体处应加保护管。检查方法:观察检查。3 .允许偏差项目PVC电管弯曲半径允许偏差项目见下表:项次项目弯曲半径或允许偏差检查方法1管子最暗配管26D尺量检查小弯曲明配管管子只有一个弯4D及检查安半径管子有二个弯及以上6D装记录2管子弯曲处的弯曲率0.ID尺量检查(二)应控制的质量问题1 .墙体保护层15mm时,应将管槽深度剔到L5倍外径深度。2 .管路不通,朝上口应加管堵,避免管路被砂浆堵塞。3.预埋的盒、箱有歪斜、不平正,座标超标,应用线吊找正,座标正确再预埋。五、配线工程安装质量控制措施(一)质量标准1、保证项目(1)导线的规格、型号必须符合设计要求和国家标准的规定。(2)照明线路的绝缘电阻值不小于0.5M,动力线路的绝缘电阻值不小于IMQo检验方法:实测或检查绝缘摇测记录。2、基本项目(1)管内穿线:盒、箱内清洁无杂物,护口、护线套管齐全无脱落,导线排列整齐,并留有适当的余量。导线在管子内无接头,不进入盒、箱的垂直管子上口穿线后密封处理良好,导线连接牢固,包扎严密,绝缘良好,不伤线芯。接地(接零):接地(接零)线截面选用正确、连接牢固紧密。检验方法:观察检查或检查记录。3、允许偏差检查导线截面。检验方法:观察尺量检查或检查安装记录。(二)应控制的质量问题1、在施工中存在护口遗漏、脱落、破损及与管径不符等现象。因操作不慎而使护口遗漏或脱落者应及时补齐,护口破损与管径不符者应及时更换。2、铜导线连接时,导线的缠绕圈数不足5圈,未按工艺要求连接的接头均应拆除重新连接。3、导线连接处的焊锡不饱满,出现虚焊、夹渣等现象。焊锡的温度要适当,涮锡要均匀。涮锡后应用布条及时擦去多余的焊剂,保持接头部分的洁净。4、导线线芯受损是由于用力过猛和剥线钳使用不当而造成的。削线时应根据线径选用剥线钳相应的刀口。5、多股软

    注意事项

    本文(安装工程的质量控制.docx)为本站会员(p**)主动上传,第壹文秘仅提供信息存储空间,仅对用户上传内容的表现方式做保护处理,对上载内容本身不做任何修改或编辑。 若此文所含内容侵犯了您的版权或隐私,请立即通知第壹文秘(点击联系客服),我们立即给予删除!

    温馨提示:如果因为网速或其他原因下载失败请重新下载,重复下载不扣分。




    关于我们 - 网站声明 - 网站地图 - 资源地图 - 友情链接 - 网站客服 - 联系我们

    copyright@ 2008-2023 1wenmi网站版权所有

    经营许可证编号:宁ICP备2022001189号-1

    本站为文档C2C交易模式,即用户上传的文档直接被用户下载,本站只是中间服务平台,本站所有文档下载所得的收益归上传人(含作者)所有。第壹文秘仅提供信息存储空间,仅对用户上传内容的表现方式做保护处理,对上载内容本身不做任何修改或编辑。若文档所含内容侵犯了您的版权或隐私,请立即通知第壹文秘网,我们立即给予删除!

    收起
    展开