欢迎来到第壹文秘! | 帮助中心 分享价值,成长自我!
第壹文秘
全部分类
  • 幼儿/小学教育>
  • 中学教育>
  • 高等教育>
  • 研究生考试>
  • 外语学习>
  • 资格/认证考试>
  • 论文>
  • IT计算机>
  • 法律/法学>
  • 建筑/环境>
  • 通信/电子>
  • 医学/心理学>
  • ImageVerifierCode 换一换
    首页 第壹文秘 > 资源分类 > DOCX文档下载
    分享到微信 分享到微博 分享到QQ空间

    机电队维修副队长安全生产责任制考核标准.docx

    • 资源ID:434892       资源大小:16.96KB        全文页数:2页
    • 资源格式: DOCX        下载积分:5金币
    快捷下载 游客一键下载
    账号登录下载
    三方登录下载: 微信开放平台登录 QQ登录
    下载资源需要5金币
    邮箱/手机:
    温馨提示:
    快捷下载时,如果您不填写信息,系统将为您自动创建临时账号,适用于临时下载。
    如果您填写信息,用户名和密码都是您填写的【邮箱或者手机号】(系统自动生成),方便查询和重复下载。
    如填写123,账号就是123,密码也是123。
    支付方式: 支付宝    微信支付   
    验证码:   换一换

    加入VIP,免费下载
     
    账号:
    密码:
    验证码:   换一换
      忘记密码?
        
    友情提示
    2、PDF文件下载后,可能会被浏览器默认打开,此种情况可以点击浏览器菜单,保存网页到桌面,就可以正常下载了。
    3、本站不支持迅雷下载,请使用电脑自带的IE浏览器,或者360浏览器、谷歌浏览器下载即可。
    4、本站资源下载后的文档和图纸-无水印,预览文档经过压缩,下载后原文更清晰。
    5、试题试卷类文档,如果标题没有明确说明有答案则都视为没有答案,请知晓。

    机电队维修副队长安全生产责任制考核标准.docx

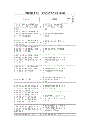
    机电队维修副队长安全生产责任制考核标准考核内容标准分考核标准扣减分考核得分认真传达、贯彻、执行国家和上级的安全生产方针、政策、法律、法规和各项制度5及时进行法律、法规更新和获取,未及时获取扣1分,未执行扣1分负责组织区队安全生产规章制度、作业规程及安全技术措施的制订并严格执行,参与事故应急演练5未按要求健全制度和执行不严格每项次扣1分组织或参与安全生产教育和培训,如实记录安全生产教育和培训情况,提高员工安全素质8未按要求组织或记录,每项次扣1分认真落实重大危险源的安全管理措施,提出改进安全生产管理建议,全面落实区队安全生产整改措施8未按要求认真落实,每项次扣1分检查区队管辖范围内的安全生产状况,及时排查生产安全事故隐患,制止和纠正违章指挥、强令冒险作业、违反操作规程的行为8未及时检查或排查事故隐患、制止和纠正违章指挥行为,每项次扣1分加强现场检查工作,及时掌握机电设备及管路系统安全运行情况,发现问题,及时解决,消除事故隐患。8及时按要求完成各项工作,出现失误或未按要求完成每项次扣1分提供机电设备的配件计划8配件计划提供不及时造成无法检修或严重后果,每项次扣1分负责分管机电设备及管路的维修、检查、保养工作,负责本队供电系统方面的质量标准化动态达标工作8未按标准要求进行检修或处理设备故障,每项次扣1分严禁违章指挥,制止违章作业,严格执行停送电等各种制度,参与本队发生的各种事故及“三违”的追查分析、处理,提出改进措施和处理意见,并对全队职工进行安全教育8检修过程中禁止“三违”,每人次扣1分;安全教育不到位每项次扣1分加强对本队员工的安全教育培训,及时发现工作中存在的问题、隐患,并组织人员处理8对工作中存在的隐患未及时组织人员处理,按时回复三定表,未按要求完成每项次扣1分参与区队事故的调查分析,落实8此项工作未按时完成,每项防范措施次扣1分负责职责范围内的安全风险分级管控、事故隐患排查治理、人员职业健康保护、环境保护相关工作8查记录,按时完成得标准分,执行不到位每处扣1分配合机电党支部完成“一岗双责”的管理、监督工作6不按要求执行或执行不到位每处扣1分履行法律法规规定的其他安全生产职责2未按要求制定,扣2分,执行不严格扣2分完成领导交办的其他工作2未完成公司安排的其他工作,每项次扣1分事故责任考核O负直接责任者扣20-30分/次;负间接责任者扣10-20分/次考核总得分

    注意事项

    本文(机电队维修副队长安全生产责任制考核标准.docx)为本站会员(p**)主动上传,第壹文秘仅提供信息存储空间,仅对用户上传内容的表现方式做保护处理,对上载内容本身不做任何修改或编辑。 若此文所含内容侵犯了您的版权或隐私,请立即通知第壹文秘(点击联系客服),我们立即给予删除!

    温馨提示:如果因为网速或其他原因下载失败请重新下载,重复下载不扣分。




    关于我们 - 网站声明 - 网站地图 - 资源地图 - 友情链接 - 网站客服 - 联系我们

    copyright@ 2008-2023 1wenmi网站版权所有

    经营许可证编号:宁ICP备2022001189号-1

    本站为文档C2C交易模式,即用户上传的文档直接被用户下载,本站只是中间服务平台,本站所有文档下载所得的收益归上传人(含作者)所有。第壹文秘仅提供信息存储空间,仅对用户上传内容的表现方式做保护处理,对上载内容本身不做任何修改或编辑。若文档所含内容侵犯了您的版权或隐私,请立即通知第壹文秘网,我们立即给予删除!

    收起
    展开