欢迎来到第壹文秘! | 帮助中心 分享价值,成长自我!
第壹文秘
全部分类
  • 幼儿/小学教育>
  • 中学教育>
  • 高等教育>
  • 研究生考试>
  • 外语学习>
  • 资格/认证考试>
  • 论文>
  • IT计算机>
  • 法律/法学>
  • 建筑/环境>
  • 通信/电子>
  • 医学/心理学>
  • ImageVerifierCode 换一换
    首页 第壹文秘 > 资源分类 > DOCX文档下载
    分享到微信 分享到微博 分享到QQ空间

    光纤设备监控方案V1.docx

    • 资源ID:434001       资源大小:49.80KB        全文页数:3页
    • 资源格式: DOCX        下载积分:5金币
    快捷下载 游客一键下载
    账号登录下载
    三方登录下载: 微信开放平台登录 QQ登录
    下载资源需要5金币
    邮箱/手机:
    温馨提示:
    快捷下载时,如果您不填写信息,系统将为您自动创建临时账号,适用于临时下载。
    如果您填写信息,用户名和密码都是您填写的【邮箱或者手机号】(系统自动生成),方便查询和重复下载。
    如填写123,账号就是123,密码也是123。
    支付方式: 支付宝    微信支付   
    验证码:   换一换

    加入VIP,免费下载
     
    账号:
    密码:
    验证码:   换一换
      忘记密码?
        
    友情提示
    2、PDF文件下载后,可能会被浏览器默认打开,此种情况可以点击浏览器菜单,保存网页到桌面,就可以正常下载了。
    3、本站不支持迅雷下载,请使用电脑自带的IE浏览器,或者360浏览器、谷歌浏览器下载即可。
    4、本站资源下载后的文档和图纸-无水印,预览文档经过压缩,下载后原文更清晰。
    5、试题试卷类文档,如果标题没有明确说明有答案则都视为没有答案,请知晓。

    光纤设备监控方案V1.docx

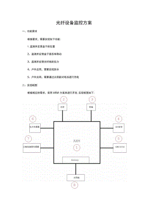
    光纤设备监控方案一、功能需求根据要求,需要实现如下功能:1.监测并反馈盒子的位置2、监测并反馈盒子是否有移动3、监测并反馈光纤线的拉力4、户外应用,需要实现防水5、户外应用,需要通过太阳能对电池进行充电二、实现框图根据相应的需求,采用ARM方案来进行开发,实现框图如下:三、实现说明1、采用ARM方案,系统运行简易Andriod或Iinux,在系统上层进行开发相应的应用程序用来检测反馈及与后台进行通讯。2、根据ARM芯片的资源配置,选择合适的内存,做为系统运行必须的资源。3、根据ARM芯片的资源配置,选择合适的存储,做为系统运行必须的资源。4、GPS定位模块,用于实时反馈当前盒子的位置,并反馈给后台。5、GSM/3G/4G模块,使用该模块进行上网,并通过该通讯模块与后台进行数据通讯。6、拉力传感器模块将光纤线固定在拉力传感器上通过拉力传感器的数据反馈回ARMCPU,由CPU来计算光纤线拉力的变化。拉力数据回传7、三轴加速度传感器,通过该传感器,可以计算出盒子在空间X、Y、Z三轴方向上的任意位移,从而可以得知盒子是否有被移动过。8、太阳能充电,电池做为整个系统的供电源,通过太阳能对电池进行充电。四、风险说明1、由于该设备放置于室外,工作环境比较恶劣,该设备需要以工业标准来设计。2、电池长期工作在恶劣的环境下,寿命会受到较大影响。3、整个系统的供电完全来自于电池,当没有日照或日照不足的情况,电池就没有电,这时系统就无法工作,所以每天必要的日照时间需要考虑,如果一段时间处于下雨的状态,那系统可能无法工作,即使选择再大容量的电池,也是难以保证。4、由于暴露在室外,整个系统的防雷也是需要考虑的问题。5、由于系统要向后台反馈数据,必须要通过手机上网,如果盒子所处的信号较弱,可能会存在通讯困难的问题。6、如果盒子处于较空旷的位置,那GPS信号就会较强;但如果盒子位置被建筑物包围或放置在树林中,GPS就会较弱,这时定位就会比较难。五、方案选择模块名称型号CPURockchipRK3066/RK292XHisiliconHi3716Hi3719SamsungZAllwinneretc.内存512MB(Hynix/Nanya/Samsung)存储4GBeMMC(Hynix/Thshibasandisk)GPS模块/GPRS/3G模块ZTEMG2639V3HUAWEIMG323Others电池100'200wH三轴加速度传感器ADIADXL345FreescaleMM7455拉力传感器dobl-7太阳能TBD备注:以上方案仅供参考,实际选型可能有所变化。

    注意事项

    本文(光纤设备监控方案V1.docx)为本站会员(p**)主动上传,第壹文秘仅提供信息存储空间,仅对用户上传内容的表现方式做保护处理,对上载内容本身不做任何修改或编辑。 若此文所含内容侵犯了您的版权或隐私,请立即通知第壹文秘(点击联系客服),我们立即给予删除!

    温馨提示:如果因为网速或其他原因下载失败请重新下载,重复下载不扣分。




    关于我们 - 网站声明 - 网站地图 - 资源地图 - 友情链接 - 网站客服 - 联系我们

    copyright@ 2008-2023 1wenmi网站版权所有

    经营许可证编号:宁ICP备2022001189号-1

    本站为文档C2C交易模式,即用户上传的文档直接被用户下载,本站只是中间服务平台,本站所有文档下载所得的收益归上传人(含作者)所有。第壹文秘仅提供信息存储空间,仅对用户上传内容的表现方式做保护处理,对上载内容本身不做任何修改或编辑。若文档所含内容侵犯了您的版权或隐私,请立即通知第壹文秘网,我们立即给予删除!

    收起
    展开