欢迎来到第壹文秘! | 帮助中心 分享价值,成长自我!
第壹文秘
全部分类
  • 幼儿/小学教育>
  • 中学教育>
  • 高等教育>
  • 研究生考试>
  • 外语学习>
  • 资格/认证考试>
  • 论文>
  • IT计算机>
  • 法律/法学>
  • 建筑/环境>
  • 通信/电子>
  • 医学/心理学>
  • ImageVerifierCode 换一换
    首页 第壹文秘 > 资源分类 > DOCX文档下载
    分享到微信 分享到微博 分享到QQ空间

    火电工程达标投产工程综合管理与档案检查验收表.docx

    • 资源ID:431919       资源大小:85.24KB        全文页数:24页
    • 资源格式: DOCX        下载积分:5金币
    快捷下载 游客一键下载
    账号登录下载
    三方登录下载: 微信开放平台登录 QQ登录
    下载资源需要5金币
    邮箱/手机:
    温馨提示:
    快捷下载时,如果您不填写信息,系统将为您自动创建临时账号,适用于临时下载。
    如果您填写信息,用户名和密码都是您填写的【邮箱或者手机号】(系统自动生成),方便查询和重复下载。
    如填写123,账号就是123,密码也是123。
    支付方式: 支付宝    微信支付   
    验证码:   换一换

    加入VIP,免费下载
     
    账号:
    密码:
    验证码:   换一换
      忘记密码?
        
    友情提示
    2、PDF文件下载后,可能会被浏览器默认打开,此种情况可以点击浏览器菜单,保存网页到桌面,就可以正常下载了。
    3、本站不支持迅雷下载,请使用电脑自带的IE浏览器,或者360浏览器、谷歌浏览器下载即可。
    4、本站资源下载后的文档和图纸-无水印,预览文档经过压缩,下载后原文更清晰。
    5、试题试卷类文档,如果标题没有明确说明有答案则都视为没有答案,请知晓。

    火电工程达标投产工程综合管理与档案检查验收表.docx

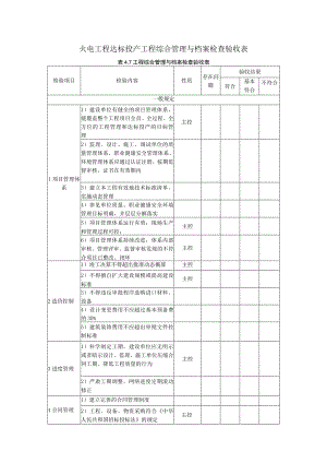
    火电工程达标投产工程综合管理与档案检查验收表表4.7工程综合管理与档案检查验收表检验项目检验内容性质存在问题验收结果符合基本符合不符合一般规定1项目管理体系1)建设单位有健全的项目管理体系,能覆盖整个工程项目全员、全过程、全方位的工程管理和达标投产的目标管理主控2)监理、设计、施工、调试单位的质量管理体系、职业健康安全管理体系、环境管理体系应通过认证注册,按期监督审核,证书在有效期内3)建立本工程有效地技术标准清单,实施动态管理4)参见单位质量、职业健康安全环境管理目标明确,并层层分解落实5)项目管理体系运行有效;现场生产和管理过程可控;主控6)项目管理体系持续改进,体系内部审核、管理评审、监督审核发现的不符合项目已整改、闭环主控2造价控制1)竣工决算不得超出批准动态概算主控2)不得擅自扩大建设规模或提高建设标准主控3)不得违反审批程序选购进口材料、设备4)设计变更费用不应超过基本预备费的30%5)建筑装饰费用不应超出审批文件控制标准3进度管理1)科学制定工期,建设单位应无明示或者暗示设计、监理、施工单位压缩合同工期、降低工程质量的行为主控2)严肃工期调整,网络进度定期滚动修正4合同管理1)建立完善的合同管理制度2)工程、设备、物资采购符合中华人民共和国招标投标法的规定主控3)应按合同条款要求支付工程款、设备款5设备物资管理1)设备物资管理制度和工作标准完善2)设备监造符合DL/T586电力设备监造技术导则的规定,设备监造报告、质量证明文件齐全3)新材料、新设备的使用应有鉴定报告、使用报告、查新报告或允许使用证明文件主控4)原材料应有合格证及进厂检验、复试报告主控5)构件、配件高强螺栓连接副、淋水填料等制成品应有出厂合格证及试验文件6)设备、材料的检验、保管、发放管理制度完善,实施记录齐全6强制性条文的执行1)建设单位制定本工程执行强制性条文的实施计划,各参建单位应有针对性的实施细则,并对相关内容培训,应有记录主控2)对执行强制性条文有相应经费支持3)建立强制性条文执行情况情况监督检查制度,并有相应责任人4)规划、勘测设计、施工、调试、验收符合强制性条文规定主控5)工程采用材料、设备符合强制性条文的规定主控6)工程项目建筑、安装的质量符合强制性条文的规定主控7)工程中采用方案、措施、指南、手册、计算机软件的内容符合强制性条文的规定7勘测、设计管理1)编制提交本工程勘测、设计强制性条文清单主控2)勘测、设计成品应符合强制性条文和国家现行有关标准的规定主控检验项目检验内容性质存:住问题验收结果符合基本符合不符合3)不得采用国家明令禁止使用的设备、材料和技术主控4)科技创新、技术进步形成的优化设计方案应经论证,并按规定程序审批主控5)占地面积、主厂房可比容积、工程投资等指标符合GB50660大中型火力发电厂设计规程和限额的规定6)施工图交付计划应满足施工进度计划需求,并经建设单位确认7)勘测、设计单位不得向任何单位提供未经审查批准的草图、白图,用于施工8)施工图设计、会检、设计交底符合规定9)设计更改管理制度完善。施工图设计符合初步设计审查批复要求;重大设计变更按程序批准。改变原设计所确定的原则、方案或规模,应经原审批部门批准主控10)明确设计修改、变更、材料代用等签发人资格,向建设单位、监理单位备案,并书面告知施工、调试单位11)现场设计代表服务到位,定期向建设单位提供设计服务报告12)参加验收规程规定项目的质量验收13)参加设备订货技术洽商及施工、调试重大技术方案的审查14)按合同约定编制竣工图及竣工图总说明,并移交主控15)编制工程质量检查报告、工程总结检验项目检验内容性质存在问题验收结果符合基本符合不符合8施工管理1)应按DL/T1144火电工程项目质量管理规范的规定编制以下管理制度,并严格执行a)施工技术和施工质量管理责任制b)施工组织设计C)施工图会检d)施工技术交底C)物资管理f)机械及特种设备管理g)计量管理h)技术检验i)设计变更j)施工技术文件k)技术培训1)信息管理2)施工、检验单位资质及人员资格证件齐全、有效a)承包商和分包商单位资质主控b)试验、检测单位资质主控C)项目经理d)质量验收人员e)试验检验人员f)特种作业人员主控g)安全监察人员h)档案管理人员检验项目检验内容性质存在问题验收结果符合基本符合不符合8施工管理i)质量评价人员3)施工组织总设计和专业设计经审批,并严格执行主控4)计量标准器具台州及检定证书在有效期内5)施工单位应按规定编制节地、节水、节能、节材、环境保护措施,经审批后实施6)施工质量管理及保证条件符合DL/T5210的规定7)编制工法、QC小组成果、科技成果等创新活动设计,效果显着8)制定成品保护措施,并形成检查记录9)移交生产时的主设备、主系统、辅助设备缺陷整改已闭环10)编制工程总结9调试管理D管理制度完善,组织机构健全、分工明确、责任落实2)调试大纲、方案、措施齐全,经审批后实施主控3)调试项目符合调试大纲要求4)调试质量验评范围符合规程规定5)试验仪器、设备检验合格,并在有效期内6)调试报告完整、真实、有效主控7)编制工程总结10工程监理1)组织机构健全,制度完善,责任明确主控检验项目检验内容性质存在问题验收结果符合基本符合不符合10监理工程2)各专业监理人员配备齐全,且具有相应资格,经建设单位确认后,正式通知被监理单位3)按DL/T1144、DL/T5434的规定编制下列文件,并按程序审批后实施a)监理规划b)监理实施细则C)执行标准清单主控d)监理达标投产计划e)强制性条文实施计划主控f)关键工序和隐蔽工程旁站方案主控4)按建设单位总体质量、安全目标制定具体实施细则5)审核、汇总各施工单位“施工质量验收范围划分表”6)完善检验手段,使用的仪器、设备符合DL/T5434的规定7)参加达标投产初验,并形成相关记录,对存在问题监督整改、闭环主控8)编制监理月报、总结、工程总体质量评估报告,并符合DL/T5434的规定9)监理全过程质量控制符合DL/T5434的规定,记录齐全10)工程监理符合电力建设工程质量监督检查的规定11)按合同签署工程计量、工程款支付,并符合DL/T5434的规定检验项目检验内容性质存在问题验收结果符合基本符合不符合10监理工程12)有创优目标的工程项目按合同约定和DL/T5210的规定完成工程质量评价工作11生产管理1)生产运行机构设置利人员配备符合定编要求,人员经培训、考核上岗主控2)生产设备大纲经审批后实施主控3)编制管理制度、运行规程、检修规程、保护定值清单,绘制系统图等4)编制生产期间成品保护管理制度,形成记录5)劳动安全和职业病防护措施完善6)操作票、工作票、运行日志、运行记录齐全主控7)接收设备的备品、备件,出入库手续完备8)制定机组运行反事故预案,演练、评价,并形成记录9)事故分析、处理记录齐全主控10)启动到考核期的缺陷管理台州及消缺率统计齐全12信息管理1)建设单位应编制信息管理制度2)建立基建MIS系统,行程局域网,覆盖主要参建单位主控3)信息系统软件功能模块设置应包含基建管理的主要工作内容和程序4)机组试运前,完成生产管理数据系统的安装和调试工作主控5)投入生产前建立设备缺陷、工作票等信息管理系统检验项目检验内容性质存在问题验收结果符合基本符合不符合13档案管理1)机构、人员、设施、设备a)建设单位应成立负责档案管理工作的机构,配备专职档案管理人员b)工程档案管理人员,经培训持证上岗主控C)档案库房及设施符合国家有关防火、防潮、防光、防虫、防盗、防尘等安全保管、保护要求主控d)档案管理设施、设备的配置满足档案管理要求e)档案管理软件具备档案整编、检索和利用的功能2)管理职责a)建设、监理、设计(勘测)、施工、调试、生产运行单位档案管理体系健全,责任制执行有效b)建设单位按照DA/T42企业档案工作规范制定企业档案管理制度c)参建单位按DA/T241火电建设项目文件收集及档案整理规范

    注意事项

    本文(火电工程达标投产工程综合管理与档案检查验收表.docx)为本站会员(p**)主动上传,第壹文秘仅提供信息存储空间,仅对用户上传内容的表现方式做保护处理,对上载内容本身不做任何修改或编辑。 若此文所含内容侵犯了您的版权或隐私,请立即通知第壹文秘(点击联系客服),我们立即给予删除!

    温馨提示:如果因为网速或其他原因下载失败请重新下载,重复下载不扣分。




    关于我们 - 网站声明 - 网站地图 - 资源地图 - 友情链接 - 网站客服 - 联系我们

    copyright@ 2008-2023 1wenmi网站版权所有

    经营许可证编号:宁ICP备2022001189号-1

    本站为文档C2C交易模式,即用户上传的文档直接被用户下载,本站只是中间服务平台,本站所有文档下载所得的收益归上传人(含作者)所有。第壹文秘仅提供信息存储空间,仅对用户上传内容的表现方式做保护处理,对上载内容本身不做任何修改或编辑。若文档所含内容侵犯了您的版权或隐私,请立即通知第壹文秘网,我们立即给予删除!

    收起
    展开