欢迎来到第壹文秘! | 帮助中心 分享价值,成长自我!
第壹文秘
全部分类
  • 幼儿/小学教育>
  • 中学教育>
  • 高等教育>
  • 研究生考试>
  • 外语学习>
  • 资格/认证考试>
  • 论文>
  • IT计算机>
  • 法律/法学>
  • 建筑/环境>
  • 通信/电子>
  • 医学/心理学>
  • ImageVerifierCode 换一换
    首页 第壹文秘 > 资源分类 > DOCX文档下载
    分享到微信 分享到微博 分享到QQ空间

    变电站工程竣工资料变电站工程.docx

    • 资源ID:419603       资源大小:33.32KB        全文页数:12页
    • 资源格式: DOCX        下载积分:5金币
    快捷下载 游客一键下载
    账号登录下载
    三方登录下载: 微信开放平台登录 QQ登录
    下载资源需要5金币
    邮箱/手机:
    温馨提示:
    快捷下载时,如果您不填写信息,系统将为您自动创建临时账号,适用于临时下载。
    如果您填写信息,用户名和密码都是您填写的【邮箱或者手机号】(系统自动生成),方便查询和重复下载。
    如填写123,账号就是123,密码也是123。
    支付方式: 支付宝    微信支付   
    验证码:   换一换

    加入VIP,免费下载
     
    账号:
    密码:
    验证码:   换一换
      忘记密码?
        
    友情提示
    2、PDF文件下载后,可能会被浏览器默认打开,此种情况可以点击浏览器菜单,保存网页到桌面,就可以正常下载了。
    3、本站不支持迅雷下载,请使用电脑自带的IE浏览器,或者360浏览器、谷歌浏览器下载即可。
    4、本站资源下载后的文档和图纸-无水印,预览文档经过压缩,下载后原文更清晰。
    5、试题试卷类文档,如果标题没有明确说明有答案则都视为没有答案,请知晓。

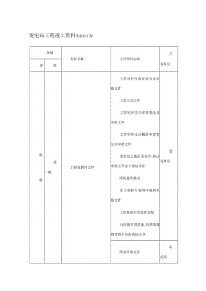
    变电站工程竣工资料变电站工程.docx

    变电站工程竣工资料变电站工程卷册类目名称文件资料内容立卷单位卷册第卷第一册工程依据性文件工程可行性探讨报告及审批文件工程立项文件工程初步设计审查看法及审批文件工程初步设计概算审查看法及审批文件变电站土地征用合同、协议、审批文件及土地运用证消防建审批文水土保持方案的申报和审批文件工程基建年度投资支配与距离车用设施、易燃易爆物等的平安距离协议书建设单位所址审批文件电业局卷册类目名称文件资料内容立卷单位卷册工程设计、监理、施工招标文件第其工程设计、监理、施工承建次册工程招标及合同文件包合同文件设单位卷工程物资设备的招标文件及定货合同、协议工程上级下达管理文件工程建设管理大纲文件工程技术、质量、平安管理文件第第工程建设管理工程计经、财务和物资管建二一册文件理文件设单位卷工程档案管理文件工程质量验收评级标准工程达标投产考核标2000年版细则其工程建设期管理工程开、竣工报告建次册文件施工图会审文件指挥部协调会会议纪要指挥部在工程建设期的文件工程达标投产文件平安管理及大检查文件指挥部工程简报设单位第三册工程质量管理文件工程阶段性及竣工的质量及验收文件消防验收看法文件工程阶段性及投产前的质量监督检查申请及监督检查报告成立启动委员会文件工程启动方案工程建设总结建设单位第四册工程决算书报告工程决算书文件建设单位第监理管理文件工程上级下达的管理文件监理单位卷监理大纲、规划、细则工程开、竣工报告监理对在工程建设期的文件监理对施工承包商的整改或停工通知施工承包商申报的技术文件及报告的审核文件施工承包商资质特殊工程等申报文件承包商各类试验报告监理月报工程监理总结工程初步设计概算书(或第第修编概算)建四一册工程设计文件重大设计修改报批文件设单位卷及相应的施工图预算书卷册类目名称文件资料内容立卷单位卷册第四其工程设计修改工程设计修改次册文件工程材料代用设计通知单工施承包卷第三册工程设计竣工图工程竣工图(按设计总书目依次编制)商水泥的安置性及强度试验报告砂卵石的试验报告碎协作比试验报告第建筑工程装置材料及预砖、石的复试报告第一册制件文件建筑钢材的合格证、材质施h证明书、复试报告(机械、化工承包卷学)、焊接试验报告商碎试块强度报告预制件检验报告主变、六氟化硫断路器、其变电一次设备隔离开关、电流互感器、电压次册文件互感器、电抗器、阻波器、电容器、所用变压器、避雷器等一次设备的合格证、检验报告、开箱记录、备品备件、说明书、图纸、维护手册等资料文件爱惜、限制、弱电设备、电气及热控仪表、微机监控等第变电二次设备二次设备的合格证、检验报三册文件告、开箱记录、备品备件、说明书、图纸、维护手册等资料文件载波、微波、光端机、远动、安控等二次设备的合格第通讯、远动、安控工程文证、检验报告、开箱记录、备四册件品备件、说明书、图纸、维护手册等资料文件工程开、竣工报告施工组织设计第第工程施工管理工程施工质量管理文件、施一册文件质量措施工承包商卷工程施工技术管理文件工程施工平安管理文件及平安大检查文件工程施工技术交底文件工程施工协调会纪要工程质量专检文件隐藏工程验收签证记录工程施工质量事故及永久缺陷记录其次册建筑工程施工记录基础、构筑物工程施工质量检查及评级记录第三册电气安装工程施工记录电气一、二次及微机监控设备安装施工质量检查及评级记录卷册类目名称文件资料内容立卷单位卷册第通讯、远动、安控工程施通讯、远动、安控等设备四册工记录的安装、调试记录施第第电气调试工程电气一、二次及微机监控工承包六等设备、仪表的元件、分组、商五册文件系统调试试验记录、试验报告卷第电气调试工程特殊试验报告建六册文件设单位工程竣工报告、申请验收报告工程竣工验收签证书施第工程竣工文件工程竣工移交证书及移工承包七册交清单商未定工程及需改进工程的清单工程施工总结备工程档案文件分卷册、分册整理、编制;册下可分为分册,由立卷单位依据内容多少划分。7、档案材料整理7.1工程依据性文件:7.1.1原件与叁印件的问题。凡指挥部(项目部)的发文均应原件归档。收文:凡对方主送与抄送本单位的收文,均应原件归档。如若是转发文,干脆隶属关系的文件应原件归档,后附间接关系的转发文可复印件归档。7.1.2工程依据性文件要求收集齐全、完整。案卷必需遵循文件材料形成的规律和特点,保持文件之间的有机联系,区分不同价值,便于保管和利用。7.1.3征地文件材料:要求拆迁协议确定的面积与所征地面面积相等,按文件形成的规律排列;一般依据性的批复在前,征地红线图、征地申报表、拆迁协议书等文件在后。7.1.4协议、合同及工程验收证书、交接书等履行双方签字手续的文件的要求:凡为签订协议、合同的履行方和办理证书的签字方,其合同、协议与证书均应持一份原件归档。7.2工程设计文件7.2.1设计文件按工程项目图纸总书目,工程全部设计文件应齐全、系统、完整。图纸一般应竣工蓝图归档。施工图设计阶段的文件排序,一般按设计院卷册排列、编目。7.2.2设计修改通知单、工程联系单、材料代用单等,要求齐全、完整。7.3工程施工文件7.3.1水泥、钢材等原材料试验报告,要求报告单字迹清楚、数据精确。试验单要有编号、试验日期、规格、型号、试验单位加盖公章与签名。材料半成品试验报告要原件归档,字迹要清楚、要有编号、试验日期、各种试验材料的数量、型号与规格、加盖公章与试验人签字。7.3.2工程测量记录及施工记录应运用国家电力公司工程质量检验标准的记录表,记录表式要规范,数据精确,签字应齐全。7.3.3隐藏工程记录与中间验收应有监理工程师和设计工代签字。7.3.4施工质量缺陷处理报告,要求有闭环管理的详细记录(有调查报告、分析、处理看法、处理结论及消缺记录、复检看法与结论等)。7.4调整试验报告:系统调试项目按专业、分项目排列、组卷。调试方案与调试报告分开组卷。7.5质量监督文件:监督检查报告分为基础、杆塔、投产前等监督检查报告。7.6设备出厂技术资料包括设备出厂合格证、质量检验报告、开箱记录、备品备件单、设备说明书、图纸、维护手册等。7.7竣工图的编制:按国家建委(82)建发施字50号文的规定,每张施工图均要转化为竣工图,要求竣工图必需与设计、设计修改内容及现场施工状况相符合,必需达到100%的精确。竣工图章尺寸按省公司的发文规定执行。竣工图章填写栏目齐全,编制人、技术负责人签字手续齐全,签字人必需亲笔签字,不行有私章代替。编制竣工图形式与深度,按如下执行:7. 7.1竣工图编制是以施工图为基础,依据各种变更文件在施工图上重新绘制而实现的。一般可实行以下几种形式: 凡按施工图施工没有变动的,则在原施工图上加盖竣工章。 施工中虽有一般性设计变更,但能在原施工图上进行修改的,可按设计变更进行修改加盖竣工章。 凡结构形式变更,平面布置变更以及其它重大变更,不能再在原图上修改,应由设计重新绘制后加盖竣工章。7.7.2因项目被取消或现场未施工的图纸,不须要编制竣工图,可按以下方法处理:整个项目被取消的不须要编制竣工图,应刚好收回。现场部分项目未施工的图纸应抽出取消,并在图纸书目备注栏中加以注明依据。7. 7.3竣工章的标准、格式及加盖竣工章的要求:加盖竣工图章一律运用红色泥盖印;竣工图章在施工图右下角设计图标上方,若图标上方有图表或文字,可盖在图标四周不压盖图表和文字的地方。7.7.4竣工图章中签名及日期填写必需用碳素墨水、蓝黑墨水书写,不得运用铅笔、圆珠笔、纯蓝墨水书写或盖章。8、归档要求8.1归档的文件达到完整、精确、系统,满足生产(运用)、管理、维护、改建的须要。完整是指工程档案资料的收集要与建设进程同步进行,在项目的立项到工程竣工验收投产的全过程中,各种应当归档的文件材料都要归档。精确是指对归档文件材料的记载必需与实物相符,精确地反映工程建设管理各项活动中的真实状况和历史过程。系统是指归档的文件材料,同一卷文件要按文件材料形成的时间依次排列,做到层次分明,有机联系,符合其形成的规律。8. 2工程档案归档文件应编卷、册、分册,每卷应有总书目及分书目。册下可分为分册,由立卷单位依据内容多少划分。8. 3工程档案归档文本文件应用计算机打印,但签字应本人亲自手签字。8. 4工程档案文件资料应分为文本文件和电子光盘文件。工程档案文件应分为文本文件和电子光盘文件,移交数量:工程档案资料文件应移交二套,电子光盘文件一套。8. 5工程档案文件纸张一律接受A4纸张。8. 6案卷装订要求:案卷内材料尺寸应统一;装订的案卷四边应齐整;装订用棉线,不允许有金属物。9、归档和移交时间9. 1一般性文件材料及合同协议在文书处理完毕和合同、协议履行完毕后即归档。9. 2初步设计阶段形成的材料,在初设审查批复后即归档。9. 3设计、监理、施工、设备招投标文件,一般在决标后即归档。9. 4各专业工作中形成的材料,在工作告一段落后即归档。9. 5设备开箱技术文件及图纸,现场开箱由工程总承包商、施工承包商收集后即归档。9. 6工程档案文本文件和电子光盘文件应在工程投运后三个月内移交。

    注意事项

    本文(变电站工程竣工资料变电站工程.docx)为本站会员(p**)主动上传,第壹文秘仅提供信息存储空间,仅对用户上传内容的表现方式做保护处理,对上载内容本身不做任何修改或编辑。 若此文所含内容侵犯了您的版权或隐私,请立即通知第壹文秘(点击联系客服),我们立即给予删除!

    温馨提示:如果因为网速或其他原因下载失败请重新下载,重复下载不扣分。




    关于我们 - 网站声明 - 网站地图 - 资源地图 - 友情链接 - 网站客服 - 联系我们

    copyright@ 2008-2023 1wenmi网站版权所有

    经营许可证编号:宁ICP备2022001189号-1

    本站为文档C2C交易模式,即用户上传的文档直接被用户下载,本站只是中间服务平台,本站所有文档下载所得的收益归上传人(含作者)所有。第壹文秘仅提供信息存储空间,仅对用户上传内容的表现方式做保护处理,对上载内容本身不做任何修改或编辑。若文档所含内容侵犯了您的版权或隐私,请立即通知第壹文秘网,我们立即给予删除!

    收起
    展开