欢迎来到第壹文秘! | 帮助中心 分享价值,成长自我!
第壹文秘
全部分类
  • 幼儿/小学教育>
  • 中学教育>
  • 高等教育>
  • 研究生考试>
  • 外语学习>
  • 资格/认证考试>
  • 论文>
  • IT计算机>
  • 法律/法学>
  • 建筑/环境>
  • 通信/电子>
  • 医学/心理学>
  • ImageVerifierCode 换一换
    首页 第壹文秘 > 资源分类 > DOCX文档下载
    分享到微信 分享到微博 分享到QQ空间

    3、危大工程脚手架工程巡视检查记录表.docx

    • 资源ID:41810       资源大小:30.09KB        全文页数:3页
    • 资源格式: DOCX        下载积分:10金币
    快捷下载 游客一键下载
    账号登录下载
    三方登录下载: 微信开放平台登录 QQ登录
    下载资源需要10金币
    邮箱/手机:
    温馨提示:
    快捷下载时,如果您不填写信息,系统将为您自动创建临时账号,适用于临时下载。
    如果您填写信息,用户名和密码都是您填写的【邮箱或者手机号】(系统自动生成),方便查询和重复下载。
    如填写123,账号就是123,密码也是123。
    支付方式: 支付宝    微信支付   
    验证码:   换一换

    加入VIP,免费下载
     
    账号:
    密码:
    验证码:   换一换
      忘记密码?
        
    友情提示
    2、PDF文件下载后,可能会被浏览器默认打开,此种情况可以点击浏览器菜单,保存网页到桌面,就可以正常下载了。
    3、本站不支持迅雷下载,请使用电脑自带的IE浏览器,或者360浏览器、谷歌浏览器下载即可。
    4、本站资源下载后的文档和图纸-无水印,预览文档经过压缩,下载后原文更清晰。
    5、试题试卷类文档,如果标题没有明确说明有答案则都视为没有答案,请知晓。

    3、危大工程脚手架工程巡视检查记录表.docx

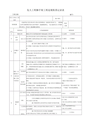
    危大工程脚手架工程巡视检查记录表编号:工程名称:单位(子单位)工程名称施工部位检查依据危险性较大的分部分项工程安全管理规定(建设部令第37号)、建筑施工扣件式钢管脚手架安全技术规范(JGJI30-2011)、电力建设安全工作规程第3部分:变电站(DL5009.3-2013)检查日期序号检查项目工作标准或要求检查结果1勘察文件勘察文件中应说明地质条件可能造成的工程风险己说明未说明2设计文件设计工作设计单位应在设计文件中注明涉及危大工程的重点部位和环节,提出保障工程周边环境安全和工程施工安全的意见,必要时应进行专项设计口已提出口未提出3专项施工方案编审批手续1 .施工前应已编制专项施工方案2 .专项施工方案应由施工单位技术负责人审核签字并加盖单位公章3 .实行专业分包并由分包单位编制专项施工方案的,专项施工方案应由总施工单位技术负责人及分包单位技术负责人共同审核签字并加盖单位公章4 .专项施工方案应报总监理工程师审批签字、并加盖执业印章口编、审、批手续齐全且符合要求口编、审、批手续不齐全或不符合要求4超过一定模的危大工程专项施工方案专家论证工程规模搭设高度50m及以上的落地式钢管脚手架工程、提升高度在15Om及以上的附着式升降脚手架工程或附着式升降操作平台工程、分段架体搭设高度20m及以上的悬挑式脚手架工程属于超过一定规模的危大工程口属于超过定规模的危大工程口不属于超过一定规模的危大工程论证组织施工单位应组织召开专家论证会对专项施工方案进行论证口已组织未组织论证结果及处置L专家论证会后,应形成论证报告,对专项施工方案提出通过、修改后通过或者不通过的一致意见。专家对论证报告负责并签字确认2 .专项施工方案经论证需修改后通过的,施工单位应当根据论证报告修改完善后,重新履行报审程序3 .专项施工方案经论证不通过的,施工单位修改后应按照规定的要求重新组织专家论证1 .、专家论证意见为:口通过口修改后通过口不通过2 .论证意见为“修改后通过”或“不通过”的后续处置情况:5现场管理公告与标识应在施工现场显著位置公告危大工程名称、施工时间和具体责任人员,并在脚手架危险区域设置安全警示标志口符合不符合交底1 .专项方案编制人员或项目技术负责人应对施工现场管理人员进行方案交底2 .施工现场管理人员应向作业人员进行安全技术交底口是否已对现场管理人员进行了交底口是否已向作业人员进行了安全技术交底人员资格脚手架搭设、拆除人员应是经考核合格的专业架子工,现场作业人证应相符口是口否取得特殊作业证口是口否人证相符管理人1 .施工单位项目负责人应在施工现场履职2 .项目专职安全生产管理人员应对脚手架工程专项施工方口符合口不符合履职案实施情况进行现场监督施工现场施工作业应严格按照专项施工方案组织施工符合口不符合6需要关注的施工过程中主要安全要求材质脚手架材料的规格和尺寸等应符合专项施工方案中的要求符合口不符合复试扣件应抽样进行复试,复试结果应符合钢管脚手架扣件GB15831的规定符合口不符合内外架外脚手架不得与内部支撑架混搭连接,必须分开分别搭设符合口不符合材料外观钢管、扣件等材料外观检查不得存在开裂、严重变形的现象符合口不符合地基基础搭设前应对地基基础与排水进行验收符合口不符合间距与步距垂直立杆间距与水平横杆的步距等应严格按照专项方案进行搭设符合口不符合扫地杆、剪刀撑扫地杆、剪刀撑应严格按照专项方案进行设置符合口不符合立杆对接L除顶层顶步外,其余各层各步接头必须采用对接扣件连接,不得采用搭接的连接方式2 .两根相邻立杆的接头不应设置在同步内3 .同步内隔一根立杆的两个相隔接头在高度方向错开距离不宜小于500mm4 .各接头中心到主节点的距离不宜大于步距的1/31 .是否采用对接扣件连接2 .接头口是否错开设置3 .接头错开距离:mm4 .抽测接头中心到主节点的距离:mm,步距的1/3,符合口不符合纵向水平杆L纵向水平杆应设置在立杆内侧2 .两根相邻纵向水平杆的接头不应设置在同步或同跨内3 .不同步或不同跨两个相邻接头在水平方向错开距离不应小于500mm4 .搭接时搭接长度不应小于IOOOnunf且采用3个旋转扣件等间距固定1 .水平杆位置符合口不符合2 .接头口是否错开设置3 .接头错开距离:mm4 .搭接长度及扣件使用口符合口不符合连墙件-般情况下,应采用刚性连墙件,连墙件数量、位置应符合专项方案要求符合口不符合脚手板1 .作业层脚手板必须铺满、铺稳、铺实2 .脚手板不得出现未固定的探头板3 .应用双层安全网兜底,施工层以下每隔IOnl应用安全网封闭L是否铺满2 .是否固定3 .是口否兜底、封闭栏杆L应在作业层设置栏杆2 .栏杆应设置在脚手架外立杆内侧3 .上栏杆高度应为1200mm4 .中栏杆应居中设置1 .是口否设置栏杆2 .栏杆是否在内侧3 .抽测栏杆高度:mm,口符合口不符合4 .是口否设置中栏杆挡脚板L应在作业层设置挡脚板2 .挡脚板应设置在脚手架外立杆内侧3 .挡脚板高度应大于180mmL口是口否设置挡脚板2 .是否在立杆内侧3 .抽测挡脚板高度:mm,符合口不符合安全网1 .应沿架体外围采用阻燃的密目式安全网全封2 .闭密目式安全网宜设置在脚手架立杆内侧,并应与架体绑扎牢固L口是否挂设密目安全网2.是否与架体绑扎牢固螺栓螺栓拧紧扭力矩应叁40Ym,且65Nm抽测扭矩值:N.m紧固符合口不符合杆件外伸各杆件端头伸出扣件盖板边缘的长度应大于IOOmm抽测值:nun符合口不符合接地施工现场内的脚手架应进行可嵬防雷接地符合口不符合使用前验收脚手架在搭设完毕投入使用前,应由施工、监理进行验收。合格后双方签字,并在明显位置设置验收合格标识后,方可投入使用已验收,且验收合格口已验收,但验收不合格口未验收使用1 .作业层上施工荷载不得超载2 .不得将缆风绳、泵管等固定在架体上3 .严禁悬挂起重设备4 .严禁拆除和移动架体上的安全防护设施L是口否有集中堆载现象2 .是否有把缆风绳与泵管固定在架体上的现象3 .口是口否有安装起重吊装设备于架体上的现象4 .口是口否有擅自拆除或移动架体或防护栏杆、安全网的现象维保L脚手架使用中是否对基础、立杆、连墙件、大横杆及扣件等进行日常检查维护,是否形成检查记录2.遇有六级强风及以上风或大雨后,或停用超过1个月后,必须对脚手架进行检查与验收L口是否开展日常维保,并形成记录2.大风、大雨后及复工前,口是口否按规定开展检查与验收拆除1 .脚手架拆除作业应由上而下逐层进行2 .严禁上下同时作业3 .连墙件必须随脚手架逐层拆除,严禁先将连墙件整层或数层拆除后再拆脚手架,分段拆除高差大于两步时,应增设连堵件加固4 .卸料时各构配件严禁抛扔至地面1 .口是否由上到下2 .是口否上下同时拆除3.口是否先拆连墙件后拆架体4.口是口否直接抛至地面7施工档案施工单位是否建立危大工程安全管理档案台账口已建立口未建立口已建立,但资料有差缺发现问题及处理情况:结论:监理人员(签字):日期:

    注意事项

    本文(3、危大工程脚手架工程巡视检查记录表.docx)为本站会员(p**)主动上传,第壹文秘仅提供信息存储空间,仅对用户上传内容的表现方式做保护处理,对上载内容本身不做任何修改或编辑。 若此文所含内容侵犯了您的版权或隐私,请立即通知第壹文秘(点击联系客服),我们立即给予删除!

    温馨提示:如果因为网速或其他原因下载失败请重新下载,重复下载不扣分。




    关于我们 - 网站声明 - 网站地图 - 资源地图 - 友情链接 - 网站客服 - 联系我们

    copyright@ 2008-2023 1wenmi网站版权所有

    经营许可证编号:宁ICP备2022001189号-1

    本站为文档C2C交易模式,即用户上传的文档直接被用户下载,本站只是中间服务平台,本站所有文档下载所得的收益归上传人(含作者)所有。第壹文秘仅提供信息存储空间,仅对用户上传内容的表现方式做保护处理,对上载内容本身不做任何修改或编辑。若文档所含内容侵犯了您的版权或隐私,请立即通知第壹文秘网,我们立即给予删除!

    收起
    展开