欢迎来到第壹文秘! | 帮助中心 分享价值,成长自我!
第壹文秘
全部分类
  • 幼儿/小学教育>
  • 中学教育>
  • 高等教育>
  • 研究生考试>
  • 外语学习>
  • 资格/认证考试>
  • 论文>
  • IT计算机>
  • 法律/法学>
  • 建筑/环境>
  • 通信/电子>
  • 医学/心理学>
  • ImageVerifierCode 换一换
    首页 第壹文秘 > 资源分类 > DOCX文档下载
    分享到微信 分享到微博 分享到QQ空间

    35kV主变调试报告.docx

    • 资源ID:41809       资源大小:32.55KB        全文页数:7页
    • 资源格式: DOCX        下载积分:10金币
    快捷下载 游客一键下载
    账号登录下载
    三方登录下载: 微信开放平台登录 QQ登录
    下载资源需要10金币
    邮箱/手机:
    温馨提示:
    快捷下载时,如果您不填写信息,系统将为您自动创建临时账号,适用于临时下载。
    如果您填写信息,用户名和密码都是您填写的【邮箱或者手机号】(系统自动生成),方便查询和重复下载。
    如填写123,账号就是123,密码也是123。
    支付方式: 支付宝    微信支付   
    验证码:   换一换

    加入VIP,免费下载
     
    账号:
    密码:
    验证码:   换一换
      忘记密码?
        
    友情提示
    2、PDF文件下载后,可能会被浏览器默认打开,此种情况可以点击浏览器菜单,保存网页到桌面,就可以正常下载了。
    3、本站不支持迅雷下载,请使用电脑自带的IE浏览器,或者360浏览器、谷歌浏览器下载即可。
    4、本站资源下载后的文档和图纸-无水印,预览文档经过压缩,下载后原文更清晰。
    5、试题试卷类文档,如果标题没有明确说明有答案则都视为没有答案,请知晓。

    35kV主变调试报告.docx

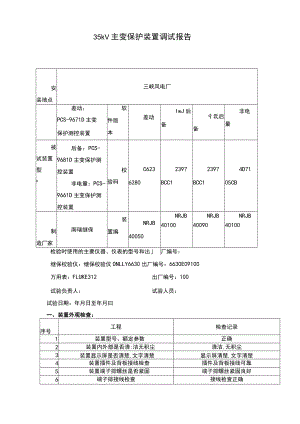
    35kV主变保护装置调试报告安装地点三峡风电厂差动:PCS-9671D主变保护测控装置软件版本差动IwJ后备彳氐后备非电量被试装置型后备:PCS-9681D主变保护测控装置非电量:PCS-9661D主变保护测控装置校验码C62362802397BCC12397BCC14D7105CB制造厂家南瑞继保装置编NRJB40050NRJB40100NRJB40090NRJB40100检验时使用的主要仪器、仪表的型号和出厂编号:继保校验仪:继保校验仪ONLLY6630出厂编号:6630E09100万用表:FLUKE312出厂编号:100试验负责人:试验人员:试验日期:年月日至年月曰一、装置外观检查:序号工程检查记录1装置型号、额定参数正确2装置内外部是否清:洁无积尘清洁,无积尘3装置显示屏是否清楚,文字清楚显示屏清楚,文字清楚4装置插件及背板接线检查插件及背板接线可靠5装置端子排螺丝是否紧固端子排螺丝紧固良好6端子排接线检查接线检查正确7保护硬连片的检查硬联片核对正确无误二、交流二次回路的检查及检验:1、交流电流二次回路的检查及检验:电流回路接地是否正确并符合反措要求:结论:电流回路检查接地正确,复合反措要求.电流回路试验端子短接片是否短接牢固,电流端子是否合格:结论:对全部电流试验端子及端子短接片全部紧固.电流回路接线是否标准和正确,线号标示是否清楚正确,对不合格的应更换:结论:电流回路接线标准、正确,线号标示清楚正确.2、交流电压二次回路的检查及检验:电压回路接地是否正确并符合反措要求:结论:经检查电压回路接地正确,符合反措的要求.电压二次回路中所有空开的装设地点、脱扣电流是否适宜、质量是否良好,能否保证选择性,自动空开线圈阻抗值是否适宜,对不合格的应更换:结论:经检查电压二次回路中所用空开各项要求均良好.测量电压回路在额定容量下的二次压降,其值不应超过额定电压的3%:结论:测二次压降,满足要求.三、二次回路的检查:1、绝缘检查:从该间隔端子排上断开所有外部引入的回路及电缆全部断开,测量二次电缆对地及电缆各芯之间的绝缘阻值应大于IOMQ;装置侧各电流、电压、直流限制、信号回路各自的绝缘检查,用IoOOV兆欧表测量绝缘电阻,起阻值均大于10MQ;结论:分别将该间隔同根电缆各芯短接,对地测绝缘,其阻值平均为86MQ;测量电缆内各芯之间的绝缘阻值平均为69MQ;测,装置侧电流回路、电压回路、限制回路、信号回路各自对地之间的阻值均大于IoMQ;二次回路绝缘测试结果满足检验规程的要求.2、回路检查:所有信号回路接线是否标准、正确,接线是否牢固,线号标示是否清楚正确,对不合格的应更换:结论:所有信号回路接线标准、正确,接线牢固,线号标示清楚、正确四、装置上电检查:1、检查并记录装置的硬件和软件版本号、校验码等信息:装置上电检查:结论:装置上电后,正常工作,检查合格装置各按键是否灵活,接触良好:结论:检查良好.装置掉电后重新上电,确认时钟回路的正确性:结论:检查正确.五、开关输入回路检验:检查工程检查结果检修态正确投差动正确投距离保护正确投零序保护正确A相跳闸位置正确B相跳闸位置正确C相跳闸位置正确复归L3正确结论正确开关量输出回路检验:检查工程检查结果跳高压断路器出口正确跳低压断路器出口正确非电跳高压断路器出口正确非电量跳低压断路器出口正确本体重瓦斯正确有载重瓦斯正确结论正确二、装置保护功能校验1、零漂检查a(b(lc(UaUbUcA)A)A)高压侧0.02A0.01AA低压侧0.04A0.05A0.03AVV2、装置各模块CPU的通电检查:a.电压通道检查外力口电压微机保护显示值UAUBUC9.999.989.9919.9929.9829.9729.9840.0757.75结论合格合格合格b.电流通道检查外加电流微机保护显示值()高压侧低压侧IaIbIcIaIbIcAAAAAAAAAAAAAA结论合格合格合格合格合格合格C.电压与电流的相位检查(相位以UA为基准)角度UAUBUCIalIblIC10°0°-120O120O0°-120O120O45°0°-120120-45-16475°1200°-120120-1201200°3、保护检验工程:A差动保护比率制动试验:第1点第2点制动电流A高压侧A相电流OoAA高压侧B相电流18OoAA高压侧C相电流OoAAA相差动动作电流AAB二次谐波制动系数试验定值:15%试验值:C差动速断试验:6A相别ABC外加电流值A动作行为倍不动作倍动作倍不动作倍动作倍不动作倍动作动作时间ms高压侧后备保护:名称整定值整定时问冬外加量A动作情况动作时间备注复压方向过流I段电1倍整定值不动作11投流.97A倍整定值动作2ms复压方向过流11段电流1.97A倍整定值不动作51Oms退倍整定值动作高压侧过负荷保护电流5A9S倍整定值不动作91OOms投倍整定值动作复合电压保护负序电压7V37V动作正确无投复合电压保护低电压7OV匕匚动作正确无投零序电流I段t1电流1.67A倍整定值不动作11Oms投倍整定值动作零序电流I段t2电流1.67A倍整定值不动作712ms投倍整定值动作零序电流Il段t1电流1.67A1S倍整定值不动作1011ms投倍整定值动作零序电流Il段t2电流1.67A倍整定值不动作1513ms投倍整定值动作零序间隙电流2.5A倍整定值不动作502ms投倍整定值动作零序间隙电压180V180V动作正确512ms投低压侧后备保护:名称整定值整定时间外加量A动作情况动作时间备注复压方向过流I段t1电流3.25A倍整定值不动作110ms投倍整定值动作复压方向过流I段t2电流3.25A倍整定值不动作513ms投倍整定值动作过负荷保护电流5A9s倍整定值不动作9021ms投倍整定值动作复合电压保护负序电压定值7V无不动作动作正确无投复合电压保护低电压定值7OV无动作动作正确无投非电量保护:1、主变本体重瓦斯、有载重瓦斯、压力释放均正确动作跳三侧断路器.2、主变本体轻瓦斯、有载轻瓦斯均正确动作发信号.3、主变本体温度计与主变限制屏温度显示仪显示根本一致.4、主变调档动作正确.结论:以上定值为调试定值非运行定值,调试中带断路器传动试验保护正确动作出口跳开断路器,非电量动作正确,断路器分合位信号及本站与后台机四遥信息正确.

    注意事项

    本文(35kV主变调试报告.docx)为本站会员(p**)主动上传,第壹文秘仅提供信息存储空间,仅对用户上传内容的表现方式做保护处理,对上载内容本身不做任何修改或编辑。 若此文所含内容侵犯了您的版权或隐私,请立即通知第壹文秘(点击联系客服),我们立即给予删除!

    温馨提示:如果因为网速或其他原因下载失败请重新下载,重复下载不扣分。




    关于我们 - 网站声明 - 网站地图 - 资源地图 - 友情链接 - 网站客服 - 联系我们

    copyright@ 2008-2023 1wenmi网站版权所有

    经营许可证编号:宁ICP备2022001189号-1

    本站为文档C2C交易模式,即用户上传的文档直接被用户下载,本站只是中间服务平台,本站所有文档下载所得的收益归上传人(含作者)所有。第壹文秘仅提供信息存储空间,仅对用户上传内容的表现方式做保护处理,对上载内容本身不做任何修改或编辑。若文档所含内容侵犯了您的版权或隐私,请立即通知第壹文秘网,我们立即给予删除!

    收起
    展开