欢迎来到第壹文秘! | 帮助中心 分享价值,成长自我!
第壹文秘
全部分类
  • 幼儿/小学教育>
  • 中学教育>
  • 高等教育>
  • 研究生考试>
  • 外语学习>
  • 资格/认证考试>
  • 论文>
  • IT计算机>
  • 法律/法学>
  • 建筑/环境>
  • 通信/电子>
  • 医学/心理学>
  • ImageVerifierCode 换一换
    首页 第壹文秘 > 资源分类 > DOCX文档下载
    分享到微信 分享到微博 分享到QQ空间

    ××产品质量监督抽查实施细则.docx

    • 资源ID:416667       资源大小:9.40KB        全文页数:4页
    • 资源格式: DOCX        下载积分:5金币
    快捷下载 游客一键下载
    账号登录下载
    三方登录下载: 微信开放平台登录 QQ登录
    下载资源需要5金币
    邮箱/手机:
    温馨提示:
    快捷下载时,如果您不填写信息,系统将为您自动创建临时账号,适用于临时下载。
    如果您填写信息,用户名和密码都是您填写的【邮箱或者手机号】(系统自动生成),方便查询和重复下载。
    如填写123,账号就是123,密码也是123。
    支付方式: 支付宝    微信支付   
    验证码:   换一换

    加入VIP,免费下载
     
    账号:
    密码:
    验证码:   换一换
      忘记密码?
        
    友情提示
    2、PDF文件下载后,可能会被浏览器默认打开,此种情况可以点击浏览器菜单,保存网页到桌面,就可以正常下载了。
    3、本站不支持迅雷下载,请使用电脑自带的IE浏览器,或者360浏览器、谷歌浏览器下载即可。
    4、本站资源下载后的文档和图纸-无水印,预览文档经过压缩,下载后原文更清晰。
    5、试题试卷类文档,如果标题没有明确说明有答案则都视为没有答案,请知晓。

    ××产品质量监督抽查实施细则.docx

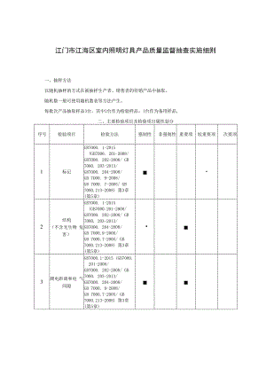
    江门市江海区室内照明灯具产品质量监督抽查实施细则一、抽样方法以随机抽样的方式在被抽样生产者、销售者的待销产品中抽取。随机数一般可使用随机数表等方法产生。每批次产品抽取样品3台,其中2台作为检验样品,1台作为备用样品,二、主要检验项目及检验项目属性划分序号检验项目检验方法强制性非强制性重要项较重要项次要项1标记GB7000. 1-2015 (GB7000. 201-2008/GB7000. 202-2008/ GB 7000. 203-2013/GB7000. 204-2008/GB 7000. 9-2008/GB 7000. 7-2005/ GB 7000.213-2008) 第3章(第5章)2结构(不含光生物 危害)GB7000. 1-2015 (GB7000.201-2008/GB7000. 202-2008/ GB 7000. 203-2013/GB7000. 204-2008/GB 7000.9-2008/GB 7000.7-2005/ GB 7000.213-2008) 第3章(第5章)3爬电距离和电 气间隙GB7000.1-2015 (GB7000. 201-2008/GB7000. 202-2008/ GB 7000. 203-2013/GB7000. 204-2008/GB 7000. 9-2008/GB 7000.7-2005/ GB 7000.213-2008) 第3章(第5章)4接地规定GB7000. 1-2015 (GB7000. 201-2008/GB7000. 202-2008/ GB 7000. 203-2013/GB7000. 204-2008/GB 7000. 9-2008/GB 7000. 7-2005/GB 7000.213-2008) 第3章(第5章)5接线端子GB7000. 1-2015 (GB7000. 201-2008/GB7000. 202-2008/ GB 7000. 203-2013/GB7000. 204-2008/GB 7000. 9-2008/GB 7000. 7-2005/GB 7000.213-2008) 第3章(第5章)6内部和外部接 线GB7000. 1-2015 (GB7000. 201-2008/GB7000. 202-2008/ GB 7000. 203-2013/GB7000. 204-2008/GB 7000. 9-2008/GB 7000. 7-2005/GB 7000.213-2008) 第3章(第5章)7防触电保护GB7000. 1-2015 (GB7000. 201-2008/GB7000. 202-2008/ GB 7000.203-2013/GB7000. 204-2008/GB 7000.9-2008/GB 7000.7-2005/ GB 7000.213-2008) 第3章(第5章)8耐久性试验和 热试验GB7000. 1-2015 GB7000. 201-2008 第12章(第12章)9防尘、防固体 异物和防水GB7000.1-2015 (GB7000. 201-2008/GB7000. 202-2008/ GB 7000.203-2013/GB7000. 204-2008/GB 7000. 9-2008/GB 7000. 7-2005/GB 7000.213-2008) 第3章(第5章)10绝缘电阻和电 气强度GB7000. 1-2015 (GB7000. 201-2008/GB7000. 202-2008/ GB 7000. 203-2013/GB7000. 204-2008/GB 7000. 9-2008/GB 7000. 7-2005/ GB 7000.213-2008) 第3章(第5章)11耐热、耐火和 耐起痕GB7000. 1-2015 (GB7000. 201-2008/GB7000. 202-2008/ GB 7000. 203-2013/GB7000. 204-2008/GB 7000. 9-2008/GB 7000. 7-2005/ GB 7000.213-2008) 第3章(第5章)12谐波电流GB 17625. 1-2012第7章注:功率小于或等于25W的LED灯具不进行谐波电流的检测。执行企业标准、团体标准、地方标准的产品,检验项目参照上述内容执行。凡是注日期的文件,其随后所有的修改单(不包括勘误的内容)或修订版不适用于本细则。凡 是不注日期的文件,其最新版本适用于本细则。三、判定规则(-)依据标准GB 7000. 1-2015灯具 第1部分:一般要求与试验GB 7000.201-2008灯具第2-1部分:特殊要求 固定式通用灯具GB 7000. 202-2008灯具 第2-2部分:特殊要求 嵌入式灯具GB 7000. 203-2013灯具 第2-3部分:特殊要求 道路与街路照明灯具GB 7000. 204-2008灯具第2-4部分:特殊要求可移式通用灯具GB 7000.213-2008灯具第2-13部分:特殊要求地面嵌入式灯具GB 7000. 7-2005投光灯具安全要求GB 7000. 9-2008灯具第2-20部分:特殊要求灯串GB 17625. 1-2012电磁兼容限值 谐波电流发射限值(设备每相输入电流W16A)现行有效的企业标准、团体标准、地方标准及产品明示质量要求(二)判定原则经检验,检验项目全部合格,判定为抽取的样本所检项目未检出不合格;检验项目中任一项或 一项以上不合格,判定为被抽查产品不合格。当被检样品明示的质量要求优于监督抽查实施细则中依据的标准要求时.,应按被检样品明示的 质量要求判定;当被检样品明示的质量要求劣于或不包含监督抽查实施细则中依据的强制性标准要求时,应按 照强制性标准要求判定;当被检样品明示的质量要求劣于或包含监督抽查实施细则中依据的推荐性标准要求时,应以被 检样品明示的质量要求判定,如相应检验结果不符合相关推荐性标准要求时,应在检验报告中予以 说明;当被检样品明示的质量要求不包含监督抽查实施细则中依据的推荐性标准要求时,该指标不参 与判定,但应在检验报告中作出说明;当被检样品未能提供有效的企业标准时,按相关国家或行业标准进行判定;当被检样品标签标识中执行标准信息和产品类别信息不明或有误,影响检测和判定时,可根据 相关强制性标准要求,同时结合产品特点等信息判断和选择相关标准进行检验,并应在检验报告中 作出相关说明;按照产品质量相关法律法规的规定判定。检验中发现因样品失效或者其他原因致使检验无法进行的,检验人员应如实记录,并提供相关 证明材料,报送组织监督抽查的市场监管部门。

    注意事项

    本文(××产品质量监督抽查实施细则.docx)为本站会员(p**)主动上传,第壹文秘仅提供信息存储空间,仅对用户上传内容的表现方式做保护处理,对上载内容本身不做任何修改或编辑。 若此文所含内容侵犯了您的版权或隐私,请立即通知第壹文秘(点击联系客服),我们立即给予删除!

    温馨提示:如果因为网速或其他原因下载失败请重新下载,重复下载不扣分。




    关于我们 - 网站声明 - 网站地图 - 资源地图 - 友情链接 - 网站客服 - 联系我们

    copyright@ 2008-2023 1wenmi网站版权所有

    经营许可证编号:宁ICP备2022001189号-1

    本站为文档C2C交易模式,即用户上传的文档直接被用户下载,本站只是中间服务平台,本站所有文档下载所得的收益归上传人(含作者)所有。第壹文秘仅提供信息存储空间,仅对用户上传内容的表现方式做保护处理,对上载内容本身不做任何修改或编辑。若文档所含内容侵犯了您的版权或隐私,请立即通知第壹文秘网,我们立即给予删除!

    收起
    展开