欢迎来到第壹文秘! | 帮助中心 分享价值,成长自我!
第壹文秘
全部分类
  • 幼儿/小学教育>
  • 中学教育>
  • 高等教育>
  • 研究生考试>
  • 外语学习>
  • 资格/认证考试>
  • 论文>
  • IT计算机>
  • 法律/法学>
  • 建筑/环境>
  • 通信/电子>
  • 医学/心理学>
  • ImageVerifierCode 换一换
    首页 第壹文秘 > 资源分类 > DOCX文档下载
    分享到微信 分享到微博 分享到QQ空间

    拍照式扫描仪产品技术参数.docx

    • 资源ID:413580       资源大小:19.71KB        全文页数:3页
    • 资源格式: DOCX        下载积分:5金币
    快捷下载 游客一键下载
    账号登录下载
    三方登录下载: 微信开放平台登录 QQ登录
    下载资源需要5金币
    邮箱/手机:
    温馨提示:
    快捷下载时,如果您不填写信息,系统将为您自动创建临时账号,适用于临时下载。
    如果您填写信息,用户名和密码都是您填写的【邮箱或者手机号】(系统自动生成),方便查询和重复下载。
    如填写123,账号就是123,密码也是123。
    支付方式: 支付宝    微信支付   
    验证码:   换一换

    加入VIP,免费下载
     
    账号:
    密码:
    验证码:   换一换
      忘记密码?
        
    友情提示
    2、PDF文件下载后,可能会被浏览器默认打开,此种情况可以点击浏览器菜单,保存网页到桌面,就可以正常下载了。
    3、本站不支持迅雷下载,请使用电脑自带的IE浏览器,或者360浏览器、谷歌浏览器下载即可。
    4、本站资源下载后的文档和图纸-无水印,预览文档经过压缩,下载后原文更清晰。
    5、试题试卷类文档,如果标题没有明确说明有答案则都视为没有答案,请知晓。

    拍照式扫描仪产品技术参数.docx

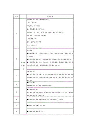
    序号参数规格1拍照式扫描仪一套设备满足以下环境长期稳定地工作。(1)工作环境:环境温度:5C-40温度变化最大值:ll°Ch光照强度:0.1万1万IX(LUX)(相当于没有太阳的室外)相对湿度:10%95%(无冷凝)(2)供电系统:电压:220V±10%,单相频率:50Hz±2%用电设备要求接地可靠2镜头参数:单幅测量范围2165mm(±5mm)×125mm(±5mm)×125mm(÷5mm),点间距WO.055mm。整体测量精度不低于±0.009mm(VDI/VDEpart3部分球心距离验证)。更换测量范围镜头时,无需断电,支持热插拔无需调整镜头的光圈、焦距以及相机间距离,直接更换镜头后校准即可使用。3相机及像素:对称工业级CCD相机,具有三重扫描成像功能(投标时需提供功能实现说明及证明材料),相机像素不低于800万像素,镜头带有独立的专用外置保护罩4投影光栅:光栅能够采集半径为0.5mm的点云数据。5蓝光均衡功能:具有蓝光均衡器控制功能,使测量范围内所有区域蓝光分布均匀,确保边缘数据质量清晰,精度可靠。6所有测量范围的测量距离(测头距离被测物体):2485mm7扫描仪测头重量:4.5kg8单幅数据扫描时间:ls采用光纤数据传输方式,确保单幅扫描效率,线缆长度不低于9IOm监测功能:在扫描过程中一旦遇到设备或者工件收到外界因素干扰产生振动10或者移动所导致测量精度超出设备精度会自动报警。包括检测扫描头精度,拼合精度、扫描过程中的环境振动等。智能设置测量引导114.1引导扫描工作流程,智能提示下一步扫描的操作内容,保证初学者短时间内可使用扫描仪进行数据扫描采集。智能镜头识别系统,选择测量范围与镜头不匹配时,提示镜头不12符,无法进行后续校准步骤,避免操作人员疏忽导致的系统无法正常运行。对扫描头进行硬件设置时,带有图形引导调整功能,提高调整质13量,以达到设备的最佳性能对称工业级CCD立体相机,镜头,内置电源、扫描头控制器、LED14冷光源投影光源,寿命在1万小时以上。镜头防护罩15扫描头上每个镜头须配有独立镜头防护罩,隔离灰尘及避免碰撞、接触镜头,提高系统使用稳定性。其它配置16用于标定CCD镜头的校标板1套17原装参考点若干;18配套工具箱(温度计,内六角,卷尺,剪刀,镶子等)19扫描遥控器;20设备、镜头防震包装箱1套;后续根据实际工作需求,厂家能在该扫描头基础上增加其它测量21范围镜头组,有偿升级。(提供承诺函)软件配置和功能22正版操作系统软件WindOWS10(64Bit),中文界面。23扫描功能、检测功能、生成报告功能需集成在同一软件内,无需切换24扫描软件需包含以下功能测量数据采集和项目管理扫描头的调整和标定是通过软件来进行的实时显示扫描图像在线显示扫描头位置标定过程中会有提示和自动监测功能三维坐标,通过参考点或表面特征可以自动拼接,自动计算网格输出STL格式的扫描数据拟合元素(最大内切元素和最小外接元素,高斯计算和切比雪夫计算)多截面(根据轴线平行、放射形和沿曲线截面)距离、角度和虚拟卡尺相交、投影、垂直投射、平均值标称/实际元素的比较,输入标准格式的CAD数据:IGES,STEPjSTLo25检测功能能实现自动预对齐、最佳拟合、RPS对齐、局部坐标系在CAD上定义公差对比实际数据和标称数据色彩偏差图,可选择内置图例或自定义图例截面色彩偏差图,可进行偏差标注,材料厚度计算,智创键:使分配测量原理和进行检测更方便,根据局部坐标系进行尺寸标注,根据DINISOIlOl和ASMEY14.5标准检测形位公差,报告模块,生成报告(表格、截图、画中画、目录、封面)显示对齐信息,输出报告形式:CSV表格,PNG和PDF。26设备的安全保护设施设备的安全防护技术条件应符合中国国家标准或相关的国际标准。27设备须适合当地标准,当安全标准与本技术规范的其它标准发生冲突时,安全标准具有优先权。28所有的安全说明书及安全标志须用国际通用符号标识,或用中、英文两种文字标识,在设备发运时,所有安全标志须贴好。29设备控制系统在遇到突然停电或其它意外事故时具备自我保护措施及数据不丢失的能力。

    注意事项

    本文(拍照式扫描仪产品技术参数.docx)为本站会员(p**)主动上传,第壹文秘仅提供信息存储空间,仅对用户上传内容的表现方式做保护处理,对上载内容本身不做任何修改或编辑。 若此文所含内容侵犯了您的版权或隐私,请立即通知第壹文秘(点击联系客服),我们立即给予删除!

    温馨提示:如果因为网速或其他原因下载失败请重新下载,重复下载不扣分。




    关于我们 - 网站声明 - 网站地图 - 资源地图 - 友情链接 - 网站客服 - 联系我们

    copyright@ 2008-2023 1wenmi网站版权所有

    经营许可证编号:宁ICP备2022001189号-1

    本站为文档C2C交易模式,即用户上传的文档直接被用户下载,本站只是中间服务平台,本站所有文档下载所得的收益归上传人(含作者)所有。第壹文秘仅提供信息存储空间,仅对用户上传内容的表现方式做保护处理,对上载内容本身不做任何修改或编辑。若文档所含内容侵犯了您的版权或隐私,请立即通知第壹文秘网,我们立即给予删除!

    收起
    展开