欢迎来到第壹文秘! | 帮助中心 分享价值,成长自我!
第壹文秘
全部分类
  • 幼儿/小学教育>
  • 中学教育>
  • 高等教育>
  • 研究生考试>
  • 外语学习>
  • 资格/认证考试>
  • 论文>
  • IT计算机>
  • 法律/法学>
  • 建筑/环境>
  • 通信/电子>
  • 医学/心理学>
  • ImageVerifierCode 换一换
    首页 第壹文秘 > 资源分类 > DOCX文档下载
    分享到微信 分享到微博 分享到QQ空间

    2021年木制家具产品省级监督抽查实施细则.docx

    • 资源ID:411070       资源大小:23.28KB        全文页数:3页
    • 资源格式: DOCX        下载积分:5金币
    快捷下载 游客一键下载
    账号登录下载
    三方登录下载: 微信开放平台登录 QQ登录
    下载资源需要5金币
    邮箱/手机:
    温馨提示:
    快捷下载时,如果您不填写信息,系统将为您自动创建临时账号,适用于临时下载。
    如果您填写信息,用户名和密码都是您填写的【邮箱或者手机号】(系统自动生成),方便查询和重复下载。
    如填写123,账号就是123,密码也是123。
    支付方式: 支付宝    微信支付   
    验证码:   换一换

    加入VIP,免费下载
     
    账号:
    密码:
    验证码:   换一换
      忘记密码?
        
    友情提示
    2、PDF文件下载后,可能会被浏览器默认打开,此种情况可以点击浏览器菜单,保存网页到桌面,就可以正常下载了。
    3、本站不支持迅雷下载,请使用电脑自带的IE浏览器,或者360浏览器、谷歌浏览器下载即可。
    4、本站资源下载后的文档和图纸-无水印,预览文档经过压缩,下载后原文更清晰。
    5、试题试卷类文档,如果标题没有明确说明有答案则都视为没有答案,请知晓。

    2021年木制家具产品省级监督抽查实施细则.docx

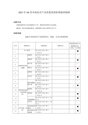
    2021年XX省木制家具产品质量省级监督抽查细则1抽样方法以随机抽样的方式在被抽样生产者、销售者的待销产品中抽取。随机数一般可使用随机数表、随机数骰子或扑克牌等方法产生。2检验依据2020年木制家具产品检验项目、依据、方法及重要程度序号检测项目依据标准检测方法重要程度或不合格程度分类A类aB类61木工要求GB/T3324-2017/表3一序号272表面理化性能(漆膜)耐液性GB/T3324-2017/表4一序号13耐湿热GB/T3324-2OC7/表4一序号24耐干热GB/T3324-2017/表4一序号35附着力GB/T3324-2017/表4一序号46耐磨性GB/T3324-2017/表4一序号67抗冲击GB/T3324-2017/表4一序号78表面理化性能(软硬质覆面)耐冷热循环GB/T3324-2017/表4一序号89耐干热GB/T3324-2017/表4一序号910耐湿热GB/T3324-2017/表4一序号1011耐划痕GB/T3324-2017/表4一序号1112表面耐磨性GB/T3324-2017/表4一序号1313抗冲击GB/T3324-2017/表4一序号14.14力学性能(柜类)结构和底架强度GB/T3324-2017/表5一序号415推拉构件结构强度GB/T3324-2017/表5一序号416推拉构件强度GB/T3324-2017/表5一序号417稳定性GB/T3324-2017/表5一序号718力学性能(桌类)垂直静载荷试验GB/T3324-2017/表5一序号119水平静载荷试验GB/T3324-2017/表5一序号120桌面垂直冲击GB/T3324-2017/表5一序号121桌腿跌落GB/T3324-2017/表5一序号122稳定性GB/T3324-2017/表5一序号523力学性能(椅凳类)座面椅背静载荷GB/T3324-2017/表5一序号224椅腿前向静载荷GB/T3324-2017/表5一序号225椅腿侧向静载荷GB/T3324-2017/表5一序号226座面冲击试验GB/T3324-2017/表5一序号227跌落试验GB/T3324-2017/表5一序号228稳定性GB/T3324-2017/表5一序号629力学性能(单层床类)床铺面集中静载荷GB/T3324-2017/表5一序号330床长边静载荷GB/T3324-2017/表5一序号331床铺面冲击载荷GB/T3324-2017/表5一序号332标识与实物一致性33甲醛释放量GB185842001/表1GB18584-2001/5.134重金属含量GB185842001/表1GB18584-2001/5.2A类极重要质量项目B类重要质量项目备注3判定规则3.1 依据标准GB18584-2001室内装饰装修材料木家具中有害物质限量强制性GB/T3324-2017木家具通用技术条件推荐性现行有效的企业标准、团体标准、地方标准及产品明示质量要求3.2 判定原则若被检产品明示的质量要求高于本细则中检验项目依据的标准要求时,应按被检产品明示的质量要求判定。若被检产品明示的质量要求低于本细则中检验项目依据的强制性标准要求时,应按照强制性标准要求判定。若被检产品明示的质量要求低于或包含本细则中检验项目依据的推荐性标准要求时,应以被检产品明示的质量要求判定,但应在检验报告备注中进行说明。若被检产品明示的质量要求缺少本细则中检验项目依据的强制性标准要求时,应按照强制性标准要求判定。若被检产品明示的质量要求缺少本细则中检验项目依据的推荐性标准要求时,该项目不参与判定,但应在检验报告备注中进行说明。经检验,单项判定全部合格,判定为被抽查产品合格;单项判定中任一项或一项以上不合格,判定为被抽查产品不合格。

    注意事项

    本文(2021年木制家具产品省级监督抽查实施细则.docx)为本站会员(p**)主动上传,第壹文秘仅提供信息存储空间,仅对用户上传内容的表现方式做保护处理,对上载内容本身不做任何修改或编辑。 若此文所含内容侵犯了您的版权或隐私,请立即通知第壹文秘(点击联系客服),我们立即给予删除!

    温馨提示:如果因为网速或其他原因下载失败请重新下载,重复下载不扣分。




    关于我们 - 网站声明 - 网站地图 - 资源地图 - 友情链接 - 网站客服 - 联系我们

    copyright@ 2008-2023 1wenmi网站版权所有

    经营许可证编号:宁ICP备2022001189号-1

    本站为文档C2C交易模式,即用户上传的文档直接被用户下载,本站只是中间服务平台,本站所有文档下载所得的收益归上传人(含作者)所有。第壹文秘仅提供信息存储空间,仅对用户上传内容的表现方式做保护处理,对上载内容本身不做任何修改或编辑。若文档所含内容侵犯了您的版权或隐私,请立即通知第壹文秘网,我们立即给予删除!

    收起
    展开