欢迎来到第壹文秘! | 帮助中心 分享价值,成长自我!
第壹文秘
全部分类
  • 幼儿/小学教育>
  • 中学教育>
  • 高等教育>
  • 研究生考试>
  • 外语学习>
  • 资格/认证考试>
  • 论文>
  • IT计算机>
  • 法律/法学>
  • 建筑/环境>
  • 通信/电子>
  • 医学/心理学>
  • ImageVerifierCode 换一换
    首页 第壹文秘 > 资源分类 > DOCX文档下载
    分享到微信 分享到微博 分享到QQ空间

    太阳能光伏建筑一体化及节能幕墙节能门窗生产基地建设项目拟采取的防治措施及预期治理效果.docx

    • 资源ID:407980       资源大小:17.63KB        全文页数:2页
    • 资源格式: DOCX        下载积分:5金币
    快捷下载 游客一键下载
    账号登录下载
    三方登录下载: 微信开放平台登录 QQ登录
    下载资源需要5金币
    邮箱/手机:
    温馨提示:
    快捷下载时,如果您不填写信息,系统将为您自动创建临时账号,适用于临时下载。
    如果您填写信息,用户名和密码都是您填写的【邮箱或者手机号】(系统自动生成),方便查询和重复下载。
    如填写123,账号就是123,密码也是123。
    支付方式: 支付宝    微信支付   
    验证码:   换一换

    加入VIP,免费下载
     
    账号:
    密码:
    验证码:   换一换
      忘记密码?
        
    友情提示
    2、PDF文件下载后,可能会被浏览器默认打开,此种情况可以点击浏览器菜单,保存网页到桌面,就可以正常下载了。
    3、本站不支持迅雷下载,请使用电脑自带的IE浏览器,或者360浏览器、谷歌浏览器下载即可。
    4、本站资源下载后的文档和图纸-无水印,预览文档经过压缩,下载后原文更清晰。
    5、试题试卷类文档,如果标题没有明确说明有答案则都视为没有答案,请知晓。

    太阳能光伏建筑一体化及节能幕墙节能门窗生产基地建设项目拟采取的防治措施及预期治理效果.docx

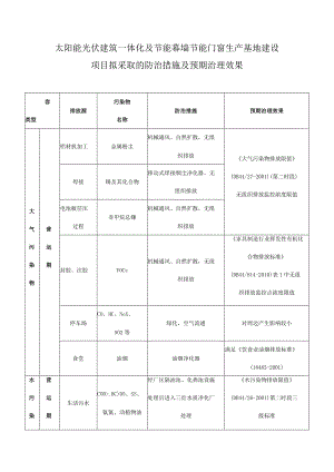
    太阳能光伏建筑一体化及节能幕墙节能门窗生产基地建设项目拟采取的防治措施及预期治理效果容类型排放源污染物名称防治措施预期治理效果大气污染物营运期铝材机加工金属粉尘机械通风、自然扩散,无组织排放大气污染物排放限值(DB44/27-2001)(第二时段)无组织排放监控浓度限值焊接锡及其化合物移动式焊接烟尘净化器,无组织排放电池板层压过程非甲烷总嫌机械通风、自然扩散,无组织排放封胶、注胶VOCs机械通风、自然扩散,无组织排放家具制造行业挥发性有机化合物排放标准(DB44/814-2010)表1中无组织排放监控点浓度限值停车场CO、HC、NoX、SO2等绿化,空气流通对周边产生影响较小食堂油烟油烟净化器满足饮食业油烟排放标准(18483-2001)水污染营运期生活污水COD>.BC)D5、SS、氨氮、动植物油经厂区隔油池、化粪池设施处理后进入三灶水质净化厂处理水污染物排放限值(DB44/26-2001)第二时段三级标准物固体废物营运期工作人员生活垃圾集中堆放由环卫部门运走,禁止随意丢弃符合有关环保规定生产车间沾有机油的棉布铝型材废料、废胶膜外卖对环境影响较小危险废物多余胶统一存放,委托有资质单位处置对环境影响较小废矿物油粘胶空桶交给原供应商回收利用或委托具有危险废物处置资质的单位处置噪声营运期机械设备噪声减振、隔声、密闭等综合治理工业企业厂界环境噪声排放标准(GB12348-2008)3、4类标准生态保护措施及预期效果:本项目若按照以上建议进行科学的环境管理,在生产过程中,将不会对项目附近的生态要素空气、水体、土壤和植被等有明显影响。

    注意事项

    本文(太阳能光伏建筑一体化及节能幕墙节能门窗生产基地建设项目拟采取的防治措施及预期治理效果.docx)为本站会员(p**)主动上传,第壹文秘仅提供信息存储空间,仅对用户上传内容的表现方式做保护处理,对上载内容本身不做任何修改或编辑。 若此文所含内容侵犯了您的版权或隐私,请立即通知第壹文秘(点击联系客服),我们立即给予删除!

    温馨提示:如果因为网速或其他原因下载失败请重新下载,重复下载不扣分。




    关于我们 - 网站声明 - 网站地图 - 资源地图 - 友情链接 - 网站客服 - 联系我们

    copyright@ 2008-2023 1wenmi网站版权所有

    经营许可证编号:宁ICP备2022001189号-1

    本站为文档C2C交易模式,即用户上传的文档直接被用户下载,本站只是中间服务平台,本站所有文档下载所得的收益归上传人(含作者)所有。第壹文秘仅提供信息存储空间,仅对用户上传内容的表现方式做保护处理,对上载内容本身不做任何修改或编辑。若文档所含内容侵犯了您的版权或隐私,请立即通知第壹文秘网,我们立即给予删除!

    收起
    展开