欢迎来到第壹文秘! | 帮助中心 分享价值,成长自我!
第壹文秘
全部分类
  • 幼儿/小学教育>
  • 中学教育>
  • 高等教育>
  • 研究生考试>
  • 外语学习>
  • 资格/认证考试>
  • 论文>
  • IT计算机>
  • 法律/法学>
  • 建筑/环境>
  • 通信/电子>
  • 医学/心理学>
  • ImageVerifierCode 换一换
    首页 第壹文秘 > 资源分类 > DOCX文档下载
    分享到微信 分享到微博 分享到QQ空间

    太阳能光伏建筑一体化及节能幕墙节能门窗生产基地工程项目主要污染物产生及预计排放情况.docx

    • 资源ID:407945       资源大小:19.09KB        全文页数:2页
    • 资源格式: DOCX        下载积分:5金币
    快捷下载 游客一键下载
    账号登录下载
    三方登录下载: 微信开放平台登录 QQ登录
    下载资源需要5金币
    邮箱/手机:
    温馨提示:
    快捷下载时,如果您不填写信息,系统将为您自动创建临时账号,适用于临时下载。
    如果您填写信息,用户名和密码都是您填写的【邮箱或者手机号】(系统自动生成),方便查询和重复下载。
    如填写123,账号就是123,密码也是123。
    支付方式: 支付宝    微信支付   
    验证码:   换一换

    加入VIP,免费下载
     
    账号:
    密码:
    验证码:   换一换
      忘记密码?
        
    友情提示
    2、PDF文件下载后,可能会被浏览器默认打开,此种情况可以点击浏览器菜单,保存网页到桌面,就可以正常下载了。
    3、本站不支持迅雷下载,请使用电脑自带的IE浏览器,或者360浏览器、谷歌浏览器下载即可。
    4、本站资源下载后的文档和图纸-无水印,预览文档经过压缩,下载后原文更清晰。
    5、试题试卷类文档,如果标题没有明确说明有答案则都视为没有答案,请知晓。

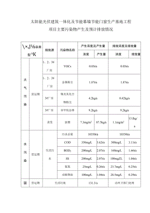
    太阳能光伏建筑一体化及节能幕墙节能门窗生产基地工程项目主要污染物产生及预计排放情况.docx

    太阳能光伏建筑一体化及节能幕墙节能门窗生产基地工程项目主要污染物产生及预计排放情况×sJ容类型xK排放源污染物名称产生浓度及产生量排放浓度及排放量浓度产生量浓度排放量大气污染营运期1、2、3#厂房VOCs0.03ta0.03ta1、2、3#厂房金属粉尘1.87ta1.87ta3#厂房锡及其化合物粉尘4.2kga0.42kga3#厂房非甲烷总烽9.2kga9.2kga食堂油烟7.3mgm387.5kga1.1mgm313.Ikg/a水污染营运期生活污水污水总量10350ta10350taCOD350mgL3.62ta300mgL3.11taBOD5200mgL2.07ta160mgL1.66taSS200mgL2.07ta100mgZL1.04ta氨氮25mgL0.26ta23.7mgL0.25ta动植物油100mgL1.04ta28.5mgL0.29ta固营运期生活垃圾131.3/a由环卫部门处理体废物废胶膜0.92ta外卖铝型材废料1.87万t/a外卖废机油、沾有机油的棉布0.1t/a由环卫部门处理废矿物油0.17ta委托由资质单位处理多余胶0.02ta粘胶空桶1.3ta交给原供应商回收利用或委托具有危险废物处置资质的单位处置噪声营运期生产设备7588dB(八)北、南、西面:昼间65dB(八)夜间55dB(八)东面:70dB(八)夜间55dB(八)主要生态影响:项目已完成厂房建设,本次施工期主要为设备安装调试,无土建工程,对区域生态环境及水土流失影响小。

    注意事项

    本文(太阳能光伏建筑一体化及节能幕墙节能门窗生产基地工程项目主要污染物产生及预计排放情况.docx)为本站会员(p**)主动上传,第壹文秘仅提供信息存储空间,仅对用户上传内容的表现方式做保护处理,对上载内容本身不做任何修改或编辑。 若此文所含内容侵犯了您的版权或隐私,请立即通知第壹文秘(点击联系客服),我们立即给予删除!

    温馨提示:如果因为网速或其他原因下载失败请重新下载,重复下载不扣分。




    关于我们 - 网站声明 - 网站地图 - 资源地图 - 友情链接 - 网站客服 - 联系我们

    copyright@ 2008-2023 1wenmi网站版权所有

    经营许可证编号:宁ICP备2022001189号-1

    本站为文档C2C交易模式,即用户上传的文档直接被用户下载,本站只是中间服务平台,本站所有文档下载所得的收益归上传人(含作者)所有。第壹文秘仅提供信息存储空间,仅对用户上传内容的表现方式做保护处理,对上载内容本身不做任何修改或编辑。若文档所含内容侵犯了您的版权或隐私,请立即通知第壹文秘网,我们立即给予删除!

    收起
    展开