欢迎来到第壹文秘! | 帮助中心 分享价值,成长自我!
第壹文秘
全部分类
  • 幼儿/小学教育>
  • 中学教育>
  • 高等教育>
  • 研究生考试>
  • 外语学习>
  • 资格/认证考试>
  • 论文>
  • IT计算机>
  • 法律/法学>
  • 建筑/环境>
  • 通信/电子>
  • 医学/心理学>
  • ImageVerifierCode 换一换
    首页 第壹文秘 > 资源分类 > DOCX文档下载
    分享到微信 分享到微博 分享到QQ空间

    2 雨水检查井(400<D≤8003m<H≤6m)计算书.docx

    • 资源ID:406693       资源大小:57.34KB        全文页数:8页
    • 资源格式: DOCX        下载积分:5金币
    快捷下载 游客一键下载
    账号登录下载
    三方登录下载: 微信开放平台登录 QQ登录
    下载资源需要5金币
    邮箱/手机:
    温馨提示:
    快捷下载时,如果您不填写信息,系统将为您自动创建临时账号,适用于临时下载。
    如果您填写信息,用户名和密码都是您填写的【邮箱或者手机号】(系统自动生成),方便查询和重复下载。
    如填写123,账号就是123,密码也是123。
    支付方式: 支付宝    微信支付   
    验证码:   换一换

    加入VIP,免费下载
     
    账号:
    密码:
    验证码:   换一换
      忘记密码?
        
    友情提示
    2、PDF文件下载后,可能会被浏览器默认打开,此种情况可以点击浏览器菜单,保存网页到桌面,就可以正常下载了。
    3、本站不支持迅雷下载,请使用电脑自带的IE浏览器,或者360浏览器、谷歌浏览器下载即可。
    4、本站资源下载后的文档和图纸-无水印,预览文档经过压缩,下载后原文更清晰。
    5、试题试卷类文档,如果标题没有明确说明有答案则都视为没有答案,请知晓。

    2 雨水检查井(400<D≤8003m<H≤6m)计算书.docx

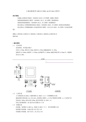
    2雨水检查井(400<D800,3m<H6m)计算书执行规范:混凝土结构设计规范(GB50010-2010),本文简称混凝土规范建筑地基基础设计规范(GB50007-2011),本文简称地基规范建筑结构荷载规范(GB50009-2012),本文简称荷载规范给水排水工程构筑物结构设计规范(GB50069-2002),本文简称给排水结构规范给水排水工程钢筋混凝土水池结构设计规程(CECS138-2002),本文简称水池结构规程钢筋:d-HPB300;D-HRB335;E-HRB400;F-RRB400;G-HRB500;Q-HRBF400;R-HRBF5001基本资料1.1 几何信息水池类型:有顶盖全地下长度L=L700m,宽度B=L700m,高度H=2.350m,底板底标高=-8.35Om池底厚h3=250mm,池壁厚tl=250mm,池顶板厚hl=200mm,底板外挑长度t2=0mm注:地面标高为±0.000。±0.00081.2 土水信息土天然重度20.00Wm,土饱和重度21.00kN11士内摩擦角30度地基承载力特征值fak=150.OkPa,宽度修正系数h=0.00,埋深修正系数d=l.00地下水位标高0.000m,池内水深L900m,池内水重度10.50kNm3,浮托力折减系数1.00,抗浮安全系数Kf=I.051.3 荷载信息活荷载:池顶板10.00kN/m:地面10.00kN11组合值系数0.90恒荷载分项系数:水池自重L30,其它L30活荷载分项系数:地下水压1.50,其它L50活载调整系数:其它1.00活荷载准永久值系数:顶板0.40,地面0.40,地下水LO0,温湿度LoO不考虑温湿度作用.1.4 钢筋碎信息混凝土:等级C30,重度25.00kN11泊松比0.20纵筋保护层厚度(mm):顶板(上35,下35),池壁(内35,外35),底板(上35,下40)钢筋级别:HRB400,裂缝宽度限值:0.20mm,配筋调整系数:1.00按裂缝控制配筋计算构造配筋采用混凝土规范GB50010-20102计算内容(1)地基承载力验算(2)抗浮验算(3)荷载计算(4)内力(不考虑温度作用)计算(5)配筋计算(6)裂缝验算3计算过程及结果单位说明:弯矩:kN.m/m钢筋面积:mm?裂缝宽度:mm计算说明:双向板计算按查表恒荷载:水池结构自重,土的竖向及侧向压力,内部盛水压力.活荷载:顶板活荷载,地面活荷载,地下水压力,温湿度变化作用.裂缝宽度计算按长期效应的准永久组合.3.1 地基承载力验算3.1.1 基底压力计算(1)水池自重GC计算顶板自重Gl=14.45kN池壁自重G2=68.88kN底板自重G3=18.06kN水池结构自重Gc=Gl+G2+G3=101.39kN(2)池内水重GW计算池内水重GW=28.73kN(3)覆土重量计算池顶覆土重量GtI=190.74kN池顶地下水重量GSI=173.40kN底板外挑覆土重量Gt2=0.00kN底板外挑地下水重量Gs2=0.00kN基底以上的覆盖土总重量Gt=Gtl+Gt2=190.74kN基底以上的地下水总重量GS=Gsl+Gs2=173.40kN(4)活荷载作用Gh顶板活荷载作用力GhI=28.90kN地面活荷载作用力Gh2=28.90kN活荷载作用力总和Gh=57.80kN(5)基底压力Pk基底面积:A=(L+2×t2)×(B+2×t2)=l.700×1.700=2.89m2基底压强:Pk=(GC+Gw+Gt+Gs+Gh)A=(101.39+28.73+190.74+173.40+57.80)/2.890=191.02Wm3. 1.2修正地基承载力(1)计算基础底面以上土的加权平均重度rmrm=8.350X(21.00-10)+-0.000X20.00/8.350=11.00Wm(2)计算基础底面以下土的重度r考虑地下水作用,取浮重度,r=21.OO-IO=IhOOkNZm3(3)根据地基规范的要求,修正地基承载力:fa=fak+Qb(b-3)+n<1n(d-0.5)=150.00+0.00×11.00×(3.000-3)+1.00×11.OOX(8.350-0.5)=236.35kPa1.1.1 1.3结论:Pk=191.02<fa=236.35kPa,地基承载力满足要求。1.1.2 2抗浮验算抗浮力Gk=GC+Gt+Gs=101.39+190.74+173.40=465.53kN浮力F=(1.700+2X0.000)X(1.700+2×0.000)×8.350×10.0×1.00=241.32kNGkF=465.53/241.32=1.93>Kf=I.05,抗浮满足要求。1.1.3 3荷载计算3.3.1 顶板荷载计算:池顶的覆土压力标准值:Pt=-O.000×20.00+6.000X(21.00-10.0)=66.00kNm2池顶的水压力标准值:Ps=6.000X10.0=60.00kNm2池顶板自重荷载标准值:P1=25.00X0.200=5.00Wm顶板活荷载标准值:Phl=10.00Wm地面活荷教标准值:Ph2=10.00kNm2池顶均布荷载基本组合:Qt=L3O×P1+1.30×Pt+0.90×1.50×1.00×(Phl+Ph2)+1.50×Ps=209.30Wm池顶均布荷载准永久组合:Qte=Pl+Pt+0.40×Phl+0.40×Ph2+1.OOXPs=139.00Wm3.3.2 池壁荷载计算:(1)池外荷载:主动土压力系数Ka=0.33侧向土压力荷载组合(kM11)2):部位(标高)土压力标准值水压力标准值活载标准值基本组合准永久组合地面(0.000)0.000.003.334.501.33地下水位处(0.000)-0.000.003.334.501.33池壁顶端(-6.200)22.7362.003.33127.0586.07I底板顶面面8.100)29.708Loo3.331164.611112.03|(2)池内底部水压力:标准值=19.95kNm2,基本组合设计值二25.93kNm23.3.3 底板荷载计算(池内无水,池外填土):水池结构自重标准值GC=101.39kN基础底面以上土重标准值Gt=190.74kN基础底面以上水重标准值GS=173.40kN基础底面以上活载标准值Gh=57.80kN水池底板以上全部竖向压力基本组合:Qb=(101.39×1.30+190.74×1.30+173.40×1.50+57.80×1.50×0.90×1.00)/2.890=248.41kNm2水池底板以上全部竖向压力准永久组合:Qbe=(101.39+190.74+173.40×1.00+10.00×2.890×0.40+10.00×2.890X0.40)/2.890=169.08kNm2板底均布净反力基本组合:Q=248.41-0.250X25.00X1.30=240.28kNm2板底均布净反力准永久组合:Qe=169.08-0.250X25.00=162.83kNm23.3.4 底板荷载计算(池内有水,池外无土):水池底板以上全部竖向压力基本组合:Qb=101.39×1.30+(1.200×1.200×1.900)×10.50×1.302.890=58.53kNm2板底均布净反力基本组合:Q=58.53-(0.250X25.00×1.30+1.900×10.50×1.30)=24.47kNm2水池底板以上全部竖向压力准永久组合:Qbe=101.39+(1.200×1.200×1.900)X10.50/2.890=45.02kNm2板底均布净反力准永久组合:Qe=45.02-(0.250X25.00+1.900X10.50)=18.82kNm23.4内力,配筋及裂缝计算弯矩正负号规则:顶板:下侧受拉为正,上侧受拉为负池壁:内侧受拉为正,外侧受拉为负底板:上侧受拉为正,下侧受拉为负荷载组合方式:1 .池外土压力作用(池内无水,池外填土)2 .池内水压力作用(池内有水,池外无土)(1)顶板内力:计算跨度:LX=1.400m,Ly=1.400m,四边简支按双向板计算.荷载组合作用弯矩表(kN.mm)部位基本组合准永久组合下侧-L向跨中18.1212.03B向跨中18.1212.03上侧-L向边缘0.000.00B向边缘0.000.00(2)L侧池壁内力:计算跨度:LX=1.450m,Ly=1.900m,三边固定,顶边简支池壁类型:普通池壁,按双向板计算基本组合作用弯矩表(kN.mm)部位池外土压力池内水压力温湿度作用基本组合内侧-水平跨中10.92-10.92水平边缘-1.96-1.96竖直跨中6.48-6.48竖直上边缘一-0.00-0.00竖直下边缘-2.182.18外侧-水平跨中-0.95-0.95水平边缘-22.68-一-22.68竖直跨中-0.68一-0.68竖直上边缘0.00-0.00竖直下边缘-18.42-18.42准永久组合作用弯矩表(kN.mm)部位池外土压力池内水压力温湿度作用准永久组合内侧-水平跨中7.42-7.42水平边缘一1.51-1.51竖直跨中4.40-4.40竖直上边缘-0.00-0.00竖直下边缘-1.68一1.68外侧-水平跨中一-0.73-0.73水平边缘-15.40-15.40竖直跨中-0.52-0.52竖直上边缘0.00-一0.00竖直下边缘-12.52-一-12.52(3)B侧池壁内力:计算跨度:LX=1.450m,Ly=1.900m,三边固定,顶边简支池壁类型:普通池壁,按双向板计算基本组合作用弯矩表(kN.mm)部位池外土压力池内水压力温湿度作用基本组合内侧-水平跨中10.92一-10.92水平边缘-1.96-1.96竖直跨中6.48-6.48竖直上边缘-0.00-0.00竖直下边缘-2.18-2.18外侧-水平跨中-0.95-0.95水平边缘-22.68-22.68竖直跨中-0.68-0.68竖直上边缘0.00-0.00竖直下边缘-18.42-一-18.42准永久组合作用弯矩表(kN.mm)部位池外土压力

    注意事项

    本文(2 雨水检查井(400<D≤8003m<H≤6m)计算书.docx)为本站会员(p**)主动上传,第壹文秘仅提供信息存储空间,仅对用户上传内容的表现方式做保护处理,对上载内容本身不做任何修改或编辑。 若此文所含内容侵犯了您的版权或隐私,请立即通知第壹文秘(点击联系客服),我们立即给予删除!

    温馨提示:如果因为网速或其他原因下载失败请重新下载,重复下载不扣分。




    关于我们 - 网站声明 - 网站地图 - 资源地图 - 友情链接 - 网站客服 - 联系我们

    copyright@ 2008-2023 1wenmi网站版权所有

    经营许可证编号:宁ICP备2022001189号-1

    本站为文档C2C交易模式,即用户上传的文档直接被用户下载,本站只是中间服务平台,本站所有文档下载所得的收益归上传人(含作者)所有。第壹文秘仅提供信息存储空间,仅对用户上传内容的表现方式做保护处理,对上载内容本身不做任何修改或编辑。若文档所含内容侵犯了您的版权或隐私,请立即通知第壹文秘网,我们立即给予删除!

    收起
    展开