欢迎来到第壹文秘! | 帮助中心 分享价值,成长自我!
第壹文秘
全部分类
  • 幼儿/小学教育>
  • 中学教育>
  • 高等教育>
  • 研究生考试>
  • 外语学习>
  • 资格/认证考试>
  • 论文>
  • IT计算机>
  • 法律/法学>
  • 建筑/环境>
  • 通信/电子>
  • 医学/心理学>
  • ImageVerifierCode 换一换
    首页 第壹文秘 > 资源分类 > DOCX文档下载
    分享到微信 分享到微博 分享到QQ空间

    交通标线施工方案45508.docx

    • 资源ID:404535       资源大小:38.41KB        全文页数:6页
    • 资源格式: DOCX        下载积分:5金币
    快捷下载 游客一键下载
    账号登录下载
    三方登录下载: 微信开放平台登录 QQ登录
    下载资源需要5金币
    邮箱/手机:
    温馨提示:
    快捷下载时,如果您不填写信息,系统将为您自动创建临时账号,适用于临时下载。
    如果您填写信息,用户名和密码都是您填写的【邮箱或者手机号】(系统自动生成),方便查询和重复下载。
    如填写123,账号就是123,密码也是123。
    支付方式: 支付宝    微信支付   
    验证码:   换一换

    加入VIP,免费下载
     
    账号:
    密码:
    验证码:   换一换
      忘记密码?
        
    友情提示
    2、PDF文件下载后,可能会被浏览器默认打开,此种情况可以点击浏览器菜单,保存网页到桌面,就可以正常下载了。
    3、本站不支持迅雷下载,请使用电脑自带的IE浏览器,或者360浏览器、谷歌浏览器下载即可。
    4、本站资源下载后的文档和图纸-无水印,预览文档经过压缩,下载后原文更清晰。
    5、试题试卷类文档,如果标题没有明确说明有答案则都视为没有答案,请知晓。

    交通标线施工方案45508.docx

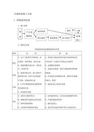
    交通标线施工方案1 .热熔涂料标线1、施工流程2、缺陷及对策热熔涂料标线涂膜的缺陷及对策现象原因措施A、由于气温或季节的影响,涂A、将涂料分成适用寒冷地区和温煦地区的涂层层变软,粘性增加,简洁污染不同品种,以满足不同软化点的要求B、玻璃珠撒布量过多,易积灰B、适量撒布玻璃珠尘,造成污染C、适量运用底漆,选用与路面材料相匹配C、底漆用量过多,渗入涂料中的底漆表面使标线污染,沥青与运用底漆D、经常清扫各种路面污染,清除汽车滴漏不匹配,造成标线污染的油污、铁锈D、汽车引擎滴落的油类和铁锈E、清除标线上的刹车痕迹污染等造成的污染E、轮胎刹车痕迹A、涂料自身耐热性差A、选用耐热性好,具有良好耐裂解性材料变色B、熔融过程中温度过高而变色B、严格加强温度管理C、热熔釜底部烧焦C、操作前清扫D、太阳紫外线照射而变色D、选用具有抗紫外线作用实力的添加剂夜间A、风大玻璃珠被吹散;撒布机摇摆倾斜,撒落不匀整B、玻璃珠成圆率低;杂质太多;透亮度低C、剥落的旧标线上重涂反光效A、玻璃珠撒布机装防风罩;施工人员娴熟有阅历B、运用合格的玻璃珠,要求玻璃珠成圆率高,杂质少,透亮度高,粘度适中,粒径分布合理反射果不佳C、接受先进的文撒珠机械,限制流量和匀D、凹凸不平的路面反光不均整度;提高施工技术,培育娴熟操作工人,E、涂料流淌性和粘度不好,玻提高应变实力光效璃珠固着不好I)、选择质量优异的标线涂料,标线涂料的F、涂料软化点太低,流淌性太流淌性、软化点、粘度都要适中好,玻璃珠沉入涂料中果不良A、涂料本身和路面的粘结力较A运用高质量涂料;调整涂料配方,增加差,涂膜过硬或过脆粘结力和柔韧性B、在旧标线上施工,由于结合B、将旧标线彻底除去,接受下涂剂处理,不好,涂料附着力不够保证新旧标线很好结合,尽量选用附着力起皮C、路面清扫不干净、彻底;或路面上有水,比较潮湿,就急强的热熔涂料C、彻底清扫路面;施工时确保路面干燥,于施工必要时可人工方法进行干燥D、下涂剂涂后长时间不画线,D、下涂剂干燥后应立刻画标线粘上绘灰尘,会引起标线起皮E、如没有下涂剂处理,环境温度宜在IO0C脱落以上施工为好。涂料涂敷到路面瞬间温度E、环境温度低于5,施工质不宜低于180C脱落量不稳定,简洁引起起皮脱落,F、涂料应充分熔解,充分搅匀和熟化后才熔融温度太低,会严峻影响标能涂敷线与路面的粘结力G、选用渗透型下涂剂处理水泥路面可提高F、涂料熔化不充分,搅拌不均G、水泥路面下涂剂选择不当,新铺水泥路面由于表面碱性大和脆性层存在,易起皮脱落附着强度。新浇水泥路面进行细致清扫裂纹A、寒冷裂纹。冬季施工,涂层遇冷收缩,产生内应力,极易产生裂纹;寒冷裂纹的出现与施工季节和涂料的性能有关;新铺设的水泥路面有脆弱的灰浆层,或养护薄膜,简洁产生寒冷裂纹,沥青路面表层软弱也易产生寒冷裂纹B、路基裂纹产生的反射裂纹。路基材料膨胀或收缩产生的裂纹,或由于不匀整下沉产生裂纹等致使路面标线出现裂纹C、路面变软产生的裂纹,夏季在烈日下沥青路面高温可达60,沥青变软,而涂料相对较硬,在车轮冲击荷载下,可能产生软路面裂纹D、圆形裂纹,指混凝土路面或多孔性沥青路面上发生的“大气泡痕迹”较圆形裂纹环E、老化裂纹。涂层表面材质的劣化和自然风化作用,使标线产生裂纹,老化裂纹还由于标线经受日晒雨淋,季节温度变A、防止寒冷裂纹产生首先应尽量避开在寒冷的冬季进行标线施工。同时要留意涂料性质的合理运用,不同季节选择合适的涂料。新铺设的水泥路面,养护时间在2周以上,路面上的脆弱灰浆层或养护薄膜,应清扫干净,表面软弱的沥青路面,应建议适当增加碾压遍数或碾压重量B、路基裂纹产生的反射裂纹而引起的涂料开裂,一般状况下无法避开,可加强路基的施工质量C、路面变软产生裂纹,主要指夏季,产生软路面裂纹的干脆缘由是涂料与路面的软硬程度不匹配,在冲击荷载作用下产生的,适当调整配方可以缓解D、圆形裂纹多产生在水泥路面主要系下涂剂处理不良造成E、老化裂纹,要选择合适的涂料,防止涂层提前老化,标线施工应严格限制温度,确保前处理的质量,防止起泡F、微孔、起泡不仅影响标线外观,而且削减了涂层与路面实际结合的面积,因而严峻影响涂料的附着性和运用寿命。因此要选用流淌性好熔点低的涂料品种。保证路面干燥,雨后要经过充分日照后再进行施更,遭受紫外线的作用,遭受周期性的膨胀和收缩而产生F、微孔和起泡由于路面空穴中的空气,水分或未干的下涂剂,在涂料高温作用下膨胀或气化所引起的。工。选择干燥快的下涂剂,严格限制施工温度要留意环境温度的协作标线变形A、标线扭曲变形为沥青软化造成B、轮胎压痕和斑迹A、防止沥青软化,如运用改性沥青等B、选择合适粘度和较好流淌性的优质涂料C、加强施工管理,涂膜干燥后开放交通2 .涂画标线1 .布设原则1.1 设置标线的路面表面应清洁干燥,无松散颗粒、灰尘、油污或其他有害物质。1.2 2若标线位置不变,不须要调整时可依据标线残剩痕迹重划,重涂前应对路面进行彻底清扫,清除缝隙中的松动涂料和颗粒。再喷洒下涂料,以提高路面与涂料之间的粘结力。若路面标线体系发生变更时,在重新划标线以前,必需去除原有的标线。标线的颜色、厚度、宽度等应符合路面标线涂料(JT/T280-2004)的要求,并按监理工程师同意的施工方法施工。1.4标线宽度、虚线长及间隔、点线长及间隔、双标线的间隔,应按道路交通标记和标线(GB57682009)规定办理。1.5全部标线应具有顺直、平顺、光滑、匀整及精致外观;湿膜厚度符合要求。有缺陷的、施工不当、尺寸不正确或位置错误的标线均应清除,路面应修补,材料应更换,并经监理工程师同意。1.7涂料喷涂于路面时的温度,应符合涂料生产商供应的运用说明的要求,否则会影响喷涂运用寿命。1.8喷涂施工应在白天进行,雨天、尘埃大、风大、温度低于I(TC时应短暂停止施工。1.9路面标线接受反光型热熔涂料,涂料的耐磨性指标不大于80,涂料中玻璃珠的含量为18%-25%01.10 玻璃珠的撒布应经试验并获监理工程师的批准方可实施。涂料喷涂后立刻进行撒布玻璃珠操作。玻璃珠的性能应符合路面标线用玻璃珠(JT/T466-2001)的有关规定。1.11 喷涂标线时,应有交通平安措施,设置适当警告标记,阻挡车辆及行人在作业区通行,防止将涂料带出或形成车辙,直至标线充分干燥。1.12 全部的标线除非有特殊说明外,均为白色反光标线。纵向标线厚度为2.Omm,人行横道线、导向箭头等标线厚度为3.0mm。2.程序及留意事项2.1 施工程序2. 1.1对须要设置标线的表面进行清洁工作,使其无松散颗粒、灰尘、油污或其他有害物质;并同时保持其干燥;2.1. 2喷涂热熔底油下涤剂,按试验确定的时间间隔喷涂热熔涂料;2.1.3在监理工程师的批准下涂抹正确、标准的统一标线;2.1.4待标线彻底干燥后方可放车通行。2.2留意事项标线的各种特征(颜色、宽度、长度等)必需符合规范的要求;2 .2.2停止线、行人过街斑马线等经常被人车经过的标线应涂抹两层,厚度至少须要达到4i;加热涂料时,温度限制在涂料生产商的运用说明规定值内,不得超过最高限制温度;喷涂施工在白天进行,雨天、尘埃大、风大、温度低于10时应暂停施工。3 .交通标线1 .施工工艺交通标线的设置依据国家标准道路交通标记和标线(GB5768-2009)和公路交通平安设施设计规范(JTGD81-2006)进行;在满足现行规范标准和招标文件的要求进行施工。具体铺设方法如下:1.I在监理工程师的指导下,完成标线铺设的试验,记录相关的数据以便后续施工运用。1.2喷涂热熔底油下涤剂,按试验确定的间隔时间喷涂热熔涂料,以提高其粘结力。底油的类型和用量必需经监理工程师批准。1.3按国家规定的道路标准,接受自行式喷涂机喷涂标线,待其达到通车标准后方可放车通行。2 .留意事项在铺设标线的过程中,应留意以下几点:2.1设置标线的路表面需清洁干燥,无松散颗粒、灰尘、油污或其他有害物质。保证标线的坚实、顺畅、颜色标准。2.2标线的颜色符合规范的要求,并按监理工程师同意的方法施工。自行式喷涂机具运用机械。标线宽度、虚线长及间隔、点线长及间隔,符合规定。特殊标线的图案、标记,如箭头及字母等的尺寸按图纸要求。2.3全部标线具有顺直、平顺、光滑、匀整及精致外观,湿膜厚度符合图纸要求,否则予以更正并经监理工程师同意。有缺陷的、施工不当、尺寸不正确或位置错误的标线均应清除,路面修补,材料更换,并经监理工程师同意。2.4涂料在容器内加热时,温度限制在涂料生产商的运用说明规定值内,不得超过最高限制温度。2.5嫌类、树脂类材料,保持在熔融状态的时间不大于6h,树胶树脂类材料,保持在熔融状态的时间不大于4h0涂料喷涂于路面时的温度,符合涂料生产商供应的运用说明要求,否则会影响喷涂运用寿命。2.6喷涂施工在白天进行,雨天、尘埃大、风大、温度低于10时应短暂停止施工。喷涂标线时,设置适当警告标记,阻挡车辆及行人在作业区内通行,防止将涂料带出或形成车辙,直至标线充分干燥。

    注意事项

    本文(交通标线施工方案45508.docx)为本站会员(p**)主动上传,第壹文秘仅提供信息存储空间,仅对用户上传内容的表现方式做保护处理,对上载内容本身不做任何修改或编辑。 若此文所含内容侵犯了您的版权或隐私,请立即通知第壹文秘(点击联系客服),我们立即给予删除!

    温馨提示:如果因为网速或其他原因下载失败请重新下载,重复下载不扣分。




    关于我们 - 网站声明 - 网站地图 - 资源地图 - 友情链接 - 网站客服 - 联系我们

    copyright@ 2008-2023 1wenmi网站版权所有

    经营许可证编号:宁ICP备2022001189号-1

    本站为文档C2C交易模式,即用户上传的文档直接被用户下载,本站只是中间服务平台,本站所有文档下载所得的收益归上传人(含作者)所有。第壹文秘仅提供信息存储空间,仅对用户上传内容的表现方式做保护处理,对上载内容本身不做任何修改或编辑。若文档所含内容侵犯了您的版权或隐私,请立即通知第壹文秘网,我们立即给予删除!

    收起
    展开