欢迎来到第壹文秘! | 帮助中心 分享价值,成长自我!
第壹文秘
全部分类
  • 幼儿/小学教育>
  • 中学教育>
  • 高等教育>
  • 研究生考试>
  • 外语学习>
  • 资格/认证考试>
  • 论文>
  • IT计算机>
  • 法律/法学>
  • 建筑/环境>
  • 通信/电子>
  • 医学/心理学>
  • ImageVerifierCode 换一换
    首页 第壹文秘 > 资源分类 > DOCX文档下载
    分享到微信 分享到微博 分享到QQ空间

    房建发电机交接试验母线螺栓搭接尺寸、拧紧力矩、最小净距、螺纹型接线端子的拧紧力矩.docx

    • 资源ID:402047       资源大小:44.67KB        全文页数:9页
    • 资源格式: DOCX        下载积分:5金币
    快捷下载 游客一键下载
    账号登录下载
    三方登录下载: 微信开放平台登录 QQ登录
    下载资源需要5金币
    邮箱/手机:
    温馨提示:
    快捷下载时,如果您不填写信息,系统将为您自动创建临时账号,适用于临时下载。
    如果您填写信息,用户名和密码都是您填写的【邮箱或者手机号】(系统自动生成),方便查询和重复下载。
    如填写123,账号就是123,密码也是123。
    支付方式: 支付宝    微信支付   
    验证码:   换一换

    加入VIP,免费下载
     
    账号:
    密码:
    验证码:   换一换
      忘记密码?
        
    友情提示
    2、PDF文件下载后,可能会被浏览器默认打开,此种情况可以点击浏览器菜单,保存网页到桌面,就可以正常下载了。
    3、本站不支持迅雷下载,请使用电脑自带的IE浏览器,或者360浏览器、谷歌浏览器下载即可。
    4、本站资源下载后的文档和图纸-无水印,预览文档经过压缩,下载后原文更清晰。
    5、试题试卷类文档,如果标题没有明确说明有答案则都视为没有答案,请知晓。

    房建发电机交接试验母线螺栓搭接尺寸、拧紧力矩、最小净距、螺纹型接线端子的拧紧力矩.docx

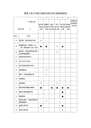
    附录A各子分部工程所含的分项工程和检验批子分部工程分项工程X.1234567室外电气安装工程变配电室安装工程供电干线安装工程电气动力安装工程电气照明安装工程自备电源安装工程防雷及接地装置安装工程序号名称04变压器、箱式变电所安装05成套配电柜、控制柜(台、箱)和配电箱(盘)安装06电动机、电加热器及电动执行机构检查接线07柴油发电机组安装08UPS及EPS安装09电气设备试验和试运行10母线槽安装11梯架、托盘和槽盒安装12导管敷设13电缆敷设14管内穿线和槽盒内敷线15塑料护套线直敷布线16钢索配线17电缆头制作、导线连接和线路绝缘测试18普通灯具安装19专用灯具安装20开关、插座、风扇安装21建筑物照明通电试运行22接地装置安装23变配电室及电气竖井接地干线敷设24防雷引下线及接闪器安装25建筑物等电位联结注:1本表有符号者为该子分部工程所含的分项工程;2每个分项工程至少含1个检验批。附录B发电机交接试验序号内容部位试验内容试验结果1静态试验定子电路测量定子绕组的绝缘电阻和吸收比400V发电机绝缘电阻值大于0.5MQ1其他高压发电机绝缘电阻不低于其额定电压1MkV沥青浸胶及烘卷云母绝缘吸收比大于1.3环氧粉云母绝缘吸收比大于1.62在常温下,绕组表面温度与空气温度差在±3C。范围内测量各相直流电阻各相宜流电阻值相互间差值不大于最小值的2机与出厂值在同温度下比差值不大于2%3IkV以上发电机定子绕组直流耐压试验和泄漏电流测量试验电压为电机额定电压的3倍。试验电压按每级50%的额定电压分阶段升高,每阶段停留Imin,并记录泄漏电流;在规定的试验电压下,泄漏电流应符合下列规定:1 .各相泄漏电流的差别不应大于最小值的100猊当最大泄漏电流在20A以下,各相间的差值可不考虑。2 .泄漏电流不应随时间延长而增大。3 .泄漏电流不应随电压不成比例显著增长。4交流工频耐压试1min试验电压为1.6Un+800V,无闪络击穿现象,Un为发电机额定电压5转子电路用100OV兆欧表测量转子绝缘电阻绝缘电阻值大于05M6在常温下,绕组表面温度与空气温度差在±3C。范围内测量绕组直流电阻数值与出厂值在同温度下比差值不大于2驰7交流工频耐压试1min用2500V摇表测量绝缘电阻替代8励磁电路退出励磁电路电子器件后,测量励磁电路的线路设备的绝缘电阻绝缘电阻值大于0.5M9退出励磁电路电子器件后,进行交流工频耐压试验1min试验电压100OV,无击穿闪络现象10其他有绝缘轴承的用1000V兆欧表测量轴承绝缘电阻绝缘电阻值大于05M11测量检温计(埋入式)绝缘电阻,校验检温计精度用250V兆欧表检测不短路,精度符合出厂规定12测量灭磁电阻,自同步电阻器的直流电阻与铭牌相比较,其差值为±10%13运转试验发电机空载特性试验按设备说明书比对,符合要求14测量相序和残压相序与出线标识相符15测量空载和负荷后轴电压按设备说明书比对,符合要求16测量启停试验按设计要求检查,符合要求17IkV以上发电机转子绕组膛外、膛内阻抗测量(转子如抽出)应无明显差别18IkV以上发电机灭磁时间常数测量按设备说明书比对,符合要求19IkV以上发电机短路特性试验按设备说明书比对,符合要求附录C母线螺栓搭接尺寸搭接形式类别序连接尺寸(mm钻孔要求螺栓规格bib2a(mm)个数直1125125bl或b2214M202100100bl或b2174M16M/I38080bl或闵:J线连b2134MI246363bl或MlO7接b211455050bl或b294M864545bl或b294M8直线连接7404080132MI2气/831.531.563112MlO6/卜925255092M8垂直连接10125125-214M20B/11125100-80174M16X/1212563-134MI2皿13100100-80-174M16148080-63-134MI2156363-50-114MlO165050-94M8174545-94M8垂直连接1812550-40-172M16.1910063-40.172M16h208063-40-152M14216350-40-132M12I2l2.A.22504540112MlO236331.5-25-112MlO245031.5-25-92M8垂直连接2512531.5-2560112MlOL_厂J2610031.5-255092M8_/,278031.5-255092M8她坐e垂直连接284040-31.5-131M12UI294025.111MlOLL3031.531.5-25-111MlO31252291M8IL1一附录D母线搭接螺栓的拧紧力矩序号螺栓规格力矩值(N(pm)1M88.81082MlO17.7-22.63M1231.4-39.24M1451.0-60.85M1678.5-98.16M1898.0-127.47M20156.9196.28M24274.6-343.2附录E母线槽及电缆梯架、托盘和槽盒与管道的最小净距管道类别平行净距(mm)交叉净距(mm)一般工艺管道400300可燃或易燃易爆气体管道500500热力管道有保温层500300无保温层1000500附录F螺纹型接线端子的拧紧力矩螺纹直径(mm)拧紧力矩(Nm)标准值直径范围IIlIll2.52.80.20.40.43.02.8<3.00.250.50.5-3.0<3.20.30.60.63.53.2<3.60.40.80.843.6<4.10.71.21.24.54.1<4.70.81.81.854.7<5.30.82.02.065.3<6.01.22.53.086.0<8.02.53.56.0108.0<10.0-4.010.01210<12-14.01412<15-19.01615<20-25.02020<24-36.024>24-50.0注:第I歹J:适用于拧紧时不突出孔外的无头螺钉和不能用刀口宽度大于螺钉顶部直径的螺丝刀拧紧的其他螺钉;第Il列:适用于可用螺丝刀拧紧的螺钉和螺母;第Ill列:适用于不可用螺丝刀拧紧的螺钉和螺母。

    注意事项

    本文(房建发电机交接试验母线螺栓搭接尺寸、拧紧力矩、最小净距、螺纹型接线端子的拧紧力矩.docx)为本站会员(p**)主动上传,第壹文秘仅提供信息存储空间,仅对用户上传内容的表现方式做保护处理,对上载内容本身不做任何修改或编辑。 若此文所含内容侵犯了您的版权或隐私,请立即通知第壹文秘(点击联系客服),我们立即给予删除!

    温馨提示:如果因为网速或其他原因下载失败请重新下载,重复下载不扣分。




    关于我们 - 网站声明 - 网站地图 - 资源地图 - 友情链接 - 网站客服 - 联系我们

    copyright@ 2008-2023 1wenmi网站版权所有

    经营许可证编号:宁ICP备2022001189号-1

    本站为文档C2C交易模式,即用户上传的文档直接被用户下载,本站只是中间服务平台,本站所有文档下载所得的收益归上传人(含作者)所有。第壹文秘仅提供信息存储空间,仅对用户上传内容的表现方式做保护处理,对上载内容本身不做任何修改或编辑。若文档所含内容侵犯了您的版权或隐私,请立即通知第壹文秘网,我们立即给予删除!

    收起
    展开