欢迎来到第壹文秘! | 帮助中心 分享价值,成长自我!
第壹文秘
全部分类
  • 幼儿/小学教育>
  • 中学教育>
  • 高等教育>
  • 研究生考试>
  • 外语学习>
  • 资格/认证考试>
  • 论文>
  • IT计算机>
  • 法律/法学>
  • 建筑/环境>
  • 通信/电子>
  • 医学/心理学>
  • ImageVerifierCode 换一换
    首页 第壹文秘 > 资源分类 > DOCX文档下载
    分享到微信 分享到微博 分享到QQ空间

    劳动密集型企业消防安全风险自查检查指南.docx

    • 资源ID:401108       资源大小:33.95KB        全文页数:6页
    • 资源格式: DOCX        下载积分:5金币
    快捷下载 游客一键下载
    账号登录下载
    三方登录下载: 微信开放平台登录 QQ登录
    下载资源需要5金币
    邮箱/手机:
    温馨提示:
    快捷下载时,如果您不填写信息,系统将为您自动创建临时账号,适用于临时下载。
    如果您填写信息,用户名和密码都是您填写的【邮箱或者手机号】(系统自动生成),方便查询和重复下载。
    如填写123,账号就是123,密码也是123。
    支付方式: 支付宝    微信支付   
    验证码:   换一换

    加入VIP,免费下载
     
    账号:
    密码:
    验证码:   换一换
      忘记密码?
        
    友情提示
    2、PDF文件下载后,可能会被浏览器默认打开,此种情况可以点击浏览器菜单,保存网页到桌面,就可以正常下载了。
    3、本站不支持迅雷下载,请使用电脑自带的IE浏览器,或者360浏览器、谷歌浏览器下载即可。
    4、本站资源下载后的文档和图纸-无水印,预览文档经过压缩,下载后原文更清晰。
    5、试题试卷类文档,如果标题没有明确说明有答案则都视为没有答案,请知晓。

    劳动密集型企业消防安全风险自查检查指南.docx

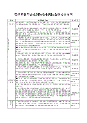
    劳动密集型企业消防安全风险自查检查指南类别自查检查内容检查方法适用范围本指南适用同一时间容纳30人以上,从事制鞋、制衣、玩具、肉食蔬菜水果等食品加工、家具木材加工、物流仓储等企业的生产加工车间、经营储存场所和员工集体宿舍。/防全任实消安责落1、劳动密集型企业应落实逐级消防安全责任制和岗位消防安全责任制,明确逐级和岗位消防安全职责,确定各级、各部门(车间)、各岗位消防安全责任人。查阅资料2、实行承包、租赁或委托管理时,应当在订立的书面合同中依照有关规定明确各方的消防安全责任。承包人、承租人或者受委托经营管理者,在其使用、经营和管理范围内履行消防安全职责。查阅资料3、产权单位、使用单位、委托管理单位的法定代表人、主要负责人或实际控制人是本单位的消防安全责任人,对消防安全全面负责。属于消防安全重点单位的劳动密集型企业,应当明确承担消防安全管理工作的机构和消防安全管理人,组织实施本单位消防安全管理。消防安全责任人、消防安全管理人应当经过专门消防培训,并具备与其职责相适应的消防安全知识和管理能力。查阅资料抽查提问4、所属建筑有两个以上产权单位、使用单位的,应当书面明确各方的消防安全责任,并确定统一管理单位对共用的疏散通道、安全出口、建筑消防设施和消防车通道进行统管理。查阅资料5、根据本单位规模、火灾危险性等特点,按照单位消防安全管理规范(DB32/T4444-2023,以下简称规范)明确的要素,制定必要的消防安全制度和操作规程。查阅资料6、保证防火检查巡查、消防设施器材维护保养检测、火灾隐患整改、企业专职或志愿消防队和微型消防站建设等消防工作所需资金的投入。查阅资料平面布置及装修1、建筑外墙、隔墙、吊顶、屋面等严禁采用可燃泡沫夹芯彩钢板材料,内部装修装饰不得降低装修材料的燃烧等级。车间内不得擅自设置夹层。现场检查2、物流作业区域与辅助办公区域之间、仓库内的防火分区或库房之间、厂房或仓库内的辅助用房、办公室、休息室应进行防火分隔,且设置独立的安全出o现场检查3、洁净生产区与一般生产区域之间应设置不燃烧体隔断措施。穿隔墙或顶板的管线周围空隙应采用防火或耐火材料紧密封堵。洁净室的顶棚、壁板及夹芯材料应为不燃烧体,且不得采用有机复合材料。查阅资料现场检查4、厂房、仓库的实际使用功能、平面布置应与原设计功能一致,不得擅自改变导致场所火灾危险性增大(如丁戊类改为丙类、丙类改为甲乙类)。厂房、仓库内严禁设置员工宿舍。厂房、库房之间不得搭建连廊或设置防风雨棚。查阅资料现场检查5、施工单位装修施工前,应依法取得相关施工许可,预先向消防安全管理人办理施工审批手续。查阅档案6、施工单位应明确施工现场消防安全责任人,落实相关人员的消防安全责任;施工人员应当接受岗前消防安全教育培训,制定灭火和应急疏散演练预案并开展演练;在施工现场的重点防火部位或区域,设置消防安全警示标志,配备消防器材并保持完好有效,施工部位与其他部位之间应当采取防火分隔措施;施工过程中应当及时清理施工垃圾,局部施工部位确需暂停或者屏蔽使用局部消防设施的,不得影响整体消防设施的使用,同时采取人员监护或视频监控等措施加强防范。查阅档案现场检查筑防施理建消设管1、单位应制定消防设施、器材维护、保养计划,定期对消防设施、器材、标识进行维护、保养、检测,确保完好有效。自身不具备维护保养能力的单位,应委托具备从业条件的消防技术服务机构或者消防设施施工安装企业进行维护保养。查阅资料抽查测试2、建筑消防设施存在故障、缺损的,应当立即维修、更换,不得擅自挪用、损坏、拆除、停用或长期带故障运行。因故障、维修等原因,需要暂时停用消防设施的,应严格履行内部审批程序,采取确保安全的有效措施。维修完成后,应当立即恢复到正常运行状态。查阅资料现场检查3、建立消防设施和器材的档案管理制度,记录配置类型、数量、设置部位、检查及维修单位(人员)、更换药剂时间,故障报告、修理和消除等有关情况。查阅资料4、室内(外)消火栓、灭火器箱、防火卷帘、常闭式防火门、排烟口、正压送风口、报警阀等应当设置名称、位置、使用方法和应当保持的工作状态,以及禁止占用、圈占的标识。消防泵及其管道阀门等应设置管道流向、供水范围、阀门启闭状态等内容的标识;水泵接合器处设置供水系统名称和范围的标识。现场检查5、室内消火栓箱内设备应当齐全、完好,不得圈占、遮挡消火栓,不得在消火栓箱内堆放杂物。现场检查6、展品、广告牌箱、生产设备等物品不得影响防火门、防火卷帘、室内消火栓、灭火剂喷头、排烟口和送风口、火灾探测器、手动火灾报警按钮、声光报警装置等消防设施的正常使用,不得在防火门、防火卷帘下方及两侧各0.3米范围内堆放物品。现场检查7、消防设施的电源开关、管道控制阀门,均应处于正常运行位置,并正确设置常开/常闭标识。对需要保持常开或者常闭状态的阀门,应采取铅封、锁具固定等限位措施。现场检查8、设置自动消防设施的单位,每月应至少进行一次单项功能检查,每年应至少进行一次联动检查和全面检测。查阅资料全散理安疏管1、疏散门应向疏散方向开启,不得使用卷帘门、转门、吊门、侧拉门作为疏散门,不得随意改变疏散门的开启方向,不得减少安全出口的数量和宽度。现场检查2、安全出口、疏散通道、疏散门应设置禁止锁闭、堵塞、占用等内容的标识,常闭式防火门应设置“常闭式防火门应保持常闭”的标识。现场检查3、疏散通道、安全出口、楼梯间应保持畅通,不得堆放原料、成品和半成品,不得锁闭出口、设置障碍物,楼梯间及前室内不得设置烧水间、配电柜、可燃材料储藏室、垃圾道、影响疏散的凸出物或其他障碍物。疏散门内外1.4米范围内不得设置踏步。现场检查4、常闭式防火门应保持常闭,闭门器、顺序器应完好有效。常用疏散通道、货物运送通道、安全出口处的疏散门采用常开式防火门时,应设置自动和手动关闭装置,并保证发生火灾时自动关闭。现场检查5、疏散门、疏散通道及其尽端墙面上不得有镜面反光类材料遮挡、误导人员视线等影响人员安全疏散行动的装饰物,疏散通道上空不得悬挂可能遮挡人员视线的物体及其他可燃物。现场检查6、应急照明灯、疏散指示标志、应急广播应完好有效,不得被遮挡。发生损坏时,应及时维修或更换。疏散指示标志应采用灯光型,不得采用蓄光型。现场检查7、员工宿舍、生产车间的窗口、安全出口、疏散通道、疏散楼梯间不得安装影响人员逃生和灭火救援的栅栏。现场检查8、各车间醒目位置应当设置本层的楼层显示、安全疏散指示图,标明疏散路线、安全出口和疏散门、人员所在位置和必要的文字说明。现场检查9、设置门禁系统的疏散门,应保证火灾时能从内部易于打开,并在显著位置设置醒目的提示和使用标识。现场检查K急援施理应救设管1、消防车通道的净宽度和净空高度均不得小于4米。现场检查2、消防车通道、消防车登高操作场地应当施划标识、标线并设置禁止占用的标识。不得在消防车通道、消防车登高作业场地、防火间距等设置停车泊位、构筑物、固定隔离桩等障碍物,不得在消防车通道上方、登高操作场地设置妨碍消防车作业的架空管线、广告牌、装饰物、树木等障碍物。现场检查3、户外广告牌、外装饰不得采用易燃可燃材料制作,不得改变或破坏建筑立面现场检查防火构造。建筑外墙上的灭火救援窗、灭火救援破拆口不得被遮挡,室内外的相应位置应当有明显标识。4、不得埋压、圈占、遮挡室外消火栓、消防水泵接合器。室外消火栓、消防水泵接合器两侧沿道路方向各2米范围内不得有影响其正常使用的障碍物或停放车辆。现场检查防全点位理消安重部管1、将油漆、烘烤、熬炼、木工车间及可燃物品仓库(储藏室)、储油间、锅炉房、企业食堂、员工集体宿舍、电动自行车停放充电场所等容易发生火灾以及发生火灾时会严重危及人身和财产安全的部位,以及变配电站(室)、发电机房、不间断电源室、储能电站,制冷机房、空调机房,冷库(氨制冷储存场所),通信设备机房,消防水泵房、消防控制室、固定灭火系统的设备房、防排烟风机房等发生火灾对消防安全有重大影响的部位确定为消防安全重点部位。现场检查2、消防安全重点部位应设置明显的标识,落实特殊防范和重点管控措施,不得占用消防安全重点部位或在内部堆放杂物。查阅档案现场检查3、喷漆、烘烤工段应与其他工段进行防火分隔,保证通风设备正常运行,定期清洗通风管道。现场检查4、使用液氨制冷的场所,不宜使用聚氨酯、聚苯乙烯等易燃、可燃材料作为保温材料,并应当定期检修设备和管道。查阅档案现场检查5、有粉尘爆炸危险的车间,应按操作规程定时清除电气设备及通风管道上的可燃粉尘、飞絮,落实防尘降尘、防爆、防静电措施。查阅档案现场检查6、企业食堂、员工集体宿舍应独立设置,且与周边建(构)筑物保持相应的防火间距。现场检查7、员工集体宿舍严禁使用电炉、电取暖、热得快等大功率电气设备。电源插座、照明开关不得直接安装在可燃材料上。现场检查8、配电室内消防设施设备的配电柜、配电箱应当有区别于其他配电装置的明显标识。现场检查9、锅炉房、柴油发电机房、制冷机房、空调机房、油浸变压器室的防火分隔不得被破坏,其内部设置的防爆型灯具、事故排风机、通风系统、消防设施等应当保持完好有效。现场检查10、仓储场所物品应分类分垛储存。现场检查11、需要使用易燃易爆危险品的,应根据需求限量使用。车间内中间仓库的储量不应超过一昼夜的使用量,不使用时及时清除。现场检查火电全理用用安管1、电气焊工、电工、易燃易爆危险物品管理人员(操作人员)应当持证上岗。电工应能正确区分消防配电和其他民用配电线路,熟练掌握消防电源正常工作的操作和切断非消防电源的技能。查阅档案抽查询问2、对动用明火实行严格的消防安全管理。不应在仓库、露天堆场等具有火灾、爆炸危险的场所吸烟、使用明火;不采用明火取暖,如特殊情况需要时,有专人看护;场所生产、经营期间和结束后,指定专人进行巡查、检查,清除烟蒂等遗留火种。查阅档案现场检查3、生产期间禁止动火施工。因特殊情况需要进行电焊、气焊、切割等明火作业的,动火部门和人员应当按照用火管理制度办理审批手续,落实现场监护人,清除动火区域的易燃、可燃物,配置消防器材,在确认无火灾危险后方可动火施工。动火施工人员应当遵守消防安全规定,并落实相应的消防安全措施。两个以上单位共同使用的建筑物局部施工需要使用明火时,施工单位和使用单位应当共同采取措施,将施工区和使用区进行防火分隔。查阅档案现场检查4、电气线路敷设、电气设备安装和维修应当符合标准要求和操作规程,配电箱(柜)不得零地并接、螺栓压接、多线较接,不得有外露带电部分,不得带负荷拉、合闸。不得使用未经产品质量认证的电器或移动插排,不得私拉乱接电气线路、擅自增加用电设备。现场检查5、电热汀、暖风机、对流式电暖器、电热膜等电气取暖、电加热、电动设备的现场检查配电回路应设置与设备匹配的短路、过载保护装置。6、配电线路敷设在闷顶、吊顶内时,需采取穿金属导管或采取封闭式金属槽盒保护,金属导管或封闭式金属槽盒采取包覆防火材料或涂刷防火涂料的保护措施,电源插座、照明开关不得直接安装在可燃材料上。现场检查7、生产加工中使用电加热器具时,应固定使用地点,并采取隔热、散热等防火保护措施。各种灯具距离窗帘、幕布、布景等可燃物不得小于0.5米。现场检查8、定时清除电气设备及通风管道上的可燃粉尘、飞絮。现场检查9、定期检查、检测电气线路、设备,严禁超负荷运行。每日生产结束后,应当切断非必要电源。现场检查10、电动自行车及其蓄电池不得在公共门厅、疏散走道、楼梯间、安全出口、消防车通道停放、

    注意事项

    本文(劳动密集型企业消防安全风险自查检查指南.docx)为本站会员(p**)主动上传,第壹文秘仅提供信息存储空间,仅对用户上传内容的表现方式做保护处理,对上载内容本身不做任何修改或编辑。 若此文所含内容侵犯了您的版权或隐私,请立即通知第壹文秘(点击联系客服),我们立即给予删除!

    温馨提示:如果因为网速或其他原因下载失败请重新下载,重复下载不扣分。




    关于我们 - 网站声明 - 网站地图 - 资源地图 - 友情链接 - 网站客服 - 联系我们

    copyright@ 2008-2023 1wenmi网站版权所有

    经营许可证编号:宁ICP备2022001189号-1

    本站为文档C2C交易模式,即用户上传的文档直接被用户下载,本站只是中间服务平台,本站所有文档下载所得的收益归上传人(含作者)所有。第壹文秘仅提供信息存储空间,仅对用户上传内容的表现方式做保护处理,对上载内容本身不做任何修改或编辑。若文档所含内容侵犯了您的版权或隐私,请立即通知第壹文秘网,我们立即给予删除!

    收起
    展开