欢迎来到第壹文秘! | 帮助中心 分享价值,成长自我!
第壹文秘
全部分类
  • 幼儿/小学教育>
  • 中学教育>
  • 高等教育>
  • 研究生考试>
  • 外语学习>
  • 资格/认证考试>
  • 论文>
  • IT计算机>
  • 法律/法学>
  • 建筑/环境>
  • 通信/电子>
  • 医学/心理学>
  • ImageVerifierCode 换一换
    首页 第壹文秘 > 资源分类 > DOCX文档下载
    分享到微信 分享到微博 分享到QQ空间

    采购清单及技术参数.docx

    • 资源ID:377778       资源大小:73.70KB        全文页数:21页
    • 资源格式: DOCX        下载积分:5金币
    快捷下载 游客一键下载
    账号登录下载
    三方登录下载: 微信开放平台登录 QQ登录
    下载资源需要5金币
    邮箱/手机:
    温馨提示:
    快捷下载时,如果您不填写信息,系统将为您自动创建临时账号,适用于临时下载。
    如果您填写信息,用户名和密码都是您填写的【邮箱或者手机号】(系统自动生成),方便查询和重复下载。
    如填写123,账号就是123,密码也是123。
    支付方式: 支付宝    微信支付   
    验证码:   换一换

    加入VIP,免费下载
     
    账号:
    密码:
    验证码:   换一换
      忘记密码?
        
    友情提示
    2、PDF文件下载后,可能会被浏览器默认打开,此种情况可以点击浏览器菜单,保存网页到桌面,就可以正常下载了。
    3、本站不支持迅雷下载,请使用电脑自带的IE浏览器,或者360浏览器、谷歌浏览器下载即可。
    4、本站资源下载后的文档和图纸-无水印,预览文档经过压缩,下载后原文更清晰。
    5、试题试卷类文档,如果标题没有明确说明有答案则都视为没有答案,请知晓。

    采购清单及技术参数.docx

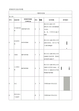
    采购清单及技术参数一楼厨房设备加工间序号设备名称现场参考规格(L*W*H)mm单位数量技术参数参考图片1多功能切菜机1200*530*1270台1额定电压220V功率2KW,加工能力50-300KGh含切丝,条,块,片等外壳304不锈钢2绞切两用机510*410*804台1额定电压220V额定功率LlKW切肉丝,肉片生产能力200-300kgHI.3灭蝇灯380*100*300个1额定电压220V额定功率0.05KW灭蚊原理:粘捕式适用面积20/00平4土豆脱皮机850*530*800台1额定电压220V额定功率I.5KW去皮用时l-2min,一次性装土豆30KG防水等级IPXl850*530*800Ii5龙头欠7不锈钢304冷热水龙头6利旧水池上下水配件套7不锈钢304冷热水龙头热厨房7油网烟罩(含补风)12500*1400*550米12.5盒式烟罩、嵌入式LED照明灯,罩身侧边:SUS3041.2mm,配置隔油网板、集油盒U8油网烟罩5800*1000*550米5.8盒式烟罩、嵌入式LED照明灯,罩身侧边:SUS3041.2mm,配置隔油网板、集油盒JIIBa9双门电磁蒸饭柜1150*910*1850台3机器机芯控制芯片采用进口ST高精芯片,运行更稳定,机芯结构电路采用纯铜版连接,机芯外接全部采用工业级段子连接,安装方便,机芯外壳采用不锈钢和铝板,确保机芯不变质变形。外壳采用304不锈钢材质厚度1.0额定电压380V功率25KWjrijWa10水压式洗米机50KG台1洗净率98%xmj-cx-2洗米50kg次304不锈钢T11六门雪柜1840*730*1950台1加厚发泡,全铜蒸发器,双机双温(冷藏:05C功率:220V0.56KW)j12六门雪柜1840*730*1950台1加厚发泡,全铜蒸发器,双机双温(冷冻:0-18C功率:220V0.56KW,I13双星盆台1200*760*800/150台2(台面:sus304厚度1.2侧板:sus304厚度1.0支架:38*38方管)I-U14灭蝇灯380*100*300个3灭蚊原理:粘捕式适用面积20-100平15侧单星砧板台1500*760*800/150台1(台面:sus304厚度1.2侧板:sus304厚度1.0支架:38*38方管)116开水器480*450*1310台1外壳SUS3040.8mm,内胆SUSo.8mm,全电脑控制(额定电压380V功率12KW)厚17洗地龙头20米个1配置20米水管和花洒枪,碳钢开放式卷盘18双头电磁矮汤炉1300*800*550/650台1机器机芯控制芯片采用进口ST高精芯片,运行更稳定,机芯结构电路采用纯铜版连接,机芯外接全部采用工业级段子连接,安装方便,机芯外壳采用不锈钢和铝板,确保机芯不变质变形。外壳采用304不锈钢材质桌面厚度1.2侧板1.0(额定电压380V功率24KW).*I三F19双头双尾电磁炉2000*1150*800/400台1机器机芯控制芯片采用进口ST高精芯片,运行更稳定,机芯结构电路采用纯铜版连接,机芯外接全部采用工业级段子连接,安装方便,机芯外壳采用不锈钢和铝板,确保机芯不变质变形。外壳采用304不锈钢材质桌面厚度1.2侧板1.0(额定电压380V功率30KW)Jr20双头电磁大锅灶2000*1150*800/400台2机器机芯控制芯片采用进口ST高精芯片,运行更稳定,机芯结构电路采用纯铜版连接,机芯外接全部采用工业级段子连接,安装方便,机芯外壳采用不锈钢和铝板,确保机芯不变质变形。外壳采用304不锈钢材质桌面厚度1.2侧板1.0(额定电压380V功率40KW),II21单头电磁大锅灶1100*1150*800/400台1机器机芯控制芯片采用进口ST高精芯片,运行更稳定,机芯结构电路采用纯铜版连接,机芯外接全部采用工业级段子连接,安装方便,机芯外壳采用不锈钢和铝板,确保机芯不变质变形。外壳采用304不锈钢材质桌面、一二寸F厚度1.2侧板LO(额定电压380V功率20KW)22电磁摇摆汤炉1350*900*1200台1机器机芯控制芯片采用进口ST高精芯片,运行更稳定,机芯结构电路采用纯铜版连接,机芯外接全部采用工业级段子连接,安装方便,机芯外壳采用不锈钢和铝板,确保机芯不变质变形。外壳采用304不锈钢材质(额定电压380V功率20KW)23烤鸭炉(1040+200)*1500台1自动定时,定温(额定电压380V功率18KW)叱帆:iI24双门智能晾鸭柜1450*850*2200台1额定电压220V功率2.6KWIIl2520层万能蒸烤箱877*913*1807台1额定功率38KW,额定电压380V,5种烹饪模式,3种速度,2种公率自动除垢装置iI026龙头个5不锈钢304冷热水龙头1F27利旧水池上下水配件2不锈钢304冷热水龙头售卖间28单星盆台600*600*800台2台面:sus304厚度1.2侧板:sus304厚度1.0支架:38*38方管29四格电磁保温售卖台1500*700*800台8机器机芯控制芯片采用进口ST高精芯片,运行更稳定,机芯结构电路采用纯铜版连接,机芯外接全部采用工业级段子连接,安装方便,机芯外壳采用不锈钢和铝板,确保机芯不变质变形。外壳采用304不锈钢材质桌面厚度1.2侧板LO(额定功率2KW,额定电压220V台面:sus304厚度1.2侧板:sus304厚度1.0支架:38*38方管)30保温饭汤桶乍600*600*800台5机器机芯控制芯片采用进口ST高精芯片,运行更稳定,机芯结构电路采用纯铜版连接,机芯外接全部采用工业级段子连接,安装方I*I便,机芯外壳采用不锈钢和铝板,确保机芯不变质变形。外壳采用304不锈钢材质桌面厚度1.2侧板1.0(额定功率2KW,额定电压220V台面:sus304厚度1.2侧板:sus304厚度Lo支架:38*38方管)31紫外线消毒灯80CM个3适用面积20-100平.1I.r2rI132双星水池900*450*800台1(台面:sus304厚度1.2侧板:sus304厚度LO支架:38*38方管)33龙头个4不锈钢304冷热水龙头I广34利旧水池上下水配件套4不锈钢304冷热水龙头点心间35油网烟罩4700*1000*550米4.7盒式烟罩、嵌入式LED照明灯,罩身侧边:SUS3041.2mmJ配置隔油网板、集油盒(SlIS304厚度1.2)36立式和面机560*750*870台1最大和面量25KG不锈钢机身,亚克力机盖(额定电压380V额定功率2.2KW)司37压面机690*770*1105台1压面厚度l-5mm,生产能力155KG/H额定电压380V额定功率1.5KW.j38搅拌机680*550*1025台1搅拌速度65-296Rmin(额定电压38OV,额定功率1.5KW)iI39木面工作台1500*700*800台1红松木厚度8CM,热脱水处理,不开裂(台面:sus304厚度L2侧板:sus304厚度LO支架:38*38方管)40双动和面机930*525*930台2双动双速最大和面量20KG(额定电压38OV,额定功率2.2KW)一N41双门发酵柜985*750*1640台1定时,定温,不锈钢箱体(烤盘层数20盘,额定电压220V,额定功率2.7KW)I423层六盘烤箱1320*1250*1710台1电子温控,误差小于loC,配套蒸汽喷雾(层数3层,每层2个烤盘,额定电压380V,额定功率22.5KW)I43电磁扒炉700*700*800台1加厚铁板,自动控温,过热保护(额定电压38OV,额定功率9KW)於I44电饼铛840*660*760台1上下加热,自动控温(额定电压380V,额定功率4.8KW)45双星水池1200*700*800/150台1台面:sus304厚度1.2侧板:sus304厚度LO支架:38*38方管广46龙头个2不锈钢304冷热水龙头面档47油网烟罩(含补风)2700*1400*600台2.7盒式烟罩、嵌入式LEDI照明灯,罩身侧边:ISUS3041.2mm,配置隔油网板、集油盒SSL0-W48油网烟罩(含补风)7400*1400*600台7.4盒式烟罩、嵌入式LED照明灯,罩身侧边:SUS3041.2mm,配置隔油网板、集油盒49不锈钢防水板1000*2000*38块1sus304厚度1.250煎饼果子机450*465*175台1电加热,恒温控制(额定电压220V功率3KW)51单头单尾电磁炉1000*1050*800/450台1机器机芯控制芯片采用进口ST高精芯片,运行更稳定,机芯结构电路采用纯铜版连接,机芯外接全部采用工业级段子连接,安装方便,机芯外壳采用不锈钢和铝板,确保机芯不变质变形。外壳采用304不锈钢材质桌面厚度1.2侧板1.0(额定电压380V功率15KW)1tI52三星水池1500*760*800/150台1台面:sus304厚度1.2侧板:sus304厚度1.0支架:38*38方管53四格电磁保温售卖台1500*800*800台1机器机芯控制芯片采用进口ST高精芯片,运行更稳定,机芯结构电路采用纯铜版连接,机芯外接全部采用工业级段子连接,安装方便,机芯外壳采用不锈钢和铝板,确保机芯不变质变形。外壳采用304不

    注意事项

    本文(采购清单及技术参数.docx)为本站会员(p**)主动上传,第壹文秘仅提供信息存储空间,仅对用户上传内容的表现方式做保护处理,对上载内容本身不做任何修改或编辑。 若此文所含内容侵犯了您的版权或隐私,请立即通知第壹文秘(点击联系客服),我们立即给予删除!

    温馨提示:如果因为网速或其他原因下载失败请重新下载,重复下载不扣分。




    关于我们 - 网站声明 - 网站地图 - 资源地图 - 友情链接 - 网站客服 - 联系我们

    copyright@ 2008-2023 1wenmi网站版权所有

    经营许可证编号:宁ICP备2022001189号-1

    本站为文档C2C交易模式,即用户上传的文档直接被用户下载,本站只是中间服务平台,本站所有文档下载所得的收益归上传人(含作者)所有。第壹文秘仅提供信息存储空间,仅对用户上传内容的表现方式做保护处理,对上载内容本身不做任何修改或编辑。若文档所含内容侵犯了您的版权或隐私,请立即通知第壹文秘网,我们立即给予删除!

    收起
    展开