欢迎来到第壹文秘! | 帮助中心 分享价值,成长自我!
第壹文秘
全部分类
  • 幼儿/小学教育>
  • 中学教育>
  • 高等教育>
  • 研究生考试>
  • 外语学习>
  • 资格/认证考试>
  • 论文>
  • IT计算机>
  • 法律/法学>
  • 建筑/环境>
  • 通信/电子>
  • 医学/心理学>
  • ImageVerifierCode 换一换
    首页 第壹文秘 > 资源分类 > DOCX文档下载
    分享到微信 分享到微博 分享到QQ空间

    重大事故隐患专项排查整治行动进展情况调度表.docx

    • 资源ID:377773       资源大小:21.67KB        全文页数:2页
    • 资源格式: DOCX        下载积分:5金币
    快捷下载 游客一键下载
    账号登录下载
    三方登录下载: 微信开放平台登录 QQ登录
    下载资源需要5金币
    邮箱/手机:
    温馨提示:
    快捷下载时,如果您不填写信息,系统将为您自动创建临时账号,适用于临时下载。
    如果您填写信息,用户名和密码都是您填写的【邮箱或者手机号】(系统自动生成),方便查询和重复下载。
    如填写123,账号就是123,密码也是123。
    支付方式: 支付宝    微信支付   
    验证码:   换一换

    加入VIP,免费下载
     
    账号:
    密码:
    验证码:   换一换
      忘记密码?
        
    友情提示
    2、PDF文件下载后,可能会被浏览器默认打开,此种情况可以点击浏览器菜单,保存网页到桌面,就可以正常下载了。
    3、本站不支持迅雷下载,请使用电脑自带的IE浏览器,或者360浏览器、谷歌浏览器下载即可。
    4、本站资源下载后的文档和图纸-无水印,预览文档经过压缩,下载后原文更清晰。
    5、试题试卷类文档,如果标题没有明确说明有答案则都视为没有答案,请知晓。

    重大事故隐患专项排查整治行动进展情况调度表.docx

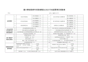
    单位:重大事故隐患专项排查整治2023行动进展情况调度表时间:2023年月日总体情况1企业自查发现的重大事故隐患(个)2企业自查发现已完成整改的重大事故隐患(个)重大问题隐患(个)重大问题隐患(个)3部门检查发现的重大事故隐患(个)4部门检查发现已完成整改的重大事故隐患(个)重大问题隐患(个)重大问题隐患(个)5政府挂牌督办的重大事故隐患(个)6挂牌督办已完成整改的重大事故隐患(个)重大问题隐患(个)重大问题隐患(个)对企业自查自改进行抽查检查情况1部门抽查检查的企业总数(家)2企业主要负责人未按要求亲自研究排查整治工作(家)3企业主要负责人未带队检查(家)4企业未制定分管负责人职责清单(家)5企业未依法建立安全管理机构和配足安全管理人员(家)6电焊等特种作业岗位人员无证上岗作业(家)7外包外租安全管理混乱(家)8未按规定开展应急演练、员工不熟悉逃生出口(家)部门精准严格执法情况1帮扶指导重点县(个次)2帮扶指导重点企业(家次)3行政处罚(次,万元)4企业和企业主要负责人“一案双罚”(次)5移送司法机关(人)6责令停产整顿(家)7曝光、约谈、联合惩戒企业(家)8公布典型执法案例(个),其中危险作业罪案例(个)9责任倒查追责问责(人)10约谈通报有关地区及部门(次)党委政府组织领导情况1党委政府组织专题学习安全生产“国15条”“省25条”硬措施(次)市本级2党委政府主要负责同志专题研究(次)市本级县级县级3政府负责同志现场督导检查(次)市本级4安委会成员单位负责同志到企业宣讲(次)市本级县级县级5举报奖励(万元),其中匿名举报查实奖励(万元)6是否在市级主流媒体播放安全生产专题栏目7市县两级配备专兼职技术检查员数量(人)8组织开展考核巡查督导检查(次)注:1.省安委会办公室对各地市工作进展情况进行月度调度。调度表自6月份开始上报,每月2日前上报截至上月末的累计情况。2.调度表内容应对照专项排查整治工作并对照方案具体要求如实填报,特别是对企业自查情况进行抽查检查时,要深挖细查,查出真问题。如:电焊等人员无证上岗作业,既要通过现场检查发现问题,也要通过对企业动火等特种作业存单进行检查核实来发现问题;外包外租管理混乱,是指符合以下情形之一的:承包承租方不具备安全生产条件、未取得相应资质,双方未签订安全生产协议,安全生产管理职责不清,未纳入本企业统一管理等。

    注意事项

    本文(重大事故隐患专项排查整治行动进展情况调度表.docx)为本站会员(p**)主动上传,第壹文秘仅提供信息存储空间,仅对用户上传内容的表现方式做保护处理,对上载内容本身不做任何修改或编辑。 若此文所含内容侵犯了您的版权或隐私,请立即通知第壹文秘(点击联系客服),我们立即给予删除!

    温馨提示:如果因为网速或其他原因下载失败请重新下载,重复下载不扣分。




    关于我们 - 网站声明 - 网站地图 - 资源地图 - 友情链接 - 网站客服 - 联系我们

    copyright@ 2008-2023 1wenmi网站版权所有

    经营许可证编号:宁ICP备2022001189号-1

    本站为文档C2C交易模式,即用户上传的文档直接被用户下载,本站只是中间服务平台,本站所有文档下载所得的收益归上传人(含作者)所有。第壹文秘仅提供信息存储空间,仅对用户上传内容的表现方式做保护处理,对上载内容本身不做任何修改或编辑。若文档所含内容侵犯了您的版权或隐私,请立即通知第壹文秘网,我们立即给予删除!

    收起
    展开