欢迎来到第壹文秘! | 帮助中心 分享价值,成长自我!
第壹文秘
全部分类
  • 幼儿/小学教育>
  • 中学教育>
  • 高等教育>
  • 研究生考试>
  • 外语学习>
  • 资格/认证考试>
  • 论文>
  • IT计算机>
  • 法律/法学>
  • 建筑/环境>
  • 通信/电子>
  • 医学/心理学>
  • ImageVerifierCode 换一换
    首页 第壹文秘 > 资源分类 > DOCX文档下载
    分享到微信 分享到微博 分享到QQ空间

    [管柱制作]钢筋(连接及安装)检验批质量验收记录表(Ⅱ).docx

    • 资源ID:374058       资源大小:18.14KB       
    • 资源格式: DOCX        下载积分:5金币
    快捷下载 游客一键下载
    账号登录下载
    三方登录下载: 微信开放平台登录 QQ登录
    下载资源需要5金币
    邮箱/手机:
    温馨提示:
    快捷下载时,如果您不填写信息,系统将为您自动创建临时账号,适用于临时下载。
    如果您填写信息,用户名和密码都是您填写的【邮箱或者手机号】(系统自动生成),方便查询和重复下载。
    如填写123,账号就是123,密码也是123。
    支付方式: 支付宝    微信支付   
    验证码:   换一换

    加入VIP,免费下载
     
    账号:
    密码:
    验证码:   换一换
      忘记密码?
        
    友情提示
    2、PDF文件下载后,可能会被浏览器默认打开,此种情况可以点击浏览器菜单,保存网页到桌面,就可以正常下载了。
    3、本站不支持迅雷下载,请使用电脑自带的IE浏览器,或者360浏览器、谷歌浏览器下载即可。
    4、本站资源下载后的文档和图纸-无水印,预览文档经过压缩,下载后原文更清晰。
    5、试题试卷类文档,如果标题没有明确说明有答案则都视为没有答案,请知晓。

    [管柱制作]钢筋(连接及安装)检验批质量验收记录表(Ⅱ).docx

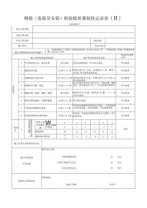
    钢筋(连接及安装)检验批质量验收记录表(II)管柱制作单位工程名称分部工程名称分项工程名称验收部位施工单位项目负责人施工质量验收标准名称及编号M:铁路混凝土工程施工质量验收标准TB10424-2010B:铁路桥涵匚程施工质量验收标准TB10415-2003施工质量验收标准的规定施工单位检查评定记录监理单位验收记录主控项目1受力筋连接方式、接头位置设计要求采用双面搭接焊,符合设计要求。符合要求2钢筋接头质量A第5.4.2条搭接长度大于IOCmI)试验报告1份,编号:XXXXXX,符合验收标准要求。符合要求3直螺纹接头拧紧力矩瓜第5.4.3条扭矩扳手检查XX处,拧紧力矩不小于XXXN.m,符合验标要求。符合要求4钢筋接头位置、数量A第5.4.4条接头布置在承受应力较小处,并满足通一截而要求。接头数量有XXX个。符合验收标准要求符合要求5钢筋品种、级别、规格、数量设计要求HRB33525,XX根、HRB20,XX根,符合设计要求。符合要求6保护层垫块规格、位置和数量A第5.5.2条符合设计要求符合要求7环氧涂层钢筋绑扎质量M第5.5.3条环氧涂层钢筋使用绝缘扎丝绑扎,与普通钢筋之间无电连接,表面无破损,符合验标要求符合要求8涂层损伤缺陷及修补情况A第5.5.4条经卷查,环氧涂层钢筋在绑扎后无损伤,符合验标要求。符合要求一般项目1筋装保层度许差钢安及护厚允偏焊接主筋的竖板位置W532132合格预应力混凝土管柱212111箍筋间距20121412912钢筋保护层厚度+5-2+3-1+3-1+2施工作业人员质量责任登记施工单位检查评定结果检查评定合格。专职质量检查员年月日分项工程技术负责人年月日分项工程负责人年月日监理单位验收结论同意验收。监理工程师年月日

    注意事项

    本文([管柱制作]钢筋(连接及安装)检验批质量验收记录表(Ⅱ).docx)为本站会员(p**)主动上传,第壹文秘仅提供信息存储空间,仅对用户上传内容的表现方式做保护处理,对上载内容本身不做任何修改或编辑。 若此文所含内容侵犯了您的版权或隐私,请立即通知第壹文秘(点击联系客服),我们立即给予删除!

    温馨提示:如果因为网速或其他原因下载失败请重新下载,重复下载不扣分。




    关于我们 - 网站声明 - 网站地图 - 资源地图 - 友情链接 - 网站客服 - 联系我们

    copyright@ 2008-2023 1wenmi网站版权所有

    经营许可证编号:宁ICP备2022001189号-1

    本站为文档C2C交易模式,即用户上传的文档直接被用户下载,本站只是中间服务平台,本站所有文档下载所得的收益归上传人(含作者)所有。第壹文秘仅提供信息存储空间,仅对用户上传内容的表现方式做保护处理,对上载内容本身不做任何修改或编辑。若文档所含内容侵犯了您的版权或隐私,请立即通知第壹文秘网,我们立即给予删除!

    收起
    展开