欢迎来到第壹文秘! | 帮助中心 分享价值,成长自我!
第壹文秘
全部分类
  • 幼儿/小学教育>
  • 中学教育>
  • 高等教育>
  • 研究生考试>
  • 外语学习>
  • 资格/认证考试>
  • 论文>
  • IT计算机>
  • 法律/法学>
  • 建筑/环境>
  • 通信/电子>
  • 医学/心理学>
  • ImageVerifierCode 换一换
    首页 第壹文秘 > 资源分类 > DOCX文档下载
    分享到微信 分享到微博 分享到QQ空间

    进料检验流程.docx

    • 资源ID:360297       资源大小:18.28KB       
    • 资源格式: DOCX        下载积分:5金币
    快捷下载 游客一键下载
    账号登录下载
    三方登录下载: 微信开放平台登录 QQ登录
    下载资源需要5金币
    邮箱/手机:
    温馨提示:
    快捷下载时,如果您不填写信息,系统将为您自动创建临时账号,适用于临时下载。
    如果您填写信息,用户名和密码都是您填写的【邮箱或者手机号】(系统自动生成),方便查询和重复下载。
    如填写123,账号就是123,密码也是123。
    支付方式: 支付宝    微信支付   
    验证码:   换一换

    加入VIP,免费下载
     
    账号:
    密码:
    验证码:   换一换
      忘记密码?
        
    友情提示
    2、PDF文件下载后,可能会被浏览器默认打开,此种情况可以点击浏览器菜单,保存网页到桌面,就可以正常下载了。
    3、本站不支持迅雷下载,请使用电脑自带的IE浏览器,或者360浏览器、谷歌浏览器下载即可。
    4、本站资源下载后的文档和图纸-无水印,预览文档经过压缩,下载后原文更清晰。
    5、试题试卷类文档,如果标题没有明确说明有答案则都视为没有答案,请知晓。

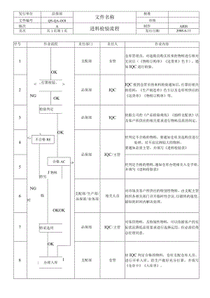
    进料检验流程.docx

    发行单位品保部文件名称核准文件编号QS-QA-OOl审核版次A进料检验流程制作ARIS页次共1页第1页发行日期2008-6-11序号作业流程责任部门责任人作业内容1OK支配部仓管仓库管理员,对选购员购买回来的物料进行核对无误后(物料订购单送货单色卡),通知IQC进行检验。2<NG>品保部IQCIQC接到仓管员的来料检验通知后,打算好相关的资料:生产制造单色卡以及仓库所供应的送货单物料订购单等。,打算检验、OK3检验判定品保部IQC依据公司的产品检验规范抽样支配表以及客户所供应的相关要求进行物料品质的判定。41,OK品保部IQC/主管经判定不合格的物料,要通知仓库及选购员进行处理。对不良比例较大的物料,要通知品质主管,并填写进料检验表<-不合格RE5经判定合格的物料,通知仓库办理相关入仓手续。并填写进料检验表特另合格AC->J物料6NG临时OKOK支配部/生产部/品保部/业务部相关人员对市场及客户所供应的特别性物料,由支配主管组织各相关部门召开临时性会议,以最快的速度,最短的时间内解决处理。7品保部IQC/主管对客供物料,及特别性物料,可以依据客户的实际状况降低品质要求进行选择运用,但必需经得总经理同意。特采选用8OK支配部仓管经IQC判定合格的物料,仓库支配仓库人员,进行开单入库,给生产做好充分打算,并填写仓存卡入库单。:办理入库1

    注意事项

    本文(进料检验流程.docx)为本站会员(p**)主动上传,第壹文秘仅提供信息存储空间,仅对用户上传内容的表现方式做保护处理,对上载内容本身不做任何修改或编辑。 若此文所含内容侵犯了您的版权或隐私,请立即通知第壹文秘(点击联系客服),我们立即给予删除!

    温馨提示:如果因为网速或其他原因下载失败请重新下载,重复下载不扣分。




    关于我们 - 网站声明 - 网站地图 - 资源地图 - 友情链接 - 网站客服 - 联系我们

    copyright@ 2008-2023 1wenmi网站版权所有

    经营许可证编号:宁ICP备2022001189号-1

    本站为文档C2C交易模式,即用户上传的文档直接被用户下载,本站只是中间服务平台,本站所有文档下载所得的收益归上传人(含作者)所有。第壹文秘仅提供信息存储空间,仅对用户上传内容的表现方式做保护处理,对上载内容本身不做任何修改或编辑。若文档所含内容侵犯了您的版权或隐私,请立即通知第壹文秘网,我们立即给予删除!

    收起
    展开