欢迎来到第壹文秘! | 帮助中心 分享价值,成长自我!
第壹文秘
全部分类
  • 幼儿/小学教育>
  • 中学教育>
  • 高等教育>
  • 研究生考试>
  • 外语学习>
  • 资格/认证考试>
  • 论文>
  • IT计算机>
  • 法律/法学>
  • 建筑/环境>
  • 通信/电子>
  • 医学/心理学>
  • ImageVerifierCode 换一换
    首页 第壹文秘 > 资源分类 > DOCX文档下载
    分享到微信 分享到微博 分享到QQ空间

    装置开车前工艺安全信息、工艺设备变更、工艺安全分析安全审查.docx

    • 资源ID:349923       资源大小:18.80KB        全文页数:2页
    • 资源格式: DOCX        下载积分:5金币
    快捷下载 游客一键下载
    账号登录下载
    三方登录下载: 微信开放平台登录 QQ登录
    下载资源需要5金币
    邮箱/手机:
    温馨提示:
    快捷下载时,如果您不填写信息,系统将为您自动创建临时账号,适用于临时下载。
    如果您填写信息,用户名和密码都是您填写的【邮箱或者手机号】(系统自动生成),方便查询和重复下载。
    如填写123,账号就是123,密码也是123。
    支付方式: 支付宝    微信支付   
    验证码:   换一换

    加入VIP,免费下载
     
    账号:
    密码:
    验证码:   换一换
      忘记密码?
        
    友情提示
    2、PDF文件下载后,可能会被浏览器默认打开,此种情况可以点击浏览器菜单,保存网页到桌面,就可以正常下载了。
    3、本站不支持迅雷下载,请使用电脑自带的IE浏览器,或者360浏览器、谷歌浏览器下载即可。
    4、本站资源下载后的文档和图纸-无水印,预览文档经过压缩,下载后原文更清晰。
    5、试题试卷类文档,如果标题没有明确说明有答案则都视为没有答案,请知晓。

    装置开车前工艺安全信息、工艺设备变更、工艺安全分析安全审查.docx

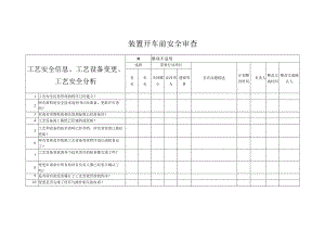
    装置开车前安全审查工艺安全信息、工艺设备变更、工艺安全分析×整项不适用选择需要行动项目存在问题描述计划整改时间负责人整改完成时间整改完成确认人有关无关无问题0必改项A遗留项B1工艺安全信息管理的程序已经建立?2所有材料的安全技术说明书已经准备、更新并可查吗?3有毒有害物料的相关管理标准已经准备好?4工艺设备竣工图纸已经建档或更新?5工艺和设备的技术资料已经存档、涉及变更的已做好更新?6所有变更是否按照工艺设备变更程序进行或检查过了?7工艺设备变更的各个技术项目的检查都完成了吗?8变更申请表中所有的项目负责人都已经签字确认了吗?9是否所有的变更履行了工艺变更管理的程序?10变更是否完成了所有与操作相关的内容?11变更是否履行了所有操作和维修上的签批手续?12变更要求的文件是否最新版?13变更中要求的各项培训是否已经完成?14变更实施过程安装的临时保护装置是否已经拆除?15针对新建项目是否进行了HAZOP分析?16是否已落实HAZOP分析提出的所有建议?17工艺安全管理协调员是否对所有的建议进行归档?18如果没有进行工艺安全分析,也要将投产前的危险和环境因素识别提出的建议进行落实?19变更要求的工艺风险分析提出的建议是否已经落实?20是否所有与变更有关的工艺安全信息已经更新?包括:操作手册、报警参数、添加的安全设备、正常操作的偏差、设定值、安全上限与下限等?21工艺设备的直接负责人是否已经接收到装置工艺安全信息?22工艺风险分析综合报告是否已经完成?23在单机试车完成后涉及装置安全的变更已进行工艺危害分析了吗?备注:

    注意事项

    本文(装置开车前工艺安全信息、工艺设备变更、工艺安全分析安全审查.docx)为本站会员(p**)主动上传,第壹文秘仅提供信息存储空间,仅对用户上传内容的表现方式做保护处理,对上载内容本身不做任何修改或编辑。 若此文所含内容侵犯了您的版权或隐私,请立即通知第壹文秘(点击联系客服),我们立即给予删除!

    温馨提示:如果因为网速或其他原因下载失败请重新下载,重复下载不扣分。




    关于我们 - 网站声明 - 网站地图 - 资源地图 - 友情链接 - 网站客服 - 联系我们

    copyright@ 2008-2023 1wenmi网站版权所有

    经营许可证编号:宁ICP备2022001189号-1

    本站为文档C2C交易模式,即用户上传的文档直接被用户下载,本站只是中间服务平台,本站所有文档下载所得的收益归上传人(含作者)所有。第壹文秘仅提供信息存储空间,仅对用户上传内容的表现方式做保护处理,对上载内容本身不做任何修改或编辑。若文档所含内容侵犯了您的版权或隐私,请立即通知第壹文秘网,我们立即给予删除!

    收起
    展开