欢迎来到第壹文秘! | 帮助中心 分享价值,成长自我!
第壹文秘
全部分类
  • 幼儿/小学教育>
  • 中学教育>
  • 高等教育>
  • 研究生考试>
  • 外语学习>
  • 资格/认证考试>
  • 论文>
  • IT计算机>
  • 法律/法学>
  • 建筑/环境>
  • 通信/电子>
  • 医学/心理学>
  • ImageVerifierCode 换一换
    首页 第壹文秘 > 资源分类 > DOCX文档下载
    分享到微信 分享到微博 分享到QQ空间

    继电保护专业技能比武985.docx

    • 资源ID:348991       资源大小:124.56KB        全文页数:31页
    • 资源格式: DOCX        下载积分:5金币
    快捷下载 游客一键下载
    账号登录下载
    三方登录下载: 微信开放平台登录 QQ登录
    下载资源需要5金币
    邮箱/手机:
    温馨提示:
    快捷下载时,如果您不填写信息,系统将为您自动创建临时账号,适用于临时下载。
    如果您填写信息,用户名和密码都是您填写的【邮箱或者手机号】(系统自动生成),方便查询和重复下载。
    如填写123,账号就是123,密码也是123。
    支付方式: 支付宝    微信支付   
    验证码:   换一换

    加入VIP,免费下载
     
    账号:
    密码:
    验证码:   换一换
      忘记密码?
        
    友情提示
    2、PDF文件下载后,可能会被浏览器默认打开,此种情况可以点击浏览器菜单,保存网页到桌面,就可以正常下载了。
    3、本站不支持迅雷下载,请使用电脑自带的IE浏览器,或者360浏览器、谷歌浏览器下载即可。
    4、本站资源下载后的文档和图纸-无水印,预览文档经过压缩,下载后原文更清晰。
    5、试题试卷类文档,如果标题没有明确说明有答案则都视为没有答案,请知晓。

    继电保护专业技能比武985.docx

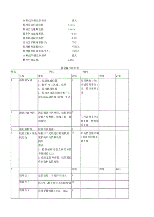
    TA断线闭锁比率差动:投入裂相差动启动定值:0.10Ie裂相差动速断定值:6.00Ie比率制动起始系数:0.05比率制动最大系数:0.50差动爱护跳闸掌握字:7FFF裂相横差速断投入:不投入裂相横差比率差动投入:不投入TA断线闭锁比率差动:投入横差电流定值:2.00A技能操作评分表姓名单位时间工程要求分值得分记事1试验前安措1、纪录压板位置2、断开PT二次线、空开3、退出跳闸压板4、短接各电流回路并断开5、实行防误碰措施(联锁、失灵)5是否娴熟1分;安措是否齐全2分;整体素养2分2测试仪器使用熟识测试仪的使用,依据要求设置各项参数,接线正确,按图接线2工程是否齐全正确1分;整体素养1分。3通电前检查检查直流电源,24校验工程1发电机差动依据以下定值进行检验校验爱护的启动值和动作斜率要求:1:校验值和定值之间的差值不能超过0.2A2:没给定值和参数,按装置已有参数和定值校验13启动值校验正确8分斜率校验正确5分5分值得分备注故障点1定值故隙:本爱护不投入5故障点2将LP2压板1和2上的线对调10故障点3在端子排短接IID22、1ID2366现场恢复1、压板2、CT、PT端子2工程是否齐全正确1分;整体素养1分。75完整性4分;娴熟1分;评判人:总得分:大唐国际继电爱护专业技能比武985A(二)(裁判用)说明1:平安措施依据一次设施运行中写2:爱护校验依据所爱护设施一次设施停电校验,校验后,一次设施投入运行定值:发电机容量:300.00MW发电机功率因数:0.85一次额定电压:20.00KV机端TV原边:20.00KV机端TV副边:100V机端TV零序副边:57.74V中性点TV原边:10.00KV中性点TV副边:100.00V发电机TA原边:12000.00A发电机TA副边:5A中性点一组分支系数:100.00%中性点二组分支系数:0.00%中性点一组TA原边:12000.00A中性点一组TA副边:5A中性点二组TA原边:12000.00A中性点二组TA副边:5A横差TA一次原边:600.00A横差TA一次副边:5A转子电流一次额定值:1000.00A转子分流器二次额定值:75.00mV逆功率定值:2.00%逆功率跳闸延时:20.00S逆功率爱护跳闸掌握字:7FFF功率爱护定值:20.00%功率爱护跳闸延时:10.00M功率跳闸掌握字:7FFE程序逆功率定值:2.OO%程序逆功率跳闸延时:1.00S程序逆功率跳闸掌握字:7FFE技能操作评分表1姓名单位时间工程要求分值得分记事1试验前安措1、纪录压板位置2、断开PT二次线、空开3、退出跳闸压板4、短接各电流回路并断开5、实行防误碰措施(联锁、失灵)5是否娴熟1分;安措是否齐全2分;整体素养2分2测试仪器使用熟识测试仪的使用,依据要求设置各项参数,接线正确,按图接线2工程是否齐全正确1分;整体素养1分。3通电前检查检查直流电源,2通电前检查4校验工程1逆功率爱护依据以下定值进行检验逆功率定值:校验逆功率动作值校验爱护动作区要求:1:校验值和定值之间的误差符合要求2:没给定值和参数,按装置已有参数和定值校验13逆功率定值正确6分逆功率动作区正确7分5分值得分备注故障点1在端子排IUDl与1UD2对调5故障点2在插件上将A、B相电流对调10故障点3讲面板上通信线拔松,使之不能和调试电脑连接66现场恢复1、压板2、CT、PT端子2工程是否齐全正确1分;整体素养1分。75完整性4分;娴熟1分;评判人:总得分:大唐国际继电爱护专业技能比武985A(三)(裁判用)说明1:平安措施依据一次设施运行中写2:爱护校验依据所爱护设施一次设施停电校验,校验后,一次设施投入运行定值额定频率:50HZ发电机容量:300.00MW发电机功率因数:0.85一次额定电压:20.00KV机端Tv原边:20.00KV机端TV副边:100V机端TV零序副边:57.74V中性点TV原边:10.00KV中性点TV副边:100.00V发电机TA原边:12000.00A发电机TA副边:5A中性点一组分支系数:100.00%中性点二组分支系数:0.00%中性点一组TA原边:12000.00A中性点一组TA副边:5A中性点二组TA原边:12000.00A中性点二组TA副边:5横差TA一次原边:600.00横差TA一次副边:5A转子电流一次额定值:1000.00A转子分流器二次额定值:75.00mV逆功率定值:1.00%逆功率跳闸延时:2.00S逆功率爱护跳闸掌握字:7FFF功率爱护定值:20.00%功率爱护跳闸延时:10.00M功率跳闸掌握字:7FFE程序逆功率定值:5.00%程序逆功率跳闸延时:5.00S程序逆功率跳闸掌握字:7FFF技能操作评分表姓名单位时间工程要求分值得分记事1试验前安措1、纪录压板位置2、断开PT二次线、空开3、退出跳闸压板4、短接各电流回路并断开5、实行防误碰措施(联锁、失灵)5是否娴熟1分;安措是否齐全2分;整体素养2分2测试仪器使用熟识测试仪的使用,依据要求设置各项参数,接线正确,按图接线2工程是否齐全正确1分;整体素养1分。3通电前检查检查直流电源,2通电前检查4校验工程1程序逆功率爱护依据以下定值进行检验程序校验逆功率动作值校验爱护动作区要求:1:校验值和定值之间的误差符合要求2:没给定值和参数,按装置已有参数和定值校验13逆功率定值正确6分逆功率动作区正确7分5分值得分备注故障点1在端子排IUDl线头缠绕结缘胶布后接入5故障点21ZD16与1ZD12对调10故障点3逆功率定值1%,爱护投入66现场恢复1、压板2、CT、PT端子2工程是否齐全正确1分;整体素养1分。75完整性4分;娴熟1分;评判人:总得分:大唐国际继电爱护专业技能比武985A(四)(裁判用)次设施投入运行说明1:平安措施依据一次设施运行中写2:爱护校验依据所爱护设施一次设施停电校验,校验后,额定频率:50Hz发电机容量:6000.00MW发电机功率因数:0.85一次额定电压:10.00KV机端TV原边:10.00KV机端TV副边:100V机端TV零序副边:57.74V中性点TV原边:10.00KV中性点TV副边:100.00V发电机TA原边:1200.00A发电机TA副边:5A中性点一组分支系数:100.00%中性点二组分支系数:0.00%中性点一组TA原边:1200.00A中性点一组TA副边:5A中性点二组TA原边:1200.00A中性点二组TA副边:5A横差TA一次原边:600.00A横差TA一次副边:5A转子电流一次额定值:1000.00A转子分流器二次额定值:75.00mV失磁爱护阻抗定值1:1.00失磁爱护阻抗定值2:30.00无功反向定值:10.00%转子低电压定值:30.00V转子空载电压定值:50.00V转子低电压判据系数定值:2.00母线低电压定值:85.00V减出力功率定值:50.00%失磁爱护I段延时:0.50S失磁爱护II段延时:1.00S失磁爱护HI段延时:3.00S失磁爱护I段跳闸掌握字:7FFFII段跳闸掌握字:7FFEIII段跳闸掌握字:7FFEI段阻抗判据投入:投入I段转子电压判据投入:投入I段减出力判据投入:退出II段母线电压低判据投入:投入II段阻抗判据投入:投入II段转子电压判据投入:投入III段阻抗判据投入:投入III段转子电压判据投入:投入阻抗圆选择:异步圆无功反向判据投入:退出低电压判据选择:母线电压技能操作评分表姓名单位时间工程要求分值得分记事1试验前安措1、纪录压板位置2、断开PT二次线、空开3、退出跳闸压板4、短接各电流回路并断开5、实行防误碰措施(联锁、失灵)5是否娴熟1分;安措是否齐全2分;整体素养2分2测试仪器使用熟识测试仪的使用,依据要求设置各项参数,接线正确,按图接线2工程是否齐全正确1分;整体素养1分。3通电前检查检查直流电源,2通电前检查4校验工程1失磁爱护依据所给定值进行检验校验定值校验爱护动作区要求:1:校验值和定值之间的误差符合要求2:没给定值和参数,按装置已有参数和定值校验13定值正确6分动作区正确7分定值和参数由裁判输入5分值得分备注故障点1定值本身故障,无法校验定值,转变发电机系统定值7故障点2用软件转变CT极性7故障点3在端子排IUDl与1UD2对调76现场恢复1、压板2、CT、PT端子2工程是否齐全正确1分;整体素养1分。75完整性4分;娴熟1分;评判人:总得分:大唐国际继电爱护专业技能比武985A(五)(裁判用)说明1:平安措施依据一次设施运行中写2:爱护校验依据所爱护设施一次设施停电校验,校验后,一次设施投入运行技能操作评分表1姓名单位时间工程要求分值得分记事1试验前安措1、纪录压板位置2、断开PT二次线、空开3、退出跳闸压板4、短接各电流回路并断开5、实行防误碰措施(联锁、失灵)5是否娴熟1分;安措是否齐全2分;整体素养2分2测试仪器使用熟识测试仪的使用,依据要求设置各项参数,接线正确,按图接线2工程是否齐全正确1分;整体素养1分。

    注意事项

    本文(继电保护专业技能比武985.docx)为本站会员(p**)主动上传,第壹文秘仅提供信息存储空间,仅对用户上传内容的表现方式做保护处理,对上载内容本身不做任何修改或编辑。 若此文所含内容侵犯了您的版权或隐私,请立即通知第壹文秘(点击联系客服),我们立即给予删除!

    温馨提示:如果因为网速或其他原因下载失败请重新下载,重复下载不扣分。




    关于我们 - 网站声明 - 网站地图 - 资源地图 - 友情链接 - 网站客服 - 联系我们

    copyright@ 2008-2023 1wenmi网站版权所有

    经营许可证编号:宁ICP备2022001189号-1

    本站为文档C2C交易模式,即用户上传的文档直接被用户下载,本站只是中间服务平台,本站所有文档下载所得的收益归上传人(含作者)所有。第壹文秘仅提供信息存储空间,仅对用户上传内容的表现方式做保护处理,对上载内容本身不做任何修改或编辑。若文档所含内容侵犯了您的版权或隐私,请立即通知第壹文秘网,我们立即给予删除!

    收起
    展开