欢迎来到第壹文秘! | 帮助中心 分享价值,成长自我!
第壹文秘
全部分类
  • 幼儿/小学教育>
  • 中学教育>
  • 高等教育>
  • 研究生考试>
  • 外语学习>
  • 资格/认证考试>
  • 论文>
  • IT计算机>
  • 法律/法学>
  • 建筑/环境>
  • 通信/电子>
  • 医学/心理学>
  • ImageVerifierCode 换一换
    首页 第壹文秘 > 资源分类 > DOCX文档下载
    分享到微信 分享到微博 分享到QQ空间

    工程验收结算单5.docx

    • 资源ID:347797       资源大小:59.61KB        全文页数:18页
    • 资源格式: DOCX        下载积分:5金币
    快捷下载 游客一键下载
    账号登录下载
    三方登录下载: 微信开放平台登录 QQ登录
    下载资源需要5金币
    邮箱/手机:
    温馨提示:
    快捷下载时,如果您不填写信息,系统将为您自动创建临时账号,适用于临时下载。
    如果您填写信息,用户名和密码都是您填写的【邮箱或者手机号】(系统自动生成),方便查询和重复下载。
    如填写123,账号就是123,密码也是123。
    支付方式: 支付宝    微信支付   
    验证码:   换一换

    加入VIP,免费下载
     
    账号:
    密码:
    验证码:   换一换
      忘记密码?
        
    友情提示
    2、PDF文件下载后,可能会被浏览器默认打开,此种情况可以点击浏览器菜单,保存网页到桌面,就可以正常下载了。
    3、本站不支持迅雷下载,请使用电脑自带的IE浏览器,或者360浏览器、谷歌浏览器下载即可。
    4、本站资源下载后的文档和图纸-无水印,预览文档经过压缩,下载后原文更清晰。
    5、试题试卷类文档,如果标题没有明确说明有答案则都视为没有答案,请知晓。

    工程验收结算单5.docx

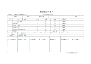
    工程验收结算单5工程部位临建起止日期备注序号工fE内容单位数量单价金额(TG)1门口三七灰土工费30002四楼上料100003十七层上水泥20004十七层上沙20005主楼四周清理垃圾石料50006沙子四车m388100元8800合计30800元人民币大写叁万零捌佰元整项目经理意见:技术负责人意见:安全员意见:施工员意见:材料科意见:预(结)算员意见:施工队意见:工程名称:长葛电业局营业服务楼2012年Ol月10日中建七局第四建筑公司工程验收结算单2010年11月17日工程部位临建起止日期备注序号工fE内容单位数量单价金额(TG)1拆除410层墙体M3168205344402破碎加气块人工费士zK1250025003456合计36940人民币大写叁万陆仟玖佰肆拾元整项目经理意见:技术负责人意见:安全员意见:施工员意见:材料科意见:预(结)算员意见:施工队意见:中建七局第四建筑公司工程验收结算单2010年11月29日工程部位临建起止日期备注序号工fE内容单位数量单价金额(TG)1装载机推砂,装运垃圾台班600元23456合计人民币大写陆佰圆整项目经理意见:技术负责人意见:安全员意见:施工员意见:材料科意见:预(结)算员意见:施工队意见:中建七局第四建筑公司工程验收结算单2010年12月13B工程部位临建起止日期备注序号工fE内容单位数量单价金额(TG)1屋面吊蓝用脚手架搭设费平方120056000元2拆除费平方1200336003一运输费平方1200224004下列无内容56合计12000人民币大写壹万贰仟圆整项目经理意见:技术负责人意见:安全员意见:施工员意见:材料科意见:预(结)算员意见:施工队意见:中建七局第四建筑公司工程验收结算单(为2010年12月13FI结算单的补充单)工程名称:长葛电业局项目2011年08月16日工程部位屋面拆除工程起止日期备注序号工作内容单位数量单价金额(TL)2010年12月13日第一项屋面吊蓝用脚手架搭设费平方120056000元共12000,该项已支付金额7000元。:欠120007000二5000元拆除费平方120033600一运输费平方120022400第二项2011/5/250,双笼电梯防护外架专项检查维修项13002011/8/16第三项2011/8/11拆除屋面吊篮配重600块块2.5元(含运输)15002011/8/13晚加班集中拆除全部架体项1补800合计第一项+第二项+第三项=5000+1300+1500+800=8600元人民币大写捌仟陆佰圆整项目经理意见:技术负责人意见:安全员意见:施工员意见:材料科意见:预(结)算员意见:施工队意见:中建七局第四建筑公司工程验收结算单工程名称:长葛电业局项目2011年02月15日工程部位临建起止日期备注序号工作内容单位数量单价金额(TG)1砖、沙、石子、白灰材料欠款项61183元39160+19223+28002下列无内容3456合计61183元人民币大写陆万壹仟壹佰捌拾叁圆整项目经理意见:技术负责人意见:安全员意见:施工员意见:材料科意见:预(结)算员意见:施工队意见:中建七局第四建筑公司工程验收结算单工程部位直螺纹钢筋连接套筒起止日期备注序号规格单位数量单价金额(TG)1中25中32个85606.5元55640元21822个156005元78000元3下列无内容456合计133640元人民币大写壹拾叁万叁仟陆佰肆拾圆整项目经理意见:技术负责人意见:安全员意见:施工员意见:材料科意见:预(结)算员意见:施工队意见:工程名称:长葛电力工业公司营业服务楼项目2010年05月15日中建七局第四建筑公司工程验收结算单工程部位墙体拆除起止日期备注序号工作内容单位数量单价金额(TG)1拆除楼层墙体M3200280344402个156005元78000元3下列无内容456合计133640元人民币大写壹拾叁万叁仟陆佰肆拾圆整项目经理意见:技术负责人意见:安全员意见:施工员意见:材料科意见:预(结)算员意见:施工队意见:工程名称:长葛电力工业公司营业服务楼项目2011年07月08日中建七局第四建筑公司工程验收结算单工程部位华宸公司起止日期备注序号工作内容单位数量单价金额(TG)1华宸二期大门外绿化区域装载机台班小时62下列无内容3456合计人民币大写项目经理意见:技术负责人意见:安全员意见:施工员意见:材料科意见:预(结)算员意见:施工队意见:工程名称:长葛电力工业公司营业服务楼项目2011年07月22日河南华宸公司工程验收结算单工程部位石材柱起止日期备注序号工作内容单位数量单价金额(TG)1切割门厅石材柱槽钢(变更整改)项15002下列无内容3456合计人民币大写伍佰圆整项目经理意见:技术负责人意见:安全员意见:施工员意见:材料科意见:预(结)算员意见:施工队意见:工程名称:长葛电力工业公司营业服务楼项目2011年07月23日中建七局四公司工程验收结算单工程部位门厅吊篮起止日期备注序号工作内容单位数量单价金额(TG)1门厅吊篮租赁费5台项5150075002下列无内容3456合计人民币大写柒千伍佰圆整项目经理意见:技术负责人意见:安全员意见:施工员意见:材料科意见:预(结)算员意见:施工队意见:工程名称:长葛电力工业公司营业服务楼项目2011年07月24日中建七局四公司工程验收结算单工程部位门厅吊篮起止日期备注序号工作内容单位数量单价金额(TG)1因下雨现场3人配合清理雨水工作项12002下列无内容3456合计人民币大写贰佰圆整项目经理意见:技术负责人意见:安全员意见:施工员意见:材料科意见:预(结)算员意见:施工队意见:工程名称:长葛电力工业公司营业服务楼项目2011年08月05日中建七局四公司工程验收结算单工程部位群楼剔窗户口起止日期备注序号工作内容单位数量单价金额(TG)1裙楼踢窗户口项155002下列无内容3456合计人民币大写伍仟伍佰圆整项目经理意见:技术负责人意见:安全员意见:施工员意见:材料科意见:预(结)算员意见:施工队意见:工程名称:长葛电力工业公司营业服务楼项目2011年08月05日中建七局四公司工程验收结算单工程部位一楼卫生清理起止日期备注序号工作内容单位数量单价金额(TG)12011/8/6一层大厅卫生清理费用项110001000元2下列无内容3456合计人民币大写壹仟圆整项目经理意见:技术负责人意见:安全员意见:施工员意见:材料科意见:预(结)算员意见:施工队意见:工程名称:长葛电力工业公司营业服务楼项目2011年08月06日中建七局四公司工程验收结算单工程部位楼顶风机砌墙起止日期备注序号工作内容单位数量单价金额(TG)高4.25*1.8米+4.25*2.45米1楼顶风机砌墙项15000元包干2混凝土开洞个3口径1200*4003排烟风机机座个21米*1米4下列无内容56合计

    注意事项

    本文(工程验收结算单5.docx)为本站会员(p**)主动上传,第壹文秘仅提供信息存储空间,仅对用户上传内容的表现方式做保护处理,对上载内容本身不做任何修改或编辑。 若此文所含内容侵犯了您的版权或隐私,请立即通知第壹文秘(点击联系客服),我们立即给予删除!

    温馨提示:如果因为网速或其他原因下载失败请重新下载,重复下载不扣分。




    关于我们 - 网站声明 - 网站地图 - 资源地图 - 友情链接 - 网站客服 - 联系我们

    copyright@ 2008-2023 1wenmi网站版权所有

    经营许可证编号:宁ICP备2022001189号-1

    本站为文档C2C交易模式,即用户上传的文档直接被用户下载,本站只是中间服务平台,本站所有文档下载所得的收益归上传人(含作者)所有。第壹文秘仅提供信息存储空间,仅对用户上传内容的表现方式做保护处理,对上载内容本身不做任何修改或编辑。若文档所含内容侵犯了您的版权或隐私,请立即通知第壹文秘网,我们立即给予删除!

    收起
    展开