欢迎来到第壹文秘! | 帮助中心 分享价值,成长自我!
第壹文秘
全部分类
  • 幼儿/小学教育>
  • 中学教育>
  • 高等教育>
  • 研究生考试>
  • 外语学习>
  • 资格/认证考试>
  • 论文>
  • IT计算机>
  • 法律/法学>
  • 建筑/环境>
  • 通信/电子>
  • 医学/心理学>
  • ImageVerifierCode 换一换
    首页 第壹文秘 > 资源分类 > DOCX文档下载
    分享到微信 分享到微博 分享到QQ空间

    镁水泥耐水性试验.docx

    • 资源ID:344802       资源大小:424.34KB        全文页数:16页
    • 资源格式: DOCX        下载积分:5金币
    快捷下载 游客一键下载
    账号登录下载
    三方登录下载: 微信开放平台登录 QQ登录
    下载资源需要5金币
    邮箱/手机:
    温馨提示:
    快捷下载时,如果您不填写信息,系统将为您自动创建临时账号,适用于临时下载。
    如果您填写信息,用户名和密码都是您填写的【邮箱或者手机号】(系统自动生成),方便查询和重复下载。
    如填写123,账号就是123,密码也是123。
    支付方式: 支付宝    微信支付   
    验证码:   换一换

    加入VIP,免费下载
     
    账号:
    密码:
    验证码:   换一换
      忘记密码?
        
    友情提示
    2、PDF文件下载后,可能会被浏览器默认打开,此种情况可以点击浏览器菜单,保存网页到桌面,就可以正常下载了。
    3、本站不支持迅雷下载,请使用电脑自带的IE浏览器,或者360浏览器、谷歌浏览器下载即可。
    4、本站资源下载后的文档和图纸-无水印,预览文档经过压缩,下载后原文更清晰。
    5、试题试卷类文档,如果标题没有明确说明有答案则都视为没有答案,请知晓。

    镁水泥耐水性试验.docx

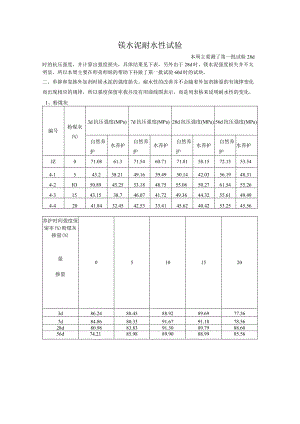
    镁水泥耐水性试验本周主要测了第一批试验28d时的抗压强度,并计算出强度损失,具体结果见下表,另外由于28d时,镁水泥强度损失并不太明显,所以本周主要在师弟师妹的帮助下补做了第一批试验60d时的试块。二、单掺和复掺外加剂时镁水泥的强度损失。耐水性的改善并不会随着外加剂掺量的有规律变化而出现相应的规律,所以强度保留率我并没有用曲线图表示,而是列表格来说明耐水性的变化。1、粉煤灰编号粉煤灰(%)3d抗压强度(MPa)7d抗压强度(MPa)28d抗压强度(MPa)56d抗压强度(MPa)自然养护水养护自然养护水养护自然养护水养护自然养护水养护JZ071.0861.371.5460.7171.8158.1572.1553.544-1543.238.2149.1639.4950.1442.0356.1948.314-2IO50.8945.2553.1848.7555.0650.2761.5455.264-31543.1538.746.0741.7249.3644.3255.6149.494-42041.8432.4542.5333.4145.6240.4253.2545.56养护时间强度保留率(%)粉煤灰掺量(%)量掺量051015203d86.2488.4588.9289.6977.567d84.8680.3391.6791.1878.5628d80.9883.8391.3089.7988.6056d74.2185.9889.9088.9985.56(UdW) 由不706560555045403530自然养护水养护由上述结果可得,掺入一定量的粉煤灰,磷酸钾镁水泥的耐水性会得到不同程度的改善,抗压强度会随着粉煤灰掺量的增加出现先增加后降低的趋势,在掺量为10%时达到最高,但3d,7d和28d抗压强度仍低于不掺粉煤灰时的抗压强度。2、硅灰编号硅灰(%)3d抗压强度(MPa)7d抗压强度(MPa)28d抗压强度(MPa)56d抗压强度(MPa)自然养护水养护自然养护水养护自然养护水养护自然养护水养护JZ071.0861.371.5460.7171.8158.1572.1553.545-1550.6341.6662.756.566.6559.1269.2062.865-21052.2149.1364.0158.668.9762.3472.9666.785-31561.3555.3471.0365.1477.9970.2881.8973.675-42053.3349.6660.252.4675.0465.1577.7971.19养护时间强度保留率(%)硅灰掺量(%)量掺量051015203d86.2482.2894.1090.2093.127d84.8690.1191.5591.7187.1428d80.9888.7090.3990.1186.8256d74.2190.8491.5389.9691.52自然养护Oo8020三三=三=三=_=_60三=三=三='O C1SF15203d7d28%6由上述试验结果可以得出:在磷酸钾镁水泥净浆中掺入一定量的硅灰,会使磷酸钾镁水泥耐水性得到一定程度的改善,抗压强度会随着硅灰掺量的增加出现先增加后减小的趋势,在硅灰掺量为15%时,水泥的抗压强度达到最高,在7d时,无论是在自然养护或水养护条件下,其抗压强度都已基本达到并超过未掺加硅灰时抗压强度。破坏时,破坏模式为爆裂成很多小碎块,破坏时声音很大。而且在掺量为20%时,流动性很小,导致试块内部结构不密实。3、AICI3编号AICI3(%)3d抗压强度(MPa)7d抗压强度(MPa)28d抗压强度(MPa)56d抗压强度(MPa)自然养护水养护自然养护水养护自然养护水养护自然养护水养护JZ071.0861.371.5460.7171.8158.1572.1553.546-10.2554.3846.8458.848.2159.2150.1261.4452.226-20.556.2449.759.8453.8460.1154.1663.1456.776-30.7547.2844.8152.9447.3554.7348.9857.3551.176-4141.5237.5946.794351.5346.8254.584930养护时间强度保留率(%)AICI3掺量(%)量00.250.50.751掺量3d86.2486.1388.3794.7890.537d84.8681.9989.9789.4491.9028d80.9884.6590.1089.4990.8656d74.2184.9989.9189.2290.333d-7d1-28d-56d(Edad,b0.250.500.751.00AIC)3(%)75706560555045403575-IJO-65-60-55-50-45-40-350.000.250.500.751.00AIC13(%)自然奔投水养护100-80-60-。40-20-0-=三=三=三=三=UT112Sd0.000.250.500.751.00A1C13(%)由上述结果可以得出:掺入定量的AICb,磷酸钾镁水泥的耐水性会得到不同程度的提高,但是其抗压强度会有所降低,最终其28d时的抗压强度仍没有达到未掺加AiCI3时净浆的抗压强度。可能是因为在掺量为0.5%时,AICb反应较充分,在超过0.5%时,多余的AICI3晶体成为杂质,使其强度有所降低。4、FeSO4编号FeSO4(%)3d抗压强度(MPa)7d抗压强度(MPa)28d抗压强度(MPa)56d抗压强度(MPa)自然养护水养护自然养护水养护自然养护水养护自然养护水养护JZ071.0861.371.5460.7171.8158.1572.1553.547-10.2553.7848.7258.2151.2160.6852.8762.2554.157-20.551.7444.8356.150.8358.7752.4960.5453.427-30.7552.8443.9453.4548.3257.8650.8559.8952.367-4156.347.4357.2351.9565.0257.4966.2858.72养护时间强度保留率(%)FeSo4掺量(%)(%)量掺量00.250.50.7513d86.2490.5986.6483.1684.257d84.8687.9790.6190.4090.7728d80.9887.1389.3187.8888.4256d74.2186.9988.2487.4388.59乃70656055504540cdw)。75-70-65-60-55-50-45- 3d I -7d -*-28d *- 56d0.000.250.500.751.00FeSO4 (%)40-I,:,I,I0.000.250.500.751.00FeSO4 (%)自然养护水养护- 4 - « . * - - 100806040200¾¾¾¾¾¾¾¾¾¾¾¾¾¾¾¾¾¾¾0.500.75FeSO4 (%)掺加一定量的FeSO4,磷酸钾镁水泥的耐水性能得到不同程度的改善,但是其抗压强度会有所降低,最终其28d时的抗压强度仍没有达到未掺加FeS(时净浆的抗压强度。5、杜拉纤维编号杜拉纤维(%。)3d抗压强度(MPa)7d抗压强度(MPa)28d抗压强度(MPa)56d抗压强度(MPa)自然养护水养护自然养护水养护自然养护水养护自然养护水养护JZ071.0861.371.5460.7171.8158.1572.1553.548-10.550.7443.4952.9744.8555.9448.5359.6951.508-2151.2246.7256.8550.2257.9152.5561.3055.868-3254.1247.2758.5153.3159.5756.1164.0659.818-42.555.8150.0560.355.5261.1858.5365.1661.养护时间强度保留率(%)杜拉纤维掺量(%0)(%)量掺量00.5122.53d86.2485.7191.2187.3489.687d84.8684.6788.3491.1192.0728d80.9886.7590.7494.1995.6756d74.2186.2891.1393.3793.62Rc(MPa)55m邙星W3dI-7d-*-28dRc(MPa)3d-7d-2Sd56dJtxlr0:00:5LOL52.02.5PP(淘0.00.51.0

    注意事项

    本文(镁水泥耐水性试验.docx)为本站会员(p**)主动上传,第壹文秘仅提供信息存储空间,仅对用户上传内容的表现方式做保护处理,对上载内容本身不做任何修改或编辑。 若此文所含内容侵犯了您的版权或隐私,请立即通知第壹文秘(点击联系客服),我们立即给予删除!

    温馨提示:如果因为网速或其他原因下载失败请重新下载,重复下载不扣分。




    关于我们 - 网站声明 - 网站地图 - 资源地图 - 友情链接 - 网站客服 - 联系我们

    copyright@ 2008-2023 1wenmi网站版权所有

    经营许可证编号:宁ICP备2022001189号-1

    本站为文档C2C交易模式,即用户上传的文档直接被用户下载,本站只是中间服务平台,本站所有文档下载所得的收益归上传人(含作者)所有。第壹文秘仅提供信息存储空间,仅对用户上传内容的表现方式做保护处理,对上载内容本身不做任何修改或编辑。若文档所含内容侵犯了您的版权或隐私,请立即通知第壹文秘网,我们立即给予删除!

    收起
    展开