欢迎来到第壹文秘! | 帮助中心 分享价值,成长自我!
第壹文秘
全部分类
  • 幼儿/小学教育>
  • 中学教育>
  • 高等教育>
  • 研究生考试>
  • 外语学习>
  • 资格/认证考试>
  • 论文>
  • IT计算机>
  • 法律/法学>
  • 建筑/环境>
  • 通信/电子>
  • 医学/心理学>
  • ImageVerifierCode 换一换
    首页 第壹文秘 > 资源分类 > DOCX文档下载
    分享到微信 分享到微博 分享到QQ空间

    设备设施风险评估表.docx

    • 资源ID:344328       资源大小:27.43KB        全文页数:7页
    • 资源格式: DOCX        下载积分:5金币
    快捷下载 游客一键下载
    账号登录下载
    三方登录下载: 微信开放平台登录 QQ登录
    下载资源需要5金币
    邮箱/手机:
    温馨提示:
    快捷下载时,如果您不填写信息,系统将为您自动创建临时账号,适用于临时下载。
    如果您填写信息,用户名和密码都是您填写的【邮箱或者手机号】(系统自动生成),方便查询和重复下载。
    如填写123,账号就是123,密码也是123。
    支付方式: 支付宝    微信支付   
    验证码:   换一换

    加入VIP,免费下载
     
    账号:
    密码:
    验证码:   换一换
      忘记密码?
        
    友情提示
    2、PDF文件下载后,可能会被浏览器默认打开,此种情况可以点击浏览器菜单,保存网页到桌面,就可以正常下载了。
    3、本站不支持迅雷下载,请使用电脑自带的IE浏览器,或者360浏览器、谷歌浏览器下载即可。
    4、本站资源下载后的文档和图纸-无水印,预览文档经过压缩,下载后原文更清晰。
    5、试题试卷类文档,如果标题没有明确说明有答案则都视为没有答案,请知晓。

    设备设施风险评估表.docx

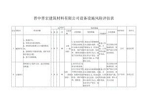
    晋中晋宏建筑材料有限公司设备设施风险评估表序号风险点作业步骤风险评价防控措施管控单位责任人LECD风险等级工程措施管理措施个体防护应急措施1配料铲车1、检查铲车;2、原料仓内进行配料;3、将原料适量推入五斗配料机坑内;4、清理碎石并检查车辆,将铲车停放在指定位置;5、拔下车辆钥匙。167424级(一般风险)1.安全防护罩不得私自拆除;2.加强对设备检查、维护保养、确保设备处于良好状态。1、制定安全管理制度及安全操作规程,并严格执行;2、作业过程中进行巡查,及时制止违章行为;3、落实安全生产责任,加强责任考核。4、严禁酒后上岗。配备工作服、手套、口罩等劳动防护用品。发生事故立即抢救伤者,伤情严重应立即送往医院。公司副总经理2计量秤斗原料倒入计量秤斗内,进行原料配比称量。163185级(稍有危险)L使用具有本质安全的设备;2.安全防护罩不得私自拆除;3、加强对设备检查、维护保养,确保设1、制定安全管理制度及安全操作规程,并严格执行;2、作业过程中进行巡查,及时制止违章行为;3、落实安全生产责任,加强责任考配备工作服、手套、口罩等劳动防护用品。发生事故立即抢救伤者,伤情严重应立即送往医院,切断设备气源、电源,禁止无关人员进生产车间车间主任备处于良好状态。核。4、严禁酒后上岗。)号.3皮带输送原料通过皮带输送。163185级(稍有危险)1.使用具有本质安全的设备;2.安全拉绳不得私自拆除,并保持有效;3、加强对设备检查、维护保养,确保设备处于良好状态。1、制定安全管理制度及安全操作规程,并严格执行;2、作业过程中进行巡查,及时制止违章行为;3、落实安全生产责任,加强责任考核。4、严禁酒后上岗。配备工作服、手套、口罩等劳动防护用品。发生事故立即抢救伤者,伤情严重应立即送往医院,切断设备气源、电源,禁止无关人员进入。生产车间车间主任4混合搅拌机1、将原料进行混合搅拌。2、巡查人员随时观察混合搅拌机的运行情况。3、设备检维修人员定期对设备进行检维修作业。3671263级(显著风险)1.检维修时应做到挂牌上锁,专人监护;2.安全装置不得私自拆除,并保持有效;3、加强对设备检查、维护保养,确保设备处于良好1、制定安全管理制度及安全操作规程,并严格执行;2、作业过程中进行巡查,及时制止违章行为;3、落实安全生产责任,加强责任考核。4、严禁酒后上岗。配备工作服、手套、口罩等劳动防护用品。发生事故立即抢救伤者,伤情严重应立即送往医院,切断设备气源、电源,禁止无关人员进入。公司总经理状态。5压砖机1、设备开启前对设备进行全面检查,确保设备在使用时能够正常使用;2、生产过程中,必须按照生产工艺进行生产,不得减锤、漏锤,开机要稳重;3、机器运转时,除调节调料深度外,严禁调整和清理工作;4、压砖机未开动时,不准给料,以防物料过多造成压砖机启动电流过大。167424级(般风险)L使用具有本质安全的设备;2.安全防护罩不得私自拆除;3、加强对设备检查、维护保养,确保设备处于良好状态。1、制定安全管理制度及安全操作规程,并严格执行;2、作业过程中进行巡查,及时制止违章行为;3、落实安全生产责任,加强责任考核。4、严禁酒后上岗。配备工作服、手套、口罩等劳动防护用品。发生事故立即抢救伤者,伤情严重应立即送往医院,切断设备气源、电源,禁止无关人员进入。公司副总经理6轨道车1、将砖坯放置在轨道车上。2、利用钢丝绳将蒸养车拉至蒸压釜内;3、蒸养作业完成后将蒸养车拉出。163185级(稍有危险)1.使用具有本质安全的设备;2.安全防护罩不得私自拆除;3、加强对设备检查、维护保养,确保设备处于良好状态。1、制定安全管理制度及安全操作规程,并严格执行;2、作业过程中进行巡查,及时制止违章行为;3、落实安全生产责任,加强责任考核。4、严禁酒后上岗。配备工作服、手套、口罩等劳动防护用品。发生事故立即抢救伤者,伤情严重应立即送往医院,切断设备气源、电源,禁止无关人员进入。生产车间车间主任7蒸压釜1、清理地面路轨,以及过渡路轨,去掉杂物;3671263级(显L使用具有本质安全的1、制定安全管理制度及安全操作配备工作服、发生事故立即抢救公司总经理2、检查蒸养小车、拉绳小铲车、钢丝绳是否安全可靠;3、检查釜盖及悬挂装置位置;4、蒸养小车入釜必须专人指挥,入釜必须平稳缓慢行进;5、釜盖推入釜体法兰齿间,启动安全联锁装置,插上定位保险;6、蒸压釜养护过程中,观察各部位及仪表工作情况;7、切断气源,打开排汽阀,待釜上压力表回到零位方可开盖;8、开盖时,操作人员必须站在减速器一侧,不能面对蒸压釜操作。著风险)设备;2.安全防护罩不得私自拆除;3、加强对设备检查、维护保养,确保设备处于良好状态。规程,并严格执行;2、作业过程中进行巡查,及时制止违章行为;3、落实安全生产责任,加强责任考核。4、严禁酒后上岗。手套、口罩等劳动防护用品。伤者,伤情严重应立即送往医院,切断设备气源、电源,禁止无关人员进入。8天然气锅炉采用电子监控和操作设备,对承压部件检查,保证锅炉安全、稳定、经济运行3671263级(显著风险)1.使用具有本质安全的设备;2.安全防护罩不得私自拆除;3、加强对设备检查、维护保养,确保设备处于良好状态。4、安全联锁装置定期检定。1、制定安全管理制度及安全操作规程,并严格执行;2、作业过程中进行巡查,及时制止违章行为;3、落实安全生产责任,加强责任考核。4、严禁酒后上岗。配备工作服、手套、口罩等劳动防护用品。发生事故立即抢救伤者,伤情严重应立即送往医院,切断设备气源、电源,禁止无关人员进入。公司总经理9分气缸将锅炉产生的蒸汽通过分气缸分别利用管道进行输送。6631083级(显著风险)1.使用具有本质安全的设备;2.安全防护罩不得私自拆除;3、加强对设备检查、维护保养,确保设备处于良好状态。4、安全联锁装置定期检定。1、制定安全管理制度及安全操作规程,并严格执行;2、作业过程中进行巡查,及时制止违章行为;3、落实安全生产责任,加强责任考核。4、严禁酒后上岗。配备工作服、手套、口罩等劳动防护用品。发生事故立即抢救伤者,伤情严重应立即送往医院,切断设备气源、电源,禁止无关人员进入。公司总经理10叉车1、交接班:将本班生产品种、安全及车辆交接与下一班。2、每日对保养车辆及使用车辆并清理卫生。3、清扫各自责任区卫生,查看并清洁消防设施。4、根据管库人的指令将生产下库纸卷扫码入库,并放入指定地点。5、根据装车通知单及装车合同扫码出库装车。6、定期维护保养责任车辆。7、负责每日夜间开启、关闭167424级(一般风险)1.使用具有本质安全的设备;2.安全防护罩不得私自拆除;3、加强对设备检查、维护保养,确保设备处于良好状态。4、特种设备备案。1、制定安全管理制度及安全操作规程,并严格执行;2、作业过程中进行巡查,及时制止违章行为;3、落实安全生产责任,加强责任考核。4、严禁酒后上岗。配备工作服、手套、口罩等劳动防护用品。发生事故立即抢救伤者,伤情严重应立即送往医院。公司副总经理库内外照明灯。11LNG储罐由供给天燃气相关公司进行天然气的储运和设备检维修作业。3671263级(显著风险)L使用具有本质安全的设备;2.安全防护罩不得私自拆除;3、加强对设备检查、维护保养,确保设备处于良好状态。4、安全联锁装置定期检定1、制定安全管理制度及安全操作规程,并严格执行;2、作业过程中进行巡查,及时制止违章行为;3、落实安全生产责任,加强责任考核。4、严禁酒后上岗。配备工作服、手套、口罩等劳动防护用品。发生事故立即抢救伤者,伤情严重应立即送往医院,切断设备气源、电源,禁止无关人员进入。公司总经理12配电室1、地面绝胶垫应完好无破损。2、接地装置可靠有效,无损坏、断裂现象。3、防护门应完好无损坏,且配电室的门应向外开,窗户应有窗纱。4、配电箱外壳及隔离板不得损坏。5、绝缘层无损坏,且可靠有效。6、各个部件的接线螺栓无松动或损坏。7、警示标志张贴的位置要清晰醒目,有针对性。6631083级(显著风险)1、按照规范要求设置防护网及挡鼠板。2、设置底面绝缘胶垫。3、设置可靠有效的接地装置。4、安装质量合格的照明灯具及应急灯具。5、按1、制定了检查、维护等管理制度及设备的安全操作规程,并严格执行;2、作业前,对设备进行点检;3、每月对设备进行全面检查;4、每年对设备进行集中维护保养,按规定进行检测。为职工配备防护服等劳保用品制定应急救援方案,设置应急救援组。公司总经理照制度要求进行检维修作业,6、在入口处设置“禁止入内”警示标志等。7、按照规范配备灭火器等消防器材。13冷却塔水池1、操作人员应经专业技术培训后方可独立操作。2、危险部位设置安全防护装置。3、逐步打开冷却水回水阀门,同时检查靶喷头出水是否畅通,布水是否均匀。检查两侧有否沿水外渗。检查全部进水管道有否渗漏。检查水池出水是否畅通。4、在停机时,在冷却塔顶相应的启停控制箱上按“停止按钮,停止对应冷却风机。3671263级(显著风险)1、冷却水箱等关键部位紧固件牢固。外观无破损。2、水池应设置安全防护栏1、制定了检查、维护等管理制度及设备的安全操作规程,并严格执行;2、作业前,对设备进行点检;3、每月对设备进行全面检查;4、每年对设备进行集中维护保养,按规定进行检测。配备工作服、手套、口罩等劳动防护用品。发生事故立即抢救伤者,伤情严重应立即送往医院,切断设备气源、电源,禁止无关人员进入。公司总经理

    注意事项

    本文(设备设施风险评估表.docx)为本站会员(p**)主动上传,第壹文秘仅提供信息存储空间,仅对用户上传内容的表现方式做保护处理,对上载内容本身不做任何修改或编辑。 若此文所含内容侵犯了您的版权或隐私,请立即通知第壹文秘(点击联系客服),我们立即给予删除!

    温馨提示:如果因为网速或其他原因下载失败请重新下载,重复下载不扣分。




    关于我们 - 网站声明 - 网站地图 - 资源地图 - 友情链接 - 网站客服 - 联系我们

    copyright@ 2008-2023 1wenmi网站版权所有

    经营许可证编号:宁ICP备2022001189号-1

    本站为文档C2C交易模式,即用户上传的文档直接被用户下载,本站只是中间服务平台,本站所有文档下载所得的收益归上传人(含作者)所有。第壹文秘仅提供信息存储空间,仅对用户上传内容的表现方式做保护处理,对上载内容本身不做任何修改或编辑。若文档所含内容侵犯了您的版权或隐私,请立即通知第壹文秘网,我们立即给予删除!

    收起
    展开