超低能耗公共建筑围护结构保温及构造做法、外门窗设计选型及热工性能、能效指标、碳排放计算方法、能耗及碳排放值.docx
                
                  
                     
                    - 
                        资源ID:328063      
                        资源大小:143.27KB
                               全文页数:22页
 
                    
                    - 资源格式: DOCX   
                        
                            下载积分:5金币
                
                    
 
                    
                
                 
                
                
                
                    
                        
                            | 
                                   
                                    友情提示
                                 
                                
                                
                                    2、PDF文件下载后,可能会被浏览器默认打开,此种情况可以点击浏览器菜单,保存网页到桌面,就可以正常下载了。
                                 
                                
                                    3、本站不支持迅雷下载,请使用电脑自带的IE浏览器,或者360浏览器、谷歌浏览器下载即可。
                                 
                                
                                    4、本站资源下载后的文档和图纸-无水印,预览文档经过压缩,下载后原文更清晰。
                                 
                                
                                    5、试题试卷类文档,如果标题没有明确说明有答案则都视为没有答案,请知晓。 
                                 
                                 
                                
                             | 
                            
                        
                    
                 
                
                    
                        超低能耗公共建筑围护结构保温及构造做法、外门窗设计选型及热工性能、能效指标、碳排放计算方法、能耗及碳排放值.docx
                    
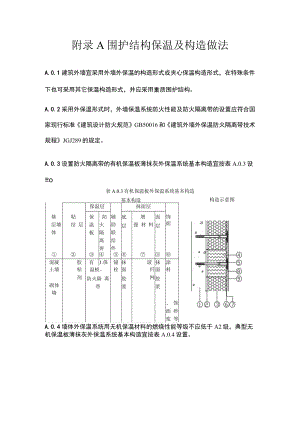
                        附录A围护结构保温及构造做法A.0.1建筑外墙宜采用外墙外保温的构造形式或夹心保温构造形式,在特殊条件下也可采用其它保温构造形式,并应采用重质围护结构。A.0.2采用外保温形式时,外墙保温系统防火性能及防火隔离带的设置应符合国家现行标准建筑设计防火规范GB50016和建筑外墙外保温防火隔离带技术规程JGJ289的规定。A.0.3设置防火隔离带的有机保温板薄抹灰外保温系统基本构造宜按表A.0.3设o表A.0.3有机保温板外保温系统基本构造基本构造构造示意图基粘保温层辅抹面层饰保防底增面层墙 体结 层温 板火 隔 离 带助 联 结 件层强 材 料层面混凝胶有步1.保锚抹玻抹涂土墙粘温板、栓面纤面料砌体 墙剂防火隔 离带胶 浆网胶 浆、 饰 面 砂 浆 等A.0.4墙体外保温系统用无机保温材料的燃烧性能等级不应低于A2级,典型无机保温板薄抹灰外保温系统基本构造宜按表A.0.4设置。表A.0.4无机保温板外保温系统基本构造基基本构造层粘保抹面层墙结温辅助底增强体层层联结层材料件©混凝无锚抹玻土墙机栓面纤9保胶网砌体温浆墙构造示意图饰面 层 (Q面 层TT_v,vWSZ抹 面 胶 浆涂料、 饰面 砂浆G *zv>>>即II1.*zvzvz*r yVZZV zvD等CbA.0.5外保温系统宜采用轻质饰面层。面密度超过30kgM的外保温系统应设置托架,托架的设置应削弱热桥效应。A.0.6夹心墙体保温系统基本构造宜按表A.0.6设置。表A.0.6夹心墙体保温系统基本构造基本构造构造示意图外叶 板 痈 凝 ± 墙 板保温 层 内叶 板 混凝土 墙 板拉结 件 高强 度塑 料构 件或 组合 件,/-/-,4,/二/A.0.7外墙外保温系统用保温材料的物理性能重要指标应符合表A.0.7的规定。表A.0.7外墙外保温系统用保温材料物理性能指标表材料类型序号参数技术要求普通模塑1导热系数(25),W(mK)<0.037聚苯板2表观密度,kgm318-223垂直于板面方向的抗拉强度,MPa>0.104尺寸稳定性,%0.35吸水率(体积分数),%<2石墨模塑聚苯板1导热系数(250C),W(mK)<0.0322表观密度,kgm318-223垂直于板面方向的抗拉强度,MPa>0.104尺寸稳定性,%0.35吸水率(体积分数),%<2岩棉带1质量吸湿率,%0.52短期吸水量(部分浸入),kgm2<0.53导热系数(25C),W/(mK)0.0444垂直于表面的抗拉强度,MPa>0.155酸度系数1.8真空绝热板1导热系数(25),W/(mK)<0.0082穿刺强度,N183垂直于表面的抗拉强度,kPa>804压缩强度,kPa1005表面吸水量,gm2<1006穿刺后垂直于板面方向的膨胀率,%10聚氨酯板1芯材表观密度,kg/n?>352芯材导热系数(25C),W(mK)<0.0243芯材尺寸稳定性(70C,48h)1%<1.04吸水率(体积分数),%<25垂直于板面方向的抗拉强度,MPa>0.10附录B外门窗设计选型及热工性能B.0.1超低能耗公共建筑外窗和玻璃门可按表B.0.1设计选用。表B.0.1超低能耗公共建筑塑料窗参考配置序号名称框材玻璃配置传热系数KW(m2K)太阳得热系数164系列内平开隔热铝合金窗铝合金5超白+12Ar+51.ow-E+12Ar+51.ow-E0.91.30.70.76265系列断桥隔热铝合金内平开窗铝合金5+12r+51.ow-E+12r+51.ow-E0.90.62365系列内平开隔热铝合金窗铝合金5超白+12Ar+5+12Ar+51.ow-E1.1.30.78474系列内平开隔热铝合金窗铝合金5超白+12Ar+51.ow-E+12Ar+51.ow-E1.50.53574系列内平开隔热铝合金窗铝合金5+12Ar+51.ow-E+12Ar+51.ow-E1.1.50.450.48675系列铝合金内平开窗铝合金5+12r+51.ow-E+12Ar+51.ow-E1.50.49775系列铝合金内平开窗铝合金5+9Ar+51.ow-E+19r+51.ow-E1.50.48875系列铝合金内平开窗铝合金5+12r+51.ow-E+12r+61.ow-E1.40.47975系列铝合金内平开窗铝合金5+12Ar+5+12Ar+51.ow-E1.50.551075系列内平开隔热铝合金窗铝合金5钠钾+12Ar+51.ow-E+12Ar+51.ow-E0.90.761175系列内平开隔热铝合金窗铝合金5+12Ar+51.ow-E+12Ar+6的钾1.50.51275系列内平开隔热铝合金窗铝合金5钠钾+12Ar+51.ow-E+12Ar+51.ow-E1.40.541390系列内平开隔热铝合金窗铝合金5超白+12Ar+5超白+V+5超白1.ow-E0.91.10.430.5014100系列内平开隔热铝合金窗妲A仝tn口近5超白+12Ar+5超白+V+5超白1.ow-E0.8"1.00.430.5015100系列内平开隔热铝合金窗铝合金5超白+12Ar+5超白1.ow-E+12Ar+5超白1.ow-E0.91.10.400.471665系列内平开塑料窗塑料5+9Ar+5+9Ar+51.ow-E1.50.471765系列内平开塑料窗塑料5+12Ar+5+12Ar+51.ow-E1.20.691870系列内平开下悬塑料窗塑料5+12Ar+5+12Ar+51.ow-E1.21.30.681970系列内平开下悬塑料窗塑料5+12Ar+51.ow-E+12Ar+51.ow-E1.20.692082系列内平开塑料窗塑料5超白+12Ar+5超白1.ow-E+12Ar+5超白1.ow-E0.81.00.40'0.472175系列内平开隔热铝合金窗木6+12Ar+61.ow-E+1.2Ar+61.ow-E0.80.622278系列内平开木窗木5超白+12Ar+5超白1.ow-E+12Ar+5超白1.ow-E1.1.30.400.472378系列内平开木窗木5超白+12Ar+5超白+V+5超白1.ow-E0.71.00.430.50注:I玻璃配置从室外侧到室内侧表述;双片1.OW-E膜的中空玻璃膜层一般位于2、4面或2、5面;真空中空玻璃的1.OW-E膜一般位于第4面,且真空玻璃应位于室内侧。2塑料型材宽度282mm时应为6腔室或6腔室以上型材。90系列隔热铝合金型材隔热条截面高度54nun.100系列隔热铝合金型材隔热条截面高度64m,且隔热条中间空腔需填充泡沫材料。B.0.2外窗的热工性能应以检测值为准。B.0.3外窗型材应采用保温性能好的材料和构造设计。外窗玻璃应为三玻两腔中空玻璃(两片1.oWE玻璃)或1.OW-E真空中空玻璃,中空玻璃应采用暖边间隔条,腔体中填充氮气时筑气含量应高于85%。附录C能效指标计算方法C.0.1能效指标计算软件应具备下列功能:1能计算围护结构(包括热桥部位)传热、太阳辐射得热、建筑内部得热、通风热损失四部分形成的负荷,计算中应能考虑建筑热惰性对负荷的影响;2能计算10个以上的建筑分区;3能计算建筑供暖、通风、空调、照明、生活热水、电梯系统的能耗和可再生能源系统的利用量及发电量;4采用动态计算方法;5能计算新风热回收和气密性对建筑能耗的影响。C.0.2能效指标的计算应满足下列规定:1气象参数应按行业标准建筑节能气象参数标准JGJ/T346确定;2供暖年耗热量和供冷年耗冷量应包括围护结构的热损失和处理新风的热(或冷)需求;处理新风的热(冷)需求应扣除从排风中回收的热量(或冷量);3当室外温度328且相对湿度370%时,应利用自然通风,不计算建筑的供冷需求;4供暖通风空调系统能耗计算时应能考虑部分负荷及间歇使用的影响;5照明能耗的计算应考虑自然采光和自动控制的影响;6应计算可再生能源利用量。C.0.3设计建筑能效指标计算参数设置应符合下列规定:1建筑的形状、大小、朝向、内部的空间划分和使用功能、建筑构造尺寸、建筑围护结构传热系数、做法、外窗(包括透光幕墙)太阳得热系数、窗墙面积比、屋面开窗面积应与建筑设计文件一致;2建筑功能区除设计文件中已明确的非供暖和供冷区外,均应按设置供暖和供冷的区域计算;供暖和供冷系统运行时间按表C.0.3-1设置;3当设计建筑采用活动遮阳装置时,供暖季和供冷季的遮阳系数按表C.0.3-2确定;4房间人员密度及在室率、电器设备功率密度及使用率、照明开启时间按表C.0.3-3设置,新风开启率按人员在室率计算;5照明系统的照明功率密度值应与建筑设计文件一致;6供暖、通风、空调、生活热水、电梯系统的系统形式和能效应与设计文件一致;生活热水系统的用水量应与设计文件一致,并满足国家标准民用建筑节水设计标准GB50555的规定;7可再生能源系统形式及效率应与设计文件一致。表C.0.3-1建筑的日运行时间类别系统工作时间办公建筑工作日8:OO18:00节假日酒店建筑全年0:0024:00学校建筑工作日8:0018:00节假日商场建筑全年9:0021:00影剧院全年9:0021:00医院建筑全年8:0018:00表C.0.3-2活动遮阳装置遮阳系数SC的取值控制方式供暖季供冷季手动控制0.800.40自动控制0.800.35表C.O.3-3不同类型房间人员、设备、照明内热设置建筑类型房间类型人均占地面积m2