欢迎来到第壹文秘! | 帮助中心 分享价值,成长自我!
第壹文秘
全部分类
  • 幼儿/小学教育>
  • 中学教育>
  • 高等教育>
  • 研究生考试>
  • 外语学习>
  • 资格/认证考试>
  • 论文>
  • IT计算机>
  • 法律/法学>
  • 建筑/环境>
  • 通信/电子>
  • 医学/心理学>
  • ImageVerifierCode 换一换
    首页 第壹文秘 > 资源分类 > DOCX文档下载
    分享到微信 分享到微博 分享到QQ空间

    地下室上浮风险排查表.docx

    • 资源ID:321907       资源大小:15.61KB       
    • 资源格式: DOCX        下载积分:5金币
    快捷下载 游客一键下载
    账号登录下载
    三方登录下载: 微信开放平台登录 QQ登录
    下载资源需要5金币
    邮箱/手机:
    温馨提示:
    快捷下载时,如果您不填写信息,系统将为您自动创建临时账号,适用于临时下载。
    如果您填写信息,用户名和密码都是您填写的【邮箱或者手机号】(系统自动生成),方便查询和重复下载。
    如填写123,账号就是123,密码也是123。
    支付方式: 支付宝    微信支付   
    验证码:   换一换

    加入VIP,免费下载
     
    账号:
    密码:
    验证码:   换一换
      忘记密码?
        
    友情提示
    2、PDF文件下载后,可能会被浏览器默认打开,此种情况可以点击浏览器菜单,保存网页到桌面,就可以正常下载了。
    3、本站不支持迅雷下载,请使用电脑自带的IE浏览器,或者360浏览器、谷歌浏览器下载即可。
    4、本站资源下载后的文档和图纸-无水印,预览文档经过压缩,下载后原文更清晰。
    5、试题试卷类文档,如果标题没有明确说明有答案则都视为没有答案,请知晓。

    地下室上浮风险排查表.docx

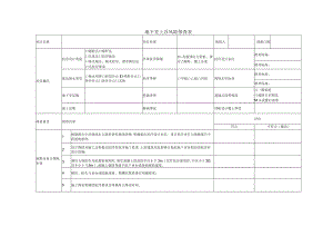
    地下室上浮风险排查表项目名称项目经理填报人填报日期项目概况抗浮设计类别口锚桩法口锚杆法口压重法口抗浮板法口排水限压、隔水控压、泄水降压法口无抗浮要求具体抗浮措施如:高强预应力管桩、预应力锚杆、覆土压重抗浮设计水位绝对标高:相对标高:基坑降水类型口集水明排口轻型井点【I喷射井点口管井井点口深井井点口其他抗浮等级口甲级口乙级口丙级现场水位标高绝对标高:相对标高:地下室层数基础类型基础后浇带构造口一般构造口超前止水构造M未设置后浇带地上层数基础埋深顶板设计覆土厚度排查条目排查内容评价符合不符合(整改)地勘及设计图纸审查1地勘报告中对场地水文地质条件描述清楚,明确提出抗浮设计水位:设计抗浮水位与地勘报告中所提值相符:2设计图纸对施工过程提出阶段性抗浮施工要求:上部建筑高低悬殊引起的地下室结构局部抗浮有设计措施:3预应力管桩作为抗拔桩使用时,填芯混凝土的高度不应小于3m(仅作抗压使用时,不应小于3D,且不小于1.5m),混凝土强度等级不低于承台或基础梁的强度。4锚杆、桩头与承台或底板连接、肥槽回填质量有明确要求:5施工图有明确的抗浮要求及明确停止降水时间。

    注意事项

    本文(地下室上浮风险排查表.docx)为本站会员(p**)主动上传,第壹文秘仅提供信息存储空间,仅对用户上传内容的表现方式做保护处理,对上载内容本身不做任何修改或编辑。 若此文所含内容侵犯了您的版权或隐私,请立即通知第壹文秘(点击联系客服),我们立即给予删除!

    温馨提示:如果因为网速或其他原因下载失败请重新下载,重复下载不扣分。




    关于我们 - 网站声明 - 网站地图 - 资源地图 - 友情链接 - 网站客服 - 联系我们

    copyright@ 2008-2023 1wenmi网站版权所有

    经营许可证编号:宁ICP备2022001189号-1

    本站为文档C2C交易模式,即用户上传的文档直接被用户下载,本站只是中间服务平台,本站所有文档下载所得的收益归上传人(含作者)所有。第壹文秘仅提供信息存储空间,仅对用户上传内容的表现方式做保护处理,对上载内容本身不做任何修改或编辑。若文档所含内容侵犯了您的版权或隐私,请立即通知第壹文秘网,我们立即给予删除!

    收起
    展开