欢迎来到第壹文秘! | 帮助中心 分享价值,成长自我!
第壹文秘
全部分类
  • 幼儿/小学教育>
  • 中学教育>
  • 高等教育>
  • 研究生考试>
  • 外语学习>
  • 资格/认证考试>
  • 论文>
  • IT计算机>
  • 法律/法学>
  • 建筑/环境>
  • 通信/电子>
  • 医学/心理学>
  • ImageVerifierCode 换一换
    首页 第壹文秘 > 资源分类 > DOCX文档下载
    分享到微信 分享到微博 分享到QQ空间

    隧道工程质量提升整治专项检查表.docx

    • 资源ID:319485       资源大小:23.35KB        全文页数:2页
    • 资源格式: DOCX        下载积分:5金币
    快捷下载 游客一键下载
    账号登录下载
    三方登录下载: 微信开放平台登录 QQ登录
    下载资源需要5金币
    邮箱/手机:
    温馨提示:
    快捷下载时,如果您不填写信息,系统将为您自动创建临时账号,适用于临时下载。
    如果您填写信息,用户名和密码都是您填写的【邮箱或者手机号】(系统自动生成),方便查询和重复下载。
    如填写123,账号就是123,密码也是123。
    支付方式: 支付宝    微信支付   
    验证码:   换一换

    加入VIP,免费下载
     
    账号:
    密码:
    验证码:   换一换
      忘记密码?
        
    友情提示
    2、PDF文件下载后,可能会被浏览器默认打开,此种情况可以点击浏览器菜单,保存网页到桌面,就可以正常下载了。
    3、本站不支持迅雷下载,请使用电脑自带的IE浏览器,或者360浏览器、谷歌浏览器下载即可。
    4、本站资源下载后的文档和图纸-无水印,预览文档经过压缩,下载后原文更清晰。
    5、试题试卷类文档,如果标题没有明确说明有答案则都视为没有答案,请知晓。

    隧道工程质量提升整治专项检查表.docx

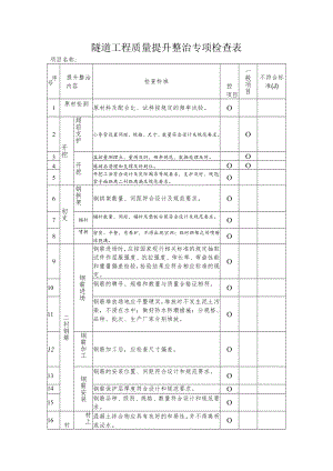
    隧道工程质量提升整治专项检查表项目名称:序号提升整治内容检查标准控项目一般项目不符合标准(J)1原材检测原材料及配合比、试样按规定的频率试验。O2开挖超前支护小导管设置间距、规格、尺寸、数量符合设计及规范要求。O3开挖监控量测埋点、量测及时,频率规范,数据处理及时。O4爆破后清理和支撑及时到位。OO5开挖工法符合设计及实际围岩等级要求,支护及时、规范;掌子面距离二衬距离满足规范要求。O6初支钢拱架钢拱架数量、间距符合设计及规范要求。O7锚杆锚杆数量、间距,锚杆及垫板安装符合设计及规范要求。O8喷射密实、平整,有养护,不得出现空洞;临时拱架之间喷射球饱满。O9二衬钢筋钢筋进场钢筋进场时,应按国家现行相关标准的规定抽取试件作屈服强度、抗拉强度、伸长率、弯曲性能和重量偏差检验,检验结果应符合相应标准的规定。O10钢筋的牌号、规格和数量与质量合格证相符。O11钢筋堆放场地应平整硬实,堆放时不发生泥土污染,不浸在水中;做好防水防潮措施;分规格、品种、批次、生产厂家分别堆放。O12钢筋加工钢筋加工后,应检查尺寸偏差。O13钢筋安装钢筋的安装位置、间距符合设计和规范要求。O14钢筋保护层厚度符合设计和规范要求。O15钢筋品种、级别、规格、数量符合设计和规范要求。O16衬材上混凝土拌合物应具有良好的和易性,并不得离析或泌水。O17混凝土进场混凝土原材料进场时,供方应按规定批次向需方提供质量证明文件。质量证明文件应包括型式检验报告、出厂检验报告与合格证等,外加剂产品还应提供使用说明书。18水泥应按不同厂家、不同品种和强度等级分批存储,并应采取防潮措施;出现结块的水泥不得用于混凝土工程;水泥出厂超过3个月,应进行复检,合格者方可使用。O19粗、细骨料堆场应有遮雨设施,并应符合有关环境保护的规定;粗、细骨料应按不同品种、规格分别堆放,不得混入杂物。O20舲强度混凝土强度应满足设计要求,采用回弹法,强度推定值大于设计强度为合格。O21厚度二衬厚度应满足设计及规范要求。O22舲外观质量平整密实,色泽均匀,无蜂窝麻面。无主筋露筋、开裂、大面积修补。O23防水带止水带固定点间距符合设计及规范要求。O24防水板防水板焊接焊缝宽度符合规范要求,焊接牢固、平顺。O项目负责人:检查时间:年月检查人:0

    注意事项

    本文(隧道工程质量提升整治专项检查表.docx)为本站会员(p**)主动上传,第壹文秘仅提供信息存储空间,仅对用户上传内容的表现方式做保护处理,对上载内容本身不做任何修改或编辑。 若此文所含内容侵犯了您的版权或隐私,请立即通知第壹文秘(点击联系客服),我们立即给予删除!

    温馨提示:如果因为网速或其他原因下载失败请重新下载,重复下载不扣分。




    关于我们 - 网站声明 - 网站地图 - 资源地图 - 友情链接 - 网站客服 - 联系我们

    copyright@ 2008-2023 1wenmi网站版权所有

    经营许可证编号:宁ICP备2022001189号-1

    本站为文档C2C交易模式,即用户上传的文档直接被用户下载,本站只是中间服务平台,本站所有文档下载所得的收益归上传人(含作者)所有。第壹文秘仅提供信息存储空间,仅对用户上传内容的表现方式做保护处理,对上载内容本身不做任何修改或编辑。若文档所含内容侵犯了您的版权或隐私,请立即通知第壹文秘网,我们立即给予删除!

    收起
    展开