欢迎来到第壹文秘! | 帮助中心 分享价值,成长自我!
第壹文秘
全部分类
  • 幼儿/小学教育>
  • 中学教育>
  • 高等教育>
  • 研究生考试>
  • 外语学习>
  • 资格/认证考试>
  • 论文>
  • IT计算机>
  • 法律/法学>
  • 建筑/环境>
  • 通信/电子>
  • 医学/心理学>
  • ImageVerifierCode 换一换
    首页 第壹文秘 > 资源分类 > DOCX文档下载
    分享到微信 分享到微博 分享到QQ空间

    第五节近年内已完工程经历表编制工程文档范本.docx

    • 资源ID:312707       资源大小:22.04KB        全文页数:3页
    • 资源格式: DOCX        下载积分:5金币
    快捷下载 游客一键下载
    账号登录下载
    三方登录下载: 微信开放平台登录 QQ登录
    下载资源需要5金币
    邮箱/手机:
    温馨提示:
    快捷下载时,如果您不填写信息,系统将为您自动创建临时账号,适用于临时下载。
    如果您填写信息,用户名和密码都是您填写的【邮箱或者手机号】(系统自动生成),方便查询和重复下载。
    如填写123,账号就是123,密码也是123。
    支付方式: 支付宝    微信支付   
    验证码:   换一换

    加入VIP,免费下载
     
    账号:
    密码:
    验证码:   换一换
      忘记密码?
        
    友情提示
    2、PDF文件下载后,可能会被浏览器默认打开,此种情况可以点击浏览器菜单,保存网页到桌面,就可以正常下载了。
    3、本站不支持迅雷下载,请使用电脑自带的IE浏览器,或者360浏览器、谷歌浏览器下载即可。
    4、本站资源下载后的文档和图纸-无水印,预览文档经过压缩,下载后原文更清晰。
    5、试题试卷类文档,如果标题没有明确说明有答案则都视为没有答案,请知晓。

    第五节近年内已完工程经历表编制工程文档范本.docx

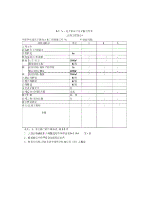
    B-2(a)近五年内已完工程经历表(公路工程部分)申请单位或其下属投入本工程的施工单位:申请合同段:项目或指标单位123工程名称起迄地点(合同段)里程长度km技术等级/行车道数/路基土方/石方IOOOm3/软基处治工程M/段路面面层结构/基层平均厚度Cm/面层结构/数量IOOOm2/面层结构/数量IOOOm2/大型公路桥梁M/座中型公路桥梁M/座公路隧道M/座互交式立体交叉处合同总价/合同结算价万元/竣工日期年、月合同工期/实际日期月/竣工质量评定业主/监理工程师/备注说明:1、非公路工程不填本表,填B-9表2、大型公路桥梁和公路隧道的详细情况填B-2(b)、(C)表.3、路面面层平均厚度包括联结层在内.4、如有分包时,应在备注中述明分包的分部(项)及数量.(大型公路桥梁工程部分)申请单位或其下属投入本工程的施工单位:申请合同段:项目或指标单位123工程名称所在路线及里程桩号孔径m桥梁长度/桥面净宽m/设计荷载结构类型上部结构瞰台基础主要施工方法上部结构基础全桥混凝土匪冈筋混凝土M3/全桥砌体与工数量M3全桥钢材/水泥用量t/合同总价/合同结算价万元/竣工日期年、月合同工日期/实际工期月/竣工质量评定业主/监理工程师/备注说明:主要施工方法一栏应作简述,如上部结构采用支架施工、导梁安装、悬浇、悬拼、转体、顶推、先(后)张预应力等,基础施工采用明挖、框架、筑岛、板桩、围堰等.(公路隧道工程)申请单位或其下属投入本工程的施工单位:申请合同段:项目或名称单位123工程名称所在路线及里程桩号长度m宽度/行车道数M/个/纵坡度%隧道类型衬彻结构主要施工方法合同总价/合同结算价万元/竣工日期年、月合同工期/实际工期月/竣工质量评定业主/监理工程师/备注说明:1、隧道类型可填浅层、深层、全隧道、半隧道等.2、洞内通讯、通风、照明设施情况在备注栏内简述.近五年内己完工程经历表相当于国际招标资格预审中的业绩表,编制工程经历表应注意以下几点:(一)填报的工程项目数量首先要满足强制性标准,与A-I主要工程业绩要求表一致,每个项目都应能附上证明材料,如中标通知书、验收书等.(二)尽量选择工程规模大,技术复杂、质量评定好的项目.()每个项目都应详细填写表格要求的内容,不要有遗漏和空白的栏目.已完工程经历表内容较多,投标人平时应该根据企业历年施工情况整理、统计成资料库,并附上相应的证明材料,供投标时调用.

    注意事项

    本文(第五节近年内已完工程经历表编制工程文档范本.docx)为本站会员(p**)主动上传,第壹文秘仅提供信息存储空间,仅对用户上传内容的表现方式做保护处理,对上载内容本身不做任何修改或编辑。 若此文所含内容侵犯了您的版权或隐私,请立即通知第壹文秘(点击联系客服),我们立即给予删除!

    温馨提示:如果因为网速或其他原因下载失败请重新下载,重复下载不扣分。




    关于我们 - 网站声明 - 网站地图 - 资源地图 - 友情链接 - 网站客服 - 联系我们

    copyright@ 2008-2023 1wenmi网站版权所有

    经营许可证编号:宁ICP备2022001189号-1

    本站为文档C2C交易模式,即用户上传的文档直接被用户下载,本站只是中间服务平台,本站所有文档下载所得的收益归上传人(含作者)所有。第壹文秘仅提供信息存储空间,仅对用户上传内容的表现方式做保护处理,对上载内容本身不做任何修改或编辑。若文档所含内容侵犯了您的版权或隐私,请立即通知第壹文秘网,我们立即给予删除!

    收起
    展开