欢迎来到第壹文秘! | 帮助中心 分享价值,成长自我!
第壹文秘
全部分类
  • 幼儿/小学教育>
  • 中学教育>
  • 高等教育>
  • 研究生考试>
  • 外语学习>
  • 资格/认证考试>
  • 论文>
  • IT计算机>
  • 法律/法学>
  • 建筑/环境>
  • 通信/电子>
  • 医学/心理学>
  • ImageVerifierCode 换一换
    首页 第壹文秘 > 资源分类 > DOCX文档下载
    分享到微信 分享到微博 分享到QQ空间

    ”粉六条”安全检查表.docx

    • 资源ID:310926       资源大小:17.04KB        全文页数:2页
    • 资源格式: DOCX        下载积分:5金币
    快捷下载 游客一键下载
    账号登录下载
    三方登录下载: 微信开放平台登录 QQ登录
    下载资源需要5金币
    邮箱/手机:
    温馨提示:
    快捷下载时,如果您不填写信息,系统将为您自动创建临时账号,适用于临时下载。
    如果您填写信息,用户名和密码都是您填写的【邮箱或者手机号】(系统自动生成),方便查询和重复下载。
    如填写123,账号就是123,密码也是123。
    支付方式: 支付宝    微信支付   
    验证码:   换一换

    加入VIP,免费下载
     
    账号:
    密码:
    验证码:   换一换
      忘记密码?
        
    友情提示
    2、PDF文件下载后,可能会被浏览器默认打开,此种情况可以点击浏览器菜单,保存网页到桌面,就可以正常下载了。
    3、本站不支持迅雷下载,请使用电脑自带的IE浏览器,或者360浏览器、谷歌浏览器下载即可。
    4、本站资源下载后的文档和图纸-无水印,预览文档经过压缩,下载后原文更清晰。
    5、试题试卷类文档,如果标题没有明确说明有答案则都视为没有答案,请知晓。

    ”粉六条”安全检查表.docx

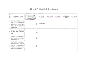
    “粉6条”重点事项执法检查表序号“粉6条”重点事项涉及的具体设备/场所(检查实际情况与企业自查上报情况是否相符,不相符的注明填写具体情况)问题隐患检查人(含专家)处罚情况问题隐患整改完成情况复查人(含专家)1不同种类的可燃性粉尘、可燃性粉尘与可燃气体等易加剧爆炸危险的介质共用一套除尘系统,不同防火分区的除尘系统互联互通。1(具体问题)22干式除尘系统未规范采用泄爆、惰化、抑爆、抗爆等控爆措施。123除尘系统采用重力沉降方式除尘,或者采用干式巷道式构筑物作为除尘风道。124铝镁等金属粉尘除尘系统未采用负压除尘方式。其他可燃性粉尘除尘系统采用正压吹送粉尘时,未规范采取火花探测消除等防范点燃源措施。12县(市、区)企业名称:检查时间:序号“粉6条”重点事项涉及的具体设备/场所(检查实际情况与企业自查上报情况是否相符,不相符的注明填写具体情况)问题隐患检查人(含专家)处罚情况问题隐患整改完成情况复查人(含专家)5粉碎、研磨、造粒、砂光等易产生机械火花的工艺,未规范采取杂物去除或火花探测消除等防范点燃源措施。6未按规范制定粉尘清理制度,作业现场和相关设备设施积尘未及时规范清扫。铝镁等金属粉尘的收集、贮存等处置环节未落实防水防潮、通风、氢气监测等必要的防爆措施。注:企业要严格按照“粉6条”重点事项内容逐条自查自改,整改情况必须由企业负责人签字确认,并作出承诺。特殊原因无法及时整改的要书面说明原因。

    注意事项

    本文(”粉六条”安全检查表.docx)为本站会员(p**)主动上传,第壹文秘仅提供信息存储空间,仅对用户上传内容的表现方式做保护处理,对上载内容本身不做任何修改或编辑。 若此文所含内容侵犯了您的版权或隐私,请立即通知第壹文秘(点击联系客服),我们立即给予删除!

    温馨提示:如果因为网速或其他原因下载失败请重新下载,重复下载不扣分。




    关于我们 - 网站声明 - 网站地图 - 资源地图 - 友情链接 - 网站客服 - 联系我们

    copyright@ 2008-2023 1wenmi网站版权所有

    经营许可证编号:宁ICP备2022001189号-1

    本站为文档C2C交易模式,即用户上传的文档直接被用户下载,本站只是中间服务平台,本站所有文档下载所得的收益归上传人(含作者)所有。第壹文秘仅提供信息存储空间,仅对用户上传内容的表现方式做保护处理,对上载内容本身不做任何修改或编辑。若文档所含内容侵犯了您的版权或隐私,请立即通知第壹文秘网,我们立即给予删除!

    收起
    展开