欢迎来到第壹文秘! | 帮助中心 分享价值,成长自我!
第壹文秘
全部分类
  • 幼儿/小学教育>
  • 中学教育>
  • 高等教育>
  • 研究生考试>
  • 外语学习>
  • 资格/认证考试>
  • 论文>
  • IT计算机>
  • 法律/法学>
  • 建筑/环境>
  • 通信/电子>
  • 医学/心理学>
  • ImageVerifierCode 换一换
    首页 第壹文秘 > 资源分类 > DOCX文档下载
    分享到微信 分享到微博 分享到QQ空间

    集成式核酸检测方舱实验室参数6000通量.docx

    • 资源ID:290617       资源大小:20.49KB        全文页数:2页
    • 资源格式: DOCX        下载积分:5金币
    快捷下载 游客一键下载
    账号登录下载
    三方登录下载: 微信开放平台登录 QQ登录
    下载资源需要5金币
    邮箱/手机:
    温馨提示:
    快捷下载时,如果您不填写信息,系统将为您自动创建临时账号,适用于临时下载。
    如果您填写信息,用户名和密码都是您填写的【邮箱或者手机号】(系统自动生成),方便查询和重复下载。
    如填写123,账号就是123,密码也是123。
    支付方式: 支付宝    微信支付   
    验证码:   换一换

    加入VIP,免费下载
     
    账号:
    密码:
    验证码:   换一换
      忘记密码?
        
    友情提示
    2、PDF文件下载后,可能会被浏览器默认打开,此种情况可以点击浏览器菜单,保存网页到桌面,就可以正常下载了。
    3、本站不支持迅雷下载,请使用电脑自带的IE浏览器,或者360浏览器、谷歌浏览器下载即可。
    4、本站资源下载后的文档和图纸-无水印,预览文档经过压缩,下载后原文更清晰。
    5、试题试卷类文档,如果标题没有明确说明有答案则都视为没有答案,请知晓。

    集成式核酸检测方舱实验室参数6000通量.docx

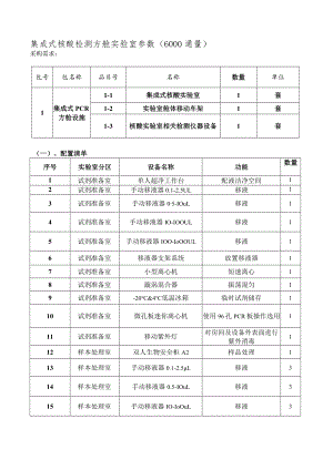
    集成式核酸检测方舱实验室参数(6000通量)采购需求:包号包名称品目号名称数量单位1集成式PCR方舱设施1-1集成式核酸实验室1套1-2实验室舱体移动车架1套1-3核酸实验室相关检测仪器设备1套(一)、配置清单序号实验室分区设备名称功能数量1试剂准备室单人超净工作台配液洁净空间12试剂准备室手动移液器0.1-2.5UL移液13试剂准备室手动移液器05-IOuL移液14试剂准备室手动移液器IO-IOOUL移液15试剂准备室手动移液器IOO-IoOOUL移液16试剂准备室移液器支架系统放置移液器17试剂准备室小型离心机短速离心18试剂准备室漩涡混合器振荡混匀19试剂准备室-20&4低温冰箱临时试剂储存110试剂准备室微孔板迷你离心机使用96孔PCR板操作选用111试剂准备室移动紫外灯对房间及设备外表面进行紫外消毒112样本处理室双人生物安全柜A2样品处理113样本处理室手动移液器0.1-2.5L移液314样本处理室手动移液器0.5-IOuL移液315样本处理室手动移液器IO-IoOuL移液316样本处理室手动移液器IOo-IOoOUL移液317样本处理室八道手动移液器Io-IOOL移液118样本处理室八道手动移液器30-300L移液119样本处理室移液器支架系统放置移液器320样本处理室小型离心机短速离心221样本处理室漩涡混合器振荡混匀222样本处理室-20&4低温冰箱临时试剂储存123样本处理室多管振荡器多管混匀124样本处理室超高通量核酸提取仪核酸超高通量提取125样本处理室微孔板迷你离心机使用96孔PCR板操作选用126样本处理室移动紫外灯对房间及设备外表面进行紫外消毒127样本处理室空气气溶胶采集系统移动检测实验室气溶胶质控128检测室微孔板迷你离心机使用96孔PCR板操作选用129检测室高通量荧光定量PCR仪高通量荧光定量PCR仪730检测室办公笔记本录入信息,连接PCR仪331检测室移动紫外灯对房间及设备外表面进行紫外消毒132洗消生物安全型灭菌消毒锅医疗垃圾消杀133配套设备1P2+级试验室级别改造方舱P2+生物实验室134配套设备2移动方舱定制化车架供方舱移动的载体1

    注意事项

    本文(集成式核酸检测方舱实验室参数6000通量.docx)为本站会员(p**)主动上传,第壹文秘仅提供信息存储空间,仅对用户上传内容的表现方式做保护处理,对上载内容本身不做任何修改或编辑。 若此文所含内容侵犯了您的版权或隐私,请立即通知第壹文秘(点击联系客服),我们立即给予删除!

    温馨提示:如果因为网速或其他原因下载失败请重新下载,重复下载不扣分。




    关于我们 - 网站声明 - 网站地图 - 资源地图 - 友情链接 - 网站客服 - 联系我们

    copyright@ 2008-2023 1wenmi网站版权所有

    经营许可证编号:宁ICP备2022001189号-1

    本站为文档C2C交易模式,即用户上传的文档直接被用户下载,本站只是中间服务平台,本站所有文档下载所得的收益归上传人(含作者)所有。第壹文秘仅提供信息存储空间,仅对用户上传内容的表现方式做保护处理,对上载内容本身不做任何修改或编辑。若文档所含内容侵犯了您的版权或隐私,请立即通知第壹文秘网,我们立即给予删除!

    收起
    展开